Part Number Hot Search : 
10SVP33M 1N392 LL5235A MRF24J40 AD9708AR KT872L55 AA4040NC 79L12AC
Product Description
Full Text Search

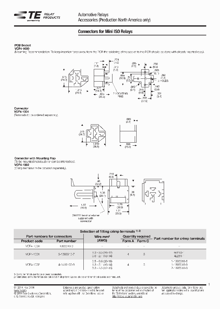
60249-1 - Connectors for Mini ISO Relays

60249-1_9112317.PDF Datasheet


 Full text search : Connectors for Mini ISO Relays
 Product Description search : Connectors for Mini ISO Relays


 Related Part Number
PART Description Maker
2-1416001-0 1-1416001-4 V23072-A1061-A303 V23072-A PCB relays Single relays Mini power relay K (open and sealed)
Tyco Electronics
1-1414147-0 1-1414286-0 1-1414469-0 1-1414610-0 3- Power Relay F7
Plug-in Maxi ISO Relays
Tyco Electronics
List of Unclassifed Manufacturers
MAX1226-MAX1230 40 AMP MINI-ISO AUTOMOTIVE RELAY
Maxim Integrated Products, Inc.
AZ9741-1C-24D AZ9741-1C-6D AZ9741-1C-12D AZ9741-1A 40 AMP MINI-ISO AUTOMOTIVE RELAY
American Zettler, Inc.
SC792 SC792-1 SC792-2 SC792-3 4 / 5 Pin Mini ISO Automotive Relay Socket
Picker Components
10226-1210PE 10214-1210PE 10214-1210PE07 102261210 26-PIN MINI D RIBBON CONNECTOR 10226-1210VE SMD 0.050IN CTRS
3M Mini D Ribbon (MDR) Connectors
3M Electronics
CB1AHF-T-24V CB1-T-24V CB1F-M-12V CB1A-M-24V CB1F- MINI-ISO AUTOMOTIVE RELAY Agricultural equipment, Conveyor, etc.
Panasonic Semiconductor
MMBTA20LT1_D ON2135 MMBTA20 40 AMP MINI-ISO AUTOMOTIVE RELAY
TYPICAL STATIC CHARACTERISTICS
From old datasheet system
General Purpose Amplifier
Motorola, Inc.
ON Semi
F07N-011-210-AGGE CIM-F07N mini SD Card Connectors
MITSUMI[Mitsumi Electronics, Corp.]
CM03-P-SC CM03-P4S CM03-P5S CM03-R5P-S-CF CM03-J-P DeviceNet Mini-Style Connectors
DDK Ltd.
10226-0210EC 10240-0210EC 10268-0210EC 10236-0210E 3M Mini D Ribbon (MDR) Connectors
3M Electronics
 
 Related keyword From Full Text Search System
60249-1 transient design 60249-1 Processor 60249-1 digital ic 60249-1 filetype:pdf 60249-1 MARKING
60249-1 state 60249-1 maker 60249-1 pitch 60249-1 filetype:pdf 60249-1 description
 

 

Price & Availability of 60249-1

All Rights Reserved © IC-ON-LINE 2003 - 2022  

[Add Bookmark] [Contact Us] [Link exchange] [Privacy policy]
Mirror Sites :  [www.datasheet.hk]   [www.maxim4u.com]  [www.ic-on-line.cn] [www.ic-on-line.com] [www.ic-on-line.net] [www.alldatasheet.com.cn] [www.gdcy.com]  [www.gdcy.net]


 . . . . .
  We use cookies to deliver the best possible web experience and assist with our advertising efforts. By continuing to use this site, you consent to the use of cookies. For more information on cookies, please take a look at our Privacy Policy. X
0.26533603668213