Part Number Hot Search : 
CE2F3P 7A6XX 6101Y2 IRHF9230 6100A HFM101B JHV3640 SSP6N55
Product Description
Full Text Search

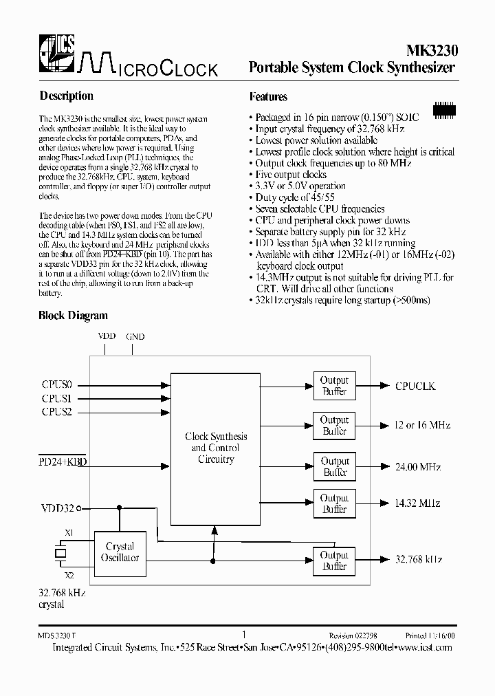
MK3230-01S - Portable System Clock Synthesizer

MK3230-01S_9111013.PDF Datasheet

 
Part No. MK3230-01S MK3230-02STR
Description Portable System Clock Synthesizer

File Size 68.40K  /  4 Page  

Maker

Integrated Circuit Syst...



JITONG TECHNOLOGY
(CHINA HK & SZ)
Datasheet.hk's Sponsor

Part: MK3230-01S
Maker: MICROCLO..
Pack: SOP-16
Stock: Reserved
Unit price for :
    50: $1.15
  100: $1.10
1000: $1.04

Email: oulindz@gmail.com

Contact us

Homepage
Download [ ]
[ MK3230-01S MK3230-02STR Datasheet PDF Downlaod from Datasheet.HK ]
[MK3230-01S MK3230-02STR Datasheet PDF Downlaod from Maxim4U.com ] :-)


[ View it Online ]   [ Search more for MK3230-01S ]

[ Price & Availability of MK3230-01S by FindChips.com ]

 Full text search : Portable System Clock Synthesizer
 Product Description search : Portable System Clock Synthesizer


 Related Part Number
PART Description Maker
MK3230 MK3230-01S MK3230-01STR MK3230-02S MK3230-0 Portable System Clock Synthesizer 便携式系统时钟合成器
ICST[Integrated Circuit Systems]
ICS9248-141 ICS9248YF-141-T AMD - K7?System Clock Chip
AMD - K7⑩ System Clock Chip
AMD K7 System Clock with up to 166MHz Processor Support
AMD - K7 System Clock Chip
Frequency Generator & Integrated Buffers
166.66 MHz, PROC SPECIFIC CLOCK GENERATOR, PDSO48 0.300 INCH, SSOP-48
Integrated Circuit Syst...
ICST[Integrated Circuit Systems]
Integrated Device Technology, Inc.
BA3890F A5800720 BA3890 Optical Disc LSIs > Optical disc accessories > Peripheral IC of portable CD player
From old datasheet system
Pulse width controller for portable CD players
ROHM[Rohm]
Rohm CO.,LTD.
ICS9248-168 ICS9248YF-168-T AMD - K7?Clock Generator for Mobile System
AMD - K7Clock Generator for Mobile System
Frequency Generator & Integrated Buffers
AMD - K7 Clock Generator for Mobile System
AMD K7 System Clock with up to 153MHz Processor Support
AMD - K7⑩ Clock Generator for Mobile System
AMD - K7?/a> Clock Generator for Mobile System
Integrated Circuit Syst...
ICST[Integrated Circuit Systems]
M57732 57732 144-175 MHz, 12.5V, 7W, FM PORTABLE RADIO
144-175MHZ, 12.5V,7W, FM POPHTABLE RADIO
From old datasheet system
144-175MHz 12.5V /7W /FM PORTABLE RADIO
144-175MHz 12.5V,7W,FM PORTABLE RADIO
Mitsubishi Electric Corporation
ICS9147-22 ICS9147F-22 Pentium-ProTM System and Cyrix Clock Chip
Pentium-ProTM System and Cyrix⑩ Clock Chip
Pentium/ProTM System and Cyrix™ Clock Chip
Pentium/ProTM System Clock Chip
High-Performance Impact-X<TM> PAL(R) Circuits 28-PLCC 0 to 75
Pentium/ProTM System and Cyrix? Clock Chip
ICST[Integrated Circuit Systems]
Integrated Device Technology
ICS9148-32 ICS9148F-32 9148F-32 BX Main Clock, 2 Chip Clock, Supports 66.6 - 100MHz
Pentium/ProTM System Clock Chip
100 MHz, PROC SPECIFIC CLOCK GENERATOR, PDSO48
ICST[Integrated Circuit Systems]
INTEGRATED DEVICE TECHNOLOGY INC
XC68328V Integrated Portable System Processor
Motorola
BD6607KN System Motor Driver for Portable MD
Rohm
ICS950403 AMD - K8?/a> System Clock Chip
Clock Synthesizer
From old datasheet system
AMD - K8⑩ System Clock Chip
ICS
Integrated Circuit Systems
M67749 M67749EL 67749EL 335-360MHz / 12.5V / 7W / FM PORTABLE RADIO
335-360MHz, 12.5V, 7W, FM PORTABLE RADIO
From old datasheet system
MITSUBISHI[Mitsubishi Electric Semiconductor]
 
 Related keyword From Full Text Search System
MK3230-01S Price MK3230-01S Programmable MK3230-01S text MK3230-01S nec MK3230-01S
MK3230-01S Matsushita MK3230-01S Type MK3230-01S electric MK3230-01S ic marking MK3230-01S cost
 

 

Price & Availability of MK3230-01S

All Rights Reserved © IC-ON-LINE 2003 - 2022  

[Add Bookmark] [Contact Us] [Link exchange] [Privacy policy]
Mirror Sites :  [www.datasheet.hk]   [www.maxim4u.com]  [www.ic-on-line.cn] [www.ic-on-line.com] [www.ic-on-line.net] [www.alldatasheet.com.cn] [www.gdcy.com]  [www.gdcy.net]


 . . . . .
  We use cookies to deliver the best possible web experience and assist with our advertising efforts. By continuing to use this site, you consent to the use of cookies. For more information on cookies, please take a look at our Privacy Policy. X
0.41415095329285