Part Number Hot Search : 
80C54 2121A1 SMA4744A 550R0 42377 S12N65 25CTQ035 S2744
Product Description
Full Text Search

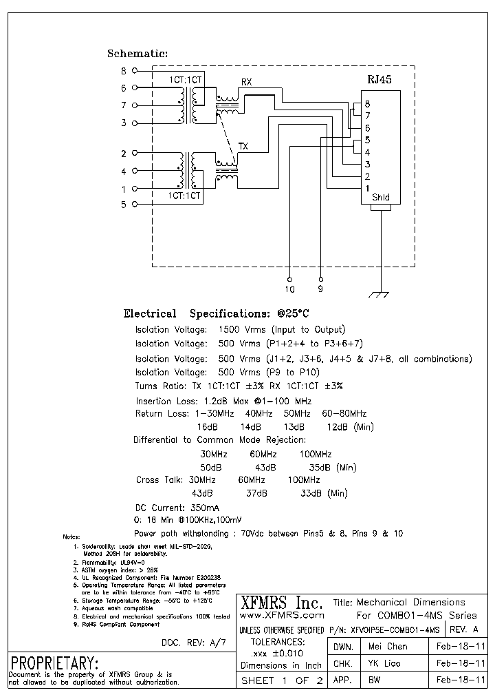
XFVOIP5E-C1-4MS - Mechanical Dimensions For COMBO1-4MS Series

XFVOIP5E-C1-4MS_9082983.PDF Datasheet


 Full text search : Mechanical Dimensions For COMBO1-4MS Series
 Product Description search : Mechanical Dimensions For COMBO1-4MS Series


 Related Part Number
PART Description Maker
MPT530-R56H1 MPT530-6R8H1 MPT530-R10H1 MPT530-R22H Mechanical dimensions
Delta Electronics, Inc.
MPT136-680H1 MPT136-151H1 Mechanical dimensions
Delta Electronics, Inc.
MPT420-1R2H1 MPT420-R10H1 MPT420-R68H1 MPT420-2R2H Mechanical dimensions
Delta Electronics, Inc.
HCB1190-251L1 Mechanical dimensions
Delta Electronics, Inc.
TSSOP-20 Mechanical Dimensions
List of Unclassifed Manufacturers
ETC
HCB0750-700L HCB0750-700H2 HCB0750-151H2 HCB0750-1 Mechanical dimensions
Delta Electronics, Inc.
XFATM9A-CT1-4MP MECHANICAL DIMENSIONS FOR TAB UB
XFMRS Inc.
XFVOIP5E-C1-4MS Mechanical Dimensions For COMBO1-4MS Series
XFMRS Inc.
506AL MECHANICAL CASE OUTLINE PACKAGE DIMENSIONS
ONSEMI[ON Semiconductor]
XFVOIP5EA-CLXU2-4MS Mechanical Dimensions For CLxu2-4MS Series
XFMRS Inc.
SMA140 SMA160 SMA1100 SMA120 SMA130 1.0 Amp SCHOTTKY BARRIER RECTIFIERS Mechanical Dimensions
First Components Intern...
FCI[First Components International]
 
 Related keyword From Full Text Search System
XFVOIP5E-C1-4MS datasheet XFVOIP5E-C1-4MS Chip XFVOIP5E-C1-4MS voltage vgs XFVOIP5E-C1-4MS Shunt XFVOIP5E-C1-4MS Interrupt
XFVOIP5E-C1-4MS diode XFVOIP5E-C1-4MS Power XFVOIP5E-C1-4MS linear XFVOIP5E-C1-4MS Amplifier XFVOIP5E-C1-4MS ghz
 

 

Price & Availability of XFVOIP5E-C1-4MS

All Rights Reserved © IC-ON-LINE 2003 - 2022  

[Add Bookmark] [Contact Us] [Link exchange] [Privacy policy]
Mirror Sites :  [www.datasheet.hk]   [www.maxim4u.com]  [www.ic-on-line.cn] [www.ic-on-line.com] [www.ic-on-line.net] [www.alldatasheet.com.cn] [www.gdcy.com]  [www.gdcy.net]


 . . . . .
  We use cookies to deliver the best possible web experience and assist with our advertising efforts. By continuing to use this site, you consent to the use of cookies. For more information on cookies, please take a look at our Privacy Policy. X
0.047452926635742