Part Number Hot Search : 
MBRS1540 ISX06 1V225 C2012 MOG2388C MT90883A GBU12K M48Z3
Product Description
Full Text Search

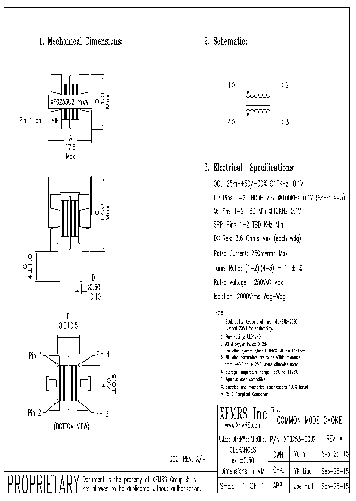
XF0253-00U2 - COMMON MODE CHOKE

XF0253-00U2_9070525.PDF Datasheet


 Full text search : COMMON MODE CHOKE
 Product Description search : COMMON MODE CHOKE


 Related Part Number
PART Description Maker
UU9LFNP-B-B222 UU9LFNP-B-B471 UU9LFHNP-HB681 UU9LF SINGLE PHASE EMI FILTER ROHS COMPLIANT PACKAGE-4
CHOKE COMMON MODE 0.68MH PC MNT SINGLE PHASE EMI FILTER
CHOKE COMMON MODE 0.47MH PC MNT SINGLE PHASE EMI FILTER
CHOKE COMMON MODE 4.7MH PC MNT SINGLE PHASE EMI FILTER
CHOKE COMMON MODE 3.9MH PC MNT SINGLE PHASE EMI FILTER
Sumida, Corp.
SUMIDA CORP
UU10LF06 UU10LFNP-B682 UU10LFNP-B332 UU10LFNP-B333 CHOKE COMMON MODE 22MH PC MNT
50/60 HZ, SINGLE PHASE EMI FILTER ROHS COMPLIANT PACKAGE-4
AC COMMON MODE COIL
Integrated Silicon Solution, Inc.
Sumida, Corp.
Sumida Corporation
0571-0303-00 0571-0033-00 POWER LINE CHOKES COMMON MODE CHOKES 2 ELEMENT, 30000 uH, COMMON MODE CHOKE
POWER LINE CHOKES COMMON MODE CHOKES 2 ELEMENT, 3000 uH, COMMON MODE CHOKE
Bel Fuse, Inc.
ACM0803CS COMMON MODE CHOKES Common mode choke for power application
Allied Components International
ACM0433CI COMMON MODE CHOKES Common mode choke for power application
Allied Components International
ACM0806CS COMMON MODE CHOKES Common mode choke for power application
Allied Components International
7526 Choke Surface Mount Common Mode Choke
FILTRAN[Filtran LTD]
E3505-AL E3499-AL E3497-AL E3493-AL E3504-AL E3498 Common Mode Line Chokes
Common mode choke, RoHS 2 FUNCTIONS, 0.75 A, DATA LINE FILTER
Common mode choke, RoHS 2 FUNCTIONS, 0.5 A, DATA LINE FILTER
Common mode choke, RoHS 2 FUNCTIONS, 2 A, DATA LINE FILTER
Common mode choke, RoHS 2 FUNCTIONS, 4 A, DATA LINE FILTER
Common mode choke, RoHS 2 FUNCTIONS, 1 A, DATA LINE FILTER
Coilcraft lnc.
Coilcraft, Inc.
COILCRAFT INC
CS03 CS03-460 CS03-100 CS03-1R0 CS03-220 Common Mode Choke
ICE[ice Components, Ins.]
XF0086-02SM XF0086-02SM-15 COMMON MODE CHOKE
XFMRS Inc.
XF0103-HPCMC-15 COMMON MODE CHOKE
XFMRS Inc.
 
 Related keyword From Full Text Search System
XF0253-00U2 Address XF0253-00U2 international XF0253-00U2 china datasheet XF0253-00U2 hitachi XF0253-00U2 level converter
XF0253-00U2 bookmark XF0253-00U2 ultra XF0253-00U2 asm encoder XF0253-00U2 Level XF0253-00U2 single
 

 

Price & Availability of XF0253-00U2

All Rights Reserved © IC-ON-LINE 2003 - 2022  

[Add Bookmark] [Contact Us] [Link exchange] [Privacy policy]
Mirror Sites :  [www.datasheet.hk]   [www.maxim4u.com]  [www.ic-on-line.cn] [www.ic-on-line.com] [www.ic-on-line.net] [www.alldatasheet.com.cn] [www.gdcy.com]  [www.gdcy.net]


 . . . . .
  We use cookies to deliver the best possible web experience and assist with our advertising efforts. By continuing to use this site, you consent to the use of cookies. For more information on cookies, please take a look at our Privacy Policy. X
0.039182186126709