Part Number Hot Search : 
74LS153 EPX10 POWER 2SB1314 SKL32C BDB01 BDB01D 1N5236B
Product Description
Full Text Search

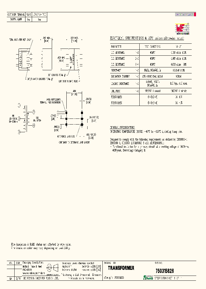
750315826 - TRANSFORMER

750315826_9054939.PDF Datasheet


 Full text search : TRANSFORMER
 Product Description search : TRANSFORMER


 Related Part Number
PART Description Maker
DA2362-AL DA2362-ALD Flyback Transformer
PoE transformer, for Freescale MC34670, SMT, RoHS 13 W, SMPS TRANSFORMER
Coilcraft lnc.
Coilcraft, Inc.
LM-NP-1001-B1L LM-LP-1001L LM-NP-1002L BOURNSINC-L MAGNETICS-LINE-MATCHING TRANSFORMER TELECOM TRANSFORMER
MAGNETICS-LINE-MATCHING TRANSFORMER-LF TELECOM TRANSFORMER
Transformers 1KHz 66ohm 10% line matching trans TELECOM TRANSFORMER
Bourns, Inc.
BOURNS INC
PL2417BBEB PL4201ABEB PL4208ABEB PL4208BBEB VISHAY POWER TRANSFORMER, 10 VA ROHS COMPLIANT
SPLIT BOBBIN POWER TRANSFORMER, 1.5 VA
POWER TRANSFORMER, 4.5 VA
Vishay Intertechnology, Inc.
VISHAY DALE
EPE6045SE EPE6045SE-LF DATACOM TRANSFORMER FOR 10 BASE-T APPLICATION(S) LEAD FREE
10Base-T Isolation Transformer
Samsung Semiconductor Co., Ltd.
PCA ELECTRONICS INC.
DA2025-ALD DA2025-ALB Transformer, for NSC LM5035, SMT, RoHS 100 W, SMPS TRANSFORMER
Coilcraft, Inc.
C1023-ALD PoE transformer, for NSC LM5070, 3.3V, SMT, RoHS 13 W, SMPS TRANSFORMER
Coilcraft, Inc.
A9786-ALD DSL transformer, for AD20MSP910/918, not RoHS 150 W, SMPS TRANSFORMER
Coilcraft, Inc.
B0726-EL B0726-ELB C1350-ALD ADSL Transformers
DSL transformer, for Broadcom BCM63xx, SMT, RoHS TELECOM TRANSFORMER
Coilcraft lnc.
Coilcraft, Inc.
COILCRAFT INC
PL140-112LB PL140-104LD Transformer, planar, SMT, RoHS 140 W, SMPS TRANSFORMER
Coilcraft, Inc.
COILCRAFT INC
MABAES0032 Transformer, 1:1 Transmission Line Transformer 5 to 1000 MHz
M/A-COM Technology Solutions, Inc.
S560-6600-KU ADSL MAGNETICS
Isolation Transformer TELECOM TRANSFORMER
Bel Fuse Inc.
Bel Fuse, Inc.
 
 Related keyword From Full Text Search System
750315826 FRE DOUNLODE 750315826 products 750315826 21 ic on line 750315826 appreciate 750315826 Derating Rule
750315826 integrated gigabit 750315826 的参数 750315826 datasheet | даташит 750315826 connector 750315826 Product
 

 

Price & Availability of 750315826

All Rights Reserved © IC-ON-LINE 2003 - 2022  

[Add Bookmark] [Contact Us] [Link exchange] [Privacy policy]
Mirror Sites :  [www.datasheet.hk]   [www.maxim4u.com]  [www.ic-on-line.cn] [www.ic-on-line.com] [www.ic-on-line.net] [www.alldatasheet.com.cn] [www.gdcy.com]  [www.gdcy.net]


 . . . . .
  We use cookies to deliver the best possible web experience and assist with our advertising efforts. By continuing to use this site, you consent to the use of cookies. For more information on cookies, please take a look at our Privacy Policy. X
0.38796305656433