Part Number Hot Search : 
474M000 LN29RP R05X05 MIC7221 CY7C017A MP9361 2SC4433 E005005
Product Description
Full Text Search

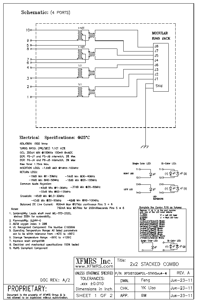
XFGIB100APOL-STKVDXU4-4 - 2X2 STAKED COMBO

XFGIB100APOL-STKVDXU4-4_9021536.PDF Datasheet


 Full text search : 2X2 STAKED COMBO
 Product Description search : 2X2 STAKED COMBO


 Related Part Number
PART Description Maker
XFGIB100APOL-STKVDXU12-4 2X6 STAKED COMBO
XFMRS Inc.
4-002-171PTLHT 4-002.5-171PTLHT 4-002.25-171PTLHT Flat Pin Staked Flex Jumpers
Aries Electronics, Inc.
APD3224VGC-Z-F01 APD3224VGC_Z-F01 APD3224VGC/Z-F01 3.2x2.4mm SMD CHIP LED LAMP 3.2x2.4mm贴片发光二极
Kingbright, Corp.
Kingbright Corporation.
XFATM2Y-CLXU1-2MS SINGLE PORT COMBO
10/100 W/LED COMBO SERIES
XFMRS Inc.
L9352 L9352-DIE1 CAP CER 1800PF 3.15KVDC R3 RAD
INTELLIGENT QUAD 2X5A/2X2.5A LOW-SIDE SWITCH 智能X5A/2X2.5A低边开
意法半导
STMicroelectronics N.V.
XF10BASE-C1-4S XF10BASE-C1-4S-15 10 BASE-T FILTER COMBO
10Base-T FILTER COMBO
XFMRS Inc.
XFATM9-CLXU2-4MS XFATM9-CLXU2-4MS-15 DUAL PORT 10/100 BASE-T COMBO
Dual Port 10/100BASE-T COMBO
XFMRS Inc.
UT7164-55PCA6 UT7164-55PSA6 UT7164-85PCC6 UT7164-5 Combo Memory 2M x 16 Flash 256kx16 SRAM 3.3v 56FBGA
Combo Memory 2M x 16 Flash 512kx16 SRAM 3.3v 56FBGA Tray
Combo Memory 4M x 16 Flash 512kx16/1mx8 SRAM 3.3v 73FBGA Tray
x8 SRAM x8的SRAM
ITT, Corp.
XFATM9LA-USBXU-2 STACKED US COMBO
STACKED USB COMBO
XFMRS Inc.
HD44231P HD44232P HD44234P HD44233P 44233 Single Chip CODE with Filters (COMBO)
Power LED Illuminator; LED Color:Green; Luminous Intensity:78mcd; Forward Current:161mA; Forward Voltage:24VDC; Color:Green; Lens Color:White Diffused; Lens Style:Dome; Mounting Type:Screw Flange; Terminal Type:Unterminated Cable RoHS Compliant: Yes
SINGLE CHIP CODEC WITH FILTERS(COMBO)
Renesas Technology
Hitachi,Ltd.
HITACHI[Hitachi Semiconductor]
D5W1-PCD-1 COMBO D-SUB
Adam Technologies, Inc.
EH4945ETTS-24.000M EH4925ETTS-24.000M EH4900TTS-24 OSCILLATORS 50PPM -40 85 1.8V 4 24.000MHZ TS CMOS 3.2X2.5 4PAD SMD CRYSTAL OSCILLATOR, CLOCK, 24 MHz, LVCMOS OUTPUT
OSCILLATORS 25PPM -40 85 1.8V 4 24.000MHZ TS CMOS 3.2X2.5 4PAD SMD CRYSTAL OSCILLATOR, CLOCK, 24 MHz, LVCMOS OUTPUT
OSCILLATORS 100PPM 0 70 1.8V 4 24.000MHZ TS CMOS 3.2X2.5 4PAD SMD CRYSTAL OSCILLATOR, CLOCK, 24 MHz, LVCMOS OUTPUT
OSCILLATORS 20PPM -40 85 1.8V 4 24.000MHZ TS CMOS 3.2X2.5 4PAD SMD CRYSTAL OSCILLATOR, CLOCK, 24 MHz, LVCMOS OUTPUT
OSCILLATORS 25PPM 0 70 1.8V 4 24.000MHZ TS CMOS 3.2X2.5 4PAD SMD CRYSTAL OSCILLATOR, CLOCK, 24 MHz, LVCMOS OUTPUT
Ecliptek, Corp.
 
 Related keyword From Full Text Search System
XFGIB100APOL-STKVDXU4-4 bit XFGIB100APOL-STKVDXU4-4 Mount XFGIB100APOL-STKVDXU4-4 sensor XFGIB100APOL-STKVDXU4-4 stmicroelectronics XFGIB100APOL-STKVDXU4-4 data
XFGIB100APOL-STKVDXU4-4 Temperature XFGIB100APOL-STKVDXU4-4 DIFFERENTIAL CLOCK XFGIB100APOL-STKVDXU4-4 logic XFGIB100APOL-STKVDXU4-4 microcontroller XFGIB100APOL-STKVDXU4-4 mhz
 

 

Price & Availability of XFGIB100APOL-STKVDXU4-4

All Rights Reserved © IC-ON-LINE 2003 - 2022  

[Add Bookmark] [Contact Us] [Link exchange] [Privacy policy]
Mirror Sites :  [www.datasheet.hk]   [www.maxim4u.com]  [www.ic-on-line.cn] [www.ic-on-line.com] [www.ic-on-line.net] [www.alldatasheet.com.cn] [www.gdcy.com]  [www.gdcy.net]


 . . . . .
  We use cookies to deliver the best possible web experience and assist with our advertising efforts. By continuing to use this site, you consent to the use of cookies. For more information on cookies, please take a look at our Privacy Policy. X
0.28311800956726