Part Number Hot Search : 
25356 IRFZ44ES UR1220 T460000 AD5263 SN74LS FN3548 CDBA2100
Product Description
Full Text Search

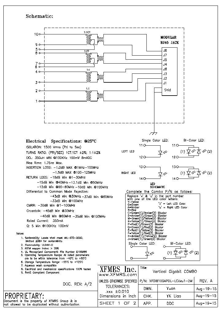
XFGIB100APOL-LCVXU1-2M - Common Mode Choke

XFGIB100APOL-LCVXU1-2M_9021534.PDF Datasheet


 Full text search : Common Mode Choke
 Product Description search : Common Mode Choke


 Related Part Number
PART Description Maker
UU9LFNP-B-B222 UU9LFNP-B-B471 UU9LFHNP-HB681 UU9LF SINGLE PHASE EMI FILTER ROHS COMPLIANT PACKAGE-4
CHOKE COMMON MODE 0.68MH PC MNT SINGLE PHASE EMI FILTER
CHOKE COMMON MODE 0.47MH PC MNT SINGLE PHASE EMI FILTER
CHOKE COMMON MODE 4.7MH PC MNT SINGLE PHASE EMI FILTER
CHOKE COMMON MODE 3.9MH PC MNT SINGLE PHASE EMI FILTER
Sumida, Corp.
SUMIDA CORP
P3214-AL P3218-AL P3220-AL P3224-AL Common Mode Line Chokes
Common mode choke, toroid, RoHS SINGLE PHASE EMI FILTER
Coilcraft lnc.
Coilcraft, Inc.
COILCRAFT INC
7514-RC 7510-RC 7416-RC 7402-RC 7508-RC 7518-RC Common Mode Choke 2 FUNCTIONS, 250 V, 1 A, DATA LINE FILTER
Common Mode Inductors/EMI Filters
Bourns, Inc.
Bourns Electronic Solutions
Bourns Electronic Solut...
UU16LF06 UU16LFNP-402 UU16LFNP-152 UU16LFNP-203 UU CHOKE COMMON MODE 30MH PC MNT 50/60 HZ, SINGLE PHASE EMI FILTER
CHOKE COMMON MODE 20MH PC MNT 50/60 HZ, SINGLE PHASE EMI FILTER
AC COMMON MODE COIL
Sumida, Corp.
Sumida Corporation
ACM0407CI COMMON MODE CHOKES Common mode choke for power application
Allied Components International
ACM8052 COMMON MODE CHOKES Common mode choke for power application
Allied Components International
8041 CHOKE SURFACE MOUNT COMMON MODE CHOKE
Filtran LTD
DLP2ADA900HL4B DLP2ADA900HL4L DLP2ADA350HL4B DLP2A Common Mode Choke Coil Film Type (Array)
Common Mode Choke Coil Film Type (Array) DLP2AD Series (0804 Size)
Murata Manufacturing Co., Ltd.
Murata Manufacturing Co...
XF0506-CMC12 COMMON MODE CHOKE
XFMRS Inc.
EPA3191S Common Mode Choke
PCA ELECTRONICS INC.
XF0103-HO2 Common Mode Choke
XFMRS Inc.
XF0203-ET24 COMMON MODE CHOKE
XFMRS Inc.
 
 Related keyword From Full Text Search System
XFGIB100APOL-LCVXU1-2M driver XFGIB100APOL-LCVXU1-2M m85049 XFGIB100APOL-LCVXU1-2M DATASHEET PDF XFGIB100APOL-LCVXU1-2M gaas XFGIB100APOL-LCVXU1-2M Collector
XFGIB100APOL-LCVXU1-2M bus switch XFGIB100APOL-LCVXU1-2M read XFGIB100APOL-LCVXU1-2M price XFGIB100APOL-LCVXU1-2M MUX HCSL XFGIB100APOL-LCVXU1-2M asm encoder
 

 

Price & Availability of XFGIB100APOL-LCVXU1-2M

All Rights Reserved © IC-ON-LINE 2003 - 2022  

[Add Bookmark] [Contact Us] [Link exchange] [Privacy policy]
Mirror Sites :  [www.datasheet.hk]   [www.maxim4u.com]  [www.ic-on-line.cn] [www.ic-on-line.com] [www.ic-on-line.net] [www.alldatasheet.com.cn] [www.gdcy.com]  [www.gdcy.net]


 . . . . .
  We use cookies to deliver the best possible web experience and assist with our advertising efforts. By continuing to use this site, you consent to the use of cookies. For more information on cookies, please take a look at our Privacy Policy. X
0.042726993560791