Part Number Hot Search : 
MM1W24 BFR182 AD565ATD TS03CKF LTC2246 FR90A 2SA1443 BP11KE
Product Description
Full Text Search

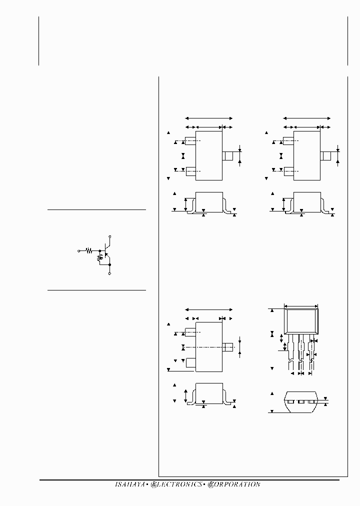
RT1P136U - Transistor With Resistor For Switching Application Silicon NPN Epitaxial Type

RT1P136U_9027767.PDF Datasheet


 Full text search : Transistor With Resistor For Switching Application Silicon NPN Epitaxial Type
 Product Description search : Transistor With Resistor For Switching Application Silicon NPN Epitaxial Type


 Related Part Number
PART Description Maker
WA84-6R8JI WA84-22RJI WA84-220RJI WA84-1R0JI WA84- RESISTOR 6.8R 3W
RESISTOR 22R 3W
RESISTOR 220R 3W
RESISTOR 1R 3W
RESISTOR 3.3R 3W
RESISTOR 2.2R 3W
RESISTOR 1.2K 3W
RESISTOR 1.8K 3W
RESISTOR 12R 3W
RESISTOR 8.2R 3W
RESISTOR 3.9R 3W
RESISTOR 1.5K 3W
RESISTOR 1.2R 3W
RESISTOR 1.5R 3W
RESISTOR 1.8R 3W
电阻4.7R 3W
电阻390R 3W
RESISTOR 150R 3W 电阻150R 3W
Welwyn Components, Ltd.
MUN5111T1 MUN5134T1 MUN51XXT1 MUN5111T1G MUN5112T1 Bias Resistor Transistor PNP
PNP SILICON BIAS RESISTOR TRANSISTOR
Bias Resistor Transistor 100 mA, 50 V, PNP, Si, SMALL SIGNAL TRANSISTOR
ONSEMI[ON Semiconductor]
EMA6DXV5T5 EMA6DXV5T1 EMA6DXV5T1/D Dual Common Emitter Bipolar Resistor Transistor
Improved Industry-Standard Single-Ended PWM Controller; Temperature Range: -40°C to 85°C; Package: 8-MSOP
Dual Common Emitter Bias Resistor Transistor PNP Silicon Surface Mount Transistors with Monolithic Bias Resistor Network
ON Semiconductor
http://
DTA114YE/D DTA114YE-D Bias Resistor Transistor PNP Silicon Surface Mount Transistor with Monolithic Bias Resistor Network
ON Semiconductor
DTA144TT1-D Bias Resistor Transistor PNP Silicon Surface Mount Transistor with Monolithic Bias Resistor Network
ON Semiconductor
RL73K3AR10JTE RL73K3AR82JTE RL73K3AR12JTE RL73K3AR RESISTOR SMD R10 奥迪R10贴片电阻
RESISTOR SMD R82 贴片电阻R82
RESISTOR SMD R12 贴片电阻R12
RESISTOR SMD R39 贴片电阻R39
RESISTOR SMD R27
Welwyn Components, Ltd.
Electronic Theatre Controls, Inc.
TE Connectivity, Ltd.
DTA115EET1 DTA124XET1G DTA143EE DTA144WET1 DTA114E Bias Resistor Transistor
PNP Silicon Surface Mount Transistors with Monolithic Bias Resistor Network
ONSEMI[ON Semiconductor]
FA1A4Z FA1A4ZL68 FA1A4ZL67 FA1A4ZL69 FA1A4Z-L FA1A Compound transistor
MEDIUM SPEED SWITCHING RESISTOR BUILT-IN TYPE NPN TRANSISTOR MINI MOLD
TRANSISTOR | 50V V(BR)CEO | 100MA I(C) | SOT-346
100 mA, 50 V, NPN, Si, SMALL SIGNAL TRANSISTOR MINIMOLD, SC-59, 3 PIN
NEC Corp.
ON Semiconductor
PUMF11 PUMF11_1 NPN resistor-equipped transistor; PNP general purpose transistor
From old datasheet system
NPN resistor-equipped transistor PNP general purpose transistor
PHILIPS[Philips Semiconductors]
NXP Semiconductors
RC65PV-12R0WI RC65PV-1K2WI RC65PV-20R0WI RC65PV-21 RESISTOR, METAL FILM, 1 W, 0.05 %, 5 ppm, 12 ohm, THROUGH HOLE MOUNT AXIAL LEADED
RESISTOR, METAL FILM, 1 W, 0.05 %, 5 ppm, 1200 ohm, THROUGH HOLE MOUNT AXIAL LEADED
RESISTOR, METAL FILM, 1 W, 0.05 %, 5 ppm, 20 ohm, THROUGH HOLE MOUNT AXIAL LEADED
RESISTOR, METAL FILM, 1 W, 0.05 %, 5 ppm, 21 ohm, THROUGH HOLE MOUNT AXIAL LEADED
RESISTOR, METAL FILM, 1 W, 0.05 %, 5 ppm, 22 ohm, THROUGH HOLE MOUNT AXIAL LEADED
RESISTOR, METAL FILM, 1 W, 0.05 %, 5 ppm, 24 ohm, THROUGH HOLE MOUNT AXIAL LEADED
RESISTOR, METAL FILM, 1 W, 0.05 %, 5 ppm, 28 ohm, THROUGH HOLE MOUNT AXIAL LEADED
RESISTOR, METAL FILM, 1 W, 0.05 %, 5 ppm, 523 ohm, THROUGH HOLE MOUNT AXIAL LEADED
RESISTOR, METAL FILM, 1 W, 0.05 %, 5 ppm, 732 ohm, THROUGH HOLE MOUNT AXIAL LEADED
RESISTOR, METAL FILM, 1 W, 0.05 %, 5 ppm, 820 ohm, THROUGH HOLE MOUNT AXIAL LEADED
RESISTOR, METAL FILM, 1 W, 0.05 %, 5 ppm, 825 ohm, THROUGH HOLE MOUNT AXIAL LEADED
RESISTOR, METAL FILM, 1 W, 0.05 %, 5 ppm, 82 ohm, THROUGH HOLE MOUNT AXIAL LEADED
RESISTOR, METAL FILM, 1 W, 0.1 %, 25 ppm, 34 ohm, THROUGH HOLE MOUNT AXIAL LEADED
RESISTOR, METAL FILM, 1 W, 0.25 %, 25 ppm, 34 ohm, THROUGH HOLE MOUNT AXIAL LEADED
RESISTOR, METAL FILM, 1 W, 0.05 %, 25 ppm, 34 ohm, THROUGH HOLE MOUNT AXIAL LEADED
RESISTOR, METAL FILM, 1 W, 0.05 %, 5 ppm, 30 ohm, THROUGH HOLE MOUNT AXIAL LEADED
RESISTOR, METAL FILM, 1 W, 0.05 %, 5 ppm, 34 ohm, THROUGH HOLE MOUNT AXIAL LEADED
RESISTOR, METAL FILM, 1 W, 0.05 %, 5 ppm, 36 ohm, THROUGH HOLE MOUNT AXIAL LEADED
RESISTOR, METAL FILM, 1 W, 0.05 %, 5 ppm, 39 ohm, THROUGH HOLE MOUNT AXIAL LEADED
RESISTOR, METAL FILM, 1 W, 0.05 %, 5 ppm, 43 ohm, THROUGH HOLE MOUNT AXIAL LEADED
RESISTOR, METAL FILM, 1 W, 0.05 %, 5 ppm, 536 ohm, THROUGH HOLE MOUNT AXIAL LEADED
RESISTOR, METAL FILM, 1 W, 0.05 %, 5 ppm, 953 ohm, THROUGH HOLE MOUNT AXIAL LEADED
RESISTOR, METAL FILM, 1.5 W, 0.05 %, 5 ppm, 30000 ohm, THROUGH HOLE MOUNT AXIAL LEADED
RESISTOR, METAL FILM, 1.5 W, 0.05 %, 5 ppm, 33 ohm, THROUGH HOLE MOUNT AXIAL LEADED
RESISTOR, METAL FILM, 1.5 W, 0.05 %, 5 ppm, 34 ohm, THROUGH HOLE MOUNT AXIAL LEADED
RESISTOR, METAL FILM, 1.5 W, 0.05 %, 5 ppm, 36000 ohm, THROUGH HOLE MOUNT AXIAL LEADED
RESISTOR, METAL FILM, 1.5 W, 0.05 %, 5 ppm, 36 ohm, THROUGH HOLE MOUNT AXIAL LEADED
RESISTOR, METAL FILM, 1.5 W, 0.05 %, 5 ppm, 39000 ohm, THROUGH HOLE MOUNT AXIAL LEADED
RESISTOR, METAL FILM, 1 W, 0.05 %, 5 ppm, 33 ohm, THROUGH HOLE MOUNT AXIAL LEADED
RESISTOR, METAL FILM, 1 W, 0.1 %, 25 ppm, 43 ohm, THROUGH HOLE MOUNT AXIAL LEADED
RESISTOR, METAL FILM, 1 W, 0.25 %, 25 ppm, 43 ohm, THROUGH HOLE MOUNT AXIAL LEADED
RESISTOR, METAL FILM, 1 W, 0.05 %, 25 ppm, 43 ohm, THROUGH HOLE MOUNT AXIAL LEADED
RESISTOR, METAL FILM, 0.5 W, 0.25 %, 25 ppm, 43 ohm, THROUGH HOLE MOUNT AXIAL LEADED
RESISTOR, METAL FILM, 0.5 W, 0.05 %, 25 ppm, 43 ohm, THROUGH HOLE MOUNT AXIAL LEADED
RESISTOR, METAL FILM, 0.5 W, 0.1 %, 25 ppm, 34 ohm, THROUGH HOLE MOUNT AXIAL LEADED
RESISTOR, METAL FILM, 0.5 W, 0.25 %, 25 ppm, 34 ohm, THROUGH HOLE MOUNT AXIAL LEADED
RESISTOR, METAL FILM, 0.5 W, 0.05 %, 25 ppm, 34 ohm, THROUGH HOLE MOUNT AXIAL LEADED
RESISTOR, METAL FILM, 1.5 W, 0.25 %, 25 ppm, 43 ohm, THROUGH HOLE MOUNT AXIAL LEADED
RESISTOR, METAL FILM, 1.5 W, 0.05 %, 25 ppm, 43 ohm, THROUGH HOLE MOUNT AXIAL LEADED
RESISTOR, METAL FILM, 1.5 W, 0.05 %, 5 ppm, 33000 ohm, THROUGH HOLE MOUNT AXIAL LEADED
RESISTOR, METAL FILM, 1 W, 0.05 %, 5 ppm, 634 ohm, THROUGH HOLE MOUNT AXIAL LEADED
RESISTOR, METAL FILM, 1.5 W, 0.05 %, 5 ppm, 30 ohm, THROUGH HOLE MOUNT AXIAL LEADED
RESISTOR, METAL FILM, 0.5 W, 0.1 %, 25 ppm, 43 ohm, THROUGH HOLE MOUNT AXIAL LEADED
RESISTOR, METAL FILM, 1.5 W, 0.05 %, 5 ppm, 34000 ohm, THROUGH HOLE MOUNT AXIAL LEADED
RESISTOR, METAL FILM, 1 W, 0.05 %, 25 ppm, 22 ohm, THROUGH HOLE MOUNT AXIAL LEADED
RESISTOR, METAL FILM, 0.5 W, 0.25 %, 25 ppm, 22 ohm, THROUGH HOLE MOUNT AXIAL LEADED
RESISTOR, METAL FILM, 0.5 W, 0.25 %, 25 ppm, 75 ohm, THROUGH HOLE MOUNT AXIAL LEADED
RESISTOR, METAL FILM, 1 W, 0.05 %, 25 ppm, 75 ohm, THROUGH HOLE MOUNT AXIAL LEADED
RESISTOR, METAL FILM, 1.5 W, 0.05 %, 25 ppm, 75 ohm, THROUGH HOLE MOUNT AXIAL LEADED
RESISTOR, METAL FILM, 1 W, 0.25 %, 25 ppm, 91 ohm, THROUGH HOLE MOUNT AXIAL LEADED
RESISTOR, METAL FILM, 0.5 W, 0.1 %, 25 ppm, 75 ohm, THROUGH HOLE MOUNT AXIAL LEADED
RESISTOR, METAL FILM, 1.5 W, 0.25 %, 25 ppm, 22 ohm, THROUGH HOLE MOUNT AXIAL LEADED
RESISTOR, METAL FILM, 1 W, 0.1 %, 25 ppm, 21 ohm, THROUGH HOLE MOUNT AXIAL LEADED
RESISTOR, METAL FILM, 0.5 W, 0.1 %, 25 ppm, 91 ohm, THROUGH HOLE MOUNT AXIAL LEADED
RESISTOR, METAL FILM, 0.5 W, 0.1 %, 25 ppm, 10000 ohm, THROUGH HOLE MOUNT AXIAL LEADED
RESISTOR, METAL FILM, 0.5 W, 0.05 %, 25 ppm, 10 ohm, THROUGH HOLE MOUNT AXIAL LEADED
RESISTOR, METAL FILM, 0.5 W, 0.05 %, 25 ppm, 75 ohm, THROUGH HOLE MOUNT AXIAL LEADED
RESISTOR, METAL FILM, 1 W, 0.25 %, 25 ppm, 21 ohm, THROUGH HOLE MOUNT AXIAL LEADED
RESISTOR, METAL FILM, 0.5 W, 0.25 %, 25 ppm, 12000 ohm, THROUGH HOLE MOUNT AXIAL LEADED
RESISTOR, METAL FILM, 1.5 W, 0.1 %, 25 ppm, 21 ohm, THROUGH HOLE MOUNT AXIAL LEADED
RESISTOR, METAL FILM, 1.5 W, 0.1 %, 25 ppm, 22 ohm, THROUGH HOLE MOUNT AXIAL LEADED
RESISTOR, METAL FILM, 0.5 W, 0.05 %, 25 ppm, 21 ohm, THROUGH HOLE MOUNT AXIAL LEADED
RESISTOR, METAL FILM, 1 W, 0.1 %, 25 ppm, 22 ohm, THROUGH HOLE MOUNT AXIAL LEADED
RESISTOR, METAL FILM, 0.5 W, 0.1 %, 25 ppm, 11 ohm, THROUGH HOLE MOUNT AXIAL LEADED
RESISTOR, METAL FILM, 0.5 W, 0.25 %, 25 ppm, 21 ohm, THROUGH HOLE MOUNT AXIAL LEADED
RESISTOR, METAL FILM, 0.5 W, 0.25 %, 25 ppm, 10000 ohm, THROUGH HOLE MOUNT AXIAL LEADED
RESISTOR, METAL FILM, 0.5 W, 0.05 %, 25 ppm, 22 ohm, THROUGH HOLE MOUNT AXIAL LEADED
RESISTOR, METAL FILM, 1.5 W, 0.1 %, 25 ppm, 36 ohm, THROUGH HOLE MOUNT AXIAL LEADED
RESISTOR, METAL FILM, 0.5 W, 0.05 %, 25 ppm, 36 ohm, THROUGH HOLE MOUNT AXIAL LEADED
RESISTOR, METAL FILM, 1.5 W, 0.25 %, 25 ppm, 82000 ohm, THROUGH HOLE MOUNT AXIAL LEADED
RESISTOR, METAL FILM, 1.5 W, 0.1 %, 25 ppm, 82000 ohm, THROUGH HOLE MOUNT AXIAL LEADED
RESISTOR, METAL FILM, 1.5 W, 0.05 %, 25 ppm, 91 ohm, THROUGH HOLE MOUNT AXIAL LEADED
RESISTOR, METAL FILM, 1.5 W, 0.25 %, 25 ppm, 75 ohm, THROUGH HOLE MOUNT AXIAL LEADED
RESISTOR, METAL FILM, 1 W, 0.1 %, 25 ppm, 36 ohm, THROUGH HOLE MOUNT AXIAL LEADED
RESISTOR, METAL FILM, 1 W, 0.05 %, 25 ppm, 21 ohm, THROUGH HOLE MOUNT AXIAL LEADED
RESISTOR, METAL FILM, 1.5 W, 0.05 %, 25 ppm, 82 ohm, THROUGH HOLE MOUNT AXIAL LEADED
RESISTOR, METAL FILM, 0.5 W, 0.1 %, 25 ppm, 21 ohm, THROUGH HOLE MOUNT AXIAL LEADED
RESISTOR, METAL FILM, 0.5 W, 0.1 %, 25 ppm, 10 ohm, THROUGH HOLE MOUNT AXIAL LEADED
RESISTOR, METAL FILM, 0.5 W, 0.25 %, 25 ppm, 11 ohm, THROUGH HOLE MOUNT AXIAL LEADED
RESISTOR, METAL FILM, 1.5 W, 0.25 %, 25 ppm, 91 ohm, THROUGH HOLE MOUNT AXIAL LEADED
RESISTOR, METAL FILM, 1 W, 0.1 %, 25 ppm, 75 ohm, THROUGH HOLE MOUNT AXIAL LEADED
RESISTOR, METAL FILM, 1.5 W, 0.05 %, 25 ppm, 21 ohm, THROUGH HOLE MOUNT AXIAL LEADED
RESISTOR, METAL FILM, 0.5 W, 0.1 %, 25 ppm, 36 ohm, THROUGH HOLE MOUNT AXIAL LEADED
RESISTOR, METAL FILM, 0.5 W, 0.25 %, 25 ppm, 11000 ohm, THROUGH HOLE MOUNT AXIAL LEADED
RESISTOR, METAL FILM, 0.5 W, 0.1 %, 25 ppm, 22 ohm, THROUGH HOLE MOUNT AXIAL LEADED
RESISTOR, METAL FILM, 1 W, 0.25 %, 25 ppm, 22 ohm, THROUGH HOLE MOUNT AXIAL LEADED
RESISTOR, METAL FILM, 1.5 W, 0.1 %, 25 ppm, 75 ohm, THROUGH HOLE MOUNT AXIAL LEADED
RESISTOR, METAL FILM, 0.5 W, 0.1 %, 25 ppm, 12 ohm, THROUGH HOLE MOUNT AXIAL LEADED
RESISTOR, METAL FILM, 1 W, 0.25 %, 25 ppm, 36 ohm, THROUGH HOLE MOUNT AXIAL LEADED
RESISTOR, METAL FILM, 0.5 W, 0.05 %, 25 ppm, 12000 ohm, THROUGH HOLE MOUNT AXIAL LEADED
RESISTOR, METAL FILM, 1 W, 0.05 %, 25 ppm, 36 ohm, THROUGH HOLE MOUNT AXIAL LEADED
RESISTOR, METAL FILM, 0.5 W, 0.25 %, 25 ppm, 91 ohm, THROUGH HOLE MOUNT AXIAL LEADED
RESISTOR, METAL FILM, 0.5 W, 0.05 %, 25 ppm, 91 ohm, THROUGH HOLE MOUNT AXIAL LEADED
RESISTOR, METAL FILM, 1 W, 0.1 %, 25 ppm, 91 ohm, THROUGH HOLE MOUNT AXIAL LEADED
RESISTOR, METAL FILM, 0.5 W, 0.05 %, 25 ppm, 13 ohm, THROUGH HOLE MOUNT AXIAL LEADED
RESISTOR, METAL FILM, 0.5 W, 0.05 %, 25 ppm, 16 ohm, THROUGH HOLE MOUNT AXIAL LEADED
RESISTOR, METAL FILM, 0.5 W, 0.25 %, 25 ppm, 36 ohm, THROUGH HOLE MOUNT AXIAL LEADED
RESISTOR, METAL FILM, 1 W, 0.05 %, 25 ppm, 91 ohm, THROUGH HOLE MOUNT AXIAL LEADED
RESISTOR, METAL FILM, 0.5 W, 0.05 %, 25 ppm, 13000 ohm, THROUGH HOLE MOUNT AXIAL LEADED
RESISTOR, METAL FILM, 0.5 W, 0.05 %, 25 ppm, 15 ohm, THROUGH HOLE MOUNT AXIAL LEADED
RESISTOR, METAL FILM, 1.5 W, 0.1 %, 25 ppm, 82 ohm, THROUGH HOLE MOUNT AXIAL LEADED
RESISTOR, METAL FILM, 0.5 W, 0.05 %, 25 ppm, 11000 ohm, THROUGH HOLE MOUNT AXIAL LEADED
RESISTOR, METAL FILM, 0.5 W, 0.05 %, 25 ppm, 11 ohm, THROUGH HOLE MOUNT AXIAL LEADED
RESISTOR, METAL FILM, 0.5 W, 0.05 %, 25 ppm, 12 ohm, THROUGH HOLE MOUNT AXIAL LEADED
RESISTOR, METAL FILM, 0.5 W, 0.05 %, 25 ppm, 10000 ohm, THROUGH HOLE MOUNT AXIAL LEADED
RESISTOR, METAL FILM, 0.5 W, 0.1 %, 25 ppm, 11000 ohm, THROUGH HOLE MOUNT AXIAL LEADED
RESISTOR, METAL FILM, 0.5 W, 0.1 %, 25 ppm, 12000 ohm, THROUGH HOLE MOUNT AXIAL LEADED
RESISTOR, METAL FILM, 1.5 W, 0.25 %, 25 ppm, 82 ohm, THROUGH HOLE MOUNT AXIAL LEADED
RESISTOR, METAL FILM, 1 W, 0.25 %, 25 ppm, 75 ohm, THROUGH HOLE MOUNT AXIAL LEADED
RESISTOR, METAL FILM, 0.5 W, 0.05 %, 25 ppm, 16000 ohm, THROUGH HOLE MOUNT AXIAL LEADED
RESISTOR, METAL FILM, 1.5 W, 0.1 %, 25 ppm, 91 ohm, THROUGH HOLE MOUNT AXIAL LEADED
RESISTOR, METAL FILM, 1.5 W, 0.05 %, 25 ppm, 36 ohm, THROUGH HOLE MOUNT AXIAL LEADED
RESISTOR, METAL FILM, 0.5 W, 0.05 %, 25 ppm, 14 ohm, THROUGH HOLE MOUNT AXIAL LEADED
RESISTOR, METAL FILM, 0.5 W, 0.05 %, 25 ppm, 15000 ohm, THROUGH HOLE MOUNT AXIAL LEADED
RESISTOR, METAL FILM, 0.5 W, 0.05 %, 25 ppm, 14000 ohm, THROUGH HOLE MOUNT AXIAL LEADED
RESISTOR, METAL FILM, 0.5 W, 0.25 %, 25 ppm, 10 ohm, THROUGH HOLE MOUNT AXIAL LEADED
RESISTOR, METAL FILM, 0.5 W, 0.05 %, 25 ppm, 18000 ohm, THROUGH HOLE MOUNT AXIAL LEADED
RESISTOR, METAL FILM, 1.5 W, 0.05 %, 25 ppm, 82000 ohm, THROUGH HOLE MOUNT AXIAL LEADED
Welwyn Components, Ltd.
MMUN2111LT1G MMUN2112LT1G Bias Resistor Transistors PNP Silicon Surface Mount Transistors
Small Signal Bias Resistor Transistor SOT23, (TO236AB) PNP 50V; Package: SOT-23 (TO-236) 3 LEAD; No of Pins: 3; Container: Tape and Reel; Qty per Container: 3000 100 mA, 50 V, PNP, Si, SMALL SIGNAL TRANSISTOR, TO-236AB
Rectron Semiconductor
 
 Related keyword From Full Text Search System
RT1P136U Lead forming RT1P136U standard RT1P136U pwm RT1P136U byte RT1P136U ic marking
RT1P136U Filter RT1P136U Micropower RT1P136U temperature RT1P136U register RT1P136U international
 

 

Price & Availability of RT1P136U

All Rights Reserved © IC-ON-LINE 2003 - 2022  

[Add Bookmark] [Contact Us] [Link exchange] [Privacy policy]
Mirror Sites :  [www.datasheet.hk]   [www.maxim4u.com]  [www.ic-on-line.cn] [www.ic-on-line.com] [www.ic-on-line.net] [www.alldatasheet.com.cn] [www.gdcy.com]  [www.gdcy.net]


 . . . . .
  We use cookies to deliver the best possible web experience and assist with our advertising efforts. By continuing to use this site, you consent to the use of cookies. For more information on cookies, please take a look at our Privacy Policy. X
0.52489995956421