Part Number Hot Search : 
2SD1996 2N7000A HN2C11FU 1ZC110A 20DL2C ZMM5253 S0720970 GF1A01
Product Description
Full Text Search

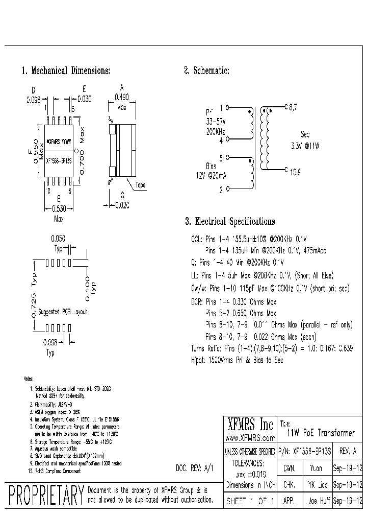
XF1556-EP13S - 11W POE TRANSFORMER

XF1556-EP13S_9009559.PDF Datasheet


 Full text search : 11W POE TRANSFORMER
 Product Description search : 11W POE TRANSFORMER


 Related Part Number
PART Description Maker
HPX2126L HPX2126LD HPX2126LB High Power PoE Signal Path Magnetics
Isolation transformer module for PoE Plus, SMT, RoHS SMPS TRANSFORMER
Coilcraft lnc.
COILCRAFT INC
POE13F-12L POE13F-18L POE13F-19L POE13F-24L POE13F Flyback Transformers for PoE
PoE transformer, SMT, RoHS 13 W, SMPS TRANSFORMER
PoE transformer, SMT, RoHS 6 W, SMPS TRANSFORMER
Coilcraft lnc.
Coilcraft, Inc.
COILCRAFT INC
DA2362-AL DA2362-ALD Flyback Transformer
PoE transformer, for Freescale MC34670, SMT, RoHS 13 W, SMPS TRANSFORMER
Coilcraft lnc.
Coilcraft, Inc.
TDA7495 5020 11W 11W AMPLIFIER WITH DC VOLUME CONTROL
From old datasheet system
意法半导
STMICROELECTRONICS[STMicroelectronics]
C1587-AL C1589-AL C1587-ALD C1588-ALB C1589-ALB C1 Flyback Transformers
PoE transformer, for NSC LM5070, 3.3V, SMT, RoHS 7 W, SMPS TRANSFORMER
PoE transformer, for NSC LM5070, 12V, SMT, RoHS 7 W, SMPS TRANSFORMER
Coilcraft lnc.
Coilcraft, Inc.
C1023-ALD PoE transformer, for NSC LM5070, 3.3V, SMT, RoHS 13 W, SMPS TRANSFORMER
Coilcraft, Inc.
H6062NL H6062NL2 H6062NLT Star MagneticsTM Gigabit Transformer Modules with PoE* Option
Star Magnetics Gigabit Transformer Modules with PoE Option
Pulse A Technitrol Company
Pulse A Technitrol Comp...
XF1556-EP10S POE TRANSFORMER
XFMRS Inc.
XF1556C-EP10S XF1556C-EP10S-15 5.0V 7W POE TRANSFORMER
XFMRS Inc.
XF2536-EP10S POE TRANSFORMER
XFMRS Inc.
XF1276A-EP13S POE Transformer
XFMRS Inc.
XF0426-EFD20S 30W POE Transformer
XFMRS Inc.
 
 Related keyword From Full Text Search System
XF1556-EP13S データシート XF1556-EP13S 参数比较 XF1556-EP13S converter XF1556-EP13S Characteristic XF1556-EP13S Speed
XF1556-EP13S Lead forming XF1556-EP13S Logic XF1556-EP13S Download XF1556-EP13S isa bus XF1556-EP13S Logic
 

 

Price & Availability of XF1556-EP13S

All Rights Reserved © IC-ON-LINE 2003 - 2022  

[Add Bookmark] [Contact Us] [Link exchange] [Privacy policy]
Mirror Sites :  [www.datasheet.hk]   [www.maxim4u.com]  [www.ic-on-line.cn] [www.ic-on-line.com] [www.ic-on-line.net] [www.alldatasheet.com.cn] [www.gdcy.com]  [www.gdcy.net]


 . . . . .
  We use cookies to deliver the best possible web experience and assist with our advertising efforts. By continuing to use this site, you consent to the use of cookies. For more information on cookies, please take a look at our Privacy Policy. X
0.31626415252686