Part Number Hot Search : 
HC711P2C 621KD14 EM9201 TCZL8V2B 1N4762A ADP1190 XO5165 016V3
Product Description
Full Text Search

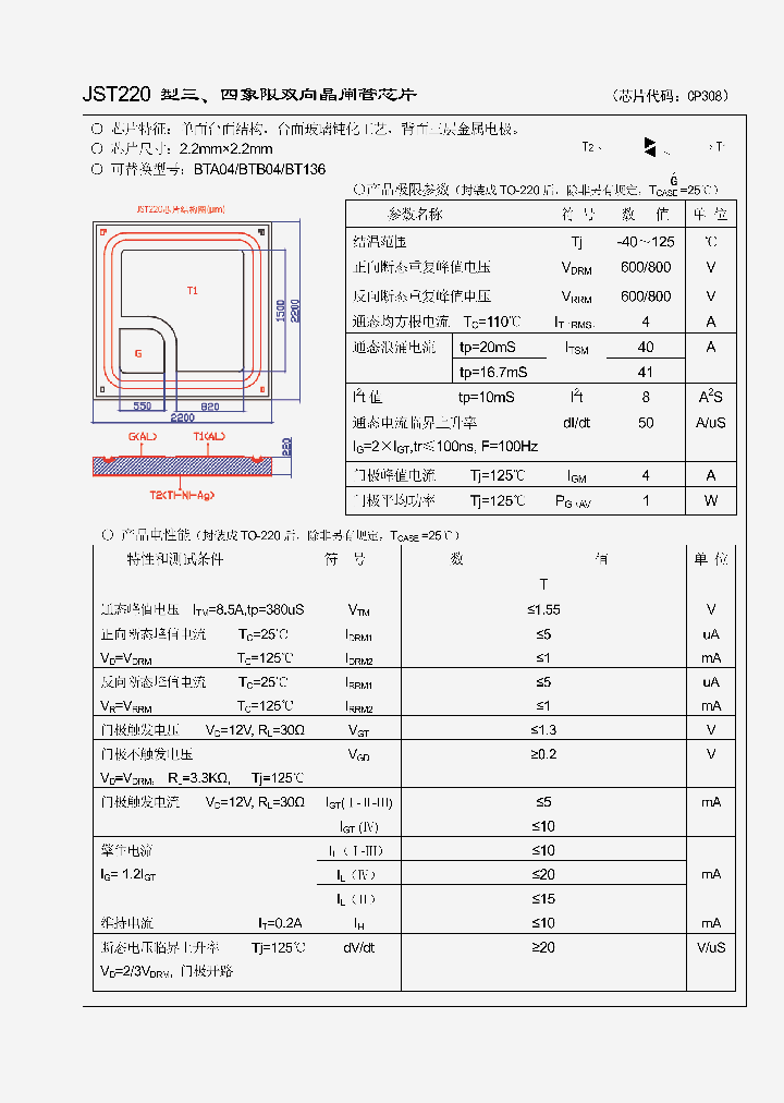
JST220 - Triac Chips

JST220_9010124.PDF Datasheet


 Full text search : Triac Chips
 Product Description search : Triac Chips


 Related Part Number
PART Description Maker
CQ218-45B CQ218-45D CQ218-45M CQ218-45N Leaded Thyristor TRIAC
45 AMP TRIAC 800 V, 45 A, 4 QUADRANT LOGIC LEVEL TRIAC, TO-218
Central Semiconductor, Corp.
Central Semiconductor Corp.
BM-10EG57ND hi-eff red chips and green chips, the hi-eff red chips are made from GaAsP on GaP substrate, the green chips are made from GaP on GaP substrate.
5X7 DOT MATRIX DISPLAY, HIGH EFFICIENCY RED/YELLOW GREEN, 30.48 mm
BRIGHT LED ELECTRONICS CORP
AMERICAN BRIGHT OPTOELECTRONICS CORP
NTE56010 NTE56004 NTE56006 NTE56008 NTE56009 (NTE56004 - NTE56010) TRIAC / 15 Amp
TRIAC, 15 Amp
200 V, 15 A, 4 QUADRANT LOGIC LEVEL TRIAC, TO-220
NTE[NTE Electronics]
BT139F BT139F-500 BT139F-500F BT139F-500G BT139F-6 Triacs(??????纭?
Triacs(双向可控 500 V, 16 A, TRIAC
Triacs 600 V, 16 A, TRIAC
Triacs 800 V, 16 A, TRIAC
Transient Voltage Suppressor Diodes
NXP Semiconductors N.V.
PHILIPS[Philips Semiconductors]
BM-20EG57MD hi-eff red chips and green chips, the hi-eff red chips are made from GaAsP on GaP substrate, the green chips are made from GaP on GaP substrate.
BRIGHT LED ELECTRONICS CORP
BM-10EG88ND hi-eff red chips and green chips, the hi-eff red chips are made from GaAsP on GaP substrate, the green chips are made from GaP on GaP substrate.
BRIGHT LED ELECTRONICS CORP
Q6040M9 Q7040M9 Q4040M9 Q2040M9 Q8040M9 Q5040M9 Q2 TRIAC|600V V(DRM)|40A I(T)RMS|TO-218
TRIAC|700V V(DRM)|40A I(T)RMS|TO-218
TRIAC|800V V(DRM)|40A I(T)RMS|TO-218
TRIAC|500V V(DRM)|40A I(T)RMS|TO-218
TRIAC|200V V(DRM)|40A I(T)RMS|TO-218VAR
TRIAC|400V V(DRM)|40A I(T)RMS|TO-218VAR
TRIAC|700V V(DRM)|15A I(T)RMS|TO-220 可控硅| 700V的五(DRM)的| 15A条口(T)的有效值|20
TRIAC|400V V(DRM)|15A I(T)RMS|TO-220
TRIAC|400V V(DRM)|25A I(T)RMS|TO-220
TRIAC|800V V(DRM)|25A I(T)RMS|TO-220
Motorola Mobility Holdings, Inc.
DTB12E DTB8F DTB12G DTB16G DTA16G DTB16F DTB8E DTB TRIAC|500V V(DRM)|10A I(T)RMS|TO-220 可控硅| 500V五(DRM)的| 10A条口(T)的有效值|20
TRIAC|200V V(DRM)|10A I(T)RMS|TO-220 可控硅| 200伏五(DRM)的| 10A条口(T)的有效值|20
TRIAC|400V V(DRM)|8A I(T)RMS|TO-220 可控硅| 400V五(DRM)的| 8A条口(T)的有效值|20
THYRISTOR MODULE|TRIAC 晶闸管模块|可控
TRIAC|600V V(DRM)|16A I(T)RMS|TO-220
TRIAC|600V V(DRM)|12A I(T)RMS|TO-220
TRIAC|500V V(DRM)|8A I(T)RMS|TO-220
TRIAC|400V V(DRM)|12A I(T)RMS|TO-220
Won-Top Electronics Co., Ltd.
ON Semiconductor
T405-700H-TR T410-700H-TR T435-700H-TR T410-600H-T Thyristor TRIAC 600V 31A 3TO-220AB T/R
600 V, 4 A, 4 QUADRANT LOGIC LEVEL TRIAC, TO-220AB
Absolute Maximum Ratings
800 V, 4 A, 4 QUADRANT LOGIC LEVEL TRIAC
T4 Series 4A TRIACS
ST Microelectronics
STMicroelectronics
CQ3P-25N CQ3P-25B CQ3P-25D CQ3P-25M ISOLATED 30 AMP TRIAC 200 THRU 800 VOLTS
Leaded Thyristor TRIAC
Central Semiconductor Corp.
CENTRAL[Central Semiconductor Corp]
BCR3PM-12LA-A8 BCR3PM-12L BCR3PM-12LA 600 V, 3 A, TRIAC, TO-220AB TO-220F, 3 PIN
Triac Low Power Use
Vishay Intertechnology, Inc.
Renesas Electronics Corporation
BCR8KM-12LA-A8 BCR8KM-12LA 600 V, 8 A, TRIAC, TO-220AB TO-220FN, 3 PIN
Triac Medium Power Use
TE Connectivity, Ltd.
Renesas Electronics Corporation.
 
 Related keyword From Full Text Search System
JST220 Channel JST220 Micropower JST220 Voltage JST220 Mosfet JST220 Data sheet
JST220 Pin JST220 Processors JST220 接腳圖 JST220 description JST220 pin
 

 

Price & Availability of JST220

All Rights Reserved © IC-ON-LINE 2003 - 2022  

[Add Bookmark] [Contact Us] [Link exchange] [Privacy policy]
Mirror Sites :  [www.datasheet.hk]   [www.maxim4u.com]  [www.ic-on-line.cn] [www.ic-on-line.com] [www.ic-on-line.net] [www.alldatasheet.com.cn] [www.gdcy.com]  [www.gdcy.net]


 . . . . .
  We use cookies to deliver the best possible web experience and assist with our advertising efforts. By continuing to use this site, you consent to the use of cookies. For more information on cookies, please take a look at our Privacy Policy. X
0.39302897453308