Part Number Hot Search : 
PEC11 01110 00700 HMM5142B CH5048 00029 M5600 TR9772
Product Description
Full Text Search

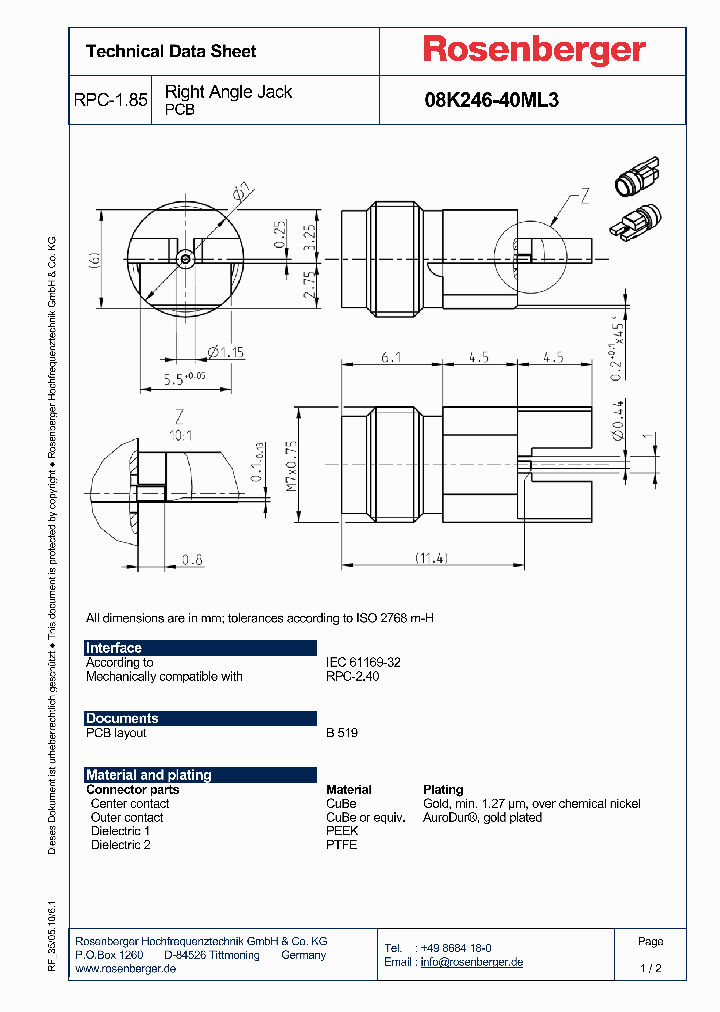
08K246-40ML3 - Right Angle Jack

08K246-40ML3_8992272.PDF Datasheet


 Full text search : Right Angle Jack
 Product Description search : Right Angle Jack


 Related Part Number
PART Description Maker
43202-8826 43202-4104 43202-4101 43202-8810 43202- Modjack RA LoPro Flgls w/Shld 50Au 8/8 8 CONTACT(S), FEMALE, RIGHT ANGLE TELECOM AND DATACOM CONNECTOR, SOLDER, JACK
ModJack RA LoPro Flgls 50 SAu 4/2 4 CONTACT(S), FEMALE, RIGHT ANGLE TELECOM AND DATACOM CONNECTOR, SOLDER, JACK
Modular Jack; Number of Contacts:4; Number of Ports:4; Contact Material:Phosphor Bronze; Connector Type:PCB Jack 4 CONTACT(S), FEMALE, RIGHT ANGLE TELECOM AND DATACOM CONNECTOR, SOLDER, JACK
Modjack RA LoPro Flgls w/Shld 50Au 8/10 10 CONTACT(S), FEMALE, RIGHT ANGLE TELECOM AND DATACOM CONNECTOR, SOLDER, JACK
CONN MOD JACK 8-8 SHIELD TOP TAB 8 CONTACT(S), FEMALE, RIGHT ANGLE TELECOM AND DATACOM CONNECTOR, SOLDER, JACK
CONN MODULAR JACK 8-10R/A UNSHLD 8 CONTACT(S), FEMALE, RIGHT ANGLE TELECOM AND DATACOM CONNECTOR, SOLDER, JACK
Molex, Inc.
43202-8916 43202-8925 43202-8908 43202-8902 8=4X2 .1" FEMALE RJ-45 SHIELD NOKEY GOLD 8 CONTACT(S), FEMALE, RIGHT ANGLE TELECOM AND DATACOM CONNECTOR, SOLDER, JACK
MODULAT JACK RJ-45 FRONT POSITION 8 CONTACT(S), FEMALE, RIGHT ANGLE TELECOM AND DATACOM CONNECTOR, SOLDER, JACK
Modjack RA LoPro Flgls Shld 50Au 8/10 10 CONTACT(S), FEMALE, RIGHT ANGLE TELECOM AND DATACOM CONNECTOR, SOLDER, JACK
TE Connectivity, Ltd.
Molex, Inc.
MOLEX INC
95501-2661 RA LP TH JACK 6/6 6 CONTACT(S), FEMALE, RIGHT ANGLE TELECOM AND DATACOM CONNECTOR, SOLDER, JACK
Molex, Inc.
SS-7488S-GY-PG1 ONE PIECE SHIELDED SINGLE PORT LED JACK 8 CONTACT(S), FEMALE, RIGHT ANGLE TELECOM AND DATACOM CONNECTOR, SOLDER, JACK
Bel Fuse, Inc.
BEL[Bel Fuse Inc.]
SS-738833S-PG3-AD EIGHT CONTACT, EIGHT POSITION SHIELDED STACKED HARMONICA JACK 6 PORTS(3 ON 3) 48 CONTACT(S), FEMALE, RIGHT ANGLE TELECOM AND DATACOM CONNECTOR, SOLDER, JACK
Bel Fuse, Inc.
BEL[Bel Fuse Inc.]
SS-738822S-PG2-AC EIGHT CONTACT, EIGHT POSITION SHIELDED STACKED HARMONICA JACK 4 PORTS(2 ON 2) 32 CONTACT(S), FEMALE, RIGHT ANGLE TELECOM AND DATACOM CONNECTOR, SOLDER, JACK
Bel Fuse, Inc.
Bel Fuse Inc.
http://
SS-73100-026 CATEGORY 3 SHIELDED STACK JACK EIGHT CONTACT, EIGHT POSITION 50 MICROINCHES GOLD 8 PORTS(4 ON 4) 64 CONTACT(S), FEMALE, RIGHT ANGLE TELECOM AND DATACOM CONNECTOR, SOLDER, JACK
Bel Fuse, Inc.
Bel Fuse Inc.
SS-73100-030 HIGH PERFORMANCE UNSHIELDED STACK JACK, 16PORTS (8 ON 8) EIGHT CONTACT, EIGHT POSITION, 50 MICRO INCHES GOLD 128 CONTACT(S), FEMALE, RIGHT ANGLE TELECOM AND DATACOM CONNECTOR, SOLDER, JACK
Bel Fuse, Inc.
Bel Fuse Inc.
1203-15-9 SD1203-15-9 JACK, ANGLE, N
Winchester Electronics Corporation
Winchester Electronics Corp...
RCA-24-1-O-G RCA JACK RIGHT ANGLE
Adam Technologies, Inc.
RCA-27-1-X RCA JACK RIGHT ANGLE
Adam Technologies, Inc.
0950092447 95009-2447 SDA-95009-F Modular Jack, Right Angle, 4/4
Molex Electronics Ltd.
 
 Related keyword From Full Text Search System
08K246-40ML3 替换的 08K246-40ML3 Outputs 08K246-40ML3 vsen gate 08K246-40ML3 参数 封装 08K246-40ML3 mos
08K246-40ML3 control 08K246-40ML3 precision 08K246-40ML3 资料查找 08K246-40ML3 UNITED CHEMI CON 08K246-40ML3 samsung
 

 

Price & Availability of 08K246-40ML3

All Rights Reserved © IC-ON-LINE 2003 - 2022  

[Add Bookmark] [Contact Us] [Link exchange] [Privacy policy]
Mirror Sites :  [www.datasheet.hk]   [www.maxim4u.com]  [www.ic-on-line.cn] [www.ic-on-line.com] [www.ic-on-line.net] [www.alldatasheet.com.cn] [www.gdcy.com]  [www.gdcy.net]


 . . . . .
  We use cookies to deliver the best possible web experience and assist with our advertising efforts. By continuing to use this site, you consent to the use of cookies. For more information on cookies, please take a look at our Privacy Policy. X
0.042265892028809