Part Number Hot Search : 
AC10DGM TS31002 F2007ERW TDA8510J BUH417 RT1N436C EMH61 S2001
Product Description
Full Text Search

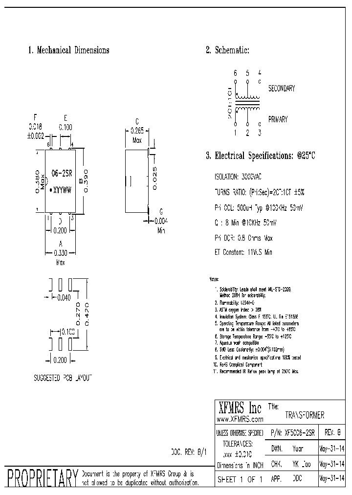
XF5006-2SR - TRANSFORMER

XF5006-2SR_8985706.PDF Datasheet


 Full text search : TRANSFORMER
 Product Description search : TRANSFORMER


 Related Part Number
PART Description Maker
DPC-24-1000B20 DPC-10-1000B3 DPC-10-440B2 DPC-16-7 POWER TRANSFORMER, 24 VA
POWER TRANSFORMER, 10 VA
POWER TRANSFORMER, 4.4 VA
POWER TRANSFORMER, 1.2 VA
POWER TRANSFORMER, 1 VA
Low Frequency, Open-Style Laminated Concentric Vertical Profile, PC Plug-In Series
Pulse Electronics, Corp.
PULSE ELECTRONICS CORP
Pulse A Technitrol Company
Pulse A Technitrol Comp...
B0727-BL B0727-BLD ADSL2 Transformer
DSL transformer, for Broadcom BCM6348, SMT, not RoHS TELECOM TRANSFORMER
Coilcraft lnc.
Coilcraft, Inc.
GA0007-AL Flyback Transformer
Transformer, for ON NCP1351, RoHS 48 W, SMPS TRANSFORMER
Coilcraft lnc.
Coilcraft, Inc.
80T-1.9 D80T-.9 D24-12 D68-11 12-12 POWER TRANSFORMER, 150 VA
POWER TRANSFORMER, 75 VA
POWER TRANSFORMER, 300 VA
POWER TRANSFORMER, 750 VA

WB1010-1-SMLB WB3010-SMLB WB1010-1-PCL WB1015-PCL Wideband RF transformer, SMT, RoHS 0.04 MHz - 175 MHz RF TRANSFORMER
Wideband RF transformer, SMT, RoHS 0.005 MHz - 100 MHz RF TRANSFORMER
Wideband RF transformer, RoHS 0.04 MHz - 175 MHz RF TRANSFORMER
Wideband RF transformer, RoHS 0.1 MHz - 150 MHz RF TRANSFORMER
Coilcraft, Inc.
S553-6500-40 HIGH FREQUENCY MAGNETICS T1/E1 Octal Transformer Modules TELECOM TRANSFORMER
Bel Fuse, Inc.
B2243T TELECOM TRANSFORMER
ADSL LINE TRANSFORMER For Use with Texas Instruments Chipset
PULSE ELECTRONICS CORP
Pulse A Technitrol Company
FA2672-ALD PoE transformer, for Si3400, SMT, RoHS 10 W, SMPS TRANSFORMER
Coilcraft, Inc.
B0863-BL B0863-BLD PoE transformer, for MAX5941B, SMT, RoHS 13 W, SMPS TRANSFORMER
Coilcraft lnc.
Coilcraft, Inc.
S5394-CL U6982-CL Q4470-CL S5499-DL T6437-DL T6650 Miniature SMT Transformers
Transformer, miniature, 5-24V, SMT, RoHS PULSE TRANSFORMER FOR GATE DRIVE; RS-485, RS-232 DATA INTERFACE APPLICATION(S)
Transformer, miniature, 3.3-5V, SMT, RoHS
Coilcraft lnc.
Coilcraft, Inc.
COILCRAFT INC
POE60C-25LD POE60D-25LB POE60C-25LB POE60D-25LD PO PoE transformer, SMT, RoHS 6 W, SMPS TRANSFORMER
Coilcraft, Inc.
 
 Related keyword From Full Text Search System
XF5006-2SR download XF5006-2SR china datasheet XF5006-2SR ocr XF5006-2SR terminal XF5006-2SR semiconductor
XF5006-2SR ultra XF5006-2SR asm encoder XF5006-2SR state XF5006-2SR availability XF5006-2SR GaAs Hall Device
 

 

Price & Availability of XF5006-2SR

All Rights Reserved © IC-ON-LINE 2003 - 2022  

[Add Bookmark] [Contact Us] [Link exchange] [Privacy policy]
Mirror Sites :  [www.datasheet.hk]   [www.maxim4u.com]  [www.ic-on-line.cn] [www.ic-on-line.com] [www.ic-on-line.net] [www.alldatasheet.com.cn] [www.gdcy.com]  [www.gdcy.net]


 . . . . .
  We use cookies to deliver the best possible web experience and assist with our advertising efforts. By continuing to use this site, you consent to the use of cookies. For more information on cookies, please take a look at our Privacy Policy. X
0.28071212768555