Part Number Hot Search : 
KBPC2508 KBPC1510 VTS2082 X1228V14 F0820BH DS1213D SMAJ170A AD7839
Product Description
Full Text Search

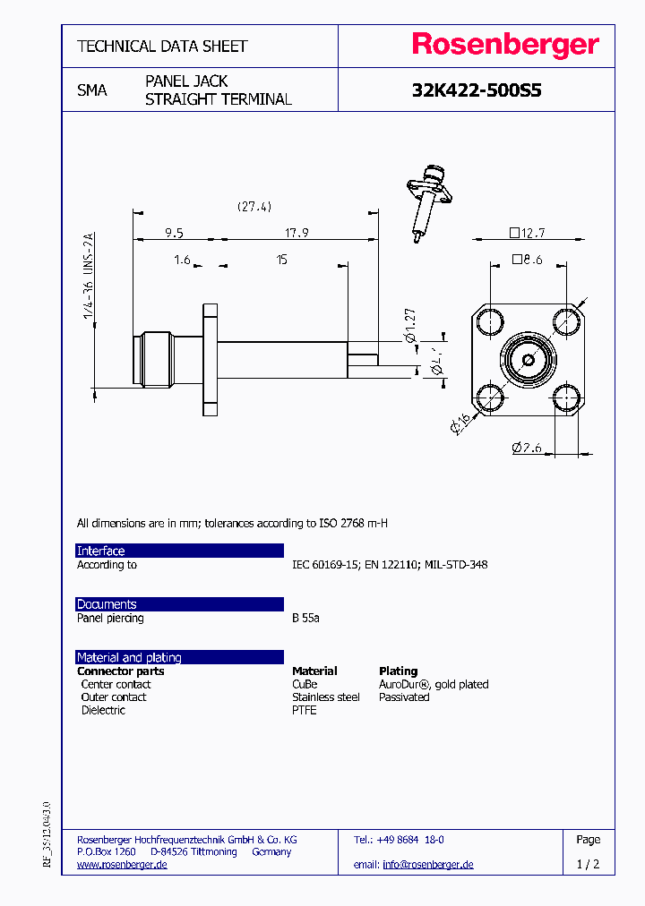
32K422-500S5 - PANEL JACK STRAIGHT TERMINAL

32K422-500S5_8980526.PDF Datasheet


 Full text search : PANEL JACK STRAIGHT TERMINAL
 Product Description search : PANEL JACK STRAIGHT TERMINAL


 Related Part Number
PART Description Maker
32K422-500S5 PANEL JACK STRAIGHT TERMINAL
Rosenberger Hochfrequen...
R114303000 SMB STRAIGHT JACK CLAMPSMB STRAIGHT JACK CLAMP; Impedance:50R; Cable type:2/50 S; Coaxial cable type:RG178 B/U, RG196 A/U, URM110, KX21 A PANEL MOUNT, CABLE TERMINATED, MALE, SMB CONNECTOR, CLAMP, JACK
Radiall S.A.
188-Z 22-01-G222 22-01-262-X 22-01-264-V 22-01-GU1 PANEL MOUNT, FEMALE, RF STRAIGHT ADAPTER, JACK
MALE-FEMALE, RF STRAIGHT ADAPTER, PLUG-JACK
TROMPETER ELECTRONICS INC
12-03-120 TROMPETERELECTRONICSINC-12-03-25 12-03-1 PANEL MOUNT, FEMALE-MALE, RF STRAIGHT ADAPTER, JACK-PLUG
FEMALE, RF STRAIGHT ADAPTER, JACK
TROMPETER ELECTRONICS INC
20JS124 20AC100-1 20P188 20AS111-1 20AC106-1 20AT1 PANEL MOUNT, CABLE TERMINATED, FEMALE, RF CONNECTOR, CLAMP, JACK
MALE-MALE-MALE-MALE, RF CROSS ADAPTER, JACK
PANEL MOUNT, FEMALE-FEMALE, RF STRAIGHT ADAPTER, JACK
MALE-FEMALE-MALE, RF TEE ADAPTER, JACK-PLUG-JACK
MALE-MALE-FEMALE, RF TEE ADAPTER, JACK-JACK-PLUG

R124464000 R124426123 R124553120 R124553123 PANEL MOUNT, FEMALE, SMA CONNECTOR, RECEPTACLE
JACK, SMA, PCB, STRAIGHT; Connector type:SMA, Coaxial; Impedance:50R; Material, contact:Brass; Plating, contact:Gold over Nickel; Body style:Straight Jack; Termination method:Solder; Mounting type:PC Board; Insulation RoHS Compliant: Yes
PANEL MOUNT, BOARD TERMINATED, FEMALE, SMA CONNECTOR, SOLDER, RECEPTACLE
RADIALL S A
305-1237-182 305-1237-188 PANEL MOUNT, FEMALE-MALE, RF STRAIGHT ADAPTER, JACK-PLUG
TROMPETER ELECTRONICS INC
22-14-573 22-14-433 22-14-366 22-14-220 22-14-222 PANEL MOUNT, MALE-FEMALE, RF STRAIGHT ADAPTER
PANEL MOUNT, FEMALE, RF STRAIGHT ADAPTER, JACK
TROMPETER ELECTRONICS INC
6061002-1 MCX PRINTED WIRING BOARD JACK RECEPTACLE STRAIGHT TERMINAL
Tyco Electronics
1046285-1 PANEL MOUNT, FEMALE-FEMALE, RF STRAIGHT ADAPTER, JACK

05K521-K00S3 05S132-S00S3 05K160-K50D3 PANEL MOUNT, FEMALE-FEMALE, RF STRAIGHT ADAPTER
MALE-MALE, RF STRAIGHT ADAPTER, PLUG
FEMALE-FEMALE, RF STRAIGHT ADAPTER, JACK
ROSENBERGER HOCHFREQUENZTECHNIK GMBH & CO KG
PJRAS1X1S01X PJRAS1X1S01AUX PJRAS1X1S03AUALLX Phono Jack; Number of Contacts:1; Terminal Type:PCB Thru Hole GENERAL PURPOSE AUDIO CONNECTOR, JACK
Switchcraft, Inc.
SWITCHCRAFT INC
 
 Related keyword From Full Text Search System
32K422-500S5 regulator 32K422-500S5 Instruments 32K422-500S5 LPE model 32K422-500S5 Corporation 32K422-500S5 Address
32K422-500S5 planar 32K422-500S5 m85049 32K422-500S5 Vcc 32K422-500S5 sanyo 32K422-500S5 complimentary
 

 

Price & Availability of 32K422-500S5

All Rights Reserved © IC-ON-LINE 2003 - 2022  

[Add Bookmark] [Contact Us] [Link exchange] [Privacy policy]
Mirror Sites :  [www.datasheet.hk]   [www.maxim4u.com]  [www.ic-on-line.cn] [www.ic-on-line.com] [www.ic-on-line.net] [www.alldatasheet.com.cn] [www.gdcy.com]  [www.gdcy.net]


 . . . . .
  We use cookies to deliver the best possible web experience and assist with our advertising efforts. By continuing to use this site, you consent to the use of cookies. For more information on cookies, please take a look at our Privacy Policy. X
0.59639310836792