Part Number Hot Search : 
LT1766 MRUS72S LN506GK AOT260L MA08509D 3KP170CA KTC3876S TDA9898V
Product Description
Full Text Search

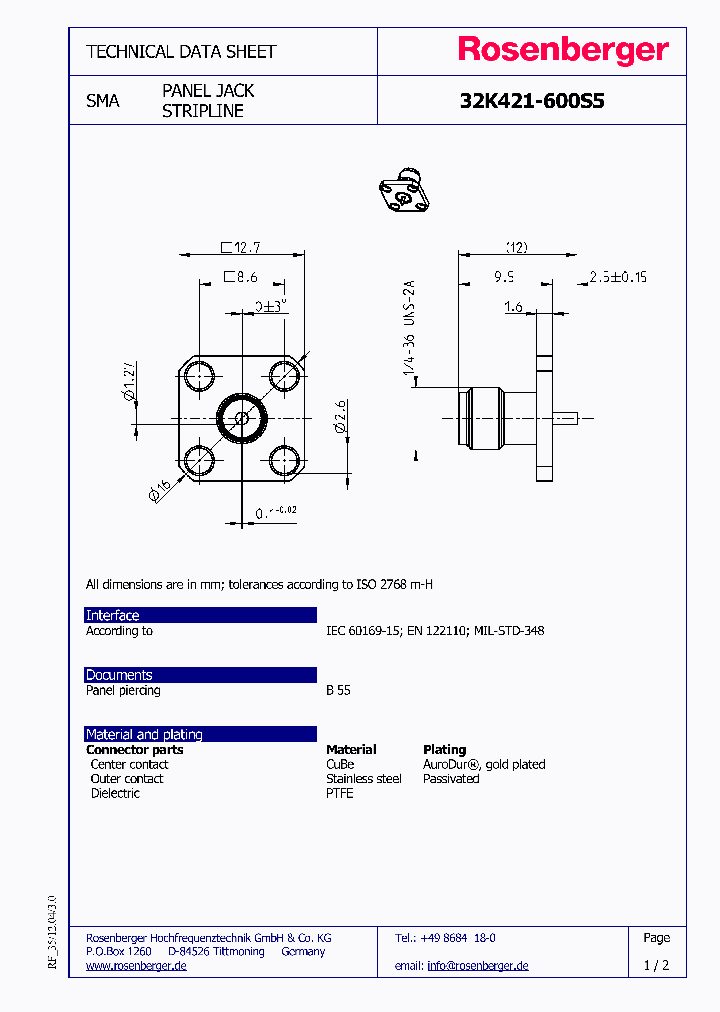
32K421-600S5 - SMA PANEL JACK STRIPLINE

32K421-600S5_8980521.PDF Datasheet


 Full text search : SMA PANEL JACK STRIPLINE
 Product Description search : SMA PANEL JACK STRIPLINE


 Related Part Number
PART Description Maker
32K421-600S5 SMA PANEL JACK STRIPLINE
Rosenberger Hochfrequen...
73251-0900 73251-0840 73251-1020 73251-1000 732510900 PANEL MOUNT, CABLE TERMINATED, FEMALE, SMA CONNECTOR, RECEPTACLE
Receptacle SMA Jack Flg .020 Pin PANEL MOUNT, CABLE TERMINATED, FEMALE, SMA CONNECTOR, RECEPTACLE
Receptacle SMA Jack 2H Flg .012 Pin PANEL MOUNT, CABLE TERMINATED, FEMALE, SMA CONNECTOR, RECEPTACLE
Receptacle SMA Jack 2H Flg .015 Pin
Molex, Inc.
MOLEX INC
73251-0250 SMA JACK 2 HOLE FLANGE W/SOLDER POT PANEL MOUNT, FEMALE, SMA CONNECTOR, SOLDER, RECEPTACLE
Molex, Inc.
A50-645-4528890 A50-645-4575890 A50-645-4504890 PANEL MOUNT, FEMALE, SMA CONNECTOR, JACK
PANEL MOUNT, FEMALE, SMA CONNECTOR, SOLDER, JACK
ITT CANNON
9062-9513-000 PANEL MOUNT, FEMALE, SMA CONNECTOR, SOLDER, JACK
APPLIED ENGINEERING PRODUCTS
050-627-9188310 PANEL MOUNT, CABLE TERMINATED, FEMALE, SMA CONNECTOR, CRIMP, JACK
ITT CANNON
049.42.2522.201 PANEL MOUNT, BOARD TERMINATED, FEMALE, SMA CONNECTOR, SOLDER, JACK
IMS CONNECTOR SYSTEMS GMBH
SMA-J-P-X-ST-PN4-SKT SMA-J-P-H-ST-PN4-SKT PANEL MOUNT, BOARD TERMINATED, FEMALE, SMA CONNECTOR, SOLDER, JACK ROHS COMPLIANT
Samtec, Inc.
0732510360 50 Ohms, SMA Jack to SMA Jack, Bulkhead, Adapter
Molex Electronics Ltd.
32S247-302F3 32K221-200S3 CABLE TERMINATED, MALE, SMA CONNECTOR, CRIMP/SOLDER, PLUG
PANEL MOUNT, CABLE TERMINATED, FEMALE, SMA CONNECTOR, SOLDER, JACK
ROSENBERGER HOCHFREQUENZTECHNIK GMBH & CO KG
ADT-2593-MF-SMA-02 ADT-2594-MM-SMA-02 ADT-2595-FF- Im-Series Adapters
SMA Male Plug to SMA Female Jack
List of Unclassifed Manufacturers
List of Unclassifed Manufac...
15665734 SMA1112A3-3GT50G-14-50 SMA6411G2-3GT50G-1 R/A CRIMP PLUG
BULKH CRIMP
BNC PLUG
TWIST-ON PLUG
COMM PCB MNT JACK
TEE ADAPTER
TWIST-ON JACK
BULKH RECEPT JACK
ADAPTER-TO-JACK
CRIMP CAPT
PLUG TO JACK
PLUG TO PLUG
BULKH CLAMP
N PANEL RECEPT
CRIMP JACK-
CLAMP JACK
PLUG BT3002
CRIMP PLUGS
N ADAPTER
TO-PLUG ADAPTER
CLAMP CAPT CT
JACK TO JACK
PANEL RECEPT JACK
CRIMP TOOL
杰克到插座适配
COMM PCB MNT 通信设备电路板产妇和新生儿破伤风
PANEL RECEPT PLUG 面板受体的插
BNC TERM 插头学期
PCB MNT JACK 产妇和新生儿破伤风插座板
CLAMP PLUG 夹具插头
CRIMP PLUG 压接插头
Amphenol, Corp.
Air Cost Control
Electronic Theatre Controls, Inc.
 
 Related keyword From Full Text Search System
32K421-600S5 Analog 32K421-600S5 Specification 32K421-600S5 crystal 32K421-600S5 Cirkuit diagram 32K421-600S5 Micropower
32K421-600S5 UNITED CHEMI CON 32K421-600S5 vishay 32K421-600S5 marking code 32K421-600S5 Interface 32K421-600S5 Fixed
 

 

Price & Availability of 32K421-600S5

All Rights Reserved © IC-ON-LINE 2003 - 2022  

[Add Bookmark] [Contact Us] [Link exchange] [Privacy policy]
Mirror Sites :  [www.datasheet.hk]   [www.maxim4u.com]  [www.ic-on-line.cn] [www.ic-on-line.com] [www.ic-on-line.net] [www.alldatasheet.com.cn] [www.gdcy.com]  [www.gdcy.net]


 . . . . .
  We use cookies to deliver the best possible web experience and assist with our advertising efforts. By continuing to use this site, you consent to the use of cookies. For more information on cookies, please take a look at our Privacy Policy. X
0.048018932342529