Part Number Hot Search : 
TB1S350G TR254 DBCID 32SMODW 74F16 TD16NE06 A0512 HPA30DX
Product Description
Full Text Search

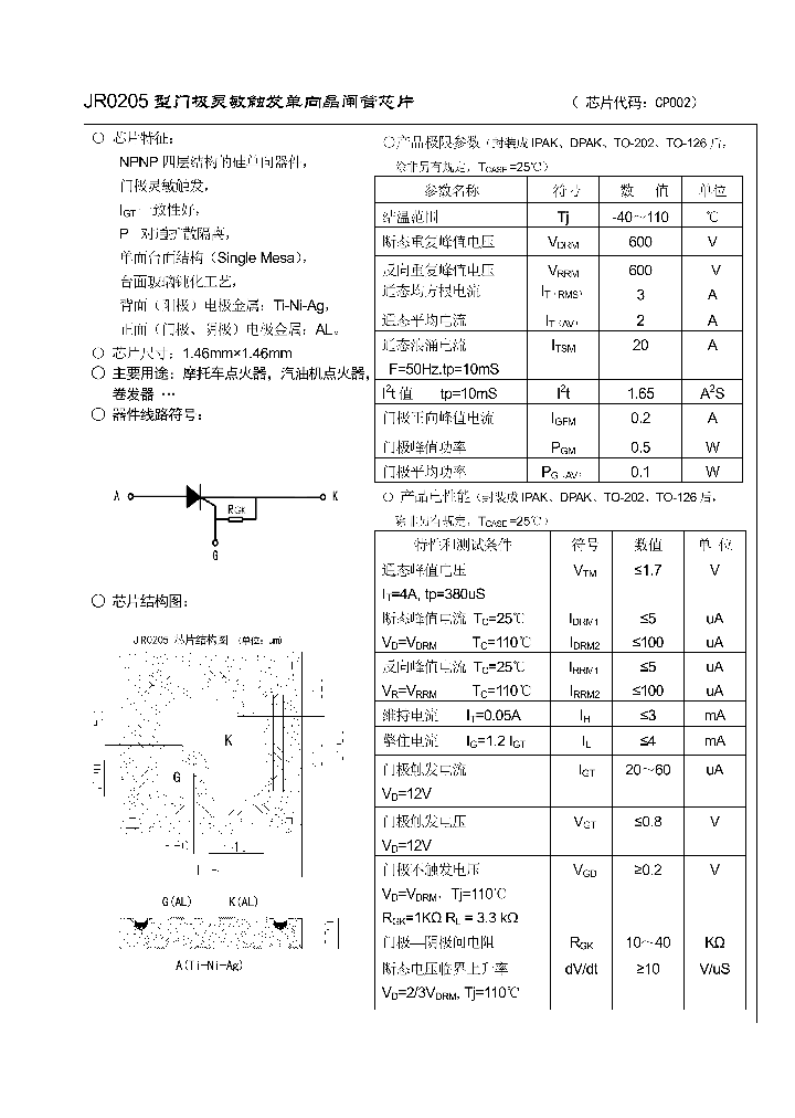
JR0205 - SCR Chip

JR0205_8957091.PDF Datasheet


 Full text search : SCR Chip
 Product Description search : SCR Chip


 Related Part Number
PART Description Maker
N0676YS120-180 N0782YS120-160 N0992YS020-060 N0734 1346 A, 1800 V, SCR
1554 A, 1600 V, SCR
1995 A, 600 V, SCR
1465 A, 1600 V, SCR
1201 A, 2400 V, SCR
Westcode Semiconductors, Ltd.
IST110A-6 ISTF160-5F35 ISTF160-3F35 IST85-13 IST85 175 A, 600 V, SCR
355 A, 500 V, SCR
355 A, 300 V, SCR
175 A, 1300 V, SCR
175 A, 300 V, SCR
355 A, 200 V, SCR
355 A, 1000 V, SCR

VSKT170-04 VSKT17010 VSKT170-08 VSKT170-12 VSKT170 SCR/SCR and SCR/Diode (MAGN-A-PAK Power Modules), 170 A/250 A
Vishay Siliconix
FG600AL28 POWEREXINC-FG1000AH44 GT300AV70 GT300AL2 1400 V, GATE TURN-OFF SCR
3500 V, GATE TURN-OFF SCR
1200 V, GATE TURN-OFF SCR
3600 V, GATE TURN-OFF SCR
2300 V, GATE TURN-OFF SCR
2500 V, GATE TURN-OFF SCR
POWEREX INC
25RIA160 25RIA80S90 25RIA 25RIA10 25RIA100 25RIA10 800V 25A Phase Control SCR in a TO-208AA (TO-48) package
1400V 40A Phase Control SCR in a TO-208AA (TO-48) package
1200V 25A Phase Control SCR in a TO-208AA (TO-48) package
1000V 25A Phase Control SCR in a TO-208AA (TO-48) package
100V 25A Phase Control SCR in a TO-208AA (TO-48) package
600V 25A Phase Control SCR in a TO-208AA (TO-48) package
400V 25A Phase Control SCR in a TO-208AA (TO-48) package
16 Characters x 2 Lines, 5x7 Dot Matrix Character and Cursor
MEDIUM POWER THYRISTORS 中功率晶闸管
IRF[International Rectifier]
International Rectifier, Corp.
JR0205 SCR Chip
JIEJIE MICROELECTRONICS...
CGT200 CGT200-16 CGT200-18 CGT200-20 SCR Chip
JIEJIE MICROELECTRONICS...
2P1M-YB 2P6M-YB 2P4M-YB 2P2MYC 2P2M-YB 2P2M-CY 2P0 4 A, 100 V, SCR PLASTIC PACKAGE-3
4 A, 600 V, SCR PLASTIC PACKAGE-3
4 A, 400 V, SCR PLASTIC PACKAGE-3
4 A, 200 V, SCR
4 A, 50 V, SCR

S4014BH TXN258 X0202DA X0402DE X0403ME S0402NH 40 A, 200 V, SCR, TO-220AB TO-220AB, 3 PIN
8 A, 200 V, SCR, TO-220AB
1.25 A, 400 V, SCR, TO-92
4 A, 400 V, SCR, TO202-1
4 A, 600 V, SCR, TO202-1
4 A, 800 V, SCR, TO-220AB
STMICROELECTRONICS
CS223-4N CS223-4M 4.0 AMP SCR 600 THRU 800 VOLTS 4 A, 800 V, SCR
SMD SCR
Central Semiconductor, Corp.
Central Semiconductor Corp.
CENTRAL[Central Semiconductor Corp]
 
 Related keyword From Full Text Search System
JR0205 read JR0205 MARKING JR0205 sanyo JR0205 integrated gigabit JR0205 specifications
JR0205 terminal JR0205 Fairchild JR0205 international JR0205 lamp JR0205 texas
 

 

Price & Availability of JR0205

All Rights Reserved © IC-ON-LINE 2003 - 2022  

[Add Bookmark] [Contact Us] [Link exchange] [Privacy policy]
Mirror Sites :  [www.datasheet.hk]   [www.maxim4u.com]  [www.ic-on-line.cn] [www.ic-on-line.com] [www.ic-on-line.net] [www.alldatasheet.com.cn] [www.gdcy.com]  [www.gdcy.net]


 . . . . .
  We use cookies to deliver the best possible web experience and assist with our advertising efforts. By continuing to use this site, you consent to the use of cookies. For more information on cookies, please take a look at our Privacy Policy. X
0.061139822006226