Part Number Hot Search : 
TCD2560D 4228GM ADV7170 CX08M N5398 IRF720R PE3642LF SSOP5
Product Description
Full Text Search

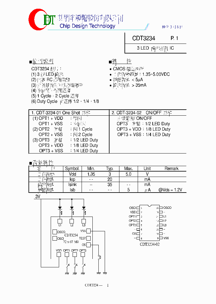
CDT3234 -    3 LED ?出控制IC

CDT3234_8886794.PDF Datasheet


 Full text search :    3 LED ?出控制IC
 Product Description search :    3 LED ?出控制IC


 Related Part Number
PART Description Maker
Q62703-Q1996 Q62703-Q3097 Q62703-Q1871 Q62703-Q148 Symbol LED 5 mm T1 3/4 LED / Partly Diffused
Symbol LED 5 mm T1 3/4 LED Partly Diffused
CYLINDRICAL LED LAMP
Symbol LED 5 mm T1 3/4 LED/ Partly Diffused
Cermet Potentiometer; Series:3296; Track Resistance:20kohm; Resistance Tolerance: /- 10%; Power Rating:0.5W; Operating Temperature Range:-55 C to 150 C; Resistor Element Material:Cermet; Temperature Coefficient: /-100 ppm RoHS Compliant: No
TRIMMER, 25 TURN 2K SINGLE COLOR LED, YELLOW, 5 mm
Symbol LED 5 mm T1 3/4 LED, Partly Diffused SINGLE COLOR LED, YELLOW, 5 mm
Symbol LED 5 mm T1 3/4 LED, Partly Diffused SINGLE COLOR LED, ORANGE, 5 mm
Symbol LED 5 mm T1 3/4 LED, Partly Diffused 符号的LED 5毫米T1 3 / 4的LED,部分漫
SIEMENS[Siemens Semiconductor Group]
SIEMENS AG
LY5480-HL LY5480-J LY5480-JM LY5480-K LY5480-L Q62 5 mm T1 3/4 LED, Diffused Wide-Angle LED T-1 3/4 SINGLE COLOR LED, YELLOW, 5 mm
5 mm T1 3/4 LED/ Diffused Wide-Angle LED
5 mm T1 3/4 LED, Diffused Wide-Angle LED T-1 3/4 SINGLE COLOR LED, SUPER RED, 5 mm
5 mm T1 3/4 LED, Diffused Wide-Angle LED T-1 3/4 SINGLE COLOR LED, RED, 5 mm
5 mm T1 3/4 LED, Diffused Wide-Angle LED 5毫米T1 3 / 4的LED,扩散广角发光二极管
DSUB DB SHEILD CAN KIT 5毫米T1 3 / 4的LED,扩散广角发光二极管
5 mm T1 3/4 LED / Diffused Wide-Angle LED
5 mm T1 3/4 LED Diffused Wide-Angle LED
Siemens Semiconductor G...
SIEMENS AG
SIEMENS[Siemens Semiconductor Group]
http://
LSS260 LSS260-DO LGS260 LGS260-DO Q62703-Q1657 LYS From old datasheet system
SOT-23 LED/ Diffused
Hyper 5 mm T1 LED, Non Diffused Hyper-Bright LED
SOT-23 LED, Diffused SINGLE COLOR LED, GREEN, 2.9 mm
SOT-23 LED, Diffused SOT - 23封装的LED,漫
SIEMENS[Siemens Semiconductor Group]
SIEMENS AG
556-3003-304 556-3504-304 DIALIGHTCORP-556-3804-30 LED Panel Indicator; LED Color:White; Color:White; Leaded Process Compatible:No; Peak Reflow Compatible (260 C):No RoHS Compliant: No SINGLE COLOR LED, WHITE
LED PNL MT 1 24V WT DOME RED SINGLE COLOR LED, RED
SINGLE COLOR LED, YELLOW
Dialight PLC
DIALIGHT CORP
4305H5 4305H 4305H1 4305H7 Solid State LED Lamps-Ultra Brite 120 mcd T-1 3/4 (5mm)
LED,GRN,CLEAR REV L T-1 3/4 SINGLE COLOR LED, GREEN, 5 mm
CML[Chicago Miniature Lamp,inc]
CML Innovative Technologies
Q62703-Q3833 Q62703-Q2345 Q62703-Q3858 LG5469-EH L LC 5 mm T1 3/4 LED Diffused Low Current LED
LC 5 mm T1 3/4 LED, Diffused Low Current LED 立法毫米T1 3 / 4的LED,扩散低电流LED
LC 5 mm T1 3/4 LED, Diffused Low Current LED 立法5毫米T1 3 / 4的LED,扩散低电流LED
LC 5 mm T1 3/4 LED, Diffused Low Current LED T-1 3/4 SINGLE COLOR LED, YELLOW, 5 mm
LC 5 mm T1 3/4 LED, Diffused Low Current LED T-1 3/4 SINGLE COLOR LED, GREEN, 5 mm
SIEMENS[Siemens Semiconductor Group]
SIEMENS AG
21PCT170TWYG4B-140 21PCT170TO4-140 21PCT170-1PB 21 T-1 DUAL COLOR LED ARRAY, YELLOW/HIGH EFFICIENCY GREEN, 3 mm
T-1 SINGLE COLOR LED ARRAY, ORANGE, 3 mm 2 PIN
T-1 SINGLE COLOR LED ARRAY, PURE BLUE, 3 mm
T-1 SINGLE COLOR LED ARRAY, COOL WHITE, 3 mm
T-1 SINGLE COLOR LED ARRAY, YELLOW, 3 mm
T-1 SINGLE COLOR LED ARRAY, AQUA GREEN, 3 mm
T-1 SINGLE COLOR LED ARRAY, ULTRA RED, 3 mm
T-1 SINGLE COLOR LED ARRAY, LIME GREEN, 3 mm
LEDtronics, Inc.
LEDTRONICS INC
SKDI26 SKDI26_02 SKDI26_04 SKDI26_06 SKDI26_08 SKD LED 470NM TAPERED BLUE 5MM 3 PHASE, 800 V, SILICON, BRIDGE RECTIFIER DIODE
LED 623NM ROUND RED 5MM
LED 589NM ROUND YELLOW 5MM
LED 573NM TAPERED YLW/GRN 5MM
LED 525NM ROUND GREEN 5MM
3~phase
SEMIKRON[Semikron International]
PB81-G24D-CG PB81W-B24D-CB PB81-A24D-CA PB81-O24D- SINGLE COLOR LED, GREEN, 12.6 mm
SINGLE COLOR LED, BLUE, 12.6 mm
SINGLE COLOR LED, AMBER, 12.6 mm
SINGLE COLOR LED, ORANGE, 12.6 mm
SINGLE COLOR LED, RED, 12.6 mm
SINGLE COLOR LED, COOL WHITE, 12.6 mm
SUSUMU Co., Ltd.
Ironwood Electronics
HLMA-SL05 HLMA-SH05 HLMP-S600-A00DG HLMP-S301-B000 HLMA-SL05 · 2 mm x 5 mm Rectangular LED Lamp
HLMA-SH05 · 2 mm x 5 mm Rectangular LED Lamp
HLMP-S600-A00DG · 2 mm x 5 mm Rectangular LED Lamp
HLMP-S301-B0000 · 2 mm x 5 mm Rectangular LED Lamp
HLMP-S301-B00DG · 2 mm x 5 mm Rectangular LED Lamp
HLMP-S301-CDB00 · 2 mm x 5 mm Rectangular LED Lamp
HLMP-S501-DE000 · 2 mm x 5 mm Rectangular LED Lamp
HLMP-S301-C0002 · 2 mm x 5 mm Rectangular LED Lamp
HLMP-S501-C0000 · 2 mm x 5 mm Rectangular LED Lamp
HLMP-S501-D0002 · 2 mm x 5 mm Rectangular LED Lamp
HLMP-S201-D0000 · 2 mm x 5 mm Rectangular LED Lamp
HLMP-S201-E0002 · 2 mm x 5 mm Rectangular LED Lamp
HLMP-S201-EF000 · 2 mm x 5 mm Rectangular LED Lamp
Agilent (Hewlett-Packard)
LAK376-U LAK376-SV LAK376-RU Q62703-Q3739 LOK376-R Hyper ARGUS LED Hyper-Bright 3 mm T1 LED Non Diffused
Hyper ARGUS LED Hyper-Bright/ 3 mm T1 LED/ Non Diffused
Hyper ARGUS LED Hyper-Bright, 3 mm T1 LED, Non Diffused SINGLE COLOR LED, YELLOW, 3 mm
Hyper ARGUS LED Hyper-Bright / 3 mm T1 LED / Non Diffused
Hyper ARGUS LED Hyper-Bright, 3 mm T1 LED, Non Diffused 超乌鳢的LED超亮度,3毫米T1的LED,非漫射
SIEMENS[Siemens Semiconductor Group]
SIEMENS AG
Siemens Group
BP200-0AG-014V BP200-0CW-024V BP200-0UY-005V BP200 T-1 3/4 SINGLE COLOR LED, AQUA GREEN, 5 mm
T-1 3/4 SINGLE COLOR LED, WHITE, 5 mm
T-1 3/4 SINGLE COLOR LED, SUPER YELLOW, 5 mm
T-1 3/4 SINGLE COLOR LED, SUPER BLUE, 5 mm
T-1 3/4 SINGLE COLOR LED, LIME GREEN, 5 mm
T-1 3/4 SINGLE COLOR LED, SUPER ORANGE, 5 mm
T-1 3/4 SINGLE COLOR LED, ULTRA RED, 5 mm
LEDtronics, Inc.
 
 Related keyword From Full Text Search System
CDT3234 Derating Rule CDT3234 poliester CDT3234 rectifier CDT3234 mode CDT3234 barrier
CDT3234 Derating Rule CDT3234 led CDT3234 coilcraft CDT3234 mosfet CDT3234 Integrated
 

 

Price & Availability of CDT3234

All Rights Reserved © IC-ON-LINE 2003 - 2022  

[Add Bookmark] [Contact Us] [Link exchange] [Privacy policy]
Mirror Sites :  [www.datasheet.hk]   [www.maxim4u.com]  [www.ic-on-line.cn] [www.ic-on-line.com] [www.ic-on-line.net] [www.alldatasheet.com.cn] [www.gdcy.com]  [www.gdcy.net]


 . . . . .
  We use cookies to deliver the best possible web experience and assist with our advertising efforts. By continuing to use this site, you consent to the use of cookies. For more information on cookies, please take a look at our Privacy Policy. X
0.2894561290741