Part Number Hot Search : 
65030 CPC10 1K100 XKM23440 95TEW 0000A 94HFC16J AGF10321
Product Description
Full Text Search

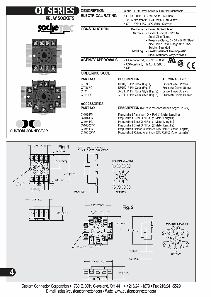
C-103-PM - 8 and 11 Pin Octal Sockets, DIN Rail Mountable

C-103-PM_8540823.PDF Datasheet


 Full text search : 8 and 11 Pin Octal Sockets, DIN Rail Mountable
 Product Description search : 8 and 11 Pin Octal Sockets, DIN Rail Mountable


 Related Part Number
PART Description Maker
CFA-50-A-SG-B-1 CFA-50-A-SG-B-2 COMPACT FLASH SOCKETS 50 PIN SLIM TYPE
Adam Technologies, Inc.
CF-50-C-SG COMPACT FLASH SOCKETS 50 PIN SLIM TYPE
Adam Technologies, Inc.
CFR-50-A-SG-C-1 CFR-50-A-SG-C-2 COMPACT FLASH SOCKETS 50 PIN SLIM TYPE
Adam Technologies, Inc.
74ABT640 74ABT640_2 74ABT640PWDH 74ABT640D 74ABT64 Octal transceiver with direction pin, inverting (3-State)
Octal transceiver with direction pin, inverting 3-State
From old datasheet system
Octal transceiver with direction pin/ inverting 3-State
SiGe High-Linearity, 1700MHz to 2200MHz Downconversion Mixer with LO Buffer/Switch
Quadruple D-Type Flip-Flops With Clear 16-SOIC 0 to 70 ABT SERIES, 8-BIT TRANSCEIVER, INVERTED OUTPUT, PDSO20
Single 8-Bit Inverting Bus Transceiver ABT SERIES, 8-BIT TRANSCEIVER, INVERTED OUTPUT, PDSO20
PHILIPS[Philips Semiconductors]
NXP Semiconductors N.V.
SERIES110 Quad-in-line sockets are suitable for with staggered double row Dual-in-line type pin patterns.
Precid-Dip Durtal SA
546-93-108-12-101-035 546-93-108-12-101-036    Pin Grid Array sockets Press-fit terminations
Precid-Dip Durtal SA
EDGE749 EDGE74902 E749-EDGE749 Octal Pin Electronics Driver / Receiver
Octal Pin Electronics Driver/Receiver
Semtech Corporation
MAX6892ETJ MAX689210 Pin-Selectable, Octal/Hex/Quad, Power-Supply Sequencers/Supervisors
Maxim Integrated Products
XR2T-1611-N XR2A-0805 XR2A-4021-N XR2T-4021-N XR2A IC Sockets
Omron Electronics LLC
 
 Related keyword From Full Text Search System
C-103-PM Analog C-103-PM chip C-103-PM 参数 封装 C-103-PM PDF C-103-PM where to buy
C-103-PM Control C-103-PM Step C-103-PM electronics C-103-PM Power C-103-PM display
 

 

Price & Availability of C-103-PM

All Rights Reserved © IC-ON-LINE 2003 - 2022  

[Add Bookmark] [Contact Us] [Link exchange] [Privacy policy]
Mirror Sites :  [www.datasheet.hk]   [www.maxim4u.com]  [www.ic-on-line.cn] [www.ic-on-line.com] [www.ic-on-line.net] [www.alldatasheet.com.cn] [www.gdcy.com]  [www.gdcy.net]


 . . . . .
  We use cookies to deliver the best possible web experience and assist with our advertising efforts. By continuing to use this site, you consent to the use of cookies. For more information on cookies, please take a look at our Privacy Policy. X
0.072879076004028