Part Number Hot Search : 
100AC 1N5575B DM0365R MB88503H 107SAK16 8XC552 6AJJN08 MD1222N
Product Description
Full Text Search

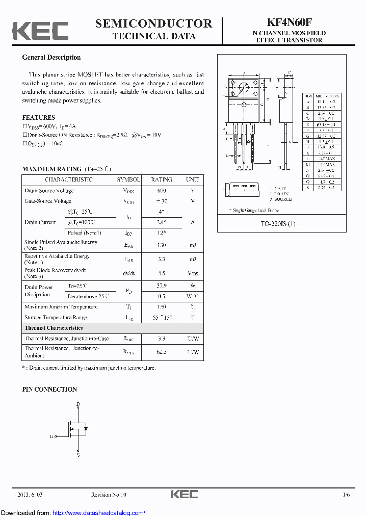
KF4N60F - N CHANNEL MOS FIELD EFFECT TRNASISTOR

KF4N60F_8528333.PDF Datasheet


 Full text search : N CHANNEL MOS FIELD EFFECT TRNASISTOR
 Product Description search : N CHANNEL MOS FIELD EFFECT TRNASISTOR


 Related Part Number
PART Description Maker
SSM3J02F 600 mA, 30 V, P-CHANNEL, Si, SMALL SIGNAL, MOSFET, TO-236
Field Effect Transistor Silicon P Channel MOS Type Power Management Switch High Speed Switching Applications
TOSHIBA Field Effect Transistor Silicon P Channel MOS Type
TOSHIBA[Toshiba Semiconductor]
Toshiba Corporation
SSM3K03FE 100 mA, 20 V, N-CHANNEL, Si, SMALL SIGNAL, MOSFET
TOSHIBA Field Effect Transistor Silicon N Channel MOS Type
Field Effect Transistor Silicon N Channel MOS Type High Speed Switching Applications Analog Switch Applications
TOSHIBA[Toshiba Semiconductor]
SSM5P05FU Field Effect Transistor Silicon P Channel MOS Type Power Management Switch High Speed Switching Applications
TOSHIBA Field Effect Transistor Silicon P Channel MOS Type
Toshiba Semiconductor
2SK231202 2SK231207 2SK2312 TOSHIBA FIELD EFFECT TRANSISTOR SILICON N CHANNEL MOS TYPE (L2-PI-MOSV) CHOPPER Regulator, DC-DC CONVERTER AND MOTOR DRIVE APPLICATIONS
TOSHIBA Field Effect Transistor Silicon N Channel MOS Type (L2−?MOSV)
TOSHIBA Field Effect Transistor Silicon N Channel MOS Type (L2−ば-MOSV)
Toshiba Semiconductor
HN1K05FU Field Effect Transistor Silicon N Channel MOS Type For Portable Devices High Speed Switching Applications Interface Applications
TOSHIBA Field Effect Transistor Silicon N Channel MOS Type
TOSHIBA[Toshiba Semiconductor]
UPA675T UPA675T-T1 UPA675T-T2 UPA675T-A 100 mA, 16 V, 2 CHANNEL, N-CHANNEL, Si, SMALL SIGNAL, MOSFET
N-CHANNEL MOS FIELD EFFECT TRANSISTOR FOR HIGH SPEED SWITCHING
N-channel enhancement type MOS FET
NEC
TPCP8402 TOSHIBA Field Effect Transistor Silicon P, N Channel MOS Type (U-MOS IV / U-MOS III)
TOSHIBA[Toshiba Semiconductor]
TPCF8402 TOSHIBA Field Effect Transistor Silicon P, N Channel MOS Type (U-MOS IV / U-MOS III)
Toshiba Semiconductor
SSM3K14T TOSHIBA Field Effect Transistor Silicon N Channel MOS Type (U-MOSII)
Field Effect Transistor Silicon N Channel MOS Type (U-MOSII) DC-DC Converter High Speed Switching Applications
Toshiba Corporation
TOSHIBA[Toshiba Semiconductor]
SSM3K05FU Field Effect Transistor Silicon N Channel MOS Type High Speed Switching Applications
TOSHIBA FIELD EFFECT TRANSISTOR SILICON N CHALLEL MOS TYPE
Toshiba Semiconductor
SSM3J14T TOSHIBA Field Effect Transistor Silicon P Channel MOS Type (U-MOSII)
Field Effect Transistor Silicon P Channel MOS Type (U-MOSII) Power Management Switch DC-DC Converters
Toshiba Corporation
TOSHIBA[Toshiba Semiconductor]
 
 Related keyword From Full Text Search System
KF4N60F maxim KF4N60F international KF4N60F crystal KF4N60F System KF4N60F inductors
KF4N60F fet KF4N60F bookmark KF4N60F 参数网 KF4N60F where to buy KF4N60F 参数比较
 

 

Price & Availability of KF4N60F

All Rights Reserved © IC-ON-LINE 2003 - 2022  

[Add Bookmark] [Contact Us] [Link exchange] [Privacy policy]
Mirror Sites :  [www.datasheet.hk]   [www.maxim4u.com]  [www.ic-on-line.cn] [www.ic-on-line.com] [www.ic-on-line.net] [www.alldatasheet.com.cn] [www.gdcy.com]  [www.gdcy.net]


 . . . . .
  We use cookies to deliver the best possible web experience and assist with our advertising efforts. By continuing to use this site, you consent to the use of cookies. For more information on cookies, please take a look at our Privacy Policy. X
0.20206594467163