Part Number Hot Search : 
MBRS280G LMV324I 8B256 MMBD7000 14270 LM7818 10560 HP803CN
Product Description
Full Text Search

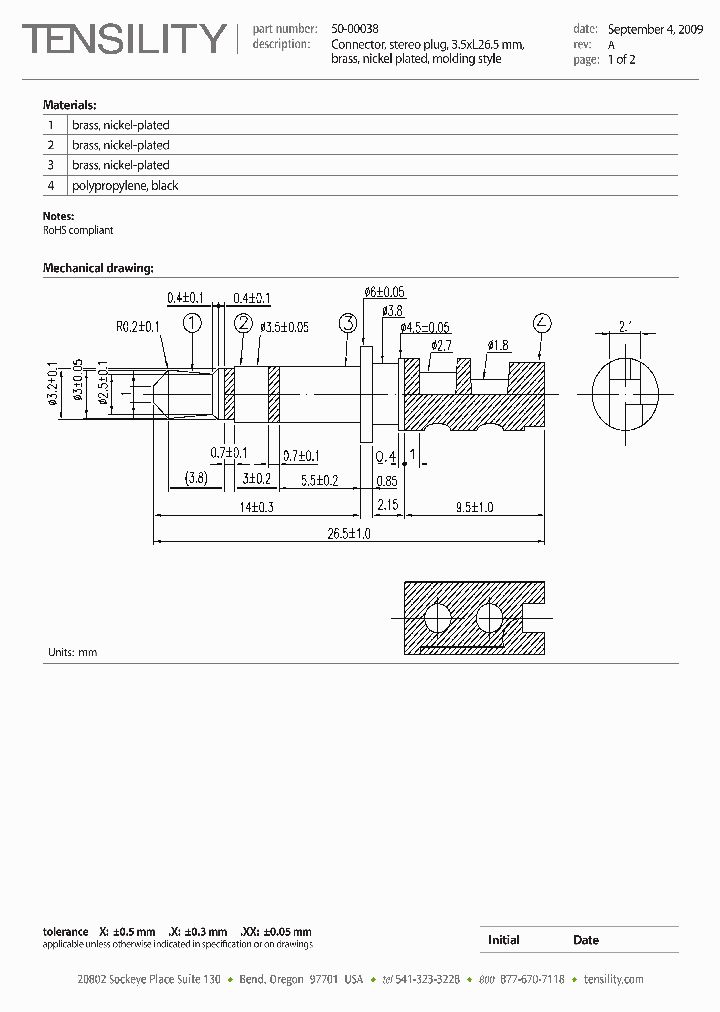
50-00038 - Connector, stereo plug, 3.5xL26.5 mm, brass, nickel plated, molding style

50-00038_8427024.PDF Datasheet


 Full text search : Connector, stereo plug, 3.5xL26.5 mm, brass, nickel plated, molding style
 Product Description search : Connector, stereo plug, 3.5xL26.5 mm, brass, nickel plated, molding style


 Related Part Number
PART Description Maker
50-00038 Connector, stereo plug, 3.5xL26.5 mm, brass, nickel plated, molding style
Tensility International...
74323-2001 74323-2004 DVI-D PLUG SUB CONN. S.C. AUN W/TRAY TELECOM AND DATACOM CONNECTOR, PLUG
DVI-D Low Cost Plug Conn Sub-Assy 30u TELECOM AND DATACOM CONNECTOR, PLUG
Molex, Inc.
501645-1020 501645-3420 501645-1620 501645-2620 50 2.0 W/B Dual Grid Plug HsgAssy10CktBeige 10 CONTACT(S), MALE, STRAIGHT DIP CONNECTOR, SOLDER, PLUG
2.0 W/B Dual Grid Plug HsgAssy34CktBeige 34 CONTACT(S), MALE, STRAIGHT DIP CONNECTOR, SOLDER, PLUG
2.0 W/B Dual Grid Plug HsgAssy16CktBeige 16 CONTACT(S), MALE, STRAIGHT DIP CONNECTOR, SOLDER, PLUG
2.0 W/B Dual Grid Plug HsgAssy26CktBeige 26 CONTACT(S), MALE, STRAIGHT DIP CONNECTOR, SOLDER, PLUG
2.0 W/B Dual Grid Plug HsgAssy14CktBeige 14 CONTACT(S), MALE, STRAIGHT DIP CONNECTOR, SOLDER, PLUG
Molex, Inc.
HIF2B-10D-2.54RA HIF2B-10D-2.54RB HIF2B-10D-2.54RS 14 CONTACT(S), MALE, STRAIGHT DIP CONNECTOR, IDC, PLUG
16 CONTACT(S), MALE, STRAIGHT DIP CONNECTOR, IDC, PLUG
24 CONTACT(S), MALE, STRAIGHT DIP CONNECTOR, IDC, PLUG
10 CONTACT(S), MALE, STRAIGHT DIP CONNECTOR, IDC, PLUG
CONNECTOR ACCESSORY 连接器附
HIF2B SERIES DIP PLUG HIF2B系列DIP插头
HIROSE ELECTRIC Co., Ltd.
http://
Hirose Electric USA, INC.
M48Z35AY M48Z35AY-100MH1 M48Z35AY-100MH1TR M48Z35A 32K X 8 NON-VOLATILE SRAM, 100 ns, PDSO28
256 Kbit 32Kb x8 ZEROPOWER SRAM 256千位2KB的SRAM x8 ZEROPOWER
ER 5C 2#16 3#12 PIN PLUG
ER 3C 3#8 SKT PLUG
MS3106A22-34P
ER 4C 2#12 2#8 SKT PLUG
MS3106A22-2S
Circular Connector; No. of Contacts:4; Series:; Body Material:Aluminum Alloy; Connecting Termination:Solder; Connector Shell Size:22; Circular Contact Gender:Pin; Circular Shell Style:Straight Plug; Insert Arrangement:22-4 RoHS Compliant: No
STMicroelectronics N.V.
意法半导
STMICROELECTRONICS[STMicroelectronics]
ST Microelectronics
803-002-06C5-3PN 803-002-06C5-3SN 803-002-06C6-1PN Bayonet Cable Plugs
85 CONTACT(S), STAINLESS STEEL, FEMALE, CIRCULAR CONNECTOR, PLUG
55 CONTACT(S), ALUMINUM ALLOY, FEMALE, CIRCULAR CONNECTOR, PLUG
85 CONTACT(S), ALUMINUM ALLOY, FEMALE, CIRCULAR CONNECTOR, PLUG
85 CONTACT(S), ALUMINUM ALLOY, FEMALE, CIRCULAR CONNECTOR, CRIMP, PLUG
55 CONTACT(S), STAINLESS STEEL, FEMALE, CIRCULAR CONNECTOR, PLUG
55 CONTACT(S), ALUMINUM ALLOY, FEMALE, CIRCULAR CONNECTOR, CRIMP, PLUG
55 CONTACT(S), STAINLESS STEEL, FEMALE, CIRCULAR CONNECTOR, CRIMP, PLUG
85 CONTACT(S), STAINLESS STEEL, FEMALE, CIRCULAR CONNECTOR, CRIMP, PLUG
CONNECTOR ACCESSORY
Glenair, Inc.
http://
GLENAIR INC
185-001C06-13-2NM 185-001M06-13-2NM 185-001Z106-13 Expanded Beam Fiber Optic Threaded Coupling Plug Connector
MULTI MODE, SIMPLEX FIBER OPTIC CONNECTOR, PLUG
Glenair, Inc.
GLENAIR INC
35HDBAU 3.5mm STEREO PLUG
Switchcraft, Inc.
790-027SH-66ZNUEG 790-027SH-66ZNUEN 790-027SH-66ZN 2 CONTACT(S), FEMALE, D MICROMINIATURE CONNECTOR, CRIMP, PLUG
9 CONTACT(S), FEMALE, D MICROMINIATURE CONNECTOR, CRIMP, PLUG
5 CONTACT(S), FEMALE, D MICROMINIATURE CONNECTOR, CRIMP, PLUG
13 CONTACT(S), FEMALE, D MICROMINIATURE CONNECTOR, CRIMP, PLUG
6 CONTACT(S), FEMALE, D MICROMINIATURE CONNECTOR, CRIMP, PLUG
Panel Mount Connectors, Crimp Termination
GLENAIR INC
Glenair, Inc.
891-001-25PT-0A 891-001-25PT-0B 891-001-25PT-0C 89 Nanominiature Connectors Double Row Insulated Wire Pigtail Assemblies
25 CONTACT(S), MALE, D NANOMINIATURE CONNECTOR, CRIMP, PLUG
25 CONTACT(S), FEMALE, D NANOMINIATURE CONNECTOR, CRIMP, RECEPTACLE
15 CONTACT(S), MALE, D NANOMINIATURE CONNECTOR, CRIMP, PLUG
21 CONTACT(S), MALE, D NANOMINIATURE CONNECTOR, CRIMP, PLUG
51 CONTACT(S), FEMALE, D NANOMINIATURE CONNECTOR, CRIMP, RECEPTACLE
Glenair, Inc.
GLENAIR INC
180-066-9-5-C 180-066-9-5-M 180-066-9-5-NF 180-066 8 Channel D-Subminiature Fiber Optic Plug Connector
SINGLE MODE, SIMPLEX FIBER OPTIC CONNECTOR, PLUG
Glenair, Inc.
GLENAIR INC
JL05-6A18-19ASY-FO-R JL05-6A20-30ASY-FO-R JL05-6A2 STRAIGHT PLUG
5 CONTACT(S), MALE, CIRCULAR CONNECTOR, SOLDER, PLUG
Japan Aviation Electron...
Japan Aviation Electronics Industry, Ltd.
JAPAN AVIATION ELECTRONICS INDUSTRY LTD
 
 Related keyword From Full Text Search System
50-00038 SePIC 50-00038 fet 50-00038 uncooled cel 50-00038 Flash 50-00038 header
50-00038 for sale 50-00038 电子元件中文资料网站 50-00038 microcontroller 50-00038 toshiba 50-00038 技术参数
 

 

Price & Availability of 50-00038

All Rights Reserved © IC-ON-LINE 2003 - 2022  

[Add Bookmark] [Contact Us] [Link exchange] [Privacy policy]
Mirror Sites :  [www.datasheet.hk]   [www.maxim4u.com]  [www.ic-on-line.cn] [www.ic-on-line.com] [www.ic-on-line.net] [www.alldatasheet.com.cn] [www.gdcy.com]  [www.gdcy.net]


 . . . . .
  We use cookies to deliver the best possible web experience and assist with our advertising efforts. By continuing to use this site, you consent to the use of cookies. For more information on cookies, please take a look at our Privacy Policy. X
0.0576491355896