Part Number Hot Search : 
STD5KB22 5W1RJ KIA7423 43205 ICX259AK NM1SOLR 38431 9412IP
Product Description
Full Text Search

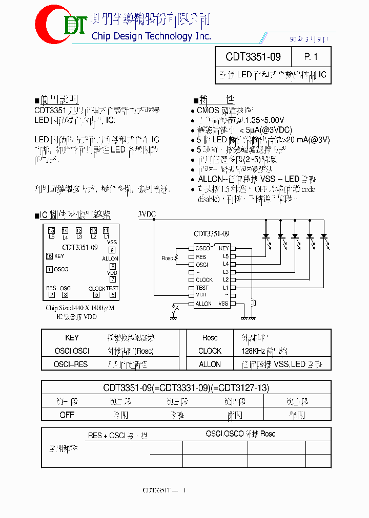
CDT3351-09 - 五?LED 可程式化?出控制IC

CDT3351-09_8359975.PDF Datasheet


 Full text search : 五?LED 可程式化?出控制IC
 Product Description search : 五?LED 可程式化?出控制IC


 Related Part Number
PART Description Maker
Q62703-Q1996 Q62703-Q3097 Q62703-Q1871 Q62703-Q148 Symbol LED 5 mm T1 3/4 LED / Partly Diffused
Symbol LED 5 mm T1 3/4 LED Partly Diffused
CYLINDRICAL LED LAMP
Symbol LED 5 mm T1 3/4 LED/ Partly Diffused
Cermet Potentiometer; Series:3296; Track Resistance:20kohm; Resistance Tolerance: /- 10%; Power Rating:0.5W; Operating Temperature Range:-55 C to 150 C; Resistor Element Material:Cermet; Temperature Coefficient: /-100 ppm RoHS Compliant: No
TRIMMER, 25 TURN 2K SINGLE COLOR LED, YELLOW, 5 mm
Symbol LED 5 mm T1 3/4 LED, Partly Diffused SINGLE COLOR LED, YELLOW, 5 mm
Symbol LED 5 mm T1 3/4 LED, Partly Diffused SINGLE COLOR LED, ORANGE, 5 mm
Symbol LED 5 mm T1 3/4 LED, Partly Diffused 符号的LED 5毫米T1 3 / 4的LED,部分漫
SIEMENS[Siemens Semiconductor Group]
SIEMENS AG
Q62703-Q3825 LR5380 Q62703-Q3189 Q62703-Q3909 LG53 5 mm T1 3/4 LED / Diffused Wide-Angle LED
5 mm T1 3/4 LED Diffused Wide-Angle LED
5 mm T1 3/4 LED/ Diffused Wide-Angle LED
3932
5 mm T1 3/4 LED, Diffused Wide-Angle LED 5毫米T1 3 / 4的LED,扩散广角发光二极管
5 mm T1 3/4 LED, Diffused Wide-Angle LED T-1 3/4 SINGLE COLOR LED, SUPER RED, 5 mm
5 mm T1 3/4 LED, Diffused Wide-Angle LED T-1 3/4 SINGLE COLOR LED, GREEN, 5 mm
SIEMENS[Siemens Semiconductor Group]
SIEMENS AG
Siemens Semiconductor G...
Q62703-Q3207 LOP380-MP LOP380-N LOP380-NQ LOP380-P CAT5E 350MHZ PATCH CORD, 5 FT PINK, SNAGLESS BOOT SINGLE COLOR LED, YELLOW, 3 mm
Plane 3 mm (T1) LED, Non Diffused SINGLE COLOR LED, ORANGE, 3 mm
Plane 3 mm (T1) LED, Non Diffused SINGLE COLOR LED, PURE GREEN, 3 mm
Plane 3 mm (T1) LED, Non Diffused 平面3毫米(T1)的LED,非漫射
Plane 3 mm (T1) LED, Non Diffused 平面3毫米T1)的LED,非漫射
HDR 12 POS RTANG SMT
Plane 3 mm (T1) LED Non Diffused
Plane 3 mm (T1) LED/ Non Diffused
SIEMENS AG
SIEMENS[Siemens Semiconductor Group]
QTLP321 QTLP321C QTLP321C-E QTLP321C-R QTLP321C-Y    4 - PIN POWER LED
4 - PIN POWER LED 4 -密码大功率LED
4 - PIN POWER LED T-1 SINGLE COLOR LED, RED, 3 mm
4 - PIN POWER LED T-1 SINGLE COLOR LED, YELLOW, 3 mm
White 4 - PIN Power LED
Yellow 4 - PIN Power LED
High Efficiency Red/Green Surface Mount LED Lamp - Standard Bright 0606
Fairchild Semiconductor, Corp.
Fairchild Semiconductor Corporation
FAIRCHILD[Fairchild Semiconductor]
TLOU114P TLYU114P TLSU114P Panel Circuit Indicator InGaAlP LED
TOSHIBA InGaAP LED
TOSHIBA InGaAГP LED
TOSHIBA InGaA?P LED
TOSHIBA[Toshiba Semiconductor]
HLMP-2500 HLCP-A100 HLCP-B100 HLCP-C100 HLCP-D100 HLMP-2300 · LED Light Bars
HLCP-H100 · LED Light Bars
HLCP-G100 · LED Light Bars
HLCP-A100 · LED Light Bars
HLCP-F100 · LED Light Bars
HLMP-2685-EF000 · LED Light Bars
HLCP-E100 · LED Light Bars
HLCP-D100 · LED Light Bars
HLCP-C100 · LED Light Bars
HLCP-B100 · LED Light Bars
HLMP-2950 · LED Light Bars
HLMP-2965 · LED Light Bars
HLMP-2635 · LED Light Bars
HLMP-2600 · LED Light Bars
HLMP-2620 · LED Light Bars
HLMP-2720 · LED Light Bars
HLMP-2820 · LED Light Bars
HLMP-2700 · LED Light Bars
HLMP-2735 · LED Light Bars
HLMP-2885-FG000 · LED Light Bars
HLMP-2855-FG000 · LED Light Bars
HLMP-2835 · LED Light Bars
HLMP-2720-EF000 · LED Light Bars
HLMP-2620-EF000 · LED Light Bars
HLCP-H100-BC000 · LED Light Bars
HLCP-E100-BC000 · LED Light Bars
HLCP-D100-BC000 · LED Light Bars
HLCP-C100-BC000 · LED Light Bars
HLCP-A100-BC000 · LED Light Bars
HLMP-2870-FG000 · LED Light Bars
HLCP-B100-BC000 · LED Light Bars
HLMP-2550-FG000 · LED Light Bars
HLMP-2820-FG000 · LED Light Bars
HLMP-2755-EF000 · LED Light Bars
HLMP-2655-EF000 · LED Light Bars
HLMP-2500-FG000 · LED Light Bars
HLMP-2700-EF000 · LED Light Bars
HLMP-2600-EF000 · LED Light Bars
HLMP-2400-EF000 · LED Light Bars
HLMP-2300-EF000 · LED Light Bars
HLMP-2450-EF000 · LED Light Bars
HLMP-2350-EF000 · LED Light Bars
350-MHz Low-Noise Voltage-Feedback Amplifier, Dual 8-MSOP-PowerPAD -40 to 85
100-MHz Low Noise Voltage-Feedback Amplifier 8-SOIC 0 to 70
LED Light Bars LED灯酒
http://
Agilent (Hewlett-Packard)
HP[Agilent(Hewlett-Packard)]
Fairchild Semiconductor, Corp.
Q62703-Q1395 Q62703-Q1746 LG5460-GK LG5460-H LG546 5 mm (T1 3/4) LED Diffused
5 mm (T1 3/4) LED/ Diffused
5 mm (T1 3/4) LED, Diffused 5毫米(T1 3 / 4)的LED,漫
5 mm (T1 3/4) LED, Diffused T-1 3/4 SINGLE COLOR LED, RED, 5 mm
SIEMENS[Siemens Semiconductor Group]
SIEMENS AG
21PCT170TWYG4B-140 21PCT170TO4-140 21PCT170-1PB 21 T-1 DUAL COLOR LED ARRAY, YELLOW/HIGH EFFICIENCY GREEN, 3 mm
T-1 SINGLE COLOR LED ARRAY, ORANGE, 3 mm 2 PIN
T-1 SINGLE COLOR LED ARRAY, PURE BLUE, 3 mm
T-1 SINGLE COLOR LED ARRAY, COOL WHITE, 3 mm
T-1 SINGLE COLOR LED ARRAY, YELLOW, 3 mm
T-1 SINGLE COLOR LED ARRAY, AQUA GREEN, 3 mm
T-1 SINGLE COLOR LED ARRAY, ULTRA RED, 3 mm
T-1 SINGLE COLOR LED ARRAY, LIME GREEN, 3 mm
LEDtronics, Inc.
LEDTRONICS INC
208-930-21-38 208-997-21-38 208-532-21-38 208-501- LED TELEPHONE SLIDE
LED TELEFONSOCKEL T6.8 12V GRUEN
LED TELEFONSOCKEL T6.8 12V ROT
LED TELEFONSOCKEL T6.8 12V GELB
LED TELEFONSOCKEL T6.8 12V BLAU 发光二极管TELEFONSOCKEL T6.8 12V的布
TE Connectivity, Ltd.
LA3366-PS LA3366-S Q62703-Q3885 LA3366-Q LA3366-QT Hyper 3 mm T1 LED / Diffused Hyper-Bright LED
Hyper 3 mm T1 LED, Diffused Hyper-Bright LED T-1 SINGLE COLOR LED, YELLOW, 3 mm
Hyper 3 mm T1 LED, Diffused Hyper-Bright LED 毫米T1发光二极管,扩散超高亮LED
Hyper 3 mm T1 LED, Diffused Hyper-Bright LED T-1 SINGLE COLOR LED, AMBER, 3 mm
Hyper 3 mm T1 LED, Diffused Hyper-Bright LED 3毫米T1发光二极管,扩散超高亮LED
Hyper 3 mm T1 LED/ Diffused Hyper-Bright LED
Hyper 3 mm T1 LED Diffused Hyper-Bright LED
Siemens Semiconductor G...
SIEMENS AG
SIEMENS[Siemens Semiconductor Group]
PB81-G24D-CG PB81W-B24D-CB PB81-A24D-CA PB81-O24D- SINGLE COLOR LED, GREEN, 12.6 mm
SINGLE COLOR LED, BLUE, 12.6 mm
SINGLE COLOR LED, AMBER, 12.6 mm
SINGLE COLOR LED, ORANGE, 12.6 mm
SINGLE COLOR LED, RED, 12.6 mm
SINGLE COLOR LED, COOL WHITE, 12.6 mm
SUSUMU Co., Ltd.
Ironwood Electronics
 
 Related keyword From Full Text Search System
CDT3351-09 Server CDT3351-09 header CDT3351-09 siliconix CDT3351-09 Supply CDT3351-09 philips
CDT3351-09 microcontroller CDT3351-09 analog CDT3351-09 Megabit CDT3351-09 Fixed CDT3351-09 MUX HCSL
 

 

Price & Availability of CDT3351-09

All Rights Reserved © IC-ON-LINE 2003 - 2022  

[Add Bookmark] [Contact Us] [Link exchange] [Privacy policy]
Mirror Sites :  [www.datasheet.hk]   [www.maxim4u.com]  [www.ic-on-line.cn] [www.ic-on-line.com] [www.ic-on-line.net] [www.alldatasheet.com.cn] [www.gdcy.com]  [www.gdcy.net]


 . . . . .
  We use cookies to deliver the best possible web experience and assist with our advertising efforts. By continuing to use this site, you consent to the use of cookies. For more information on cookies, please take a look at our Privacy Policy. X
0.28437614440918