Part Number Hot Search : 
33685 5G0053V3 Q8010 BD542 PZM16NB1 MAX87 ON0399 AD90803X
Product Description
Full Text Search

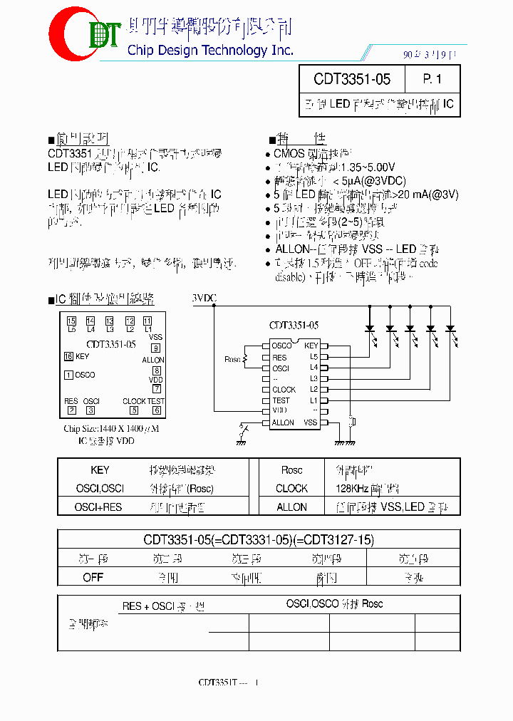
CDT3351-05 - 五?LED 可程式化?出控制IC

CDT3351-05_8359972.PDF Datasheet


 Full text search : 五?LED 可程式化?出控制IC
 Product Description search : 五?LED 可程式化?出控制IC


 Related Part Number
PART Description Maker
LG5411-NR LG5411-Q LG5411-QT LG5411-R LG5411-S LO5 5 mm T1 3/4 LED/ Non Diffused Super-Bright LED
SUPERBRIGHT T1(5mm) LED LAMP
5 mm T1 3/4 LED / Non Diffused Super-Bright LED
5 mm T1 3/4 LED Non Diffused Super-Bright LED
5 mm T1 3/4 LED, Non Diffused Super-Bright LED 5毫米T1 3 / 4的LED,非扩散超高亮度发光二极
5 mm T1 3/4 LED, Non Diffused Super-Bright LED T-1 3/4 SINGLE COLOR LED, GREEN, 5 mm
http://
SIEMENS[Siemens Semiconductor Group]
SIEMENS AG
Q62703-Q3170 Q62703-Q3176 Q62703-Q3177 Q62703-Q355 Hyper 3 mm T1 LED Non Diffused Hyper-Bright LED
Hyper 3 mm T1 LED/ Non Diffused Hyper-Bright LED
FILTER CHIP 26 OHM 6A 0603
Standard Recovery Rectifier; Forward Current:25A; Forward Current Average:15.9A; Forward Current Avg Rectified, IF(AV):15.9A; Forward Surge Current Max, Ifsm:350A; Forward Voltage:1.1V; Forward Voltage Max, VF:1.1V RoHS Compliant: Yes
50842042
Hyper 3 mm T1 LED, Non Diffused Hyper-Bright LED T-1 SINGLE COLOR LED, SUPER RED, 3 mm
Hyper 3 mm T1 LED, Non Diffused Hyper-Bright LED 3毫米T1的LED,不扩散超高亮LED
Hyper 3 mm T1 LED, Non Diffused Hyper-Bright LED 毫米T1的LED,不扩散超高亮LED
Hyper 3 mm T1 LED, Non Diffused Hyper-Bright LED T-1 SINGLE COLOR LED, ORANGE, 3 mm
Siemens Semiconductor G...
SIEMENS[Siemens Semiconductor Group]
SIEMENS AG
QTLP321 QTLP321C QTLP321C-E QTLP321C-R QTLP321C-Y    4 - PIN POWER LED
4 - PIN POWER LED 4 -密码大功率LED
4 - PIN POWER LED T-1 SINGLE COLOR LED, RED, 3 mm
4 - PIN POWER LED T-1 SINGLE COLOR LED, YELLOW, 3 mm
White 4 - PIN Power LED
Yellow 4 - PIN Power LED
High Efficiency Red/Green Surface Mount LED Lamp - Standard Bright 0606
Fairchild Semiconductor, Corp.
Fairchild Semiconductor Corporation
FAIRCHILD[Fairchild Semiconductor]
556-3705-304F 556-3609-304F 556-3505-304F 556-3605 High Intensity LED Panel Mount Indicators for 1?Mounting Hole
ONE INCH DOME RED LED PMI 12V SINGLE COLOR LED, RED
SINGLE COLOR LED, BLUE ROHS COMPLIANT PACKAGE-2
SINGLE COLOR LED, GREEN
Dialight Corporation
Dialight PLC
TLYH20T TLSH20T TLOH20T TLRMH20T InGaAlP LED Panel Circuit Indicator
TOSHIBA InGaAP LED
TOSHIBA InGaAГP LED
TOSHIBA InGaA?P LED
TOSHIBA[Toshiba Semiconductor]
HLMP-2500 HLCP-A100 HLCP-B100 HLCP-C100 HLCP-D100 HLMP-2300 · LED Light Bars
HLCP-H100 · LED Light Bars
HLCP-G100 · LED Light Bars
HLCP-A100 · LED Light Bars
HLCP-F100 · LED Light Bars
HLMP-2685-EF000 · LED Light Bars
HLCP-E100 · LED Light Bars
HLCP-D100 · LED Light Bars
HLCP-C100 · LED Light Bars
HLCP-B100 · LED Light Bars
HLMP-2950 · LED Light Bars
HLMP-2965 · LED Light Bars
HLMP-2635 · LED Light Bars
HLMP-2600 · LED Light Bars
HLMP-2620 · LED Light Bars
HLMP-2720 · LED Light Bars
HLMP-2820 · LED Light Bars
HLMP-2700 · LED Light Bars
HLMP-2735 · LED Light Bars
HLMP-2885-FG000 · LED Light Bars
HLMP-2855-FG000 · LED Light Bars
HLMP-2835 · LED Light Bars
HLMP-2720-EF000 · LED Light Bars
HLMP-2620-EF000 · LED Light Bars
HLCP-H100-BC000 · LED Light Bars
HLCP-E100-BC000 · LED Light Bars
HLCP-D100-BC000 · LED Light Bars
HLCP-C100-BC000 · LED Light Bars
HLCP-A100-BC000 · LED Light Bars
HLMP-2870-FG000 · LED Light Bars
HLCP-B100-BC000 · LED Light Bars
HLMP-2550-FG000 · LED Light Bars
HLMP-2820-FG000 · LED Light Bars
HLMP-2755-EF000 · LED Light Bars
HLMP-2655-EF000 · LED Light Bars
HLMP-2500-FG000 · LED Light Bars
HLMP-2700-EF000 · LED Light Bars
HLMP-2600-EF000 · LED Light Bars
HLMP-2400-EF000 · LED Light Bars
HLMP-2300-EF000 · LED Light Bars
HLMP-2450-EF000 · LED Light Bars
HLMP-2350-EF000 · LED Light Bars
350-MHz Low-Noise Voltage-Feedback Amplifier, Dual 8-MSOP-PowerPAD -40 to 85
100-MHz Low Noise Voltage-Feedback Amplifier 8-SOIC 0 to 70
LED Light Bars LED灯酒
http://
Agilent (Hewlett-Packard)
HP[Agilent(Hewlett-Packard)]
Fairchild Semiconductor, Corp.
551-0407-004 551-XX07-004 551-1207-004 3mm LED CBI Circuit Board Indicator Quad, .200High LED Centerline T-1 SINGLE COLOR LED ARRAY, YELLOW, 3 mm
Dialight Corporation
Dialight PLC
561-5301-100F 561-5201-070 561-5101-070 561-1301-0 LED Indicator; Color:Yellow; Luminous Intensity (MSCP):34; Viewing Angle:50 ; Forward Current:20mA; Forward Voltage:2.2V; LED Color:Yellow; Leaded Process Compatible:Yes; Wavelength:590nm T-1 3/4 SINGLE COLOR LED, YELLOW, 5 mm
T-1 3/4 SINGLE COLOR LED, GREEN, 5 mm
T-1 3/4 SINGLE COLOR LED, RED, 5 mm
T-1 3/4 DUAL COLOR LED, RED/GREEN, 5 mm
Dialight PLC
PB81-G24D-CG PB81W-B24D-CB PB81-A24D-CA PB81-O24D- SINGLE COLOR LED, GREEN, 12.6 mm
SINGLE COLOR LED, BLUE, 12.6 mm
SINGLE COLOR LED, AMBER, 12.6 mm
SINGLE COLOR LED, ORANGE, 12.6 mm
SINGLE COLOR LED, RED, 12.6 mm
SINGLE COLOR LED, COOL WHITE, 12.6 mm
SUSUMU Co., Ltd.
Ironwood Electronics
DDR-GJS-D2F1-1-I2 DDO-GJS-DE2-1-I2 DDG-GJS-EF2-1-I LED 发光二极
LED SINGLE COLOR LED, ORANGE
DOMINANT Opto Technologies Sdn Bhd.
DOMINANT Opto Technologies Sdn. Bhd.
 
 Related keyword From Full Text Search System
CDT3351-05 filetype:pdf CDT3351-05 display CDT3351-05 bus switch CDT3351-05 Lead forming CDT3351-05 baumer ivo gxmmw
CDT3351-05 Voltage CDT3351-05 appreciate CDT3351-05 Vcc CDT3351-05 watt CDT3351-05 capacitors
 

 

Price & Availability of CDT3351-05

All Rights Reserved © IC-ON-LINE 2003 - 2022  

[Add Bookmark] [Contact Us] [Link exchange] [Privacy policy]
Mirror Sites :  [www.datasheet.hk]   [www.maxim4u.com]  [www.ic-on-line.cn] [www.ic-on-line.com] [www.ic-on-line.net] [www.alldatasheet.com.cn] [www.gdcy.com]  [www.gdcy.net]


 . . . . .
  We use cookies to deliver the best possible web experience and assist with our advertising efforts. By continuing to use this site, you consent to the use of cookies. For more information on cookies, please take a look at our Privacy Policy. X
0.033428907394409