Part Number Hot Search : 
MQ2219 2040C 2SD23 6BABA NJM2737 46C23 64109 25032
Product Description
Full Text Search

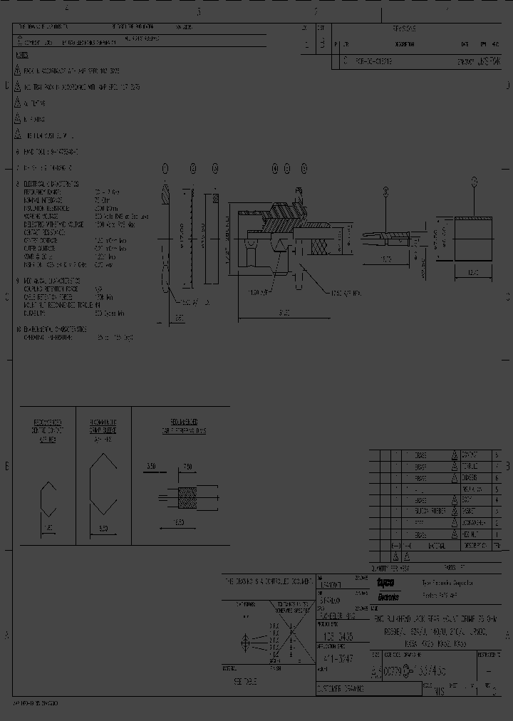
1-1337435-0 - BNC BULKHEAD JACK REAR MOUNT CRIMP 75 OHM RG59B/U, 62A/U, 140/U, 210/U, URM90, KX6A,KX25,KX52,KX53

1-1337435-0_8331300.PDF Datasheet


 Full text search : BNC BULKHEAD JACK REAR MOUNT CRIMP 75 OHM RG59B/U, 62A/U, 140/U, 210/U, URM90, KX6A,KX25,KX52,KX53
 Product Description search : BNC BULKHEAD JACK REAR MOUNT CRIMP 75 OHM RG59B/U, 62A/U, 140/U, 210/U, URM90, KX6A,KX25,KX52,KX53


 Related Part Number
PART Description Maker
73100-0002 75 OHM BNC STR. BULKHEAD JACK RG59B/U PANEL MOUNT, CABLE TERMINATED, FEMALE, BNC CONNECTOR, CRIMP/SOLDER, JACK
Molex, Inc.
0732162230 50 Ohms, TNC Jack, Reverse Polarization, Right-Angle Bulkhead, IP68 Rear Mount
Molex Electronics Ltd.
PE4338 SSMB Jack Bulkhead Connector Solder Attachment Turret Terminal, .126 inch D Hole, Rear Mount
Pasternack Enterprises, Inc.
SDKC-19-208 BNC BULKHEAD JACK
Winchester Electronics Corporation
SDKC-19-93 JACK, BULKHEAD, BNC
Winchester Electronics Corporation
RF1-08-D-14-50-G BNC BULKHEAD RECEPTACLE JACK
Adam Technologies, Inc.
SDKC-19-138 JACK, BULKHEAD, ISOLATED GROUND, BNC
Winchester Electronics Corporation
73115-7053 BNC 75 Ohm, Panel Isolated, Bulkhead Jack Receptacle, Solder Pot
Molex Electronics Ltd.
0731000002 75 Ohms, BNC Bulkhead Jack, Crimp/Crimp, RG-59 and RG-62 Cable
Molex Electronics Ltd.
TZM5221B TZM5222B TZM5223B TZM5224B TZM5225B TZM52 RF/Coaxial Connector; RF Coax Type:BNC; Contact Termination:Crimp; Body Style:Straight; RG Cable Type:179, 187 RoHS Compliant: Yes
Silicon Z-Diode(??????00mW,浣?????娴??榻?撼浜??绠?
Silicon Z-Diodes 硅的Z -二极
RF/Coaxial Connector; RF Coax Type:BNC; Contact Termination:Crimp; Body Style:Straight Bulkhead Jack; RG Cable Type:179, 187, Belden 9221 RoHS Compliant: Yes 硅的Z -二极
BNC JACK VERT. MOUNT PCB RECEP RoHS Compliant: Yes 硅的Z -二极
From old datasheet system
Silicon Z?Diodes
Vishay Intertechnology,Inc.
Vishay Intertechnology, Inc.
VISAY[Vishay Siliconix]
Vishay Telefunken
http://
0731740920 75 Ohms, DIN 1.0/2.3 Straight Jack, Edge Mount, Bulkhead
Molex Electronics Ltd.
PE4362-16 SMB Jack Bulkhead Mount Connector Clamp/Solder Attachment
Pasternack Enterprises,...
 
 Related keyword From Full Text Search System
1-1337435-0 international 1-1337435-0 configuration 1-1337435-0 rail 1-1337435-0 configuration 1-1337435-0 中文简介
1-1337435-0 Matsushita 1-1337435-0 Test 1-1337435-0 Single 1-1337435-0 philips 1-1337435-0 ascel
 

 

Price & Availability of 1-1337435-0

All Rights Reserved © IC-ON-LINE 2003 - 2022  

[Add Bookmark] [Contact Us] [Link exchange] [Privacy policy]
Mirror Sites :  [www.datasheet.hk]   [www.maxim4u.com]  [www.ic-on-line.cn] [www.ic-on-line.com] [www.ic-on-line.net] [www.alldatasheet.com.cn] [www.gdcy.com]  [www.gdcy.net]


 . . . . .
  We use cookies to deliver the best possible web experience and assist with our advertising efforts. By continuing to use this site, you consent to the use of cookies. For more information on cookies, please take a look at our Privacy Policy. X
0.23998498916626