Part Number Hot Search : 
ON0037 2N2242 AX593 GSQ10A04 SLLS423 LF727RW LP28011 300BZ
Product Description
Full Text Search

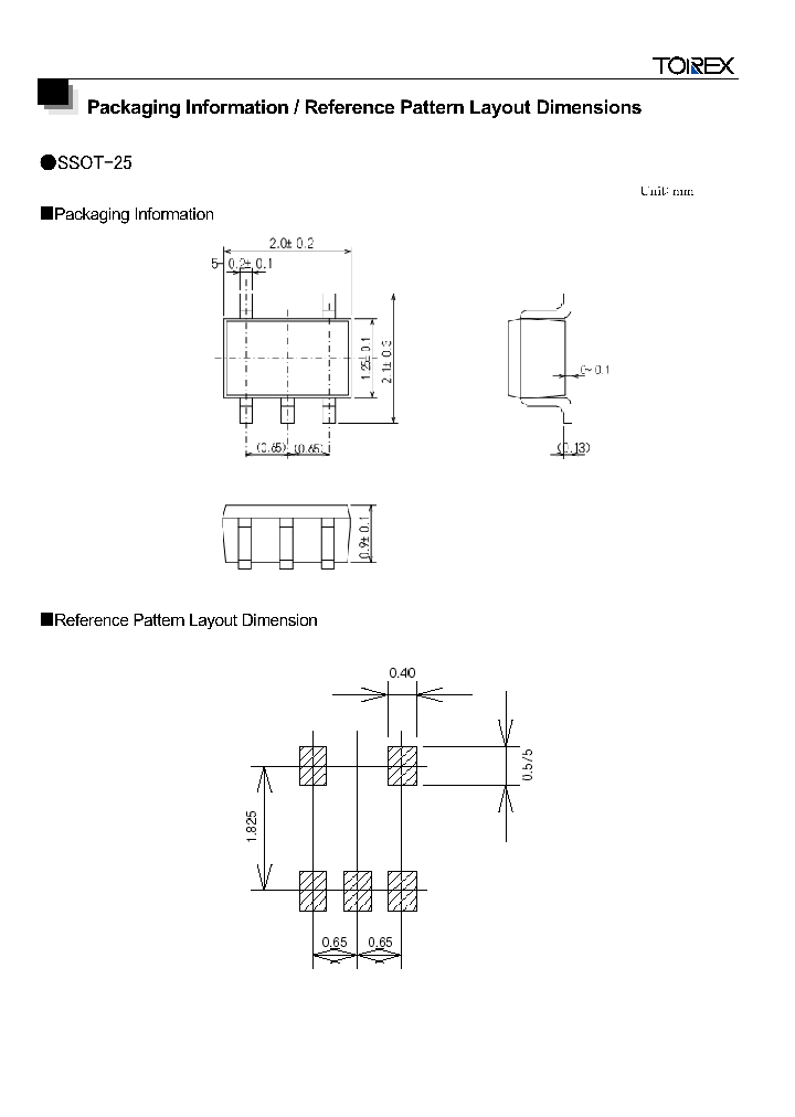
SSOT-25 - Packaging Information / Reference Pattern Layout Dimensions

SSOT-25_8314879.PDF Datasheet


 Full text search : Packaging Information / Reference Pattern Layout Dimensions
 Product Description search : Packaging Information / Reference Pattern Layout Dimensions


 Related Part Number
PART Description Maker
M14C04 Memory Micromodules General Information for D1/ D2 and C Packaging
STMicroelectronics
DFN2L Packaging Information / Reference Pattern Layout Dimensions
Torex Semiconductor
MCS-96 MCS-51 MCS-51 and MCS-96 Packaging Information
INTEL[Intel Corporation]
MCS-96 MCS-51 and MCS-96 Packaging Information
Intel Corporation
MCS-51 MCS-96 MCS-51 and MCS-96 Packaging Information MCS - 51单片机与MCS - 96封装信息
Intel Corp.
Intel, Corp.
MIC6270 MIC6270BM5 IttyBittyComparator Advance Information COMPARATOR, 9000 uV OFFSET-MAX, 600 ns RESPONSE TIME, PDSO5
FPGA 1000000 SYSTEM GATE 1.8 VOLT - NOT RECOMMENDED for NEW DESIGN
IttyBitty Comparator Advance Information
IttyBitty⑩ Comparator Advance Information
Micrel Semiconductor, Inc.
Micrel Semiconductor,Inc.
MICREL[Micrel Semiconductor]
AM29CPL151H-25/BXA AM29CPL151H-25/B3A AM29CPL151-1 500V Single N-Channel Hi-Rel MOSFET in a TO-204AA package; A JANTX2N6762 with Standard Packaging
500V Single N-Channel Hi-Rel MOSFET in a TO-204AA package; A IRF430 with Standard Packaging
200V Single N-Channel Hi-Rel MOSFET in a TO-254AA package; A IRFM250 with Standard Packaging
200V Single N-Channel Hi-Rel MOSFET in a TO-254AA package; A JANTXV2N7225 with Standard Packaging
1000V Single N-Channel Hi-Rel MOSFET in a TO-254AA package; A IRFMG50 with Standard Packaging
User Programmable Special Function ASIC
500V Single N-Channel Hi-Rel MOSFET in a TO-204AA package; A JANTXV2N6762 with Standard Packaging
-100V Single P-Channel Hi-Rel MOSFET in a TO-205AF package; A JANS2N6849 with Standard Packaging
200V Single N-Channel Hi-Rel MOSFET in a TO-205AF package; A JANTXV2N6798 with Standard Packaging
500V Single N-Channel Hi-Rel MOSFET in a SMD-1 package; A JANTX2N7228U with Standard Packaging
200V Single N-Channel Hi-Rel MOSFET in a TO-205AF package; A JANTX2N6798 with Standard Packaging
400V Single N-Channel Hi-Rel MOSFET in a TO-254AA package; A JANTX2N7221 with Standard Packaging
-100V Single P-Channel Hi-Rel MOSFET in a TO-257AA package; A IRFY9130CM with Standard Packaging
500V Single N-Channel Hi-Rel MOSFET in a SMD-1 package; A IRFN450 with Standard Packaging
-200V Single P-Channel Hi-Rel MOSFET in a TO-204AA package; A IRF9240 with Standard Packaging 用户可编程ASIC的特殊功
Vectron International, Inc.
SDIP    Packaging Information
Torex Semiconductor
AM29F200BB-45EC AM29F200BB-120FC AM29F200BB-70FC A 60V Single N-Channel HEXFET Power MOSFET in a TO-262 package; A IRFZ44VZL with Lead-Free Packaging
55V Single N-Channel HEXFET Power MOSFET in a I-Pak package; Similar to IRFU1010Z with Lead Free Packaging
100V Single N-Channel HEXFET Power MOSFET in a TO-220AB package; Similar to the IRL2910 in lead free packaging
55V Single N-Channel HEXFET Power MOSFET in a TO-220AB package; A IRL3705N with Standard Packaging
55V Single N-Channel HEXFET Power MOSFET in a TO-262 package; A IRF3205L with Standard Packaging
75V Single N-Channel HEXFET Power MOSFET in a D-Pak package; Similar to IRFR2307Z with Lead Free Packaging
30V Single N-Channel HEXFET Power MOSFET in a I-Pak package; A IRLU7807ZCPBF with Standard Packaging
100V Single N-Channel HEXFET Power MOSFET in a D2-Pak package; A IRF530NS with Standard Packaging
55V Single N-Channel HEXFET Power MOSFET in a I-Pak package; A IRFU1205 with Standard Packaging
100V Single N-Channel HEXFET Power MOSFET in a D2-Pak package; Similar to IRF530NS with Lead Free Packaging
150V Single N-Channel HEXFET Power MOSFET in a TO-220AB package; A IRFB61N15D with Standard Packaging
55V Single N-Channel HEXFET Power MOSFET in a D2-Pak package; A IRF2805S with Lead-Free packaging
150V Single N-Channel HEXFET Power MOSFET in a TO-262 package; A IRFSL33N15D with Standard Packaging
20V Single N-Channel HEXFET Power MOSFET in a I-Pak package; Similar to IRLU3717 with Lead Free Packaging
30V Single N-Channel HEXFET Power MOSFET in a SO-8 package; A IRF7463 with Standard Packaging
55V Single N-Channel HEXFET Power MOSFET in a I-Pak package; Similar to IRLU2705 with Lead Free Packaging
20V Single N-Channel HEXFET Power MOSFET in a SO-8 package; A IRF7457 with Standard Packaging
55V Single N-Channel HEXFET Power MOSFET in a 7-Lead TO-262 package; Similar to IRF1405ZL-7P with Lead Free packaging
100V Single N-Channel HEXFET Power MOSFET in a TO-262 package; A IRF540NL with Standard Packaging
30V Single N-Channel HEXFET Power MOSFET in a D-Pak package; A IRLR7811WCPBF with Standard Packaging
200V Single N-Channel HEXFET Power MOSFET in a D2-Pak package; A IRFS23N20D with Standard Packaging
30V Single N-Channel HEXFET Power MOSFET in a SO-8 package; A IRF7834 with Standard Packaging
55V Single N-Channel HEXFET Power MOSFET in a D-Pak package; Similar to IRFR4105Z with Lead Free Packaging
20V Single N-Channel HEXFET Power MOSFET in a I-Pak package; Similar to IRLU3714 with Lead Free Packaging
100V Single N-Channel HEXFET Power MOSFET in a D2Pak package; Similar to IRF8010S with Lead-Free packaging.
100V Single N-Channel Automotive HEXFET Power MOSFET in a D-Pak package; Similar to IRFR3710Z with Lead Free Packaging
55V Single N-Channel HEXFET Power MOSFET in a TO-220AB package; A IRF3205PBF with Standard Packaging
100V Single N-Channel HEXFET Power MOSFET in a TO-220AB package; A IRF3710Z with Standard Packaging
200V Single N-Channel HEXFET Power MOSFET in a TO-262 package; Similar to IRFSL17N20D with Lead Free Packaging
150V Single N-Channel HEXFET Power MOSFET in a TO-262 package; Similar to IRFSL23N15D with Lead Free Packaging
x8/x16 Flash EEPROM x8/x16闪存EEPROM
Advanced Micro Devices, Inc.
FD200R12KE3 Technische Information / technical information
eupec GmbH
FZ800R12KL4C Technische Information / Technical Information
Infineon Technologies AG
 
 Related keyword From Full Text Search System
SSOT-25 mitsubishi SSOT-25 Channel SSOT-25 mosfet SSOT-25 varactor SSOT-25 complimentary against
SSOT-25 参数 封装 SSOT-25 pitch SSOT-25 gain SSOT-25 资料 SSOT-25 battery mcu
 

 

Price & Availability of SSOT-25

All Rights Reserved © IC-ON-LINE 2003 - 2022  

[Add Bookmark] [Contact Us] [Link exchange] [Privacy policy]
Mirror Sites :  [www.datasheet.hk]   [www.maxim4u.com]  [www.ic-on-line.cn] [www.ic-on-line.com] [www.ic-on-line.net] [www.alldatasheet.com.cn] [www.gdcy.com]  [www.gdcy.net]


 . . . . .
  We use cookies to deliver the best possible web experience and assist with our advertising efforts. By continuing to use this site, you consent to the use of cookies. For more information on cookies, please take a look at our Privacy Policy. X
0.064959049224854