Part Number Hot Search : 
ST730ABN 1SS39407 SUR541EF 1K33A 2N3460 KSL0M411 BT137 C1027
Product Description
Full Text Search

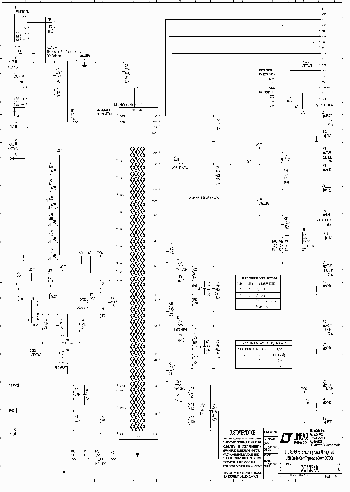
DC1334A - LTC3576EUFE: Switching Power Manager

DC1334A_8305642.PDF Datasheet


 Full text search : LTC3576EUFE: Switching Power Manager
 Product Description search : LTC3576EUFE: Switching Power Manager


 Related Part Number
PART Description Maker
HAT1038R HAT1038RJ HAT1038RD Power switching MOSFET
Silicon P Channel Power MOS FET High Speed Power Switching
HITACHI[Hitachi Semiconductor]
KA5M0380RYDTU KA5M0365RTU KA5L0365RYDTU KA5L0365RN Microprocessor Development Tool; Interface Type:Serial; Kit Contents:Development Board with MC68HC908GP32 CPU, MON08 Debug Port, 32K Flash, 512 Bytes RAM ; For Use With:MC68HC908GP32; Memory Organization - Flash:32 KB
Fairchild Power Switch(FPS) 12 A SWITCHING REGULATOR, 67 kHz SWITCHING FREQ-MAX, PSFM4
Fairchild Power Switch(FPS) 12 A SWITCHING REGULATOR, 50 kHz SWITCHING FREQ-MAX, PZFM4
Fairchild Power Switch(FPS) 3 A SWITCHING REGULATOR, 50 kHz SWITCHING FREQ-MAX, PDIP8
Fairchild Power Switch(FPS) 12 A SWITCHING REGULATOR, 50 kHz SWITCHING FREQ-MAX, PSFM4
Fairchild Power Switch(FPS) 飞兆半导体功率开关(FPS
Fairchild Semiconductor Corporation
Fairchild Semiconductor, Corp.
FA13842 FA13842N FA13842P FA13843N FA13843P FA1384 CMOS IC(For Switching Power Supply Control) 1 A SWITCHING CONTROLLER, 500 kHz SWITCHING FREQ-MAX, PDIP8
FUJI ELECTRIC CO LTD
http://
FUJI[Fuji Electric]
Fuji Electric Holdings Co., Ltd.
HAT2215R HAT2215R-EL-E HAT2215RJ HAT2215RJ-EL-E Transistors>Switching/MOSFETs
Silicon N Channel Power MOS FET High Speed Power Switching
Renesas Electronics Corporation
2SJ528 2SJ528L 2SJ528S Power switching MOSFET
Silicon P Channel MOS FET High Speed Power Switching
HITACHI[Hitachi Semiconductor]
2SJ553 2SJ553L 2SJ553S Power switching MOSFET
Silicon P Channel MOS FET High Speed Power Switching
HITACHI[Hitachi Semiconductor]
STRS6513 STR-S6513 STRBS6513 RADIATION HARDENED HIGH EFFICIENCY, 5 AMP SWITCHING REGULATORS
OFF-LINE SWITCHING REGULATOR WITH POWER MOSFET OUTPUT
OFF-LINE SWITCHING REGULATOR ? WITH POWER MOSFET OUTPUT
OFF-LINE SWITCHING REGULATOR WITH POWER MOSFET OUTPUT
OFF-LINE SWITCHING REGULATOR - WITH POWER MOSFET OUTPUT
Sanken Electric Co.,Ltd.
Allegro MicroSystems, Inc.
BD8960NV-E2 BD8960NV10 2 A SWITCHING REGULATOR, 1200 kHz SWITCHING FREQ-MAX, PDSO8 5 X 6 MM, ROHS COMPLIANT, SON-8
Low Noise High Efficiency Step-down Switching Regulator with Built-in Power MOSFET
Rohm
KA3S1265 KA3S1265R KA3S1265RD-TU KA3S1265RD-YDTU K Fairchild Power Switch(SPS)
RECOMMEND NEW DEVICE KA5Q1265RF
From old datasheet system
Fairchild Power Switch(FPS) 48 A SWITCHING REGULATOR, 150 kHz SWITCHING FREQ-MAX, PSFM5
Fairchild Power Switch(FPS) 48 A SWITCHING REGULATOR, 150 kHz SWITCHING FREQ-MAX, PZFM5
FAIRCHILD[Fairchild Semiconductor]
Fairchild Semiconductor Corporation
Fairchild Semiconductor, Corp.
FA3641 FA3647 FA3641N FA3641P FA3647N FA3647P PWM control IC with light load power saving function For Switching Power Supply Control 1 A SWITCHING CONTROLLER, 500 kHz SWITCHING FREQ-MAX, PDSO8
PWM control IC with light load power saving function For Switching Power Supply Control 1 A SWITCHING CONTROLLER, 500 kHz SWITCHING FREQ-MAX, PDIP8
FUJI ELECTRIC HOLDINGS CO., LTD.
TN8R04 RCC Power Supply Switching Regulators
Switching Regulator IC for RCC Method Power Supplies Applications
SANYO[Sanyo Semicon Device]
 
 Related keyword From Full Text Search System
DC1334A type DC1334A bit DC1334A search DC1334A filetype:pdf DC1334A external rom
DC1334A tdma modulator DC1334A DIFFERENTIAL CLOCK DC1334A saw filter DC1334A filetype:pdf DC1334A ram
 

 

Price & Availability of DC1334A

All Rights Reserved © IC-ON-LINE 2003 - 2022  

[Add Bookmark] [Contact Us] [Link exchange] [Privacy policy]
Mirror Sites :  [www.datasheet.hk]   [www.maxim4u.com]  [www.ic-on-line.cn] [www.ic-on-line.com] [www.ic-on-line.net] [www.alldatasheet.com.cn] [www.gdcy.com]  [www.gdcy.net]


 . . . . .
  We use cookies to deliver the best possible web experience and assist with our advertising efforts. By continuing to use this site, you consent to the use of cookies. For more information on cookies, please take a look at our Privacy Policy. X
0.070770978927612