Part Number Hot Search : 
EL516007 MC506 DTC143XE V80A600 DS2741N 164P2B11 DM0765RB PE3714
Product Description
Full Text Search

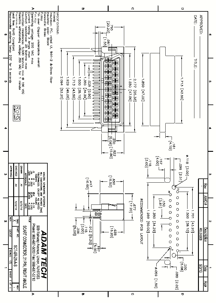
SCT-SR-21-A-S - SMART PLUG 21P

SCT-SR-21-A-S_8290541.PDF Datasheet


 Full text search : SMART PLUG 21P
 Product Description search : SMART PLUG 21P


 Related Part Number
PART Description Maker
SCT-PS-21-A SMART PLUG 21P
Adam Technologies, Inc.
BTS410E2 BTS410-E2 BTS410-E2CHIP PROFET Smart High Side Power Switch
Smart High Side Switches - 4,7-42V, 220m1,8A, Limit(scr) 5A
Smart Highside Power Switch (Overload protection Current limitation Short circuit protection Thermal shutdown)
From old datasheet system
Transient Voltage Suppressor Diodes .7 - 42V的。二百二十○米?1.8A。极限(可控硅)5A
CABLE ASSEMBLY; SMB PLUG TO SMB JACK BULKHEAD; 50 OHM, RG188-DS COAX, DOUBLE SHIELDED; 12 A BUF OR INV BASED PRPHL DRVR, PSFM5
Siemens Semiconductor G...
SIEMENS[Siemens Semiconductor Group]
Infineon Technologies AG
SIEMENS AG
5-640429-1 MTA, CST-100 II, MT-6 and SL Connectors and Headers; 21P MTA156 CONN ASSY 24AWG WHT ( AMP )
Tyco Electronics
ARGOS-A10X This guide applies to all smart cameras based on the Argos? smart camera platform from Bluetechnix GmbH.
List of Unclassifed Manufacturers
BTS712N1 BTS712-N1 Smart High Side Switches - 5,0-34V, 4x200m?Limit(scr) 4A DSO-20-9
Smart Four Channel Highside Power Switch
INFINEON[Infineon Technologies AG]
BTS612N1E3230 BTS612N1 BTS612-N1 BTS612N1E323 Smart Two Channel Highside Power Switch 智能双通道阻抗高侧电源开
Smart High Side Switches - 5,0-34V, 2x200Ω, Limit(scr) 4A TO220
INFINEON[Infineon Technologies AG]
BTS6133D Smart Power High Side Switches
Smart High Side Switches - 10mOhm - Vbb(on) = 5,5V-38V - P-TO252-5
Smart Highside Power Switch
INFINEON[Infineon Technologies AG]
TLE6240GP Smart Low Side Switches - Smart 16 Channel Lowside Switch
Smart 16-fold Low-Side Switch
Infineon Technologies AG
BTS441T BTS441TG BTS441TS Q67060-S6112-A4 Q67060-S High Speed CMOS Logic Dual 4-Input NOR Gates 14-SO -55 to 125
Smart High Side Switches - 4,75-41V, 20mΩ 21A TO220
Smart Highside Power Switch One Channel: 20mз
Smart Highside Power Switch One Channel: 20m?/a>
INFINEON[Infineon Technologies AG]
BZW30-13 BZW30-138 BZW30-16 BZW30-243 BZW30-32 BZW MB 12C 12#12 SKT PLUG 单向TRANDSFENY电压BUFFERSSORS二极管者保护UNIDIRECTIONKELLES
MB 21C 21#16 PIN PLUG 单向TRANDSFENY电压BUFFERSSORS二极管者保护UNIDIRECTIONKELLES
MB 41C 41#20 SKT PLUG 单向TRANDSFENY电压BUFFERSSORS二极管者保护UNIDIRECTIONKELLES
MB 39C 37#20 2#16 PIN PLUG 单向TRANDSFENY电压BUFFERSSORS二极管者保护UNIDIRECTIONKELLES
UNIDIRECTIONAL TRANDSFENY VOLTAGE BUFFERSSORS DIODES DE PROTECTION UNIDIRECTIONKELLES 单向TRANDSFENY电压BUFFERSSORS二极管者保护UNIDIRECTIONKELLES
MB 16C 16#16 PIN PLUG
MB 41C 27#20 14#16 PIN PLUG RoHS Compliant: No
MD 41C 27#20 14#16 PIN PLUG
MB 21C 21#16 SKT PLUG
MB 16C 16#16 SKT PLUG
STMicroelectronics N.V.
意法半导
STMICROELECTRONICS[STMicroelectronics]
BTS550P Q67060-S6952A3 BTS550-P Smart Highside High Current Power Switch
Smart High Side Switches - 3.6mOhm - Vbb(on) = 5V-34V - TO218 AB/5
Infineon Technologies A...
INFINEON[Infineon Technologies AG]
 
 Related keyword From Full Text Search System
SCT-SR-21-A-S heatsink SCT-SR-21-A-S Polarity SCT-SR-21-A-S Fixed SCT-SR-21-A-S Amplifiers SCT-SR-21-A-S switching
SCT-SR-21-A-S EEprom SCT-SR-21-A-S Semiconductor SCT-SR-21-A-S purpose SCT-SR-21-A-S international SCT-SR-21-A-S Planar
 

 

Price & Availability of SCT-SR-21-A-S

All Rights Reserved © IC-ON-LINE 2003 - 2022  

[Add Bookmark] [Contact Us] [Link exchange] [Privacy policy]
Mirror Sites :  [www.datasheet.hk]   [www.maxim4u.com]  [www.ic-on-line.cn] [www.ic-on-line.com] [www.ic-on-line.net] [www.alldatasheet.com.cn] [www.gdcy.com]  [www.gdcy.net]


 . . . . .
  We use cookies to deliver the best possible web experience and assist with our advertising efforts. By continuing to use this site, you consent to the use of cookies. For more information on cookies, please take a look at our Privacy Policy. X
0.29126000404358