Part Number Hot Search : 
1N2615 SFM5300 MV95308 LTR516AB PD03B CEM3258 LT069433 LF347D
Product Description
Full Text Search

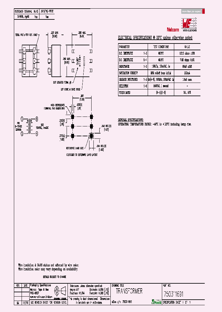
750311691 - TRANSFORMER

750311691_8187783.PDF Datasheet


 Full text search : TRANSFORMER
 Product Description search : TRANSFORMER


 Related Part Number
PART Description Maker
500L-058X181-502 500T-058X071-501 500T-058X071-502 5000:5 A, 1 % ACCURACY CLASS, CURRENT TRANSFORMER
500:5 A, 2 % ACCURACY CLASS, CURRENT TRANSFORMER
4000:5 A, 1 % ACCURACY CLASS, CURRENT TRANSFORMER
400:5 A, 3 % ACCURACY CLASS, CURRENT TRANSFORMER
750:5 A, 1 % ACCURACY CLASS, CURRENT TRANSFORMER
2500:5 A, 1 % ACCURACY CLASS, CURRENT TRANSFORMER
1000:5 A, 1 % ACCURACY CLASS, CURRENT TRANSFORMER
1200:5 A, 1 % ACCURACY CLASS, CURRENT TRANSFORMER
1500:5 A, 1 % ACCURACY CLASS, CURRENT TRANSFORMER
GE Industrial Systems
B0226-EL B0226-ELD B0226-ELB Flyback Transformer
Transformer, for ON NCP1030, SMT, RoHS SMPS TRANSFORMER
Coilcraft lnc.
Coilcraft, Inc.
1812WBT-5LB 1812WBT-5LC 3SD 1812WBT-5LD 1812WBT2-3 Wideband RF transformer, SMT, RoHS 48 MHz - 645 MHz RF TRANSFORMER
4 MHz - 105 MHz RF TRANSFORMER
0.8 MHz - 23 MHz RF TRANSFORMER
Coilcraft, Inc.
COILCRAFT INC
WB1010-1-SMLB WB3010-SMLB WB1010-1-PCL WB1015-PCL Wideband RF transformer, SMT, RoHS 0.04 MHz - 175 MHz RF TRANSFORMER
Wideband RF transformer, SMT, RoHS 0.005 MHz - 100 MHz RF TRANSFORMER
Wideband RF transformer, RoHS 0.04 MHz - 175 MHz RF TRANSFORMER
Wideband RF transformer, RoHS 0.1 MHz - 150 MHz RF TRANSFORMER
Coilcraft, Inc.
DA2034-AL DA2033-AL DA2032-AL DA2034-ALD DA2032-AL Flyback Transformers
Transformer, for LT3750, 10A, SMT, RoHS SMPS TRANSFORMER
Transformer, for LT3750, 3A, SMT, RoHS SMPS TRANSFORMER
Coilcraft lnc.
Coilcraft, Inc.
PL2417BBEB PL4201ABEB PL4208ABEB PL4208BBEB VISHAY POWER TRANSFORMER, 10 VA ROHS COMPLIANT
SPLIT BOBBIN POWER TRANSFORMER, 1.5 VA
POWER TRANSFORMER, 4.5 VA
Vishay Intertechnology, Inc.
VISHAY DALE
EPC3408G-LF PoE Synchronous Flyback Transformer
SMPS TRANSFORMER LEAD FREE
PCA ELECTRONICS INC.
Integrated Device Technology, Inc.
C1023-ALD PoE transformer, for NSC LM5070, 3.3V, SMT, RoHS 13 W, SMPS TRANSFORMER
Coilcraft, Inc.
PM61300-4-RC TRANSFORMER CCFL INVERT 13V SMD 13 V DC, 6 W, INVERTER TRANSFORMER
Bourns, Inc.
S560-6600-KU ADSL MAGNETICS
Isolation Transformer TELECOM TRANSFORMER
Bel Fuse Inc.
Bel Fuse, Inc.
 
 Related keyword From Full Text Search System
750311691 filetype:pdf 750311691 Bus 750311691 heatsink 750311691 lamp 750311691 Regulator
750311691 prezzo baumer 750311691 Ultra 750311691 0pam 750311691 vishay 750311691 module
 

 

Price & Availability of 750311691

All Rights Reserved © IC-ON-LINE 2003 - 2022  

[Add Bookmark] [Contact Us] [Link exchange] [Privacy policy]
Mirror Sites :  [www.datasheet.hk]   [www.maxim4u.com]  [www.ic-on-line.cn] [www.ic-on-line.com] [www.ic-on-line.net] [www.alldatasheet.com.cn] [www.gdcy.com]  [www.gdcy.net]


 . . . . .
  We use cookies to deliver the best possible web experience and assist with our advertising efforts. By continuing to use this site, you consent to the use of cookies. For more information on cookies, please take a look at our Privacy Policy. X
0.36020684242249