Part Number Hot Search : 
VC0106N7 B80C53 1738UBA LH28F800 2SK3936 HC55182 2045C LT1179
Product Description
Full Text Search

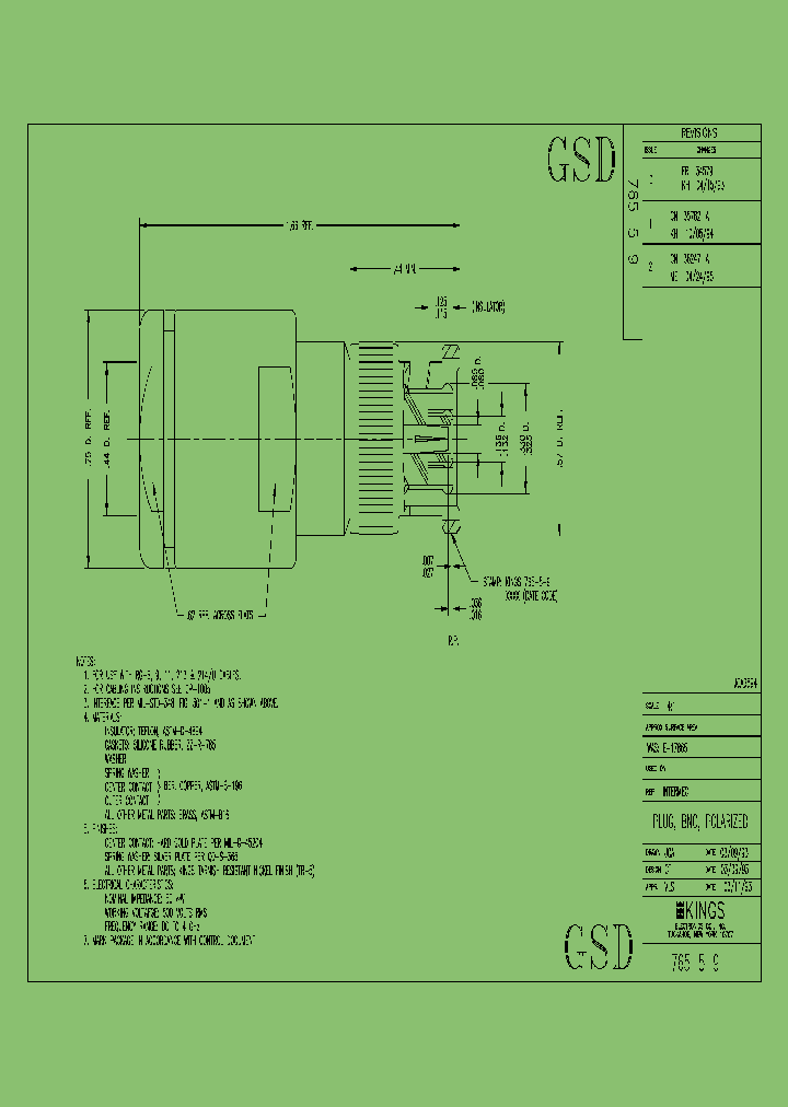
76559 - PLUG, BNC, POLARIZED

76559_8144157.PDF Datasheet


 Full text search : PLUG, BNC, POLARIZED
 Product Description search : PLUG, BNC, POLARIZED


 Related Part Number
PART Description Maker
13-10-1TSSFORUR70CABLE75OHM 13-10-1TSSFORRG58UCABL ADAPTER BNC KUPPLUNG/TNC STECKER
BNC PLUG-UHF JACK
Low-Power, Single-/Dual-Level Battery Monitors with Hysteresis and Integrated µP Reset
ADAPTER MINI UHF KUPPLUNG/BNC STECKER
BUCHSE BNC PCB GERADE RUND
BUCHSE FLANSCH BNC 50 OHM
GEHAEUSEKUPPLER BNC 50 OHM 4MM PANEL
ADAPTER N STECKER/F BUCHSE 75 OHM
BUCHSE BNC PCB ISOLIERT ELLBOGEN 50 OHM
BUCHSE BNC PCB GERADE SOCKEL
DURCHFUEHRUNGSKUPPLUNG BNC 50 OHM
ADAPTER BNC STECKER/N KUPPLUNG
ADAPTER BNC STECKER/TNC KUPPLUNG
BNC STECKER/CINCH KUPPLUNG
ADAPTER BNC STECKER/F KUPPLUNG
BUCHSE BNC PCB VOLLMETALL ELLBOGEN 50OHM
BUCHSE BNC PCB ISOLIERT GERADE 50 OHM
ADAPTER N BUCHSE/F STECKER 75 OHM
ADAPTER BNC WINK STECKER KUPPLUNG 50 OHM
ADAPTER BNC DOPPELWINKEL GERADE 50 OHM
KABELSTECKER BNC GERADE 75 OHM RG59
ADAPTER N STECKER/SMA BUCHSE 50 OHM
KABELKUPPLER BNC TWIST ON 75 OHM
PLUG BNC PANEL 50R
GEHAEUSEKUPPLER BNC 50 OHM 9MM PANEL
ADAPTER MINI UHF STECKER/TNC KUPPLUNG
BUCHSE EINBAU F 75 OHM FRONT
BUCHSE PCB F 75 OHM
PLUG BNC CRIMP 75R 2003 NICKEL
CROCODILE CLIPS RED
PLUG BNC ELBOW 75R
MINI-UHF JACK-TNC PLUG
KABELKUPPLER BNC TWIST ON 50 OHM
DURCHFUEHRUNGSKUPPLUNG BNC 75 OHM
ADAPTER MINI UHF STECKER/BNC KUPPLUNG
SMA PLUG -N PLUG
PLUG BNC 50R
JACK BNC CRIMP 75R
JACK BNC B/H 50R
PLUG BNC 75R
JACK BNC 50R
JACK BNC CRIMP 50R
STECKER F 75 OHM
STECKER BNC TWIST ON 75 OHM
STECKER BNC TWIST ON 50 OHM
CRIMPSTECKER BNC 50 OHM RG58
PLUG BNC CRIMP 75R 插头插头压接75R
PLUG BNC CRIMP 50R 插头插头压接50R
PLUG N 50 R 插销N 50个研
CRIMPSTECKER MINI UHF CRIMPSTECKER迷你超高
ADAPTER N STECKER/TNC BUCHSE 50 OHM 适配 STECKER /跨国公司比克0欧姆
PLUG BNC CRIMP 75R UR70 NICKEL 插头插头5R UR70
JACK BNC B/H CRIMP 50R 插座插头小时0R
BNC JACK-UHF PLUG BNC插座,超高频插头
KABELSTECKER BNC ELLBOGEN 50 OHM RG58 KABELSTECKER插头ELLBOGEN 50欧姆RG58
KABELSTECKER BNC GERADE 50 OHM RG58 KABELSTECKER插头收听50欧姆RG58
SOCKET BNC B/H 50R 插座插头小时50R
Low-Power, Single-/Dual-Level Battery Monitors with Hysteresis and Integrated µP Reset
Chipcon
Sharp Electronics, Corp.
Jameco Electronics
3M Company
Honeywell International, Inc.
TE Connectivity, Ltd.
Vishay Intertechnology, Inc.
APH-BNCP-HDBNCP HD BNC PLUG TO BNC PLUG 75 OHM ADAPTER
Amphenol Corporation
1-5413589-1 BNC; KIT PLUG 75 OHM BNC HEX CRIMP ( AMP )
Tyco Electronics
1274574-5 BNC; COMM BNC PLUG, LEAD FREE ( AMP )
Tyco Electronics
5-221265-1 BNC; PLUG,CATERGORY A,SERIES BNC ( AMP )
Tyco Electronics
115101-20-120 BNC STR CRIMP PLUG TO BNC STR CRIMP PLUG USING, COMMERCIAL GRADE RG 59 CO-AXIAL CABLE
Amphenol Corporation
PE9376 BNC Twinax Plug to BNC Twinax Plug Adapter
Pasternack Enterprises, Inc.
32S151-S00L5 ADAPTOR SMA PLUG ?BNC 50 W PLUG
Rosenberger Hochfrequen...
28A100-1 28P270-6 28P109-2 P149-1 CABLE TERMINATED, FEMALE-FEMALE, RF STRAIGHT ADAPTER, JACK
CABLE TERMINATED, MALE, BNC CONNECTOR, CRIMP, PLUG
CABLE TERMINATED, MALE, BNC CONNECTOR, PLUG
BERG ELECTRONICS
755-79-9 SD755-79-9 PLUG, BNC
Vitesse Semiconductor Corporation
Winchester Electronics Corporation
755-114-9 SD755-114-9 PLUG, BNC
Winchester Electronics Corporation
 
 Related keyword From Full Text Search System
76559 Hex 76559 vsen gate 76559 isa bus 76559 suply voltase IC 76559 描述
76559 Data sheet 76559 Range 76559 power 76559 filetype:pdf 76559 alldatasheet
 

 

Price & Availability of 76559

All Rights Reserved © IC-ON-LINE 2003 - 2022  

[Add Bookmark] [Contact Us] [Link exchange] [Privacy policy]
Mirror Sites :  [www.datasheet.hk]   [www.maxim4u.com]  [www.ic-on-line.cn] [www.ic-on-line.com] [www.ic-on-line.net] [www.alldatasheet.com.cn] [www.gdcy.com]  [www.gdcy.net]


 . . . . .
  We use cookies to deliver the best possible web experience and assist with our advertising efforts. By continuing to use this site, you consent to the use of cookies. For more information on cookies, please take a look at our Privacy Policy. X
0.047574043273926