Part Number Hot Search : 
BSTN6125 SY10H352 UPB412D RFPP2590 SC2334 TLP712B MSD700 TIP866
Product Description
Full Text Search

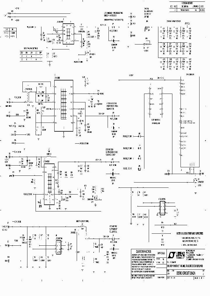
DC2042A - ENERGY HARVESTING MULTI-SOURCE DEMOBOARD

DC2042A_8137695.PDF Datasheet


 Full text search : ENERGY HARVESTING MULTI-SOURCE DEMOBOARD
 Product Description search : ENERGY HARVESTING MULTI-SOURCE DEMOBOARD


 Related Part Number
PART Description Maker
EFM32 Linear Technology Multi-Source Energy Harvester
Wurth Elektronik GmbH & Co. KG, Germany.
CBC5300 EnerChip EH Energy Harvesting Module
Cymbet
LTC3588IDD-1PBF LTC3588IDD-1TRPBF LTC3588-1 LTC358 Piezoelectric Energy Harvesting Power Supply
Linear Technology
74488540250 WE-EHPI Energy Harvesting Coupled Inductor
Wurth Elektronik GmbH & Co. KG, Germany.
M24LR16E-R 16-bit EEPROM with password protection, dual interface & energy harvesting: 400 kHz I2C bus & ISO 15693 RF protocol at 13.56 MHz
STMicroelectronics
M80 M80-6-12 M80-6-18 M80-9-10 M80-9-18 M80-7-45 M M80 Series: Multi-E Choke
High Energy Storage Chokes for Inverter Applications
PREMO CORPORATION S.L
AS8267 AS8267BLQS AS8267BLQW AS8268 AS8268BLQS AS8 Single-Phase 2-Current Energy Measurement Integrated Circuits with Microcontroller, RTC, Programmable Multi-Purpose I/Os
austriamicrosystems AG
EM4-DINAV93DXR EM4-DINAV13ADR EM4-DINAV13AOR EM4-D Energy Management Energy Meter with plug-in Output Modules
http://
List of Unclassifed Manufacturers
ETC[ETC]
List of Unclassifed Man...
EM11DINAV71XB1 EM11DINAV81XB1 EM11DINAV81X01 EM11D Energy Management Energy Analyzer 能源管理能源分析
Electronic Theatre Controls, Inc.
EM10DINAV71X01 EM10DINAV81X Energy Management Energy Meter 能源管理电能
Electronic Theatre Controls, Inc.
EM11DINAV81XR1 EM11DIN EM11DINAV71X EM11DINAV71X01 Energy Management Energy Analyzer
List of Unclassifed Manufacturers
ETC[ETC]
G618L G61XL G611L G619L Tantalum Molded Capacitor; Capacitance: 470uF; Voltage: 2.5V; Case Size: 6x3.2 mm; Packaging: Tape & Reel
MULTI-ELEMENT LED LIGHT SOURCE
T-1, (3-mm) Round, PCB Mount Right Angle Array, G61XL Series
Electronic Theatre Controls, Inc.
Instrument Design Engineering Associates
ETC[ETC]
List of Unclassifed Manufacturers
 
 Related keyword From Full Text Search System
DC2042A Search DC2042A fairchild DC2042A 描述 DC2042A 替换 DC2042A number
DC2042A Amplifiers DC2042A corporation DC2042A Microelectronic DC2042A MARKING DC2042A Octal
 

 

Price & Availability of DC2042A

All Rights Reserved © IC-ON-LINE 2003 - 2022  

[Add Bookmark] [Contact Us] [Link exchange] [Privacy policy]
Mirror Sites :  [www.datasheet.hk]   [www.maxim4u.com]  [www.ic-on-line.cn] [www.ic-on-line.com] [www.ic-on-line.net] [www.alldatasheet.com.cn] [www.gdcy.com]  [www.gdcy.net]


 . . . . .
  We use cookies to deliver the best possible web experience and assist with our advertising efforts. By continuing to use this site, you consent to the use of cookies. For more information on cookies, please take a look at our Privacy Policy. X
0.034329175949097