Part Number Hot Search : 
2042AF SB1660PT SUR535H APEXX08 FB18J5M1 1020100 B2567 Y7C13
Product Description
Full Text Search

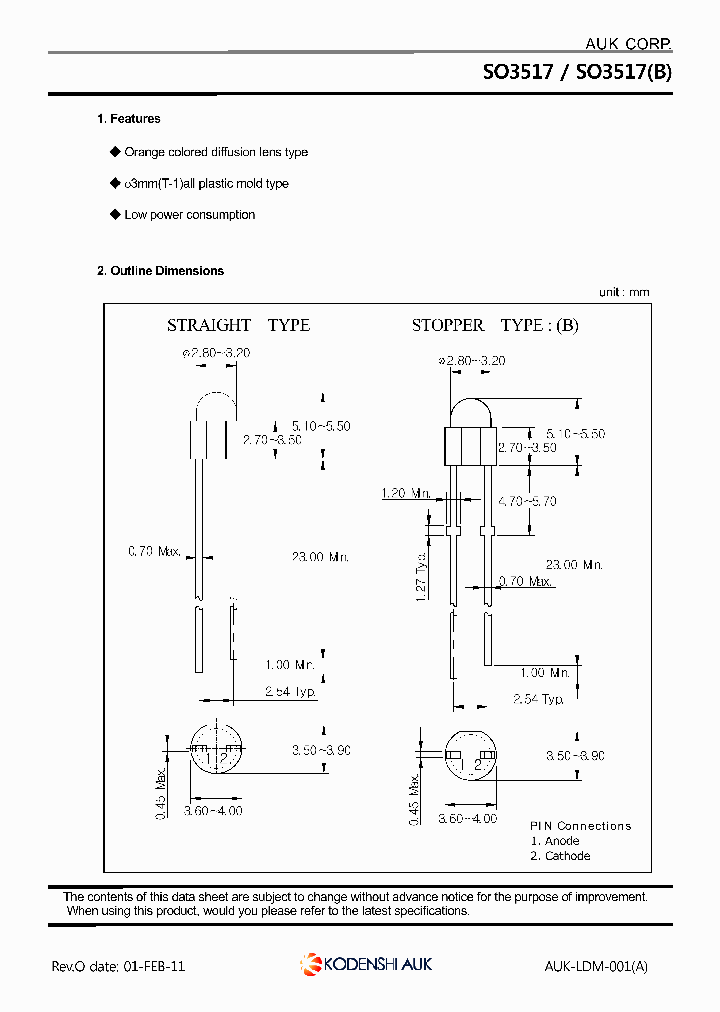
SO3517 - Orange colored diffusion lens

SO3517_8103734.PDF Datasheet


 Full text search : Orange colored diffusion lens
 Product Description search : Orange colored diffusion lens


 Related Part Number
PART Description Maker
GL3UR8 GL3TR8 From old datasheet system
┆3mmT-1, Cylinder Type, Colored Diffusion, High-luminosity LED Lamps for Indicator
?3mmT-1, Cylinder Type, Colored Diffusion, High-luminosity LED Lamps for Indicator
Sharp Corporation
SHARP[Sharp Electrionic Components]
GL5UR8 GL5HJ8 GL5HV8 GL5TR8 ┆5mm(T-1 3/4), Cylinder Type, Colored Diffusion, High-luminosity LED Lamps for Outdoor Use
?mm(T-1 3/4), Cylinder Type, Colored Diffusion, High-luminosity LED Lamps for Outdoor Use
Sharp Corporation
SHARP[Sharp Electrionic Components]
AP134-501 LED Lamp; Color:Orange; Luminous Intensity (MSCP):25; Viewing Angle:60; Forward Current:30mA; Forward Voltage:2V; LED Color:Orange; Leaded Process Compatible:Yes; Lens Style:(L x W x D) 3 x 2.8 x 1.65 mm; Lens Width:3" 三频HBT功率放大器模
Tri-Band HBT Power Amplifier Module
Alpha Industries, Inc.
Alpha Industries Inc
GL2PR6 GL2EG6 GL2HD6 GL2HS6 GL2HY6 ┆2mm, Convex Type, Colored Diffusion LED Lamps for Indicator
Electronic Theatre Controls, Inc.
SHARP[Sharp Electrionic Components]
ETC[ETC]
Sharp Corporation
GL8HD23 2.0X4.5mm, Rectangle Type, Colored Diffusion LED Lamps for Indicator
SHARP[Sharp Electrionic Components]
GL8PR2 2.5X5.0mm, Arch Type, Colored Diffusion LED Lams for Indicator
Sharp Corporation
SHARP[Sharp Electrionic Components]
GL8UR21 2.0 X 5.0mm, Rectangle Type, Colored Diffusion, High-luminosity LED Lamps for Indicator
SHARP[Sharp Electrionic Components]
GLHY112 GLPR112 GL1PR112 GLEG112 GLHD112 GLHS112 ?2mm, Forming Type, Colored Diffusion, Compact LED Lamp for Backlight/Indicator
┆2mm, Forming Type, Colored Diffusion, Compact LED Lamp for Backlight/Indicator
SHARP[Sharp Electrionic Components]
LT9526D LT9526E LT9526H ┆20mm, Dome Type, Colored Diffusion, High-luminosity, Large LED Lamps for Indoor Use
SHARP[Sharp Electrionic Components]
SI5413-H Blue Colored transparency lens type
KODENSHI KOREA CORP.
L132XY L132XG L132XI L132XID L132XN L132XPG L132XY T-1 (3mm) solid state lamp. High efficiency red. Lens type red transparent
T-1 (3mm) solid state lamp. Pure orange. Lens type orange transparent.
T-1 (3mm) solid state lamp. Pure green. Lens type green diffused.
T-1 3MM SOLID STATE LAMPS
T-1 (3mm) solid state lamp. Yellow. Lens type yellow diffused.
T-1 (3mm) solid state lamp. Pure green. Lens type water clear.
T-1 (3mm) solid state lamp. Pure orange. Lens type orange diffused.
Kingbright Corporation.
ETC
KINGBRIGHT[Kingbright Corporation]
Kingbright Electronic
LO561MSO3-75P Orange 75 Oval LED lamp with tinted transparent lens and stand offs. 75椭圆LED与有色透明晶状体和立场取舍灯
Marktech Optoelectronics
MARKTECH[Marktech Corporate]
 
 Related keyword From Full Text Search System
SO3517 header SO3517 appreciate SO3517 fairchild SO3517 Vcc SO3517 products
SO3517 Type SO3517 instruments SO3517 System SO3517 switching SO3517 server
 

 

Price & Availability of SO3517

All Rights Reserved © IC-ON-LINE 2003 - 2022  

[Add Bookmark] [Contact Us] [Link exchange] [Privacy policy]
Mirror Sites :  [www.datasheet.hk]   [www.maxim4u.com]  [www.ic-on-line.cn] [www.ic-on-line.com] [www.ic-on-line.net] [www.alldatasheet.com.cn] [www.gdcy.com]  [www.gdcy.net]


 . . . . .
  We use cookies to deliver the best possible web experience and assist with our advertising efforts. By continuing to use this site, you consent to the use of cookies. For more information on cookies, please take a look at our Privacy Policy. X
0.081246137619019