Part Number Hot Search : 
TGP2105 ON2567 1EF1F11 D7507C SDT05SF 1N3742 TK11052 INTEGRA
Product Description
Full Text Search

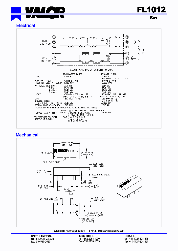
FL1012 - ELECTRICAL SPECIFICATIONS

FL1012_8079667.PDF Datasheet


 Full text search : ELECTRICAL SPECIFICATIONS
 Product Description search : ELECTRICAL SPECIFICATIONS


 Related Part Number
PART Description Maker
SM06502350 SM06502390 Electrical Specifications: Mechanical Specifications: 电气规格:机械规格:
Ametherm, Inc.
SM08502390 Electrical Specifications: Mechanical Specifications:
AMETHERM Circuit Protection Thermistors
SM08502350 Electrical Specifications: Mechanical Specifications:
AMETHERM Circuit Protection Thermistors
SM06103370 Electrical Specifications: Mechanical Specifications:
AMETHERM Circuit Protection Thermistors
SM06104410 Electrical Specifications: Mechanical Specifications:
AMETHERM Circuit Protection Thermistors
SM06104450 Electrical Specifications: Mechanical Specifications:
AMETHERM Circuit Protection Thermistors
SM06472350 Electrical Specifications: Mechanical Specifications:
AMETHERM Circuit Protection Thermistors
SM06503395 Electrical Specifications: Mechanical Specifications:
AMETHERM Circuit Protection Thermistors
SM06683370 Electrical Specifications: Mechanical Specifications:
AMETHERM Circuit Protection Thermistors
PD-L1420P-B ELECTRICAL SPECIFICATIONS
PowerDynamics, Inc
PD-L1430P-B ELECTRICAL SPECIFICATIONS
PowerDynamics, Inc
 
 Related keyword From Full Text Search System
FL1012 Filter FL1012 Microelectronic FL1012 m85049 FL1012 gaas FL1012 for sale
FL1012 Switch FL1012 filtran xfmr FL1012 Gate FL1012 LPE model FL1012 Gate
 

 

Price & Availability of FL1012

All Rights Reserved © IC-ON-LINE 2003 - 2022  

[Add Bookmark] [Contact Us] [Link exchange] [Privacy policy]
Mirror Sites :  [www.datasheet.hk]   [www.maxim4u.com]  [www.ic-on-line.cn] [www.ic-on-line.com] [www.ic-on-line.net] [www.alldatasheet.com.cn] [www.gdcy.com]  [www.gdcy.net]


 . . . . .
  We use cookies to deliver the best possible web experience and assist with our advertising efforts. By continuing to use this site, you consent to the use of cookies. For more information on cookies, please take a look at our Privacy Policy. X
0.07188892364502