Part Number Hot Search : 
2SA103 BYD72F MC33072 MMBT5210 EDE707 1A1200 M5R14TLJ 71001
Product Description
Full Text Search

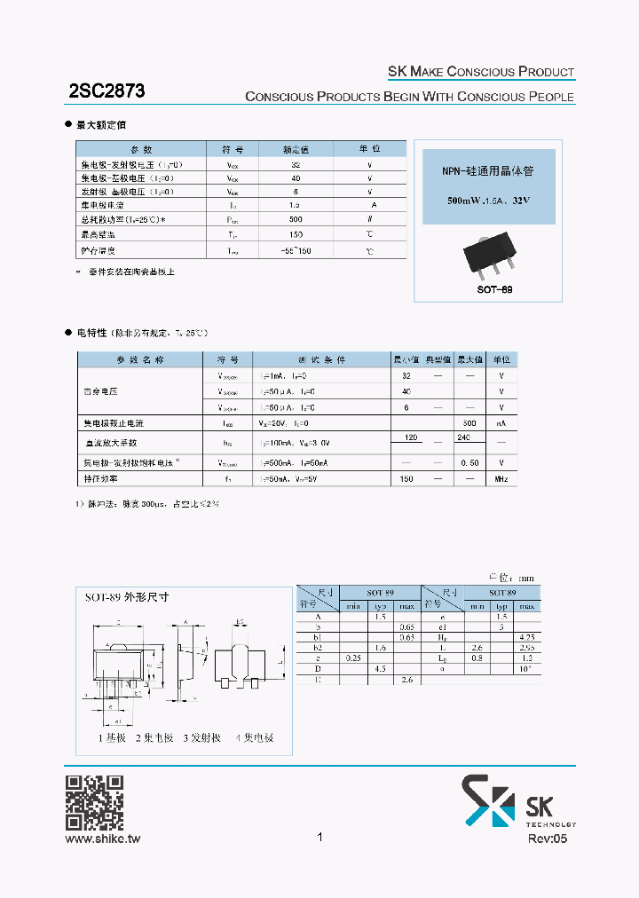
2SC2873 - SOT-89

2SC2873_8082711.PDF Datasheet

 
Part No. 2SC2873
Description SOT-89

File Size 736.51K  /  1 Page  

Maker

SK Electronics



JITONG TECHNOLOGY
(CHINA HK & SZ)
Datasheet.hk's Sponsor

Part: 2SC2873
Maker: TOSHIBA
Pack: SOT-89
Stock: Reserved
Unit price for :
    50: $0.02
  100: $0.02
1000: $0.01

Email: oulindz@gmail.com

Contact us

Homepage
Download [ ]
[ 2SC2873 Datasheet PDF Downlaod from Datasheet.HK ]
[2SC2873 Datasheet PDF Downlaod from Maxim4U.com ] :-)


[ View it Online ]   [ Search more for 2SC2873 ]

[ Price & Availability of 2SC2873 by FindChips.com ]

 Full text search : SOT-89
 Product Description search : SOT-89


 Related Part Number
PART Description Maker
BZX84C2V4ET1D BZX84CXXXET1 BZX84CXXXET1G BZX84CXXX Zener Voltage Regulators 225 mW SOT−23 Surface Mount
225 W e-Rated Zener 36 V SOT-23; Package: SOT-23 (TO-236) 3 LEAD; No of Pins: 3; Container: Tape and Reel; Qty per Container: 10000
ON Semiconductor
LSS260 LSS260-DO LGS260 LGS260-DO Q62703-Q1657 LYS From old datasheet system
SOT-23 LED/ Diffused
Hyper 5 mm T1 LED, Non Diffused Hyper-Bright LED
SOT-23 LED, Diffused SINGLE COLOR LED, GREEN, 2.9 mm
SOT-23 LED, Diffused SOT - 23封装的LED,漫
SIEMENS[Siemens Semiconductor Group]
SIEMENS AG
2SC4066 TRANSISTOR | 50V V(BR)CEO | 100MA I(C) | SOT-23 晶体管| 50V五(巴西)总裁| 100mA的一(c)| SOT - 23封装
General Cable Technologies, Corp.
AD5060ARJZ-1REEL7 AD5060ARJZ-2REEL7 AD5060YRJZ-1RE Full Accurate 3 V/5 V 16-Bit VOUT nanoDAC® Converter, Output Buffered, in a Sot 23; Package: SOT-23; No of Pins: 8; Temperature Range: Industrial SERIAL INPUT LOADING, 4 us SETTLING TIME, 16-BIT DAC, PDSO8
Fully Accurate 14-/16-Bit VOUT nanoDAC SPI Interface 2.7 V to 5.5 V, in an SOT-23
Fully Accurate 14-/16-Bit VOUT nanoDAC?SPI Interface 2.7 V to 5.5 V, in an SOT-23
Analog Devices, Inc.
ANALOG DEVICES INC
BCX70H BCX70HT_R BCX70JT/R BCX70HT/R TRANSISTOR | BJT | NPN | 45V V(BR)CEO | 200MA I(C) | SOT-23 晶体管|晶体管|叩| 45V的五(巴西)总裁| 200mA的一(c)| SOT - 23封装
TRANSISTOR|BJT|NPN|45VV(BR)CEO|200MAI(C)|SOT-23
POSEICO SPA
EPCOS AG
2SA1326 2SC3341 TRANSISTOR | BJT | PNP | 50V V(BR)CEO | 500MA I(C) | SOT-23
TRANSISTOR | BJT | NPN | 30V V(BR)CEO | 500MA I(C) | SOT-23 晶体管|晶体管|叩| 30V的五(巴西)总裁| 500mA的一(c)| SOT - 23封装
Samsung Semiconductor Co., Ltd.
FPQ331 FPQ76 PMQPW250 PMQ440 Analog IC
High Voltage, High-Side Current Sense Amplifier in SOT-23; Package: SOT; No of Pins: 5; Temperature Range: 0°C to 70°C 高压大电流SOT-23封装检测放大器,封装类型:SOT;引脚数量:5;工作温度:0℃_70
High Voltage, High-Side Current Sense Amplifier in SOT-23; Package: SOT; No of Pins: 5; Temperature Range: -40°C to 85°C 模拟IC
Murata Manufacturing Co., Ltd.
TE Connectivity, Ltd.
STQ1NK60ZR-AP STQ1NK60ZR STD1LNK60Z-1 STN1NK60Z N-CHANNEL 600V 13 OHM 0.8A TO-92/IPAK/SOT-223 Zener-Protected SuperMESH MOSFET N沟道600V3欧姆0.8A TO-92/IPAK/SOT-223齐纳MOSFET的保护SuperMESH
STMicroelectronics N.V.
STMICROELECTRONICS[STMicroelectronics]
2SD2028 2SD2028-7 2SD2028-6 TRANSISTOR | BJT | NPN | 8V V(BR)CEO | 700MA I(C) | SOT-23 晶体管|晶体管|叩| 8V的五(巴西)总裁| 700mA的一(c)| SOT - 23封装
Low-Frequency Power Amp Applications
Sanyo Electric Co., Ltd.
Vishay Beyschlag
SANYO[Sanyo Semicon Device]
LTC1754ES6-3.3 LTC1754-3.3 LTC1754ES6-5 LTC1754-5 Micropower, Regulated 3.3V/5V Charge Pump with Shutdown in SOT-23; Package: SOT; No of Pins: 6; Temperature Range: -40°C to 125°C SWITCHED CAPACITOR REGULATOR, 700 kHz SWITCHING FREQ-MAX, PDSO6
Micropower/ Regulated 3.3V/5V Charge Pump with Shutdown in SOT-23
Linear Technology, Corp.
Linear Technology Corporation
LINER[Linear Technology]
DS1339U-33 DS1339U-33_ DS1339 DS1339C-2 DS1339C-2_    I2C Serial Real-Time Clock
TRANS NPN BIPOL DUAL 160V SOT363
TRANS NPN DARL 40V SMD SOT-23
TRANSISTOR, NPN, SWITCHING , GENERAL PURPOSE, 3-PIN SOT-23
TRANS NPN 160V 350MW SMD SOT-23
MAXIM - Dallas Semiconductor
DALLAS[Dallas Semiconductor]
Dallas Semiconducotr
http://
 
 Related keyword From Full Text Search System
2SC2873 byte 2SC2873 linear 2SC2873 preis 2SC2873 Package 2SC2873 components
2SC2873 Processors 2SC2873 ic资料网 2SC2873 Source 2SC2873 Package 2SC2873 Transistor
 

 

Price & Availability of 2SC2873

All Rights Reserved © IC-ON-LINE 2003 - 2022  

[Add Bookmark] [Contact Us] [Link exchange] [Privacy policy]
Mirror Sites :  [www.datasheet.hk]   [www.maxim4u.com]  [www.ic-on-line.cn] [www.ic-on-line.com] [www.ic-on-line.net] [www.alldatasheet.com.cn] [www.gdcy.com]  [www.gdcy.net]


 . . . . .
  We use cookies to deliver the best possible web experience and assist with our advertising efforts. By continuing to use this site, you consent to the use of cookies. For more information on cookies, please take a look at our Privacy Policy. X
0.039798021316528