Part Number Hot Search : 
CD1031CS MC3370P 2N6509G NJU9207B ON2982 56F8025 FW150F9 P12N20
Product Description
Full Text Search

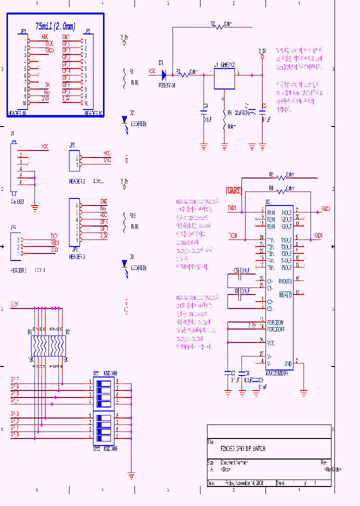
FZ800ED-GPIO-DIP-SWITCH - GPIO-DIP-SWITCH

FZ800ED-GPIO-DIP-SWITCH_7963404.PDF Datasheet


 Full text search : GPIO-DIP-SWITCH
 Product Description search : GPIO-DIP-SWITCH


 Related Part Number
PART Description Maker
5338048-6 DIP, Rotary DIP, SIP Switches and DIP Shunts - Standard; 6P. DIP SWITCH WITH ACTION PIN POSTS ( Tyco Electronics )
Tyco Electronics
BGSF110GN26 Antenna Switch Module with integrated GPIO interface
Infineon Technologies A...
FSBH0F70A10 FSBH0170A FSBH0170NY FSBH0370NY FAIRCH 2A/700V 100kHz Power Switch
1A/700V 100kHz Power Switch; Package: 8-DIP; Container: Rail
3A/700V 100kHz Power Switch; Package: 8-DIP; Container: Rail 1.3 A SWITCHING CONTROLLER, 106 kHz SWITCHING FREQ-MAX, PDIP8
Green Mode Fairchild Power Switch
FAIRCHILD SEMICONDUCTOR CORP
Fairchild Semiconductor, Corp.
78RB08T 78B03ST 78B03T 78B12T 78RB03T SPST to 4PST Slide DIP Switches SLIDE DIP SWITCH-8SWITCHES, SPST, LATCHED,0.15A, 30VDC, THROUGH HOLE-STRAIGHT
SPST to 4PST Slide DIP Switches SLIDE DIP SWITCH-3SWITCHES, SPST, LATCHED,0.15A, 30VDC, THROUGH HOLE-STRAIGHT
SPST to 4PST Slide DIP Switches SLIDE DIP SWITCH-12SWITCHES, SPST, LATCHED,0.15A, 30VDC, THROUGH HOLE-STRAIGHT
Grayhill, Inc.
5-1825059-8 DIP, Rotary DIP, SIP Switches and DIP Shunts - Standard; ADF12SATTR04=DIP,FLUSH,SMT-JL ( Tyco Electronics )
Tyco Electronics
1-1825059-1 DIP, Rotary DIP, SIP Switches and DIP Shunts - Standard; ADF03ST04=DIP SWT,FLUSH,SMT-GW ( Tyco Electronics )
Tyco Electronics
5-5435640-8 DIP, Rotary DIP, SIP Switches and DIP Shunts - Standard; DIP SW 8 POS ( Alcoswitch )
Tyco Electronics
TDP08H0SBD1R TDP08H0SB1 TDP08H0SB1R TDP08H0SBD1 PIANO DIP SWITCH-8SWITCHES, SPST, MOMENTARY,0.025A, 24VDC, SURFACE MOUNT-STRAIGHT
Ultra-miniature Surface Mount Half-pitch Side-Actuated DIP Switches
C & K COMPONENTS INC
ITT CANNON
ITT Industries
206-5RAST SWITCH RT ANGLE SEALED 5 SEC SLIDE DIP SWITCH-5SWITCHES, SPST, LATCHED,THROUGH HOLE-RIGHT ANGLE
CTS, Corp.
KA5M0165 KA5L0165R KA5L0165RN KA5L0165RTU KA5L0165    Fairchild Power Switch(FPS)
1A/650V 50KHz Power Switch
1A/650V 70KHz Power Switch
1A/650V 100KHz Power Switch
IC,SMPS CONTROLLER,CURRENT-MODE,BIPOLAR/MOS,DIP,8PIN,PLASTIC
Fairchild Power Switch(FPS) 4 A SWITCHING REGULATOR, 67 kHz SWITCHING FREQ-MAX, PDIP8
Fairchild Power Switch(FPS) 4 A SWITCHING REGULATOR, PSFM4
FAIRCHILD[Fairchild Semiconductor]
Fairchild Semiconductor Corporation
Fairchild Semiconductor, Corp.
 
 Related keyword From Full Text Search System
FZ800ED-GPIO-DIP-SWITCH filter FZ800ED-GPIO-DIP-SWITCH Precision FZ800ED-GPIO-DIP-SWITCH stock FZ800ED-GPIO-DIP-SWITCH electric FZ800ED-GPIO-DIP-SWITCH Terminal
FZ800ED-GPIO-DIP-SWITCH Signal FZ800ED-GPIO-DIP-SWITCH ic equivalent FZ800ED-GPIO-DIP-SWITCH Mixed FZ800ED-GPIO-DIP-SWITCH Supply FZ800ED-GPIO-DIP-SWITCH header
 

 

Price & Availability of FZ800ED-GPIO-DIP-SWITCH

All Rights Reserved © IC-ON-LINE 2003 - 2022  

[Add Bookmark] [Contact Us] [Link exchange] [Privacy policy]
Mirror Sites :  [www.datasheet.hk]   [www.maxim4u.com]  [www.ic-on-line.cn] [www.ic-on-line.com] [www.ic-on-line.net] [www.alldatasheet.com.cn] [www.gdcy.com]  [www.gdcy.net]


 . . . . .
  We use cookies to deliver the best possible web experience and assist with our advertising efforts. By continuing to use this site, you consent to the use of cookies. For more information on cookies, please take a look at our Privacy Policy. X
0.034642934799194