Part Number Hot Search : 
ENA1151 C6089 2SK2611 B66347 AP300 PCS3042P SB8100D APW7045N
Product Description
Full Text Search

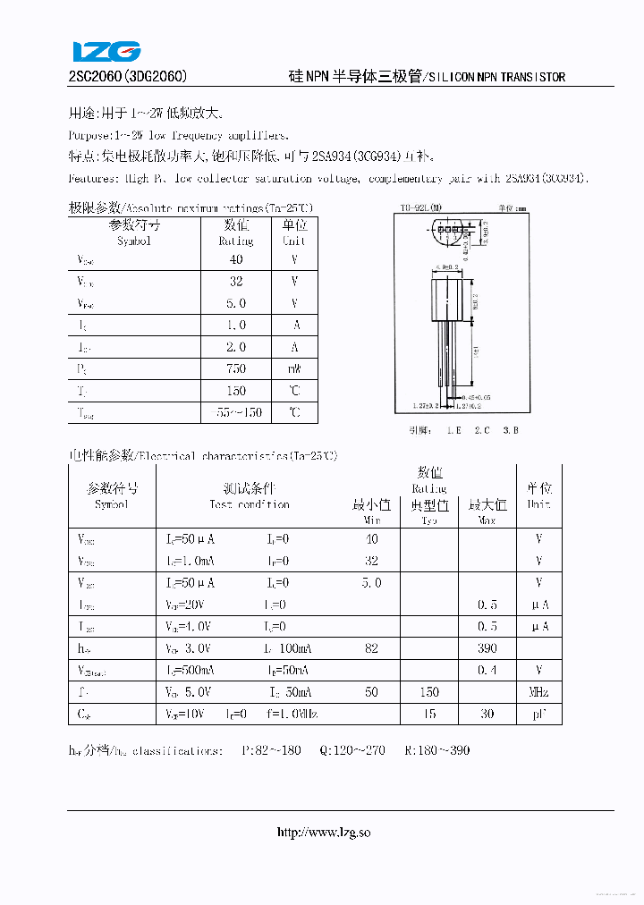
3DG2060 - SILICON NPN TRANSISTOR

3DG2060_7738224.PDF Datasheet


 Full text search : SILICON NPN TRANSISTOR
 Product Description search : SILICON NPN TRANSISTOR


 Related Part Number
PART Description Maker
2SD414 2SD415 2SB548 2SB549 2SD414Q 2SD414Q-AZ 800 mA, 80 V, NPN, Si, SMALL SIGNAL TRANSISTOR
PNP/NPN SILICON EPITAXIAL TRANSISTOR FOR LOW-FREQUENCY POWER AMPLIFIERS
(2SB548) PNP/NPN Silicon Epitaxial Transistor
NEC[NEC]
2SC4517 2SC4517A 2SC3832 Silicon NPN Triple Diffused Planar Transistor(High Voltage Switching Transistor)(硅NPN三倍扩散平面晶体管(高压开关晶体管 3 A, 550 V, NPN, Si, POWER TRANSISTOR, TO-220AB
Silicon NPN Triple Diffused Planar Transistor(Switching Regulator and General Purpose)
Sanken Electric Co., Ltd.
SANKEN[Sanken electric]
BFS483 RF-Bipolar - NPN Silicon RF dual transistor array (2xBFR183W) for low noise, high gain broadband amplifiers
NPN Silicon RF Transistor
Infineon Technologies AG
2SD2494 Silicon NPN Triple Diffused Planar Transistor(Darlington)(硅NPN三倍扩散平面达林顿晶体 6 A, 110 V, NPN, Si, POWER TRANSISTOR
Silicon NPN Triple Diffused Planar Transistor(Audio, Series Regulator and General Purpose)
Sanken Electric Co., Ltd.
SANKEN[Sanken electric]
BD159 BD157 BD158 BD157STU BD158STU BD159STU Low Power Fast Switching Output Stages
NPN Epitxial Silicon Transistor
NPN Epitaxial Silicon Transistor
Fairchild Semiconductor Corporation
FAIRCHILD[Fairchild Semiconductor]
FMMTL618 FMMTL618TA FMMTL618-15 NPN Low Sat Transistor
SOT23 NPN SILICON PLANAR HIGH GAIN MEDIUM POWER TRANSISTOR
NPN SILICON PLANAR HIGH GAIN MEDIUM POWER TRANSISTOR 1250 mA, 20 V, NPN, Si, SMALL SIGNAL TRANSISTOR
List of Unclassifed Man...
Diodes Incorporated
ZETEX[Zetex Semiconductors]
Zetex Semiconductor PLC
BU406-X-T3P-T BU406-X-TA3-T BU406-X-TF3-T BU406-A- SILICON NPN SWITCHING TRANSISTOR 7 A, 200 V, NPN, Si, POWER TRANSISTOR, TO-220AB
SILICON NPN SWITCHING TRANSISTOR 硅NPN开关晶体管
UNISONIC TECHNOLOGIES CO LTD
UTC[Unisonic Technologies]
友顺科技股份有限公司
Unisonic Technologies Co., Ltd.
??『绉???′唤??????
2SC4130 Silicon NPN Transistor
Silicon NPN Epitaxial Planar Transistor(Switching Regulator and General Purpose)
SANKEN[Sanken electric]
2SC2837 Silicon NPN Transistor
Silicon NPN Epitaxial Planar Transistor(Audio and General Purpose)
SANKEN[Sanken electric]
MJE2955T03 MJE34003 MJE52103 MJE585203 MJE80203 MR    COMPLEMENTARY SILICON POWER TRANSISTORS
COMPLEMETARY SILICON POWER TRANSISTORS
SILICON NPN TRANSISTOR
HIGH VOLTAGE PNP POWER TRANSISTOR
SILICON NPN POWER DARLINGTON TRANSISTOR
RF Power Field Effect Transistors
880 MHz, 40 W AVG. 26 V SINGLE N-CDMA N-Channel Enhancement-Mode Lateral MOSFETs
RF LDMOS Wideband Integrated Power Amplifiers
GENERAL PURPOSE L TO X-BAND GaAs MESFET
10 A, 60 V, PNP, Si, POWER TRANSISTOR, TO-220AB
FREESCALE
NEC
STMICROELECTRONICS[STMicroelectronics]
MJE1300906 MJE13009G MJE13009 SWITCHMODE Series NPN Silicon Power Transistors(开关模式系列NPN硅功率晶体管) 12 A, 400 V, NPN, Si, POWER TRANSISTOR, TO-220AB
12 AMPERE NPN SILICON POWER TRANSISTOR 400 VOLTS − 100 WATTS
ONSEMI[ON Semiconductor]
 
 Related keyword From Full Text Search System
3DG2060 transient design 3DG2060 reset 3DG2060 MARKING 3DG2060 atmel 3DG2060 Marin
3DG2060 Level 3DG2060 video 3DG2060 size 3DG2060 Bus 3DG2060 temperature
 

 

Price & Availability of 3DG2060

All Rights Reserved © IC-ON-LINE 2003 - 2022  

[Add Bookmark] [Contact Us] [Link exchange] [Privacy policy]
Mirror Sites :  [www.datasheet.hk]   [www.maxim4u.com]  [www.ic-on-line.cn] [www.ic-on-line.com] [www.ic-on-line.net] [www.alldatasheet.com.cn] [www.gdcy.com]  [www.gdcy.net]


 . . . . .
  We use cookies to deliver the best possible web experience and assist with our advertising efforts. By continuing to use this site, you consent to the use of cookies. For more information on cookies, please take a look at our Privacy Policy. X
0.081626892089844