Part Number Hot Search : 
25L12805 WMS7120 STB6010 42304 114C35 MAX3386E CY7C456 KRC109M
Product Description
Full Text Search

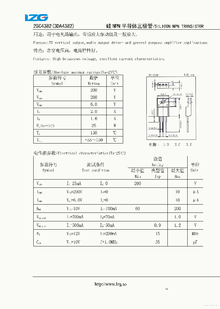
3DA4382 - SILICON NPN TRANSISTOR

3DA4382_7736524.PDF Datasheet


 Full text search : SILICON NPN TRANSISTOR
 Product Description search : SILICON NPN TRANSISTOR


 Related Part Number
PART Description Maker
FCX688B FCX688BTA TRANSISTOR NPN 12V 3000MA SOT-89 3000 mA, 12 V, NPN, Si, SMALL SIGNAL TRANSISTOR
NPN SILICON POWER (SWITCHING) TRANSISTOR
Zetex Semiconductor PLC
Zetex Semiconductors
2SD414 2SD415 2SB548 2SB549 2SD414Q 2SD414Q-AZ 800 mA, 80 V, NPN, Si, SMALL SIGNAL TRANSISTOR
PNP/NPN SILICON EPITAXIAL TRANSISTOR FOR LOW-FREQUENCY POWER AMPLIFIERS
(2SB548) PNP/NPN Silicon Epitaxial Transistor
NEC[NEC]
ASIS50-28 NPN SILICON RF POWER TRANSISTOR
NPN SILICON RF POWER TRANSISTOR
14 pin DIP, 5.0 Volt, HCMOS/TTL, Clock Oscillator
HF BAND, Si, NPN, RF POWER TRANSISTOR
ASI[Advanced Semiconductor]
Advanced Semiconductor, Inc.
ADVANCED SEMICONDUCTOR INC
BFS483 RF-Bipolar - NPN Silicon RF dual transistor array (2xBFR183W) for low noise, high gain broadband amplifiers
NPN Silicon RF Transistor
Infineon Technologies AG
MHQ6001 MHQ6002 MPQ918 MHQ4002A MHQ4013 MHQ4014 MP NPN silicon quad memory driver transistor.
6367254 MOTOROLA SC (XSTRS/R F)
NPN silicon quad amplifier transistor.
PNP silicon quad transistor.
http://
MOTOROLA[Motorola, Inc]
JAN2N2219 JANS2N2219 JAN2N2218 2N2218 JANTX2N2218 SMALL SIGNAL BIPOLAR NPN SILICON
NPN SWITCHING SILICON TRANSISTOR
NPN Transistor
MICROSEMI[Microsemi Corporation]
2SC4418 Silicon NPN Triple Diffused Planar Transistor(High Voltage And High Speed Switching Transistor)(硅NPN三倍扩散平面晶体管(高压和高速开关晶体管 5 A, 400 V, NPN, Si, POWER TRANSISTOR, TO-220AB
Silicon NPN Triple Diffused Planar Transistor(Switching Regulator and General Purpose)
Sanken Electric Co., Ltd.
SANKEN[Sanken electric]
2SD596 2SD596-L 2SD596-T2B 2SD596DV1 2SD596DV4 2SD TRANSISTOR | BJT | NPN | 25V V(BR)CEO | 700MA I(C) | SOT-346 晶体管|晶体管|叩| 25V的五(巴西)总裁| 700mA的一(c)|的SOT - 346
AUDIO FREQUENCY POWER AMPLIFIER NPN SILICON EPITAXIAL TRANSISTOR MINI MOLD
Silicon transistor
NEC, Corp.
NEC Corp.
ETC
BFP620E7764 RF-Bipolar - NPN Silicon Germanium RF Transistor, high gain low noise RF transistor in SOT343 Package
C BAND, Si, NPN, RF SMALL SIGNAL TRANSISTOR
Infineon Technologies AG
MJE2955T03 MJE34003 MJE52103 MJE585203 MJE80203 MR    COMPLEMENTARY SILICON POWER TRANSISTORS
COMPLEMETARY SILICON POWER TRANSISTORS
SILICON NPN TRANSISTOR
HIGH VOLTAGE PNP POWER TRANSISTOR
SILICON NPN POWER DARLINGTON TRANSISTOR
RF Power Field Effect Transistors
880 MHz, 40 W AVG. 26 V SINGLE N-CDMA N-Channel Enhancement-Mode Lateral MOSFETs
RF LDMOS Wideband Integrated Power Amplifiers
GENERAL PURPOSE L TO X-BAND GaAs MESFET
10 A, 60 V, PNP, Si, POWER TRANSISTOR, TO-220AB
FREESCALE
NEC
STMICROELECTRONICS[STMicroelectronics]
BFP25 BFP22 Q62702-F721 Q62702-F621 Q62702-F201 Q6 NPN Silicon Transistor with high Reve...
From old datasheet system
NPN Silicon Transistors with High Reverse Voltage
Isolation- UL94V-0 Package Material- Power Sharing on Output- Efficiency to 84%
NPN Silicon RF Transisrors
NPN Silicon Transistors (High breakdown voltage l Low collector-emitter saturation voltage) NPN硅晶体管(高耐压l低集电极发射极饱和电压)
SIEMENS[Siemens Semiconductor Group]
Infineon
SIEMENS AG
 
 Related keyword From Full Text Search System
3DA4382 SePIC 3DA4382 Precision 3DA4382 synchronous 3DA4382 资料 3DA4382 download
3DA4382 siemens 3DA4382 ascel 3DA4382 cmos 3DA4382 Untuk apa ic 3DA4382 电子元器件
 

 

Price & Availability of 3DA4382

All Rights Reserved © IC-ON-LINE 2003 - 2022  

[Add Bookmark] [Contact Us] [Link exchange] [Privacy policy]
Mirror Sites :  [www.datasheet.hk]   [www.maxim4u.com]  [www.ic-on-line.cn] [www.ic-on-line.com] [www.ic-on-line.net] [www.alldatasheet.com.cn] [www.gdcy.com]  [www.gdcy.net]


 . . . . .
  We use cookies to deliver the best possible web experience and assist with our advertising efforts. By continuing to use this site, you consent to the use of cookies. For more information on cookies, please take a look at our Privacy Policy. X
0.39587116241455