Part Number Hot Search : 
3225T MAX11604 RA737 SK2V4 PR150 2560Q XOPL53 2SA0963
Product Description
Full Text Search

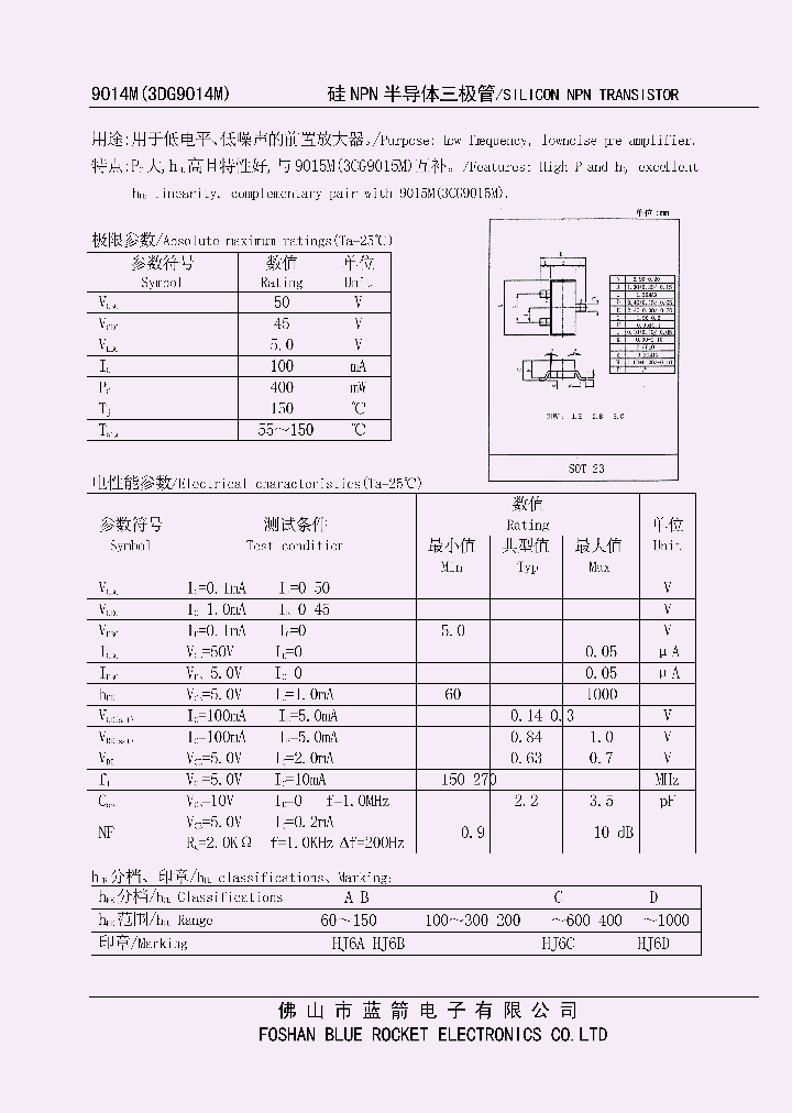
3DG9014M - SILICON NPN TRANSISTOR

3DG9014M_7692619.PDF Datasheet


 Full text search : SILICON NPN TRANSISTOR
 Product Description search : SILICON NPN TRANSISTOR


 Related Part Number
PART Description Maker
BC550C BC549B BC549B-D BC549C BC550B TRANSISTOR|BJT|NPN|45VV(BR)CEO|100MAI(C)|TO-92
Low Noise Transistors NPN Silicon(硅NPN低噪声晶体管) 100 mA, 45 V, NPN, Si, SMALL SIGNAL TRANSISTOR, TO-92
Low Noise Transistor NPN Silicon(30V硅NPN低噪声晶体管) 低噪声晶体管NPN硅(30V的硅npn型低噪声晶体管)
ON Semiconductor
http://
2N6132 2N6101 2N6491 2N6486 2N6487 2N6489 2N6099 2    NPN SILICON TRANSISTOR
NPN SILICON TRANSISTOR 15 A, 80 V, NPN, Si, POWER TRANSISTOR, TO-220AB
(2N6130 - 2N6134) NPN SILICON TRANSISTOR
Leaded Power Transistor General Purpose
Leaded Power Transistor Darlington
http://
ON Semiconductor
Central Semiconductor Corp.
Advanced Semiconductor
CENTRAL[Central Semiconductor Corp]
Central Semiconductor C...
2N5038 JAN2N5039 JANTXV2N5039 2N5039 JAN2N5038 JAN NPN HIGH POWER SILICON TRANSISTOR 20 A, 90 V, NPN, Si, POWER TRANSISTOR, TO-204AA
NPN HIGH POWER SILICON TRANSISTOR 2 A, 90 V, NPN, Si, POWER TRANSISTOR, TO-3
From old datasheet system
(JAN2N5038 / JAN2N5039) NPN HIGH POWER SILICON TRANSISTOR
NPN Transistor
Microsemi, Corp.
MICROSEMI[Microsemi Corporation]
BFS483 RF-Bipolar - NPN Silicon RF dual transistor array (2xBFR183W) for low noise, high gain broadband amplifiers
NPN Silicon RF Transistor
Infineon Technologies AG
CMLM2205 MULTI DISCRETE MODULESURFACE MOUNT SILICON SWITCHING NPN TRANSISTOR AND LOW VF SILICON SCHOTTKY DIODE 600 mA, 45 V, NPN, Si, SMALL SIGNAL TRANSISTOR
Central Semiconductor, Corp.
ZXT11N15DF ZXT11N15DFTC ZXT11N15DFTA Discrete - Bipolar Transistors - Transistor (BJT) Master Table - Transistors
3000 mA, 15 V, NPN, Si, SMALL SIGNAL TRANSISTOR SOT-23, 3 PIN
15V NPN SILICON LOW SATURATION TRANSISTOR
NPN Low Sat Transistor
Diodes, Inc.
Diodes Incorporated
Zetex Semiconductors
JAN2N2219 JANS2N2219 JAN2N2218 2N2218 JANTX2N2218 SMALL SIGNAL BIPOLAR NPN SILICON
NPN SWITCHING SILICON TRANSISTOR
NPN Transistor
MICROSEMI[Microsemi Corporation]
BDP947 BDP949 Silicon NPN Transistor
General Purpose Transistors - NPN Silicon AF Power Transistor for AF driver and output stages
Infineon Technologies A...
INFINEON[Infineon Technologies AG]
2SC4418 Silicon NPN Triple Diffused Planar Transistor(High Voltage And High Speed Switching Transistor)(硅NPN三倍扩散平面晶体管(高压和高速开关晶体管 5 A, 400 V, NPN, Si, POWER TRANSISTOR, TO-220AB
Silicon NPN Triple Diffused Planar Transistor(Switching Regulator and General Purpose)
Sanken Electric Co., Ltd.
SANKEN[Sanken electric]
BC637L34Z BC637D26Z NPN Epitaxial Silicon Transistor 1000 mA, 60 V, NPN, Si, SMALL SIGNAL TRANSISTOR, TO-92
NPN Epitaxial Silicon Transistor; Package: TO-92; No of Pins: 3; Container: Tape & Reel 1000 mA, 60 V, NPN, Si, SMALL SIGNAL TRANSISTOR, TO-92
Fairchild Semiconductor, Corp.
 
 Related keyword From Full Text Search System
3DG9014M preis 3DG9014M Fixed 3DG9014M dual 3DG9014M usb-hs otg 3DG9014M terminal
3DG9014M Bit 3DG9014M Marin 3DG9014M isa bus 3DG9014M filter 3DG9014M instruments
 

 

Price & Availability of 3DG9014M

All Rights Reserved © IC-ON-LINE 2003 - 2022  

[Add Bookmark] [Contact Us] [Link exchange] [Privacy policy]
Mirror Sites :  [www.datasheet.hk]   [www.maxim4u.com]  [www.ic-on-line.cn] [www.ic-on-line.com] [www.ic-on-line.net] [www.alldatasheet.com.cn] [www.gdcy.com]  [www.gdcy.net]


 . . . . .
  We use cookies to deliver the best possible web experience and assist with our advertising efforts. By continuing to use this site, you consent to the use of cookies. For more information on cookies, please take a look at our Privacy Policy. X
0.62514305114746