Part Number Hot Search : 
CMX865D2 FN2948 74LVC125 OSMTO5 SL5421 11610 AD6312Q LAH50
Product Description
Full Text Search

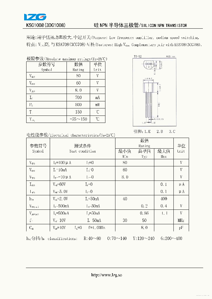
3DG1008 - SILICON NPN TRANSISTOR

3DG1008_7692622.PDF Datasheet


 Full text search : SILICON NPN TRANSISTOR
 Product Description search : SILICON NPN TRANSISTOR


 Related Part Number
PART Description Maker
BC848 BC849 BC846 BC847 BC850 BC848C-MR    NPN EPITAXIAL SILICON TRANSISTOR
NPN Epitaxial Silicon Transistor(NPN硅外延晶体管) 100 mA, 30 V, NPN, Si, SMALL SIGNAL TRANSISTOR
TRANSISTOR BC848C MINIREEL 500PCS 晶体管BC848C MINIREEL 500
NPN Epitaxial Silicon Transistor(NPN纭??寤舵?浣??)
FAIRCHILD SEMICONDUCTOR CORP
Fairchild Semiconductor, Corp.
Diodes, Inc.
2N2369AU 2N2369AUA 2N2369AUB 2N4449 2N4449UA 2N444 NPN SILICON SWITCHING TRANSISTOR 200 mA, 15 V, NPN, Si, SMALL SIGNAL TRANSISTOR, TO-206AB
NPN BIPOLAR TRANSISTOR
NPN Transistor
Microsemi, Corp.
MICROSEMI[Microsemi Corporation]
2SD2655 2SD655 Silicon NPN Transistor
Silicon NPN Epitaxial Planer Low Frequency Power Amplifier
TOSHIBA TRANSISTOR SILICON NPN EPITAXIAL TYPE (PCT PROCESS)
Hitachi Semiconductor
TOSHIBA[Toshiba Semiconductor]
Rohm
FJPF13007H2TTU FJPF13007TU NPN Silicon Transistor 8 A, 400 V, NPN, Si, POWER TRANSISTOR, TO-220AB
NPN Silicon Transistor; Package: TO-220F; No of Pins: 3; Container: Rail 8 A, 400 V, NPN, Si, POWER TRANSISTOR, TO-220AB
Fairchild Semiconductor, Corp.
FZT1047A NPN Low Sat Transistor
NPN SILICON PLANAR MEDIUM POWER HIGH GAIN TRANSISTOR
SOT223 NPN SILICON PLANAR
Zetex Semiconductors
Diodes Incorporated
MHQ6001 MHQ6002 MPQ918 MHQ4002A MHQ4013 MHQ4014 MP NPN silicon quad memory driver transistor.
6367254 MOTOROLA SC (XSTRS/R F)
NPN silicon quad amplifier transistor.
PNP silicon quad transistor.
http://
MOTOROLA[Motorola, Inc]
JAN2N2219 JANS2N2219 JAN2N2218 2N2218 JANTX2N2218 SMALL SIGNAL BIPOLAR NPN SILICON
NPN SWITCHING SILICON TRANSISTOR
NPN Transistor
MICROSEMI[Microsemi Corporation]
BC337BU BC33725TAR BC33740TANL BC33716TAR BC33716T NPN Epitaxial Silicon Transistor; Package: TO-92; No of Pins: 3; Container: Bulk 800 mA, 45 V, NPN, Si, SMALL SIGNAL TRANSISTOR, TO-92
NPN Epitaxial Silicon Transistor; Package: TO-92; No of Pins: 3; Container: Ammo 1000 mA, 45 V, NPN, Si, SMALL SIGNAL TRANSISTOR, TO-92
NPN Epitaxial Silicon Transistor 800 mA, 45 V, NPN, Si, SMALL SIGNAL TRANSISTOR, TO-92
NPN Epitaxial Silicon Transistor; Package: TO-92; No of Pins: 3; Container: Tape & Reel 1000 mA, 45 V, NPN, Si, SMALL SIGNAL TRANSISTOR, TO-92
Zetex Semiconductor PLC
Fairchild Semiconductor, Corp.
FAIRCHILD SEMICONDUCTOR CORP
KSD471AYTA KSD471AYBUNL NPN Epitaxial Silicon Transistor; Package: TO-92; No of Pins: 3; Container: Ammo 1000 mA, 30 V, NPN, Si, SMALL SIGNAL TRANSISTOR, TO-92
NPN Epitaxial Silicon Transistor 1000 mA, 30 V, NPN, Si, SMALL SIGNAL TRANSISTOR, TO-92
Fairchild Semiconductor, Corp.
MJE1300906 MJE13009G MJE13009 SWITCHMODE Series NPN Silicon Power Transistors(开关模式系列NPN硅功率晶体管) 12 A, 400 V, NPN, Si, POWER TRANSISTOR, TO-220AB
12 AMPERE NPN SILICON POWER TRANSISTOR 400 VOLTS − 100 WATTS
ONSEMI[ON Semiconductor]
 
 Related keyword From Full Text Search System
3DG1008 Digital 3DG1008 ic资料网 3DG1008 Controller 3DG1008 corporation 3DG1008 Power
3DG1008 gate threshold 3DG1008 UNITED CHEMI CON 3DG1008 china datasheet 3DG1008 standard 3DG1008 価格
 

 

Price & Availability of 3DG1008

All Rights Reserved © IC-ON-LINE 2003 - 2022  

[Add Bookmark] [Contact Us] [Link exchange] [Privacy policy]
Mirror Sites :  [www.datasheet.hk]   [www.maxim4u.com]  [www.ic-on-line.cn] [www.ic-on-line.com] [www.ic-on-line.net] [www.alldatasheet.com.cn] [www.gdcy.com]  [www.gdcy.net]


 . . . . .
  We use cookies to deliver the best possible web experience and assist with our advertising efforts. By continuing to use this site, you consent to the use of cookies. For more information on cookies, please take a look at our Privacy Policy. X
0.24375200271606