Part Number Hot Search : 
LV102 527B265T S7129 40430C KBPC1008 B7723 2SA1633E LT3433
Product Description
Full Text Search

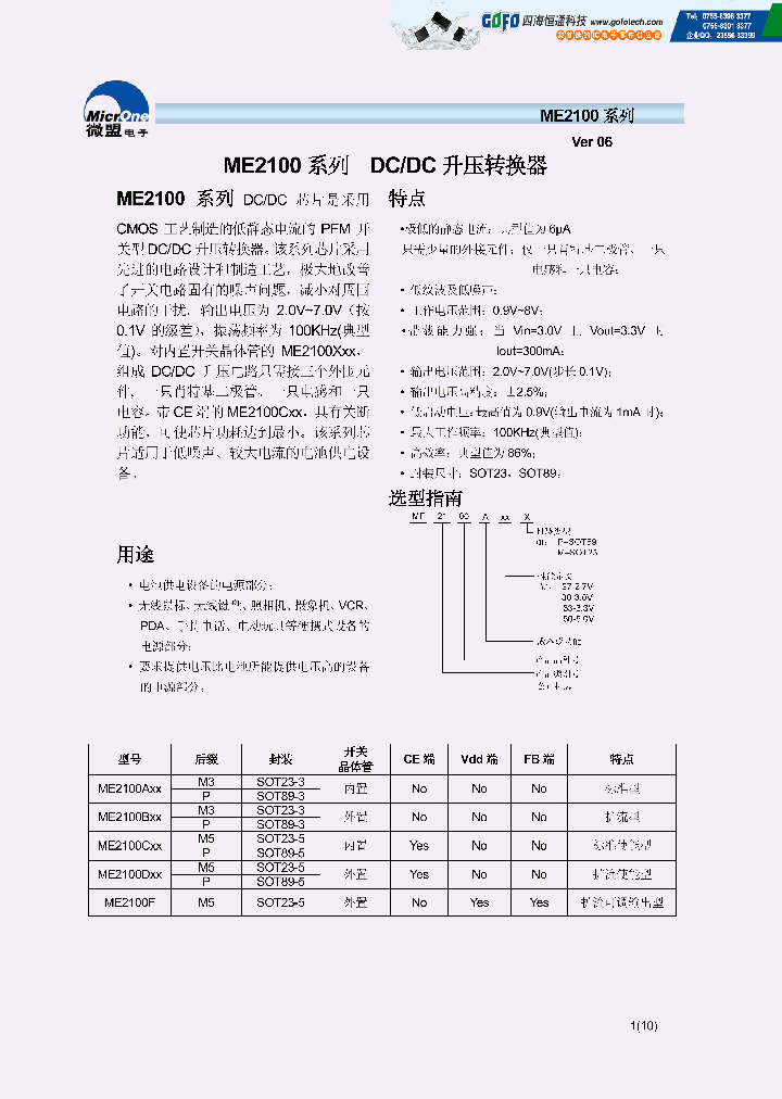
ME2100 - DC / DC boost converter

ME2100_7676006.PDF Datasheet


 Full text search : DC / DC boost converter
 Product Description search : DC / DC boost converter


 Related Part Number
PART Description Maker
XL6019 220KHz 60V 5A Switching Current Boost / Buck-Boost / Inverting DC/DC Converter
Xlsemi
XL6008 XL6008TRE1 XL6008E1 400KHz 60V 3A Switching Current Boost / Buck-Boost / Inverting DC/DC Converter
List of Unclassifed Man...
Xlsemi
LTC3402 LTC3402EMS LINEARTECHNOLOGYCORP-LTC3402EMS From old datasheet system
LTC3402, 2A, 3MHz Micropower Synchronous Boost Converter
SMPS CONTROLLER,CURRENT-MODE,CMOS,TSSOP,10PIN,PLASTIC
3MHz, 2A Micropower Synchronous Boost Converter
Linear Technology Corp
LTC3400 LTC3400BES6 LTC3400ES6 LTC3400B 600mA/ 1.2MHz Micropower Synchronous Boost Converter in ThinSOT
1.2MHz, 600mA Micropower Synchronous Boost Converter in ThinSOT
SMPS Controller - Datasheet Reference
From old datasheet system
600mA, 1.2MHz Micropower Synchronous Boost Converter in ThinSOT
Linear Technology Corp
LINER[Linear Technology]
AP1506-12K5LA AP1506-12T5L AP1506-50K5 ZXLD1601H6T 150KHz, 3A PWM Buck DC/DC Converter 150kHz的,3A PWM降压DC / DC变换
Switching Converters, Regulators & Controllers Boost Converter for LCD and OLED BIAS
Diodes, Inc.
Molex, Inc.
Zetex Semiconductor PLC
AAT1275 Boost Converter
AAT
ME2108BXX DC / DC boost converter
Microne
EUP2511 Boost Converter
Eutech Microelectronics
FSP3602 FSP3602CAK SYNCHRONOUS BOOST DC/DC CONVERTER
FOSLINK SEMICONDUCTOR CO.,LTD
LT3473 Micropower 1A Boost Converter
Linear Technology
TS1935BCX5RFG 1.9A / 1.2MHz Boost DC to Dc Converter
Taiwan Semiconductor Company, Ltd
 
 Related keyword From Full Text Search System
ME2100 制造商 ME2100 integrated circuit ME2100 baumer ivo gxmmw ME2100 Table ME2100 Interrupt
ME2100 precision ME2100 taping code ME2100 usb circuit diagram ME2100 logic ME2100 Adjustable
 

 

Price & Availability of ME2100

All Rights Reserved © IC-ON-LINE 2003 - 2022  

[Add Bookmark] [Contact Us] [Link exchange] [Privacy policy]
Mirror Sites :  [www.datasheet.hk]   [www.maxim4u.com]  [www.ic-on-line.cn] [www.ic-on-line.com] [www.ic-on-line.net] [www.alldatasheet.com.cn] [www.gdcy.com]  [www.gdcy.net]


 . . . . .
  We use cookies to deliver the best possible web experience and assist with our advertising efforts. By continuing to use this site, you consent to the use of cookies. For more information on cookies, please take a look at our Privacy Policy. X
0.4315869808197