Part Number Hot Search : 
A7815API MX7581AD CXP1042Q M324TCN BSV17 HZZ00112 AR1107 MTP2N18
Product Description
Full Text Search

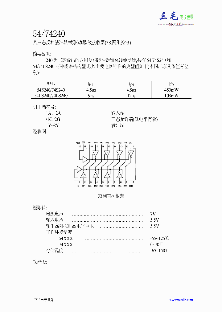
54240 - Eight three-state inverting buffer / line driver / line receiver

54240_7673412.PDF Datasheet


 Full text search : Eight three-state inverting buffer / line driver / line receiver
 Product Description search : Eight three-state inverting buffer / line driver / line receiver


 Related Part Number
PART Description Maker
M74HC367 M74HC367B1R M74HC367C1R M74HC367F1R M74HC HC367 NON INVERTING, HC368 INVERTING HEX BUS BUFFER (3-STATE)
HEX BUS BUFFER (3-STATE) HC367 NON INVERTING, HC368 INVERTING
HEX BUS BUFFER 3-STATE HC367 NON INVERTING / HC368 INVERTING
8-Bit, 10 us DAC, Serial Input, Quad DAC, Pgrmable 1x or 2x Output, Simultaneous Update 14-SOIC 0 to 70
HEX BUS BUFFER 3-STATE HC367 NON INVERTING, HC368 INVERTING 六角总线缓冲器的三态非反相HC367,HC368反相
SGS Thomson Microelectronics
STMICROELECTRONICS[STMicroelectronics]
ST Microelectronics
意法半导
STMicroelectronics N.V.
M54_74HC623 M54HC620 M54HC620F1R M54HC620M1R M54HC OCTAL BUS TRANSCEIVER HC620 3 STATE INVERTING HC623 3 STATE NON INVERTING
STMicroelectronics
MM74C240 MM74C244 MM74C244WM MM74C240N MM74C240WM Inverting • Non-Inverting Octal Buffer and
From old datasheet system
Inverting . Non-Inverting Octal Buffer and Line Driver with 3-STATE Outputs
FAIRCHILD[Fairchild Semiconductor]
M74HC365 M74HC365B1R M74HC365C1R M74HC365F1R M74HC RAD-HARD HEX BUS BUFFER WITH 3 STATE OUTPUTS (NON INVERTING)
HEX BUS BUFFER 3-STATE HC365 NON INVERTING- HC366 INVERTING
ST Microelectronics
意法半导
STMICROELECTRONICS[STMicroelectronics]
74HC540 74HCT540N HCT540 74HC540D 74HC540N 74HCT54 Octal buffer/line driver; 3-state inverting
74HC/HCT540; Octal buffer/line driver; 3-state; inverting
IC-SM-74HCTCMOS
ICHIGHSPEEDCMOSLOGIKN/DIP20
Octal buffer/line driver 3-state inverting
Octal buffer-line driver; 3-state; inverting
NXP Semiconductors
PHILIPS[Philips Semiconductors]
M54_74HCT573 M54_74HCT563 OCTAL D-TYPE LATCH WITH 3 STATE OUTPUT HCT563 INVERTING - HCT573 NON INVERTING
STMicro
MM74C240 MM74C240N MM74C240WM MM74C244N MM74C244WM Inverting . Non-Inverting Octal Buffer and Line Driver with 3-STATE Outputs
Fairchild Semiconductor
M74HCT574B1R M74HCT574M1R M54HCT564 M54HCT564F1R M OCTAL D-TYPE FLIP FLOP WITH 3 STATE OUTPUT HCT564 INVERTING - HCT574 NON INVERTING
ST Microelectronics
STMICROELECTRONICS[STMicroelectronics]
TC74HCT541AF TC74HCT541AFW TC74HCT541AP TC74HCT540 From old datasheet system
OCTAL BUS BUFFER WITH TTL INPUT LEVEL. INVERTING/NON-INVERTING, 3-STATE OUTPUTS
TOSHIBA[Toshiba Semiconductor]
74F646A 74F648A Octal transceiver/register, non-inverting/inverting (3-State)
Philips
N74F640 N74F640D N74F640N 74F640 74F640_2 Octal bus transceiver / inverting 3-State
From old datasheet system
Octal bus transceiver, inverting (3-State)
Octal bus transceiver, inverting 3-State
Octal bus transceiver inverting 3-State
PHILIPS[Philips Semiconductors]
NXP Semiconductors
MC74LCX258DG MC74LCX32DR2 MC74LCX3205 MC74LCX374DR Low-Voltage CMOS Octal Buffer Flow Through Pinout; Package: TSSOP 20 LEAD; No of Pins: 20; Container: Tape and Reel; Qty per Container: 2500 LVC/LCX/Z SERIES, 8-BIT DRIVER, INVERTED OUTPUT, PDSO20
Low-Voltage CMOS Octal Buffer Flow Through Pinout With 5 V−Tolerant Inputs and Outputs (3−State, Inverting)
Low-Voltage CMOS Octal Buffer Flow Through Pinout With 5 V?Tolerant Inputs and Outputs (3?State, Inverting)
Low-Voltage CMOS Octal D-Type Flip-Flop With 5 V?Tolerant Inputs and Outputs (3?State, Non?Inverting)
Low-Voltage CMOS Quad 2-Input OR Gate With 5 V?Tolerant Inputs
Low-Voltage CMOS Quad 2-Input Multiplexer With 5 V?Tolerant Inputs and Outputs (3?State, Inverting)
ONSEMI[ON Semiconductor]
 
 Related keyword From Full Text Search System
54240 Noise 54240 informacion de 54240 data 54240 reference 54240 Instrument
54240 port 54240 替换表 54240 Description 54240 image sensor 54240 MUX HCSL
 

 

Price & Availability of 54240

All Rights Reserved © IC-ON-LINE 2003 - 2022  

[Add Bookmark] [Contact Us] [Link exchange] [Privacy policy]
Mirror Sites :  [www.datasheet.hk]   [www.maxim4u.com]  [www.ic-on-line.cn] [www.ic-on-line.com] [www.ic-on-line.net] [www.alldatasheet.com.cn] [www.gdcy.com]  [www.gdcy.net]


 . . . . .
  We use cookies to deliver the best possible web experience and assist with our advertising efforts. By continuing to use this site, you consent to the use of cookies. For more information on cookies, please take a look at our Privacy Policy. X
0.76656699180603