Part Number Hot Search : 
D1265 F0515T EMG2870D STV5248 183NQ100 MBR7H50 XE3301I CDBC310
Product Description
Full Text Search

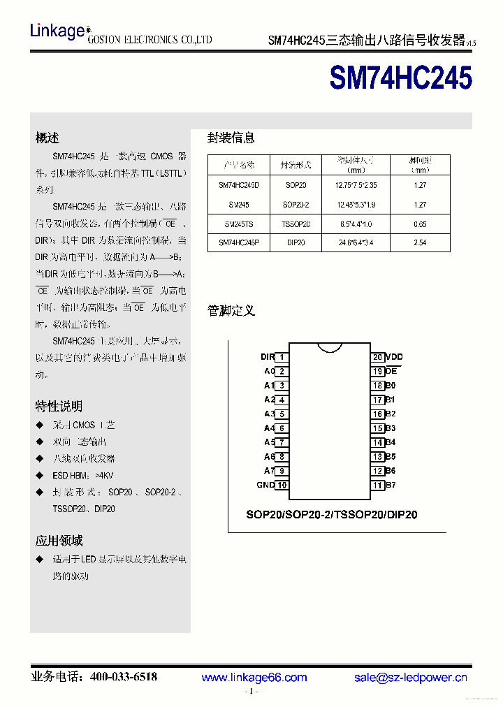
SM74HC245 - Octal tristate output signal transceiver

SM74HC245_7667377.PDF Datasheet


 Full text search : Octal tristate output signal transceiver
 Product Description search : Octal tristate output signal transceiver


 Related Part Number
PART Description Maker
GXO-U103F GXOU103 GXO-U103 GXO-U103BI 3.3V Tristate Oscillator
Golledge Electronics Ltd
TC7MH573F TC7MH573FK Octal D-Type Flip-Flop with 3-State Output
Octal D-Type Latch with 3-State Output
Toshiba
SN54_74LS373 SN54_74LS374 ON2917 OCTAL TRANSPARENT LATCH WITH 3-STATE OUTPUTS;
OCTAL D-TYPE FLIP-FLOP WITH 3-STATE OUTPUT
From old datasheet system
ON Semi
BSP17 Q67000-S220 BSP17Q67000-S220 TRANSISTOR MOSFET SMD SOT 223 N KANAL
INNOLINE: RP100-S_DI - Single Output up to 25A Dual Outputs Total Power up to 100W- Input/Output 1.6kVDC Isolation- Adjustable Output Voltage
SIPMOS Small-Signal Transistor (N channel Enhancement mode Avalanche rated)
SIPMOS ? Small-Signal Transistor
From old datasheet system
SIEMENS AG
SIEMENS[Siemens Semiconductor Group]
Infineon
MAX5270 MAX5270BEMH MAX5270ACMH MAX5270AEMH MAX527 LJT 6C 6#20 PIN PLUG
Octal / 13-Bit Voltage-Output DAC with Parallel Interface
" Octal, 13-Bit Voltage-Output DAC with Parallel Interface"
Octal 13-Bit Voltage-Output DAC with Parallel Interface
Maxim Integrated Products, Inc.
MAXIM[Maxim Integrated Products]
HCTS245MS HCTS245KMSR HCTS245K HCTS245HMSR FN2360 From old datasheet system
Radiation Hardened Octal Bus Transceiver Three-State Non-Inverting
Octal Bus Transceivers With 3-State Outputs 20-LCCC -55 to 125 HCT SERIES, 8-BIT TRANSCEIVER, TRUE OUTPUT, CDFP20
Radiation Hardened Octal Bus Transceiver, Three-State, Non-Inverting HCT SERIES, 8-BIT TRANSCEIVER, TRUE OUTPUT, UUC24
Radiation Hardened Octal Bus Transceiver/ Three-State/ Non-Inverting
INTERSIL[Intersil Corporation]
Intersil, Corp.
BCX23 BCX24 MM4257 2N5183 BSY62 BSX36 BSX79 BSY79 ECONOLINE: RJ & RG - Dual Output from a Single Input Rail - 3kVDC & 4kVDC Isolation - Optional Continuous Short Circuit Protected - Custom Solutions
Small Signal Transistors 125 V, NPN, Si, SMALL SIGNAL TRANSISTOR, TO-18
Leaded Small Signal Transistor General Purpose
15 V, NPN, Si, SMALL SIGNAL TRANSISTOR, TO-18
Central Semiconductor C...
http://
Seme LAB
CENTRAL[Central Semiconductor Corp]
Central Semiconductor Corp.
Central Semiconductor, Corp.
N74F2240D N74F2240N N74F2241D N74F2241N 74F2241 74 Octal inverter buffer with 30ohm equivalent output termination 3-State F/FAST SERIES, DUAL 4-BIT DRIVER, INVERTED OUTPUT, PDIP20
NXP Semiconductors N.V.
PHILIPS[Philips Semiconductors]
TC74HC573AP07 TC74HC573AF TC74HC573AP TC74HC573APF HC/UH SERIES, 8-BIT DRIVER, TRUE OUTPUT, PDIP20
CMOS Digital Integrated Circuit Silicon Monolithic Octal D-Type Latch with 3-State Output
Toshiba Semiconductor
74ABT2241 74ABT2241D 74ABT2241DB 74ABT2241N 74ABT2 Power Supply ABT SERIES, DUAL 4-BIT DRIVER, TRUE OUTPUT, PDSO20
Octal buffer with 30 series termination
From old datasheet system
Octal buffer with 30ohm series termination resistors; 3-State
Octal buffer with 30 Ohm series termination resistors (3-State)
NXP Semiconductors N.V.
PHILIPS[Philips Semiconductors]
 
 Related keyword From Full Text Search System
SM74HC245 Specification SM74HC245 battery charger circuit SM74HC245 Search SM74HC245 rohm SM74HC245 Step
SM74HC245 applications SM74HC245 epitaxial SM74HC245 MARKING SM74HC245 usb charger circuit SM74HC245 control
 

 

Price & Availability of SM74HC245

All Rights Reserved © IC-ON-LINE 2003 - 2022  

[Add Bookmark] [Contact Us] [Link exchange] [Privacy policy]
Mirror Sites :  [www.datasheet.hk]   [www.maxim4u.com]  [www.ic-on-line.cn] [www.ic-on-line.com] [www.ic-on-line.net] [www.alldatasheet.com.cn] [www.gdcy.com]  [www.gdcy.net]


 . . . . .
  We use cookies to deliver the best possible web experience and assist with our advertising efforts. By continuing to use this site, you consent to the use of cookies. For more information on cookies, please take a look at our Privacy Policy. X
0.42732095718384