Part Number Hot Search : 
GLB8R210 T7016L3 G1812 STUS030 M2039TNA HAT1036R TK15402 2001401
Product Description
Full Text Search

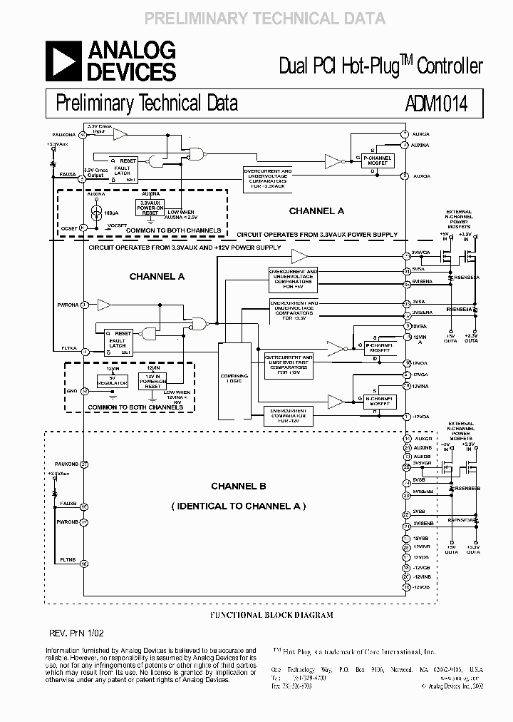
ADM1014JRU-REEL7 - 5-CHANNEL POWER SUPPLY SUPPORT CKT, PDSO38 Dual PCI Hot-Plug Controller

ADM1014JRU-REEL7_7550143.PDF Datasheet


 Full text search : 5-CHANNEL POWER SUPPLY SUPPORT CKT, PDSO38 Dual PCI Hot-Plug Controller
 Product Description search : 5-CHANNEL POWER SUPPLY SUPPORT CKT, PDSO38 Dual PCI Hot-Plug Controller


 Related Part Number
PART Description Maker
ASM1834UF-T ASM1834 ASM1834A ASM1834AF ASM1834AF-T Dual 5V and 3.3V uP Power Supply Supervisor with Manual Reset 2-CHANNEL POWER SUPPLY SUPPORT CKT, PDSO8
RES ARRAY 560 OHM 8TERM 4RES SMD 2-CHANNEL POWER SUPPLY SUPPORT CKT, PDSO8
Dual 5V and 3.3V uP Power Supply Supervisor with Manual Reset 2-CHANNEL POWER SUPPLY SUPPORT CKT, PDIP8
COIL 120UH 280MA CHOKE SMD 2-CHANNEL POWER SUPPLY SUPPORT CKT, PDSO8
Alliance Semiconductor, Corp.
ALSC[Alliance Semiconductor Corporation]
MAX6316LUK29CY MAX6319LHUK30AY-T MAX6322HPUK30AY-T FAN AC 254MM(10") 115V, 700cfm 1-CHANNEL POWER SUPPLY SUPPORT CKT, PDSO5
FAN AC 120X38 115V BALL, 71cfm 1-CHANNEL POWER SUPPLY SUPPORT CKT, PDSO5
FAN AC 120X25 220V BALL, 81cfm 1-CHANNEL POWER SUPPLY SUPPORT CKT, PDSO5
Analog IC 1-CHANNEL POWER SUPPLY SUPPORT CKT, PDSO5
Analog IC 模拟IC
FAN AC 92X25 110/220V, 35cfm 1-CHANNEL POWER SUPPLY SUPPORT CKT, PDSO5
Analog IC 1-CHANNEL POWER SUPPLY MANAGEMENT CKT, PDSO5
FAN AC 120X38 220V BALL, 71cfm
FAN AC 92X38 110/220V, 32cfm
POWER SUPPLY SUPERVISOR,CMOS,TSOP,6PIN,PLASTIC
Hitachi,Ltd.
Maxim Integrated Products, Inc.
Maxim Integrated Products Inc
MC33064D-005 MC34064P-5RA MC34064P-5RP MC34064P-5R Voltage Supervisory, Undervoltage Sensing Circuit, 8-SOIC
UNDERVOLTAGE SENSING CIRCUIT 1-CHANNEL POWER SUPPLY SUPPORT CKT, PDSO8
Processor Supervisory Circuits 5-SC70 -40 to 85 1-CHANNEL POWER SUPPLY SUPPORT CKT, PDSO8
UNDERVOLTAGE SENSING CIRCUIT 1-CHANNEL POWER SUPPLY SUPPORT CKT, PBCY3
Ultra-Small Supply Voltage Supervisors 5-SC70 -40 to 85 1-CHANNEL POWER SUPPLY SUPPORT CKT, PBCY3
ONSEMI[ON Semiconductor]
Motorola Mobility Holdings, Inc.
CAT1024YE-30TE13 CAT1024UI-30TE13 CAT1025ZI-25TE13 1-CHANNEL POWER SUPPLY SUPPORT CKT, PDIP8
9S12C32, MOS13, AUTO 监控电路,带有I2C串行K位CMOS EEPROM和手动复
1-CHANNEL POWER SUPPLY SUPPORT CKT, PDSO8 LEAD AND HALOGEN FREE, MSOP-8
1-CHANNEL POWER SUPPLY SUPPORT CKT, PDSO8 LEAD AND HALOGEN FREE, TSSOP-8
Supervisory Circuits with I2C Serial 2k-bit CMOS EEPROM and Manual Reset 监控电路,带有I2C串行K位CMOS EEPROM和手动复
CONNECTOR ACCESSORY
G8, REV 2.1,0.95V,105C
3M Company
ON Semiconductor
Catalyst Semiconductor
CAT1025YI-28-GT3 CAT1025YI-25-GT3 CAT1024YI-30-GT3 1-CHANNEL POWER SUPPLY SUPPORT CKT, PDSO8 ROHS COMPLIANT, MO-153, TSSOP-8
1-CHANNEL POWER SUPPLY SUPPORT CKT, DSO8
ON Semiconductor
PT7M6135CLC4 PT7M6135CLC3 PT7M6145CHTA5E PT7M6145C 1-CHANNEL POWER SUPPLY SUPPORT CKT, PDSO4
1-CHANNEL POWER SUPPLY SUPPORT CKT, PDSO3
1-CHANNEL POWER SUPPLY SUPPORT CKT, PDSO5
PERICOM SEMICONDUCTOR CORP
ASM6390XS36TD4G ASM6384XS18TD2F-T ASM6381XR21TD1F 1-CHANNEL POWER SUPPLY SUPPORT CKT, PDSO4
1-CHANNEL POWER SUPPLY SUPPORT CKT, PDSO3
1-CHANNEL POWER SUPPLY SUPPORT CKT, PDSO5
ALLIANCE SEMICONDUCTOR CORP
ADM6348-44ARTZ-R7 ADM6348-43ARTZ-R7 ADM6346-46ARTZ Ultralow Power, 3-Lead, SOT-23, Microprocessor Reset Circuit, Active-Low Open-Drain Output, 0.5 A Supply Current; Package: SOT-23-3; No of Pins: 3; Temperature Range: Industrial 1-CHANNEL POWER SUPPLY SUPPORT CKT, PDSO3
1-CHANNEL POWER SUPPLY SUPPORT CKT, PDSO3 ROHS COMPLIANT, TO-236AB, SOT-23, 3 PIN
Ultralow Power, 3-Lead, SOT-23 Microprocessor Reset Circuits
ANALOG DEVICES INC
Analog Devices, Inc.
X5168P-4.5A X5168S8I-4.5AT1 1-CHANNEL POWER SUPPLY SUPPORT CKT, PDIP8 PLASTIC, DIP-8
1-CHANNEL POWER SUPPLY SUPPORT CKT, PDSO8 PLASTIC, SOIC-8
Intersil, Corp.
PST8436R PST8436N PST8436U PST8439U PST8440N PST84 1-CHANNEL POWER SUPPLY SUPPORT CKT, PDSO4 SSON-4
1-CHANNEL POWER SUPPLY SUPPORT CKT, PDSO4 SOT-25, 4 PIN
1-CHANNEL POWER SUPPLY SUPPORT CKT, PDSO4 SC-82, 4 PIN
MITSUMI ELECTRIC CO., LTD.
MITSUMI ELECTRIC CO LTD
 
 Related keyword From Full Text Search System
ADM1014JRU-REEL7 Output ADM1014JRU-REEL7 Transistors ADM1014JRU-REEL7 Rail ADM1014JRU-REEL7 ethernet transceiver ADM1014JRU-REEL7 transistor
ADM1014JRU-REEL7 什么封装 ADM1014JRU-REEL7 ptc data ADM1014JRU-REEL7 ic在线 ADM1014JRU-REEL7 inductors ADM1014JRU-REEL7 analog devices
 

 

Price & Availability of ADM1014JRU-REEL7

All Rights Reserved © IC-ON-LINE 2003 - 2022  

[Add Bookmark] [Contact Us] [Link exchange] [Privacy policy]
Mirror Sites :  [www.datasheet.hk]   [www.maxim4u.com]  [www.ic-on-line.cn] [www.ic-on-line.com] [www.ic-on-line.net] [www.alldatasheet.com.cn] [www.gdcy.com]  [www.gdcy.net]


 . . . . .
  We use cookies to deliver the best possible web experience and assist with our advertising efforts. By continuing to use this site, you consent to the use of cookies. For more information on cookies, please take a look at our Privacy Policy. X
1.0111560821533