Part Number Hot Search : 
74ALVC FE01E 31349 10589 T6201030 ST110319 82721A 02070
Product Description
Full Text Search

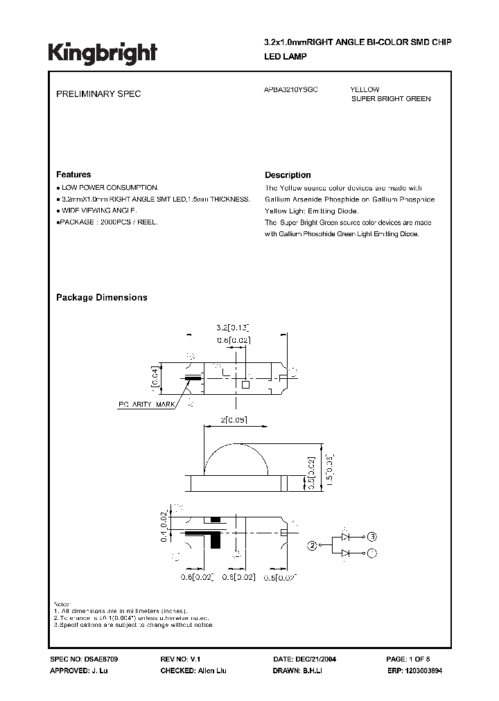
BA3210YSGC - DUAL COLOR LED, YELLOW/SUPER BRIGHT GREEN, 2 mm

BA3210YSGC_7525614.PDF Datasheet


 Full text search : DUAL COLOR LED, YELLOW/SUPER BRIGHT GREEN, 2 mm
 Product Description search : DUAL COLOR LED, YELLOW/SUPER BRIGHT GREEN, 2 mm


 Related Part Number
PART Description Maker
SSF-LXH409SISYW SSF-LXH2103SOSOD/2 T-1 DUAL COLOR LED, SUPER HIGH INTENSITY RED/SUPER YELLOW, 3 mm
T-1 SINGLE COLOR LED ARRAY, SUPER ORANGE, 3 mm
Lumex, Inc.
209UYOSUGC-S530-A3 209UYOSUGC/S530-A3 3.0mm Multi-Color Round Type LED Lamps
T-1 DUAL COLOR LED, SUPER YELLOW ORANGE/SUPER GREEN, 3 mm ROHS COMPLIANT, PLASTIC PACKAGE-3
Everlight Electronics Co., Ltd.
Everlight Electronics C...
QTLP680C-RY QTLP680C-RAG SURFACE MOUNT LED LAMP SUPER BRIGHT REFLECTOR (DUAL COLOR) DUAL COLOR LED, RED/YELLOW GREEN
Fairchild Semiconductor, Corp.
Fairchild Semiconductor Corporation
FAIRCHILD[Fairchild Semiconductor]
NTE30106 LED − Dual Color 5mm Super Fresh Red/Super Yellow Green
NTE Electronics
NTE30110 LED − Dual Color 3mm Super Fresh Red/Super Yellow Green
NTE Electronics
SSF-LXH169SISYW SSF-LXH139SISYW SSF-LXH169SISUGW T-1 3/4 DUAL COLOR LED, SUPER HIGH INTENSITY RED/SUPER YELLOW, 5 mm
T-1 3/4 DUAL COLOR LED, SUPER HIGH INTENSITY RED/ULTRA SUPER GREEN, 5 mm
Lumex, Inc.
NTE30108 LED − Dual Color 5mm Super Red/Yellow Green
NTE Electronics
BPF120-0UY-005V BPF120-0UG-028V BPF120-0UR-028V BP T-1 SINGLE COLOR LED, SUPER YELLOW, 3 mm
T-1 SINGLE COLOR LED, LIME GREEN, 3 mm
T-1 SINGLE COLOR LED, ULTRA RED, 3 mm
T-1 SINGLE COLOR LED, SUPER BLUE, 3 mm
LEDtronics, Inc.
LEDTRONICS INC
LSYA676-P2R1-1Q2S1-1 DUAL COLOR LED, SUPER RED/YELLOW, 2.4 mm ROHS COMPLIANT, SMT, 2 PIN
Electronic Theatre Controls, Inc.
553-0222-300F 553-0133-300F 553-0127-300F 553-0121 LED Lamp; Color:Green; Leaded Process Compatible:Yes; Forward Current:2mA; Forward Voltage:1.9V T-1 SINGLE COLOR LED ARRAY, GREEN, 3 mm
LED 2HI 3MM DIFF YELLOW PC MNT T-1 SINGLE COLOR LED ARRAY, YELLOW, 3 mm
T-1 DUAL COLOR LED ARRAY, ORANGE/GREEN, 3 mm ROHS COMPLIANT PACKAGE-4
T-1 DUAL COLOR LED ARRAY, RED/GREEN, 3 mm ROHS COMPLIANT PACKAGE-4
LED 2HI 3MM DIFF RED PC MNT T-1 SINGLE COLOR LED ARRAY, RED, 3 mm
T-1 DUAL COLOR LED ARRAY, RED/YELLOW, 3 mm ROHS COMPLIANT PACKAGE-4
LED 2HI 3MM CLEAR GREEN PC MNT T-1 SINGLE COLOR LED ARRAY, GREEN, 3 mm
LED 2HI 3MM 5V YELLOW PC MNT
LED 2HI 3MM RED/GRN BICLR PCMNT
Dialight PLC
DIALIGHT CORP
67-22UYSYGC-S530-A5-TR8 67-22UYSYGC/S530-A5/TR8 Bi-Color (Multi-Color) Top LEDs
DUAL COLOR LED, BRILLIANT YELLOW/BRILLIANT YELLOW GREEN, 2.4 mm ROHS COMPLIANT, PLASTIC, LCC-4
Everlight Electronics Co., Ltd.
 
 Related keyword From Full Text Search System
BA3210YSGC Fixed BA3210YSGC external rom BA3210YSGC zener BA3210YSGC Fixed BA3210YSGC supply
BA3210YSGC 型号替换 BA3210YSGC reference voltage BA3210YSGC data BA3210YSGC Serie BA3210YSGC Frequenc
 

 

Price & Availability of BA3210YSGC

All Rights Reserved © IC-ON-LINE 2003 - 2022  

[Add Bookmark] [Contact Us] [Link exchange] [Privacy policy]
Mirror Sites :  [www.datasheet.hk]   [www.maxim4u.com]  [www.ic-on-line.cn] [www.ic-on-line.com] [www.ic-on-line.net] [www.alldatasheet.com.cn] [www.gdcy.com]  [www.gdcy.net]


 . . . . .
  We use cookies to deliver the best possible web experience and assist with our advertising efforts. By continuing to use this site, you consent to the use of cookies. For more information on cookies, please take a look at our Privacy Policy. X
0.043220996856689