Part Number Hot Search : 
5HN02SP D48122 4761A AON2707 LOR976 IT2100L 40426 STK4145
Product Description
Full Text Search

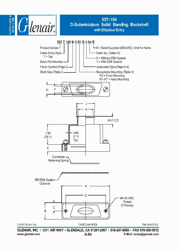
557T196M - D-Subminiature Solid Banding Backshell

557T196M_7487075.PDF Datasheet


 Full text search : D-Subminiature Solid Banding Backshell
 Product Description search : D-Subminiature Solid Banding Backshell


 Related Part Number
PART Description Maker
550T039M 550E039M 550S039M D-Subminiature Banding Split Backshell
Glenair, Inc.
557T186XM 557S186XM Composite D-Subminiature EMI/RFI Banding Split Backshell
Glenair, Inc.
AM2520ID09 AM2520YD09 AM2520SGD09 AM2520SGC09 Subminiature solid state lamp. High efficiency red (peak wavelength 627 nm). Lens type red diffused.
Subminiature solid state lamp. Yellow (peak wavelength 590 nm). Lens type yellow diffused.
Subminiature solid state lamp. Super bright green (peak wavelength 565 nm). Lens type green diffused.
Subminiature solid state lamp. Super bright green (peak wavelength 565 nm). Lens type water clear.
Kingbright Electronic
AM2520E4SGD5V AM2520E4YD5V AM2520E4ID5V Subminiature solid state lamp. Super bright green (peak wavelength 565 nm). Lens type green diffused.
Subminiature solid state lamp. Yellow (peak wavelength 590 nm). Lens type yellow diffused.
Subminiature solid state lamp. High efficiency red (peak wavelength 627 nm). Lens type red diffused.
Kingbright Electronic
AM2520SGC03 AM2520SGD03 AM2520YD03 AM2520 AM2520EC SUBMINIATURE SOLID STATE LAMPS T-3/4 SINGLE COLOR LED, SUPER BRIGHT GREEN, 1.9 mm
SUBMINIATURE SOLID STATE LAMPS T-3/4 SINGLE COLOR LED, YELLOW, 1.9 mm
Kingbright, Corp.
KINGBRIGHT[Kingbright Corporation]
Kingbright Electronic
AM2520EJSGD AM2520EJYD Subminiature solid state lamp. Super bright green (peak wavelength 565 nm). Lens type green diffused.
Subminiature solid state lamp. Yellow (peak wavelength 590 nm). Lens type yellow diffused.
Kingbright Electronic
AM2520E4SGD AM2520E4YD Subminiature solid state lamp. Super bright green (peak wavelength 565 nm). Lens type green diffused.
Subminiature solid state lamp. Yellow (peak wavelength 590 nm). Lens type yellow diffused.
Kingbright Electronic
AM27SEC08 SUBMINIATURE SOLID STATE LAMP
KINGBRIGHT[Kingbright Corporation]
AM27MBCK03 SUBMINIATURE SOLID STATE LAMP
KINGBRIGHT[Kingbright Corporation]
AM27EC09 SUBMINIATURE SOLID STATE LAMP
KINGBRIGHT[Kingbright Corporation]
AM27VGC_A03 AM27VGC AM27VGC/A03 SUBMINIATURE SOLID STATE LAMP
Kingbright Corporation.
KINGBRIGHT[Kingbright Corporation]
 
 Related keyword From Full Text Search System
557T196M positive 557T196M BLDC motor driver 557T196M atmel 557T196M Corp 557T196M 参数比较
557T196M maker 557T196M eeprom pdf 557T196M price 557T196M использование 557T196M 器件参数
 

 

Price & Availability of 557T196M

All Rights Reserved © IC-ON-LINE 2003 - 2022  

[Add Bookmark] [Contact Us] [Link exchange] [Privacy policy]
Mirror Sites :  [www.datasheet.hk]   [www.maxim4u.com]  [www.ic-on-line.cn] [www.ic-on-line.com] [www.ic-on-line.net] [www.alldatasheet.com.cn] [www.gdcy.com]  [www.gdcy.net]


 . . . . .
  We use cookies to deliver the best possible web experience and assist with our advertising efforts. By continuing to use this site, you consent to the use of cookies. For more information on cookies, please take a look at our Privacy Policy. X
0.3674099445343