Part Number Hot Search : 
SDR901 SMA6L54A LSR976 BUV42 LTC3406B CZMA33 PT7A6632 ICL3310E
Product Description
Full Text Search

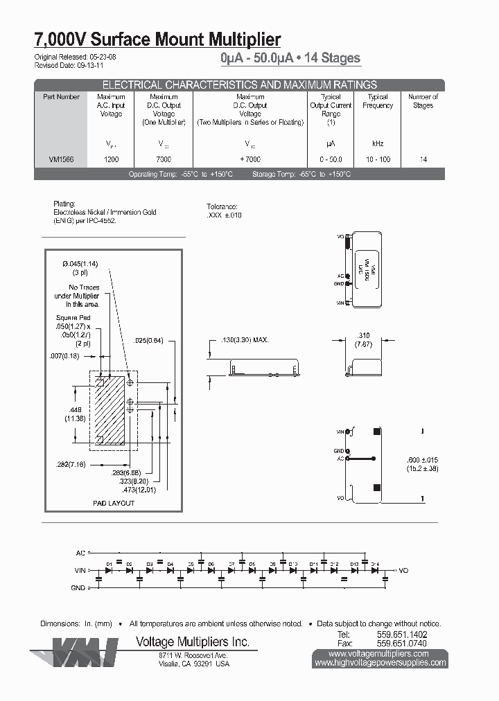
VM1566 - 7,000V Surface Mount Multiplier

VM1566_7199596.PDF Datasheet


 Full text search : 7,000V Surface Mount Multiplier
 Product Description search : 7,000V Surface Mount Multiplier


 Related Part Number
PART Description Maker
ACCT16LTE470M220M ACCT16LTE121M181M ACCT16LTE121M8 RC NETWORK, BUSSED, 0.8W, 47ohm, 0.000022uF, SURFACE MOUNT, TSSOP-16 TSSOP
RC NETWORK, BUSSED, 0.8W, 120ohm, 0.00018uF, SURFACE MOUNT, TSSOP-16 TSSOP
RC NETWORK, BUSSED, 0.8W, 120ohm, 0.000082uF, SURFACE MOUNT, TSSOP-16 TSSOP
RC NETWORK, BUSSED, 0.8W, 150ohm, 0.000022uF, SURFACE MOUNT, TSSOP-16 TSSOP
RC NETWORK, BUSSED, 0.8W, 150ohm, 0.000056uF, SURFACE MOUNT, TSSOP-16 TSSOP
RC NETWORK, BUSSED, 0.8W, 22ohm, 0.00018uF, SURFACE MOUNT, TSSOP-16 TSSOP
RC NETWORK, BUSSED, 0.8W, 39ohm, 0.000047uF, SURFACE MOUNT, TSSOP-16 TSSOP
RC NETWORK, BUSSED, 0.8W, 56ohm, 0.000033uF, SURFACE MOUNT, TSSOP-16 TSSOP
RC NETWORK, BUSSED, 0.8W, 47ohm, 0.00015uF, SURFACE MOUNT, TSSOP-16 TSSOP
RC NETWORK, BUSSED, 0.8W, 33ohm, 0.00015uF, SURFACE MOUNT, TSSOP-16 TSSOP
RC NETWORK, BUSSED, 0.8W, 39ohm, 0.000068uF, SURFACE MOUNT, TSSOP-16 TSSOP
RC NETWORK, BUSSED, 0.8W, 120ohm, 0.00012uF, SURFACE MOUNT, TSSOP-16
RC NETWORK, BUSSED, 1W, 120ohm, 0.0001uF, SURFACE MOUNT, QSOP-20
RC NETWORK, BUSSED, 1W, 120ohm, 0.000022uF, SURFACE MOUNT, TSSOP-20
KOA Speer Electronics,Inc.
KOA SPEER ELECTRONICS INC
CC0805ZRY5V6BB103 CC0805ZRY5V5BB103 CC0805ZRY5V7BB SURFACE-MOUNT CERAMIC MULTILAYER CAPACITORS14
SURFACE-MOUNT CERAMIC CERAMIC
SURFACE-MOUNT CERAMIC SURFACE-MOUNT CERAMIC
   SURFACE-MOUNT CERAMIC MULTILAYER CAPACITORS
   SURFACE-MOUNT CERAMIC CERAMIC
   This cpecification describes Y5V series chip catacitors with lead-free terminations.
   SURFACE-MOUNT CERAMIC MULTILAYER CAPACITORS14
YAGEO Corporation
List of Unclassifed Man...
CRCA12E080683100E CRCA12S080683100E CRCA12E0811001 RC NETWORK, ISOLATED, 0.125W, 120ohm, 50V, 0.0001uF, SURFACE MOUNT, 8
RC NETWORK, ISOLATED, 0.125W, 120ohm, 50V, 0.000033uF, SURFACE MOUNT, 8
RC NETWORK, ISOLATED, 0.125W, 120ohm, 50V, 0.0018uF, SURFACE MOUNT, 8
RC NETWORK, TERMINATOR, 0.125W, 560000ohm, 50V, 0.00022uF, SURFACE MOUNT, 10
RC NETWORK, TERMINATOR, 0.125W, 560000ohm, 50V, 0.00027uF, SURFACE MOUNT, 10
RC NETWORK, ISOLATED, 0.125W, 220000ohm, 50V, 0.000033uF, SURFACE MOUNT, 10
RC NETWORK, ISOLATED, 0.125W, 18000ohm, 50V, 0.000047uF, SURFACE MOUNT, 10
RC NETWORK, BUSSED, 0.125W, 13000ohm, 50V, 0.00022uF, SURFACE MOUNT, 10
RC NETWORK, BUSSED, 0.125W, 13ohm, 50V, 0.0001uF, SURFACE MOUNT, 10
RC NETWORK, TERMINATOR, 0.125W, 390ohm, 50V, 0.0001uF, SURFACE MOUNT, 10
RC NETWORK, BUSSED, 0.125W, 470000ohm, 50V, 0.00015uF, SURFACE MOUNT, 10
RC NETWORK, BUSSED, 0.125W, 430000ohm, 50V, 0.00047uF, SURFACE MOUNT, 10
Thick Film Array, Resistor/Capacitor
RC NETWORK, ISOLATED, 0.125W, 330000ohm, 50V, 0.0018uF, SURFACE MOUNT, 8
RC NETWORK, ISOLATED, 0.125W, 680ohm, 50V, 0.0018uF, SURFACE MOUNT, 10
RC NETWORK, ISOLATED, 0.125W, 680ohm, 50V, 0.000033uF, SURFACE MOUNT, 10
RC NETWORK, ISOLATED, 0.125W, 680ohm, 50V, 0.001uF, SURFACE MOUNT, 10
RC NETWORK, TERMINATOR, 0.125W, 130000ohm, 50V, 0.0018uF, SURFACE MOUNT, 10
RC NETWORK, ISOLATED, 0.125W, 680ohm, 50V, 0.0001uF, SURFACE MOUNT, 10
RC NETWORK, ISOLATED, 0.125W, 680ohm, 50V, 0.000022uF, SURFACE MOUNT, 10
RC NETWORK, BUSSED, 0.125W, 10000ohm, 50V, 0.000015uF, SURFACE MOUNT, 10
RC NETWORK, ISOLATED, 0.125W, 2700ohm, 50V, 0.00068uF, SURFACE MOUNT, 8
RC NETWORK, ISOLATED, 0.125W, 620ohm, 50V, 0.00033uF, SURFACE MOUNT, 10
RC NETWORK, TERMINATOR, 0.125W, 620ohm, 50V, 0.00033uF, SURFACE MOUNT, 10
RC NETWORK, ISOLATED, 0.125W, 39ohm, 50V, 0.00068uF, SURFACE MOUNT, 8
RC NETWORK, ISOLATED, 0.125W, 39ohm, 50V, 0.000068uF, SURFACE MOUNT, 8
RC NETWORK, TERMINATOR, 0.125W, 39ohm, 50V, 0.000068uF, SURFACE MOUNT, 10
RC NETWORK, ISOLATED, 0.125W, 200ohm, 50V, 0.000033uF, SURFACE MOUNT, 10
RC NETWORK, ISOLATED, 0.125W, 200ohm, 50V, 0.000033uF, SURFACE MOUNT, 8
RC NETWORK, BUSSED, 0.125W, 6800ohm, 50V, 0.000068uF, SURFACE MOUNT, 10
RC NETWORK, BUSSED, 0.125W, 6800ohm, 50V, 0.00068uF, SURFACE MOUNT, 10
RC NETWORK, BUSSED, 0.125W, 4700ohm, 50V, 0.00015uF, SURFACE MOUNT, 10
RC NETWORK, BUSSED, 0.125W, 4700ohm, 50V, 0.001uF, SURFACE MOUNT, 10
RC NETWORK, BUSSED, 0.125W, 160ohm, 50V, 0.00027uF, SURFACE MOUNT, 10
RC NETWORK, ISOLATED, 0.125W, 620000ohm, 50V, 0.000015uF, SURFACE MOUNT, 10
RC NETWORK, ISOLATED, 0.125W, 620000ohm, 50V, 0.0001uF, SURFACE MOUNT, 10
RC NETWORK, ISOLATED, 0.125W, 620000ohm, 50V, 0.00022uF, SURFACE MOUNT, 10
RC NETWORK, TERMINATOR, 0.125W, 750000ohm, 50V, 0.0001uF, SURFACE MOUNT, 10
RC NETWORK, ISOLATED, 0.125W, 15000ohm, 50V, 0.000015uF, SURFACE MOUNT, 8
RC NETWORK, TERMINATOR, 0.125W, 270ohm, 50V, 0.000033uF, SURFACE MOUNT, 10
RC NETWORK, TERMINATOR, 0.125W, 12000ohm, 50V, 0.000015uF, SURFACE MOUNT, 10
RC NETWORK, BUSSED, 0.125W, 13ohm, 50V, 0.0015uF, SURFACE MOUNT, 10
RC NETWORK, ISOLATED, 0.125W, 470ohm, 50V, 0.00027uF, SURFACE MOUNT, 10
RC NETWORK, ISOLATED, 0.125W, 220000ohm, 50V, 0.00033uF, SURFACE MOUNT, 10
RC NETWORK, ISOLATED, 0.125W, 220000ohm, 50V, 0.000033uF, SURFACE MOUNT, 8
RC NETWORK, ISOLATED, 0.125W, 220000ohm, 50V, 0.00033uF, SURFACE MOUNT, 8
RC NETWORK, TERMINATOR, 0.125W, 560000ohm, 50V, 0.000022uF, SURFACE MOUNT, 10
RC NETWORK, ISOLATED, 0.125W, 120ohm, 50V, 0.00022uF, SURFACE MOUNT, 8
Vishay Siliconix
VISHAY DALE
TPI-0402-30R9D TPI-0402-40R2D TPI-0402-12R0D TPI-0 RESISTOR, THIN FILM, 0.063 W, 0.5 %, 100 ppm, 30.9 ohm, SURFACE MOUNT, 0402 CHIP
RESISTOR, THIN FILM, 0.063 W, 0.5 %, 100 ppm, 40.2 ohm, SURFACE MOUNT, 0402 CHIP
RESISTOR, THIN FILM, 0.063 W, 0.5 %, 100 ppm, 12 ohm, SURFACE MOUNT, 0402 CHIP
RESISTOR, THIN FILM, 0.063 W, 0.5 %, 100 ppm, 30.5 ohm, SURFACE MOUNT, 0402 CHIP
RESISTOR, THIN FILM, 0.1 W, 0.5 %, 50 ppm, 11.8 ohm, SURFACE MOUNT, 0805 CHIP
RESISTOR, THIN FILM, 0.1 W, 0.5 %, 50 ppm, 13.8 ohm, SURFACE MOUNT, 0805 CHIP
RESISTOR, THIN FILM, 0.063 W, 0.5 %, 100 ppm, 11.8 ohm, SURFACE MOUNT, 0402 CHIP
RESISTOR, THIN FILM, 0.063 W, 0.5 %, 100 ppm, 13.8 ohm, SURFACE MOUNT, 0402 CHIP
RESISTOR, THIN FILM, 0.063 W, 0.5 %, 100 ppm, 15.8 ohm, SURFACE MOUNT, 0402 CHIP
RESISTOR, THIN FILM, 0.063 W, 0.5 %, 100 ppm, 17.8 ohm, SURFACE MOUNT, 0402 CHIP
RESISTOR, THIN FILM, 0.063 W, 0.5 %, 100 ppm, 19.8 ohm, SURFACE MOUNT, 0402 CHIP
RESISTOR, THIN FILM, 0.063 W, 0.5 %, 100 ppm, 20.8 ohm, SURFACE MOUNT, 0402 CHIP
RESISTOR, THIN FILM, 0.063 W, 0.5 %, 100 ppm, 21.8 ohm, SURFACE MOUNT, 0402 CHIP
RESISTOR, THIN FILM, 0.063 W, 0.5 %, 100 ppm, 25.8 ohm, SURFACE MOUNT, 0402 CHIP
RESISTOR, THIN FILM, 0.063 W, 0.5 %, 100 ppm, 29.8 ohm, SURFACE MOUNT, 0402 CHIP
RESISTOR, THIN FILM, 0.063 W, 0.5 %, 100 ppm, 34.8 ohm, SURFACE MOUNT, 0402 CHIP
RESISTOR, THIN FILM, 0.063 W, 0.5 %, 100 ppm, 38.8 ohm, SURFACE MOUNT, 0402 CHIP
RESISTOR, THIN FILM, 0.125 W, 0.5 %, 50 ppm, 12.9 ohm, SURFACE MOUNT, 1206 CHIP
RESISTOR, THIN FILM, 0.063 W, 0.5 %, 100 ppm, 32.8 ohm, SURFACE MOUNT, 0402 CHIP
RESISTOR, THIN FILM, 0.125 W, 0.5 %, 25 ppm, 7060 ohm, SURFACE MOUNT, 1206 CHIP
RESISTOR, THIN FILM, 0.063 W, 0.5 %, 100 ppm, 13.5 ohm, SURFACE MOUNT, 0402 CHIP
RESISTOR, THIN FILM, 0.063 W, 0.5 %, 100 ppm, 11.5 ohm, SURFACE MOUNT, 0402 CHIP
RESISTOR, THIN FILM, 0.063 W, 0.5 %, 100 ppm, 11.4 ohm, SURFACE MOUNT, 0402 CHIP
RESISTOR, THIN FILM, 0.125 W, 0.5 %, 25 ppm, 806 ohm, SURFACE MOUNT, 1206 CHIP
RESISTOR, THIN FILM, 0.125 W, 0.1 %, 25 ppm, 7060 ohm, SURFACE MOUNT, 1206 CHIP
RESISTOR, THIN FILM, 0.063 W, 0.5 %, 100 ppm, 16.4 ohm, SURFACE MOUNT, 0402 CHIP
RESISTOR, THIN FILM, 0.063 W, 0.5 %, 100 ppm, 10.5 ohm, SURFACE MOUNT, 0402 CHIP
RESISTOR, THIN FILM, 0.063 W, 0.5 %, 100 ppm, 23.4 ohm, SURFACE MOUNT, 0402 CHIP
RESISTOR, THIN FILM, 0.063 W, 0.5 %, 25 ppm, 1350 ohm, SURFACE MOUNT, 0402 CHIP
RESISTOR, THIN FILM, 0.063 W, 0.5 %, 25 ppm, 100 ohm, SURFACE MOUNT, 0402 CHIP
RESISTOR, THIN FILM, 0.125 W, 0.5 %, 25 ppm, 706000 ohm, SURFACE MOUNT, 1206 CHIP
RESISTOR, THIN FILM, 0.063 W, 0.5 %, 100 ppm, 26.4 ohm, SURFACE MOUNT, 0402 CHIP
RESISTOR, THIN FILM, 0.063 W, 0.5 %, 25 ppm, 15000 ohm, SURFACE MOUNT, 0402 CHIP
RESISTOR, THIN FILM, 0.063 W, 0.5 %, 100 ppm, 28.4 ohm, SURFACE MOUNT, 0402 CHIP
RESISTOR, THIN FILM, 0.063 W, 0.5 %, 100 ppm, 17.4 ohm, SURFACE MOUNT, 0402 CHIP
RESISTOR, THIN FILM, 0.063 W, 0.5 %, 100 ppm, 14.5 ohm, SURFACE MOUNT, 0402 CHIP
RESISTOR, THIN FILM, 0.1 W, 0.1 %, 5 ppm, 10700 ohm, SURFACE MOUNT, 0805 CHIP
RESISTOR, THIN FILM, 0.063 W, 0.5 %, 25 ppm, 1020 ohm, SURFACE MOUNT, 0402 CHIP
RESISTOR, THIN FILM, 0.063 W, 0.5 %, 100 ppm, 40.7 ohm, SURFACE MOUNT, 0402 CHIP
RESISTOR, THIN FILM, 0.1 W, 0.1 %, 5 ppm, 10000 ohm, SURFACE MOUNT, 0805 CHIP
RESISTOR, THIN FILM, 0.063 W, 0.5 %, 100 ppm, 12.4 ohm, SURFACE MOUNT, 0402 CHIP
RESISTOR, THIN FILM, 0.063 W, 0.5 %, 100 ppm, 29.4 ohm, SURFACE MOUNT, 0402 CHIP
RESISTOR, THIN FILM, 0.1 W, 0.1 %, 5 ppm, 10500 ohm, SURFACE MOUNT, 0805 CHIP
RESISTOR, THIN FILM, 0.063 W, 0.5 %, 25 ppm, 135 ohm, SURFACE MOUNT, 0402 CHIP
RESISTOR, THIN FILM, 0.063 W, 0.5 %, 25 ppm, 1000 ohm, SURFACE MOUNT, 0402 CHIP
RESISTOR, THIN FILM, 0.063 W, 0.5 %, 25 ppm, 100000 ohm, SURFACE MOUNT, 0402 CHIP
RESISTOR, THIN FILM, 0.125 W, 0.5 %, 50 ppm, 19.6 ohm, SURFACE MOUNT, 1206 CHIP
RESISTOR, THIN FILM, 0.1 W, 0.1 %, 5 ppm, 102 ohm, SURFACE MOUNT, 0805 CHIP
RESISTOR, THIN FILM, 0.1 W, 0.5 %, 5 ppm, 10000 ohm, SURFACE MOUNT, 0805 CHIP
RESISTOR, THIN FILM, 0.063 W, 0.5 %, 25 ppm, 13500 ohm, SURFACE MOUNT, 0402 CHIP
RESISTOR, THIN FILM, 0.125 W, 0.1 %, 25 ppm, 10600 ohm, SURFACE MOUNT, 1206 CHIP
RESISTOR, THIN FILM, 0.063 W, 0.5 %, 100 ppm, 15.4 ohm, SURFACE MOUNT, 0402 CHIP
RESISTOR, THIN FILM, 0.063 W, 0.5 %, 25 ppm, 1050 ohm, SURFACE MOUNT, 0402 CHIP
RESISTOR, THIN FILM, 0.063 W, 0.5 %, 25 ppm, 101 ohm, SURFACE MOUNT, 0402 CHIP
RESISTOR, THIN FILM, 0.125 W, 0.5 %, 50 ppm, 12.3 ohm, SURFACE MOUNT, 1206 CHIP
RESISTOR, THIN FILM, 0.063 W, 0.5 %, 25 ppm, 10400 ohm, SURFACE MOUNT, 0402 CHIP
RESISTOR, THIN FILM, 0.1 W, 0.5 %, 25 ppm, 100 ohm, SURFACE MOUNT, 0805 CHIP
RESISTOR, THIN FILM, 0.063 W, 0.5 %, 25 ppm, 10000 ohm, SURFACE MOUNT, 0402 CHIP
RESISTOR, THIN FILM, 0.125 W, 0.1 %, 25 ppm, 706000 ohm, SURFACE MOUNT, 1206 CHIP
RESISTOR, THIN FILM, 0.063 W, 0.5 %, 25 ppm, 10500 ohm, SURFACE MOUNT, 0402 CHIP
RESISTOR, THIN FILM, 0.125 W, 0.5 %, 25 ppm, 53.6 ohm, SURFACE MOUNT, 1206 CHIP
RESISTOR, THIN FILM, 0.063 W, 0.5 %, 25 ppm, 1450 ohm, SURFACE MOUNT, 0402 CHIP
RESISTOR, THIN FILM, 0.125 W, 0.5 %, 25 ppm, 86.6 ohm, SURFACE MOUNT, 1206 CHIP
RESISTOR, THIN FILM, 0.1 W, 0.5 %, 5 ppm, 10200 ohm, SURFACE MOUNT, 0805 CHIP
RESISTOR, THIN FILM, 0.063 W, 0.5 %, 25 ppm, 604 ohm, SURFACE MOUNT, 0402 CHIP
RESISTOR, THIN FILM, 0.1 W, 0.5 %, 5 ppm, 10400 ohm, SURFACE MOUNT, 0805 CHIP
RESISTOR, THIN FILM, 0.063 W, 0.5 %, 25 ppm, 14500 ohm, SURFACE MOUNT, 0402 CHIP
RESISTOR, THIN FILM, 0.1 W, 0.1 %, 5 ppm, 1000 ohm, SURFACE MOUNT, 0805 CHIP
RESISTOR, THIN FILM, 0.063 W, 0.5 %, 25 ppm, 115 ohm, SURFACE MOUNT, 0402 CHIP
RESISTOR, THIN FILM, 0.063 W, 0.5 %, 25 ppm, 150 ohm, SURFACE MOUNT, 0402 CHIP
RESISTOR, THIN FILM, 0.1 W, 0.1 %, 5 ppm, 10200 ohm, SURFACE MOUNT, 0805 CHIP
RESISTOR, THIN FILM, 0.125 W, 0.5 %, 25 ppm, 70600 ohm, SURFACE MOUNT, 1206 CHIP
RESISTOR, THIN FILM, 0.1 W, 0.1 %, 5 ppm, 100 ohm, SURFACE MOUNT, 0805 CHIP
RESISTOR, THIN FILM, 0.1 W, 0.1 %, 5 ppm, 10600 ohm, SURFACE MOUNT, 0805 CHIP
RESISTOR, THIN FILM, 0.125 W, 0.5 %, 50 ppm, 10.6 ohm, SURFACE MOUNT, 1206 CHIP
RESISTOR, THIN FILM, 0.1 W, 0.5 %, 5 ppm, 1010 ohm, SURFACE MOUNT, 0805 CHIP
RESISTOR, THIN FILM, 0.1 W, 0.5 %, 5 ppm, 10600 ohm, SURFACE MOUNT, 0805 CHIP
RESISTOR, THIN FILM, 0.063 W, 0.5 %, 25 ppm, 1150 ohm, SURFACE MOUNT, 0402 CHIP
RESISTOR, THIN FILM, 0.063 W, 0.5 %, 25 ppm, 1500 ohm, SURFACE MOUNT, 0402 CHIP
RESISTOR, THIN FILM, 0.063 W, 0.5 %, 25; 100 ppm, 10 ohm - 100000 ohm, SURFACE MOUNT, 0402 CHIP
RESISTOR, THIN FILM, 0.125 W, 0.5 %, 25 ppm, 81.6 ohm, SURFACE MOUNT, 1206 CHIP
RESISTOR, THIN FILM, 0.125 W, 0.5 %, 25 ppm, 1060 ohm, SURFACE MOUNT, 1206 CHIP
RESISTOR, THIN FILM, 0.063 W, 0.5 %, 25 ppm, 104 ohm, SURFACE MOUNT, 0402 CHIP
RESISTOR, THIN FILM, 0.125 W, 0.5 %, 25 ppm, 85.6 ohm, SURFACE MOUNT, 1206 CHIP
RESISTOR, THIN FILM, 0.125 W, 0.1 %, 25 ppm, 70600 ohm, SURFACE MOUNT, 1206 CHIP
RESISTOR, THIN FILM, 0.063 W, 0.5 %, 25 ppm, 6040 ohm, SURFACE MOUNT, 0402 CHIP
RESISTOR, THIN FILM, 0.1 W, 0.5 %, 5 ppm, 1000 ohm, SURFACE MOUNT, 0805 CHIP
RESISTOR, THIN FILM, 0.063 W, 0.5 %, 100 ppm, 32.4 ohm, SURFACE MOUNT, 0402 CHIP
RESISTOR, THIN FILM, 0.063 W, 0.5 %, 25 ppm, 1010 ohm, SURFACE MOUNT, 0402 CHIP
RESISTOR, THIN FILM, 0.1 W, 0.1 %, 5 ppm, 101 ohm, SURFACE MOUNT, 0805 CHIP
RESISTOR, THIN FILM, 0.125 W, 0.5 %, 50 ppm, 24.6 ohm, SURFACE MOUNT, 1206 CHIP
RESISTOR, THIN FILM, 0.125 W, 0.5 %, 50 ppm, 22.6 ohm, SURFACE MOUNT, 1206 CHIP
RESISTOR, THIN FILM, 0.063 W, 0.5 %, 100 ppm, 27.4 ohm, SURFACE MOUNT, 0402 CHIP
RESISTOR, THIN FILM, 0.125 W, 0.5 %, 50 ppm, 12.6 ohm, SURFACE MOUNT, 1206 CHIP
RESISTOR, THIN FILM, 0.125 W, 0.5 %, 25 ppm, 10600 ohm, SURFACE MOUNT, 1206 CHIP
RESISTOR, THIN FILM, 0.1 W, 0.1 %, 5 ppm, 10100 ohm, SURFACE MOUNT, 0805 CHIP
RESISTOR, THIN FILM, 0.1 W, 0.1 %, 5 ppm, 10400 ohm, SURFACE MOUNT, 0805 CHIP
RESISTOR, THIN FILM, 0.1 W, 0.5 %, 5 ppm, 10700 ohm, SURFACE MOUNT, 0805 CHIP
RESISTOR, THIN FILM, 0.063 W, 0.5 %, 25 ppm, 11500 ohm, SURFACE MOUNT, 0402 CHIP
RESISTOR, THIN FILM, 0.063 W, 0.5 %, 25 ppm, 152 ohm, SURFACE MOUNT, 0402 CHIP
RESISTOR, THIN FILM, 0.1 W, 0.5 %, 5 ppm, 102 ohm, SURFACE MOUNT, 0805 CHIP
RESISTOR, THIN FILM, 0.125 W, 0.5 %, 25 ppm, 55.6 ohm, SURFACE MOUNT, 1206 CHIP
RESISTOR, THIN FILM, 0.125 W, 0.5 %, 25 ppm, 106 ohm, SURFACE MOUNT, 1206 CHIP
RESISTOR, THIN FILM, 0.063 W, 0.5 %, 100 ppm, 10.4 ohm, SURFACE MOUNT, 0402 CHIP
RESISTOR, THIN FILM, 0.063 W, 0.5 %, 25 ppm, 145 ohm, SURFACE MOUNT, 0402 CHIP
RESISTOR, THIN FILM, 0.125 W, 0.5 %, 25 ppm, 79.6 ohm, SURFACE MOUNT, 1206 CHIP
RESISTOR, THIN FILM, 0.1 W, 0.1 %, 5 ppm, 1020 ohm, SURFACE MOUNT, 0805 CHIP
RESISTOR, THIN FILM, 0.125 W, 0.5 %, 50 ppm, 15.6 ohm, SURFACE MOUNT, 1206 CHIP
RESISTOR, THIN FILM, 0.063 W, 0.5 %, 25 ppm, 105 ohm, SURFACE MOUNT, 0402 CHIP
RESISTOR, THIN FILM, 0.125 W, 0.5 %, 25 ppm, 80.6 ohm, SURFACE MOUNT, 1206 CHIP
RESISTOR, THIN FILM, 0.1 W, 0.5 %, 5 ppm, 1020 ohm, SURFACE MOUNT, 0805 CHIP
RESISTOR, THIN FILM, 0.1 W, 0.5 %, 50 ppm, 80.6 ohm, SURFACE MOUNT, 0805 CHIP
RESISTOR, THIN FILM, 0.063 W, 0.5 %, 25 ppm, 1040 ohm, SURFACE MOUNT, 0402 CHIP
RESISTOR, THIN FILM, 0.1 W, 0.5 %, 5 ppm, 101 ohm, SURFACE MOUNT, 0805 CHIP
RESISTOR, THIN FILM, 0.125 W, 0.1 %, 25 ppm, 806 ohm, SURFACE MOUNT, 1206 CHIP
RESISTOR, THIN FILM, 0.125 W, 0.5 %, 25 ppm, 62.6 ohm, SURFACE MOUNT, 1206 CHIP
RESISTOR, THIN FILM, 0.125 W, 0.5 %, 50 ppm, 12 ohm, SURFACE MOUNT, 1206 CHIP
RESISTOR, THIN FILM, 0.1 W, 0.1 %, 5 ppm, 1010 ohm, SURFACE MOUNT, 0805 CHIP
RESISTOR, THIN FILM, 0.125 W, 0.5 %, 50 ppm, 31.6 ohm, SURFACE MOUNT, 1206 CHIP
RESISTOR, THIN FILM, 0.125 W, 0.1 %, 25 ppm, 706 ohm, SURFACE MOUNT, 1206 CHIP
RESISTOR, THIN FILM, 0.125 W, 0.5 %, 50 ppm, 17.6 ohm, SURFACE MOUNT, 1206 CHIP
RESISTOR, THIN FILM, 0.1 W, 0.5 %, 5 ppm, 10900 ohm, SURFACE MOUNT, 0805 CHIP
RESISTOR, THIN FILM, 0.125 W, 0.5 %, 25 ppm, 57.6 ohm, SURFACE MOUNT, 1206 CHIP
RESISTOR, THIN FILM, 0.1 W, 0.5 %, 5 ppm, 100 ohm, SURFACE MOUNT, 0805 CHIP
RESISTOR, THIN FILM, 0.1 W, 0.5 %, 5 ppm, 10100 ohm, SURFACE MOUNT, 0805 CHIP
RESISTOR, THIN FILM, 0.063 W, 0.5 %, 25 ppm, 60400 ohm, SURFACE MOUNT, 0402 CHIP
RESISTOR, THIN FILM, 0.063 W, 0.5 %, 25 ppm, 102 ohm, SURFACE MOUNT, 0402 CHIP
RESISTOR, THIN FILM, 0.063 W, 0.5 %, 25 ppm, 10200 ohm, SURFACE MOUNT, 0402 CHIP
RESISTOR, THIN FILM, 0.125 W, 0.5 %, 25 ppm, 106000 ohm, SURFACE MOUNT, 1206 CHIP
RESISTOR, THIN FILM, 0.125 W, 0.5 %, 50 ppm, 12.4 ohm, SURFACE MOUNT, 1206 CHIP
RESISTOR, THIN FILM, 0.063 W, 0.5 %, 25 ppm, 10100 ohm, SURFACE MOUNT, 0402 CHIP
RESISTOR, THIN FILM, 0.125 W, 0.5 %, 50 ppm, 33.6 ohm, SURFACE MOUNT, 1206 CHIP
RESISTOR, THIN FILM, 0.063 W, 0.5 %, 100 ppm, 37.4 ohm, SURFACE MOUNT, 0402 CHIP
RESISTOR, THIN FILM, 0.1 W, 0.1 %, 5 ppm, 10900 ohm, SURFACE MOUNT, 0805 CHIP
RESISTOR, THIN FILM, 0.125 W, 0.1 %, 25 ppm, 1060 ohm, SURFACE MOUNT, 1206 CHIP
RESISTOR, THIN FILM, 0.1 W, 0.5 %, 5 ppm, 10500 ohm, SURFACE MOUNT, 0805 CHIP
RESISTOR, THIN FILM, 0.125 W, 0.5 %, 50 ppm, 12.1 ohm, SURFACE MOUNT, 1206 CHIP
RESISTOR, THIN FILM, 0.125 W, 0.1 %, 25 ppm, 106000 ohm, SURFACE MOUNT, 1206 CHIP
RESISTOR, THIN FILM, 0.063 W, 0.5 %, 100 ppm, 18.4 ohm, SURFACE MOUNT, 0402 CHIP
International Manufacturing Services, Inc.
HIROSE ELECTRIC Co., Ltd.
Anaren, Inc.
F0603FF0500V032T F0402FA0750V024T F0402FA1500V024T 1206 High Current Rating Fast Acting Surface Mount Fuses
0603 Fast Acting Surface Mount Fuses
HA Series of Surface Mount Multilayer Varistors
1206 Fast Acting Surface Mount Fuses
0603 Very Fast Acting Surface Mount Fuses
0402 Fast Acting Surface Mount Fuses
1206 High Inrush Current Surface Mount Fuses
1206 Slow Blow Surface Mount Fuses
AEM
CR1206-FX-4531ELF CR1206-FX-45R3ELF CR1206-FX-4533 CHIP RESISTOR RESISTOR, 0.25 W, 5 %, 200 ppm, 8.2 ohm, SURFACE MOUNT, 1206
Suitable for all types of soldering processes
Three layer contacting process with nickel barrier prevents leaching and provides excellent solderability
CR0603/CR0805/CR1206 - Chip Resistors
Tight tolerances of bottom electrode width
CHIP RESISTOR RESISTOR, 0.1 W, 1 %, 100 ppm, 16.2 ohm, SURFACE MOUNT, 0603
SMD Chip Resistors 3.09K ohm 1% RESISTOR, 0.1 W, 1 %, 100 ppm, 3090 ohm, SURFACE MOUNT, 0603
SMD Chip Resistors 2.26K 1% 1/10W RESISTOR, 0.1 W, 1 %, 100 ppm, 2260 ohm, SURFACE MOUNT, 0603
SMD Chip Resistors 4.53K ohm 1% RESISTOR, 0.1 W, 1 %, 100 ppm, 4530 ohm, SURFACE MOUNT, 0603
SMD Chip Resistors 3.83K ohm 1% RESISTOR, 0.1 W, 1 %, 100 ppm, 3830 ohm, SURFACE MOUNT, 0603
CHIP RESISTOR RESISTOR, 0.125 W, 5 %, 500 ppm, 2 ohm, SURFACE MOUNT, 0805
CHIP RESISTOR RESISTOR, 0.1 W, 5 %, 500 ppm, 2.7 ohm, SURFACE MOUNT, 0603
SMD Chip Resistors 1.47K 1% RESISTOR, 0.125 W, 1 %, 100 ppm, 1470 ohm, SURFACE MOUNT, 0805
CHIP RESISTOR RESISTOR, 0.25 W, 1 %, 100 ppm, 1070 ohm, SURFACE MOUNT, 1206
SMD Chip Resistors 27ohm 1% RESISTOR, 0.125 W, 1 %, 100 ppm, 27 ohm, SURFACE MOUNT, 0805
Standard Thick Film Chip Resistor: 10 ohms through 1 megohm, 1 %, 100 ppm, .100 W RESISTOR, 0.125 W, 1 %, 100 ppm, 68.1 ohm, SURFACE MOUNT, 0805
SMD Chip Resistors 8.2K ohm 1% RESISTOR, 0.1 W, 1 %, 100 ppm, 8200 ohm, SURFACE MOUNT, 0603
Standard Thick Film Chip Resistor: 10 ohms through 1 megohm, 1 %, 100 ppm, .100 W RESISTOR, 0.1 W, 1 %, 100 ppm, 33.2 ohm, SURFACE MOUNT, 0603
Standard Thick Film Chip Resistor: 10 ohms through 1 megohm, 1 %, 100 ppm, .100 W RESISTOR, 0.1 W, 1 %, 100 ppm, 4700 ohm, SURFACE MOUNT, 0603
SMD Chip Resistors 68.1K 1% RESISTOR, 0.125 W, 1 %, 100 ppm, 68100 ohm, SURFACE MOUNT, 0805
SMD Chip Resistors 182ohm 1% RESISTOR, 0.125 W, 1 %, 100 ppm, 182 ohm, SURFACE MOUNT, 0805
CHIP RESISTOR RESISTOR, 0.25 W, 1 %, 100 ppm, 11.8 ohm, SURFACE MOUNT, 1206
CHIP RESISTOR RESISTOR, 0.1 W, 1 %, 100 ppm, 11.5 ohm, SURFACE MOUNT, 0603
CHIP RESISTOR RESISTOR, 0.1 W, 5 %, 200 ppm, 8200000 ohm, SURFACE MOUNT, 0603
CHIP RESISTOR RESISTOR, 0.1 W, 1 %, 100 ppm, 16.5 ohm, SURFACE MOUNT, 0603
CHIP RESISTOR RESISTOR, 0.1 W, 1 %, 100 ppm, 34.8 ohm, SURFACE MOUNT, 0603
CHIP RESISTOR RESISTOR, 0.1 W, 5 %, 500 ppm, 1.8 ohm, SURFACE MOUNT, 0603
Standard Thick Film Chip Resistor: 10 ohms through 1 megohm, 1 %, 100 ppm, .100 W RESISTOR, 0.1 W, 1 %, 100 ppm, 33 ohm, SURFACE MOUNT, 0603
CHIP RESISTOR RESISTOR, 0.125 W, 1 %, 100 ppm, 12.1 ohm, SURFACE MOUNT, 0805
CHIP RESISTOR RESISTOR, 0.125 W, 5 %, 200 ppm, 1500 ohm, SURFACE MOUNT, 0805
CHIP RESISTOR RESISTOR, 0.25 W, 5 %, 200 ppm, 15000 ohm, SURFACE MOUNT, 1206
SMD Chip Resistors 75K 5% RESISTOR, 0.25 W, 5 %, 200 ppm, 75000 ohm, SURFACE MOUNT, 1206
SMD Chip Resistors 11ohm 5% 1/10W RESISTOR, 0.1 W, 5 %, 200 ppm, 11 ohm, SURFACE MOUNT, 0603
CHIP RESISTOR RESISTOR, 0.1 W, 5 %, 200 ppm, 180 ohm, SURFACE MOUNT, 0603
CHIP RESISTOR RESISTOR, 0.25 W, 5 %, 200 ppm, 6200000 ohm, SURFACE MOUNT, 1206
CHIP RESISTOR RESISTOR, 0.25 W, 5 %, 200 ppm, 30 ohm, SURFACE MOUNT, 1206
CHIP RESISTOR RESISTOR, 0.25 W, 5 %, 200 ppm, 1500 ohm, SURFACE MOUNT, 1206
CHIP RESISTOR RESISTOR, 0.1 W, 5 %, 200 ppm, 680 ohm, SURFACE MOUNT, 0603
SMD Chip Resistors 75K ohm 5% RESISTOR, 0.1 W, 5 %, 200 ppm, 75000 ohm, SURFACE MOUNT, 0603
CHIP RESISTOR RESISTOR, 0.1 W, 5 %, 200 ppm, 2400 ohm, SURFACE MOUNT, 0603
CHIP RESISTOR RESISTOR, 0.25 W, 5 %, 200 ppm, 3900000 ohm, SURFACE MOUNT, 1206
SMD Chip Resistors 180ohm 5% RESISTOR, 0.25 W, 5 %, 200 ppm, 180 ohm, SURFACE MOUNT, 1206
Standard Thick Film Chip Resistor: 10 ohms through 10 megohms, 5 %, 200 ppm, .100 W RESISTOR, 0.1 W, 5 %, 200 ppm, 18 ohm, SURFACE MOUNT, 0603
CHIP RESISTOR RESISTOR, 0.1 W, 5 %, 200 ppm, 56 ohm, SURFACE MOUNT, 0603
CHIP RESISTOR RESISTOR, 0.25 W, 5 %, 200 ppm, 51 ohm, SURFACE MOUNT, 1206
SMD Chip Resistors 180K ohm 5% RESISTOR, 0.25 W, 5 %, 200 ppm, 180000 ohm, SURFACE MOUNT, 1206
CHIP RESISTOR RESISTOR, 0.1 W, 5 %, 200 ppm, 43 ohm, SURFACE MOUNT, 0603
Standard Thick Film Chip Resistor: 10 ohms through 10 megohms, 5 %, 200 ppm, .100 W RESISTOR, 0.25 W, 5 %, 200 ppm, 100 ohm, SURFACE MOUNT, 1206
CHIP RESISTOR RESISTOR, 0.25 W, 5 %, 200 ppm, 7500 ohm, SURFACE MOUNT, 1206
SMD Chip Resistors 97.6ohm 1% RESISTOR, 0.25 W, 1 %, 100 ppm, 97.6 ohm, SURFACE MOUNT, 1206
CHIP RESISTOR RESISTOR, 0.125 W, 1 %, 100 ppm, 84.5 ohm, SURFACE MOUNT, 0805
CHIP RESISTOR RESISTOR, 0.1 W, 1 %, 100 ppm, 1430 ohm, SURFACE MOUNT, 0603
CHIP RESISTOR RESISTOR, 0.1 W, 1 %, 100 ppm, 82 ohm, SURFACE MOUNT, 0603
SMD Chip Resistors 91 ohm 1% RESISTOR, 0.1 W, 1 %, 100 ppm, 91 ohm, SURFACE MOUNT, 0603
CHIP RESISTOR RESISTOR, 0.1 W, 1 %, 100 ppm, 71.5 ohm, SURFACE MOUNT, 0603
SMD Chip Resistors 64.9 ohm 1% RESISTOR, 0.1 W, 1 %, 100 ppm, 64.9 ohm, SURFACE MOUNT, 0603
SMD Chip Resistors 93.1 ohm 1% RESISTOR, 0.1 W, 1 %, 100 ppm, 93.1 ohm, SURFACE MOUNT, 0603
SMD Chip Resistors 97.6ohm 1% RESISTOR, 0.125 W, 1 %, 100 ppm, 97.6 ohm, SURFACE MOUNT, 0805
CHIP RESISTOR RESISTOR, 0.25 W, 1 %, 100 ppm, 73.2 ohm, SURFACE MOUNT, 1206
SMD Chip Resistors 76.8ohm 1% RESISTOR, 0.125 W, 1 %, 100 ppm, 76.8 ohm, SURFACE MOUNT, 0805
SMD Chip Resistors 84.5ohm 1% RESISTOR, 0.25 W, 1 %, 100 ppm, 84.5 ohm, SURFACE MOUNT, 1206
SMD Chip Resistors 49.9ohm 1% RESISTOR, 0.125 W, 1 %, 100 ppm, 49.9 ohm, SURFACE MOUNT, 0805
CHIP RESISTOR RESISTOR, 0.25 W, 1 %, 100 ppm, 53.6 ohm, SURFACE MOUNT, 1206
CHIP RESISTOR RESISTOR, 0.1 W, 1 %, 100 ppm, 35.7 ohm, SURFACE MOUNT, 0603
CHIP RESISTOR RESISTOR, 0.25 W, 1 %, 100 ppm, 35.7 ohm, SURFACE MOUNT, 1206
SMD Chip Resistors 53.6K 1% RESISTOR, 0.125 W, 1 %, 100 ppm, 53600 ohm, SURFACE MOUNT, 0805
CHIP RESISTOR RESISTOR, 0.1 W, 1 %, 100 ppm, 53.6 ohm, SURFACE MOUNT, 0603
SMD Chip Resistors 37.4ohm 1% RESISTOR, 0.125 W, 1 %, 100 ppm, 37.4 ohm, SURFACE MOUNT, 0805
SMD Chip Resistors 35.7K ohm 1% RESISTOR, 0.1 W, 1 %, 100 ppm, 35700 ohm, SURFACE MOUNT, 0603
SMD Chip Resistors 37.4 ohm 1% RESISTOR, 0.1 W, 1 %, 100 ppm, 37.4 ohm, SURFACE MOUNT, 0603
CHIP RESISTOR RESISTOR, 0.1 W, 1 %, 100 ppm, 24.3 ohm, SURFACE MOUNT, 0603
CHIP RESISTOR RESISTOR, 0.25 W, 1 %, 100 ppm, 51 ohm, SURFACE MOUNT, 1206
CHIP RESISTOR RESISTOR, 0.25 W, 1 %, 100 ppm, 13 ohm, SURFACE MOUNT, 1206
Standard Thick Film Chip Resistor: 10 ohms through 10 megohms, 5 %, 200 ppm, .100 W RESISTOR, 0.1 W, 5 %, 200 ppm, 24 ohm, SURFACE MOUNT, 0603
SMD Chip Resistors 51.1K 1% RESISTOR, 0.25 W, 1 %, 100 ppm, 51100 ohm, SURFACE MOUNT, 1206
CHIP RESISTOR RESISTOR, 0.125 W, 1 %, 100 ppm, 24.3 ohm, SURFACE MOUNT, 0805
CHIP RESISTOR RESISTOR, 0.25 W, 1 %, 100 ppm, 12.7 ohm, SURFACE MOUNT, 1206
CHIP RESISTOR RESISTOR, 0.125 W, 1 %, 100 ppm, 24.9 ohm, SURFACE MOUNT, 0805
Resistor,Ruthenium Oxide,2.7Ohms,100WV,5 /-% Tol,-200,500ppm-TC,0805-Case RESISTOR, 0.125 W, 5 %, 500 ppm, 2.7 ohm, SURFACE MOUNT, 0805
CHIP RESISTOR RESISTOR, 0.125 W, 1 %, 100 ppm, 30.1 ohm, SURFACE MOUNT, 0805
SMD Chip Resistors 220K ohm 5% RESISTOR, 0.1 W, 5 %, 200 ppm, 220000 ohm, SURFACE MOUNT, 0603
SMD Chip Resistors 51ohm 1% RESISTOR, 0.125 W, 1 %, 100 ppm, 51 ohm, SURFACE MOUNT, 0805
Resistor,Ruthenium Oxide,2.4Ohms,100WV,5 /-% Tol,-200,500ppm-TC,0805-Case RESISTOR, 0.125 W, 5 %, 500 ppm, 2.4 ohm, SURFACE MOUNT, 0805
CHIP RESISTOR RESISTOR, 0.125 W, 1 %, 100 ppm, 30 ohm, SURFACE MOUNT, 0805
CHIP RESISTOR RESISTOR, 0.25 W, 1 %, 100 ppm, 19.6 ohm, SURFACE MOUNT, 1206
CHIP RESISTOR RESISTOR, 0.25 W, 1 %, 100 ppm, 30 ohm, SURFACE MOUNT, 1206
CHIP RESISTOR RESISTOR, 0.125 W, 1 %, 100 ppm, 17.8 ohm, SURFACE MOUNT, 0805
Standard Thick Film Chip Resistor: 10 ohms through 1 megohm, 1 %, 100 ppm, .100 W RESISTOR, 0.1 W, 1 %, 100 ppm, 15 ohm, SURFACE MOUNT, 0603
CHIP RESISTOR RESISTOR, 0.25 W, 1 %, 100 ppm, 13.3 ohm, SURFACE MOUNT, 1206
SMD Chip Resistors 24K ohm 5% RESISTOR, 0.1 W, 5 %, 200 ppm, 24000 ohm, SURFACE MOUNT, 0603
CHIP RESISTOR RESISTOR, 0.125 W, 1 %, 100 ppm, 13.3 ohm, SURFACE MOUNT, 0805
SMD Chip Resistors 17.8K 1% RESISTOR, 0.25 W, 1 %, 100 ppm, 17800 ohm, SURFACE MOUNT, 1206
CHIP RESISTOR RESISTOR, 0.1 W, 1 %, 100 ppm, 24 ohm, SURFACE MOUNT, 0603
CHIP RESISTOR RESISTOR, 0.25 W, 1 %, 100 ppm, 24 ohm, SURFACE MOUNT, 1206
CHIP RESISTOR RESISTOR, 0.125 W, 1 %, 100 ppm, 78.7 ohm, SURFACE MOUNT, 0805
CHIP RESISTOR RESISTOR, 0.125 W, 1 %, 100 ppm, 13 ohm, SURFACE MOUNT, 0805
SMD Chip Resistors 16.2ohm 1% RESISTOR, 0.125 W, 1 %, 100 ppm, 16.2 ohm, SURFACE MOUNT, 0805
CHIP RESISTOR RESISTOR, 0.1 W, 1 %, 100 ppm, 12 ohm, SURFACE MOUNT, 0603
CHIP RESISTOR RESISTOR, 0.125 W, 1 %, 100 ppm, 12 ohm, SURFACE MOUNT, 0805
SMD Chip Resistors 48.7 ohm 1% RESISTOR, 0.1 W, 1 %, 100 ppm, 48.7 ohm, SURFACE MOUNT, 0603
CHIP RESISTOR RESISTOR, 0.25 W, 1 %, 100 ppm, 12 ohm, SURFACE MOUNT, 1206
CHIP RESISTOR RESISTOR, 0.125 W, 1 %, 100 ppm, 19.6 ohm, SURFACE MOUNT, 0805
CHIP RESISTOR RESISTOR, 0.1 W, 1 %, 100 ppm, 30 ohm, SURFACE MOUNT, 0603
CHIP RESISTOR RESISTOR, 0.125 W, 1 %, 100 ppm, 30.9 ohm, SURFACE MOUNT, 0805
CHIP RESISTOR RESISTOR, 0.1 W, 1 %, 100 ppm, 30.1 ohm, SURFACE MOUNT, 0603
CHIP RESISTOR RESISTOR, 0.1 W, 1 %, 100 ppm, 30.9 ohm, SURFACE MOUNT, 0603
SMD Chip Resistors 25.5ohm 1% RESISTOR, 0.25 W, 1 %, 100 ppm, 25.5 ohm, SURFACE MOUNT, 1206
CHIP RESISTOR RESISTOR, 0.25 W, 1 %, 100 ppm, 453000 ohm, SURFACE MOUNT, 1206
CHIP RESISTOR RESISTOR, 0.25 W, 1 %, 100 ppm, 45.3 ohm, SURFACE MOUNT, 1206
CHIP RESISTOR RESISTOR, 0.25 W, 1 %, 100 ppm, 4530 ohm, SURFACE MOUNT, 1206
Bourns Electronic Solutions
Bourns, Inc.
Bourns Electronic Solut...
PFC-W0805-LF-12-1420-D PFC-W0805-LF-12-4020-D PFC- RESISTOR, THIN FILM, 0.25 W, 0.5 %, 10 ppm, 142 ohm, SURFACE MOUNT, 0805 CHIP, LEAD FREE
RESISTOR, THIN FILM, 0.25 W, 0.5 %, 10 ppm, 402 ohm, SURFACE MOUNT, 0805 CHIP, LEAD FREE
RESISTOR, THIN FILM, 0.25 W, 0.1 %, 10 ppm, 412 ohm, SURFACE MOUNT, 0805 CHIP, LEAD FREE
RESISTOR, THIN FILM, 0.25 W, 0.5 %, 10 ppm, 412 ohm, SURFACE MOUNT, 0805 CHIP, LEAD FREE
RESISTOR, THIN FILM, 0.25 W, 0.5 %, 10 ppm, 422 ohm, SURFACE MOUNT, 0805 CHIP, LEAD FREE
RESISTOR, THIN FILM, 0.25 W, 0.1 %, 10 ppm, 432 ohm, SURFACE MOUNT, 0805 CHIP, LEAD FREE
RESISTOR, THIN FILM, 0.25 W, 0.5 %, 10 ppm, 432 ohm, SURFACE MOUNT, 0805 CHIP, LEAD FREE
RESISTOR, THIN FILM, 0.25 W, 0.5 %, 10 ppm, 442 ohm, SURFACE MOUNT, 0805 CHIP, LEAD FREE
RESISTOR, THIN FILM, 0.25 W, 0.1 %, 10 ppm, 542 ohm, SURFACE MOUNT, 0805 CHIP, LEAD FREE
RESISTOR, THIN FILM, 0.25 W, 0.5 %, 10 ppm, 542 ohm, SURFACE MOUNT, 0805 CHIP, LEAD FREE
RESISTOR, THIN FILM, 0.25 W, 0.1 %, 10 ppm, 642 ohm, SURFACE MOUNT, 0805 CHIP, LEAD FREE
RESISTOR, THIN FILM, 0.25 W, 0.5 %, 10 ppm, 642 ohm, SURFACE MOUNT, 0805 CHIP, LEAD FREE
RESISTOR, THIN FILM, 0.25 W, 0.1 %, 10 ppm, 942 ohm, SURFACE MOUNT, 0805 CHIP, LEAD FREE
RESISTOR, THIN FILM, 0.25 W, 0.5 %, 10 ppm, 942 ohm, SURFACE MOUNT, 0805 CHIP, LEAD FREE
RESISTOR, THIN FILM, 0.25 W, 0.05 %, 10 ppm, 142 ohm, SURFACE MOUNT, 0805 CHIP
RESISTOR, THIN FILM, 0.25 W, 0.1 %, 10 ppm, 2340 ohm, SURFACE MOUNT, 0805 CHIP, LEAD FREE
RESISTOR, THIN FILM, 0.25 W, 0.1 %, 10 ppm, 104 ohm, SURFACE MOUNT, 0805 CHIP, LEAD FREE
RESISTOR, THIN FILM, 0.25 W, 0.5 %, 10 ppm, 104 ohm, SURFACE MOUNT, 0805 CHIP, LEAD FREE
RESISTOR, THIN FILM, 0.25 W, 0.1 %, 10 ppm, 114 ohm, SURFACE MOUNT, 0805 CHIP, LEAD FREE
RESISTOR, THIN FILM, 0.25 W, 0.5 %, 10 ppm, 114 ohm, SURFACE MOUNT, 0805 CHIP, LEAD FREE
RESISTOR, THIN FILM, 0.25 W, 0.5 %, 10 ppm, 140 ohm, SURFACE MOUNT, 0805 CHIP, LEAD FREE
RESISTOR, THIN FILM, 0.25 W, 0.1 %, 10 ppm, 154 ohm, SURFACE MOUNT, 0805 CHIP, LEAD FREE
RESISTOR, THIN FILM, 0.25 W, 0.5 %, 10 ppm, 154 ohm, SURFACE MOUNT, 0805 CHIP, LEAD FREE
RESISTOR, THIN FILM, 0.25 W, 0.1 %, 10 ppm, 164 ohm, SURFACE MOUNT, 0805 CHIP, LEAD FREE
RESISTOR, THIN FILM, 0.25 W, 0.5 %, 10 ppm, 164 ohm, SURFACE MOUNT, 0805 CHIP, LEAD FREE
RESISTOR, THIN FILM, 0.25 W, 0.1 %, 10 ppm, 174 ohm, SURFACE MOUNT, 0805 CHIP, LEAD FREE
RESISTOR, THIN FILM, 0.25 W, 0.5 %, 10 ppm, 174 ohm, SURFACE MOUNT, 0805 CHIP, LEAD FREE
RESISTOR, THIN FILM, 0.25 W, 0.1 %, 10 ppm, 184 ohm, SURFACE MOUNT, 0805 CHIP, LEAD FREE
RESISTOR, THIN FILM, 0.25 W, 0.5 %, 10 ppm, 184 ohm, SURFACE MOUNT, 0805 CHIP, LEAD FREE
RESISTOR, THIN FILM, 0.25 W, 0.1 %, 10 ppm, 340 ohm, SURFACE MOUNT, 0805 CHIP, LEAD FREE
RESISTOR, THIN FILM, 0.25 W, 0.5 %, 10 ppm, 340 ohm, SURFACE MOUNT, 0805 CHIP, LEAD FREE
RESISTOR, THIN FILM, 0.25 W, 0.1 %, 10 ppm, 3400 ohm, SURFACE MOUNT, 0805 CHIP, LEAD FREE
RESISTOR, THIN FILM, 0.25 W, 0.5 %, 10 ppm, 3400 ohm, SURFACE MOUNT, 0805 CHIP, LEAD FREE
RESISTOR, THIN FILM, 0.25 W, 0.1 %, 10 ppm, 344 ohm, SURFACE MOUNT, 0805 CHIP, LEAD FREE
RESISTOR, THIN FILM, 0.25 W, 0.5 %, 10 ppm, 344 ohm, SURFACE MOUNT, 0805 CHIP, LEAD FREE
RESISTOR, THIN FILM, 0.25 W, 0.1 %, 10 ppm, 348 ohm, SURFACE MOUNT, 0805 CHIP, LEAD FREE
RESISTOR, THIN FILM, 0.25 W, 0.5 %, 10 ppm, 348 ohm, SURFACE MOUNT, 0805 CHIP, LEAD FREE
RESISTOR, THIN FILM, 0.25 W, 0.1 %, 10 ppm, 634 ohm, SURFACE MOUNT, 0805 CHIP, LEAD FREE
RESISTOR, THIN FILM, 0.25 W, 0.05 %, 10 ppm, 340 ohm, SURFACE MOUNT, 0805 CHIP
RESISTOR, THIN FILM, 0.25 W, 0.05 %, 10 ppm, 3400 ohm, SURFACE MOUNT, 0805 CHIP
RESISTOR, THIN FILM, 0.25 W, 0.05 %, 10 ppm, 344 ohm, SURFACE MOUNT, 0805 CHIP
RESISTOR, THIN FILM, 0.25 W, 0.1 %, 10 ppm, 442 ohm, SURFACE MOUNT, 0805 CHIP, LEAD FREE
RESISTOR, THIN FILM, 0.25 W, 0.5 %, 10 ppm, 1400 ohm, SURFACE MOUNT, 0805 CHIP, LEAD FREE
RESISTOR, THIN FILM, 0.1 W, 0.1 %, 10 ppm, 1430 ohm, SURFACE MOUNT, 0603 CHIP, LEAD FREE
RESISTOR, THIN FILM, 0.1 W, 0.1 %, 10 ppm, 243 ohm, SURFACE MOUNT, 0603 CHIP, LEAD FREE
RESISTOR, THIN FILM, 0.1 W, 0.1 %, 10 ppm, 432 ohm, SURFACE MOUNT, 0603 CHIP, LEAD FREE
RESISTOR, THIN FILM, 0.1 W, 0.1 %, 10 ppm, 437 ohm, SURFACE MOUNT, 0603 CHIP, LEAD FREE
RESISTOR, THIN FILM, 0.1 W, 0.1 %, 10 ppm, 4370 ohm, SURFACE MOUNT, 0603 CHIP, LEAD FREE
RESISTOR, THIN FILM, 0.1 W, 0.1 %, 10 ppm, 43700 ohm, SURFACE MOUNT, 0603 CHIP, LEAD FREE
RESISTOR, THIN FILM, 0.25 W, 0.1 %, 10 ppm, 145 ohm, SURFACE MOUNT, 0805 CHIP, LEAD FREE
RESISTOR, THIN FILM, 0.25 W, 0.5 %, 10 ppm, 145 ohm, SURFACE MOUNT, 0805 CHIP, LEAD FREE
RESISTOR, THIN FILM, 0.25 W, 0.5 %, 10 ppm, 475 ohm, SURFACE MOUNT, 0805 CHIP, LEAD FREE
RESISTOR, THIN FILM, 0.25 W, 0.1 %, 10 ppm, 845 ohm, SURFACE MOUNT, 0805 CHIP, LEAD FREE
RESISTOR, THIN FILM, 0.25 W, 0.05 %, 10 ppm, 845 ohm, SURFACE MOUNT, 0805 CHIP
RESISTOR, THIN FILM, 0.25 W, 0.5 %, 10 ppm, 845 ohm, SURFACE MOUNT, 0805 CHIP, LEAD FREE
RESISTOR, THIN FILM, 0.1 W, 0.1 %, 10 ppm, 24300 ohm, SURFACE MOUNT, 0603 CHIP, LEAD FREE
RESISTOR, THIN FILM, 0.25 W, 0.5 %, 10 ppm, 464 ohm, SURFACE MOUNT, 0805 CHIP, LEAD FREE
RESISTOR, THIN FILM, 0.1 W, 0.1 %, 10 ppm, 4320 ohm, SURFACE MOUNT, 0603 CHIP, LEAD FREE
RESISTOR, THIN FILM, 0.25 W, 0.1 %, 10 ppm, 475 ohm, SURFACE MOUNT, 0805 CHIP, LEAD FREE
RESISTOR, THIN FILM, 0.25 W, 0.05 %, 10 ppm, 649 ohm, SURFACE MOUNT, 0805 CHIP
RESISTOR, THIN FILM, 0.1 W, 0.1 %, 10 ppm, 143 ohm, SURFACE MOUNT, 0603 CHIP, LEAD FREE
RESISTOR, THIN FILM, 0.25 W, 0.05 %, 10 ppm, 475 ohm, SURFACE MOUNT, 0805 CHIP
RESISTOR, THIN FILM, 0.25 W, 0.1 %, 15 ppm, 154000 ohm, SURFACE MOUNT, 0805 CHIP
RESISTOR, THIN FILM, 0.25 W, 0.1 %, 10 ppm, 1400 ohm, SURFACE MOUNT, 0805 CHIP, LEAD FREE
RESISTOR, THIN FILM, 0.25 W, 0.5 %, 10 ppm, 634 ohm, SURFACE MOUNT, 0805 CHIP, LEAD FREE
RESISTOR, THIN FILM, 0.25 W, 0.1 %, 10 ppm, 142 ohm, SURFACE MOUNT, 0805 CHIP, LEAD FREE
RESISTOR, THIN FILM, 0.25 W, 0.1 %, 10 ppm, 402 ohm, SURFACE MOUNT, 0805 CHIP, LEAD FREE
RESISTOR, THIN FILM, 0.1 W, 0.1 %, 10 ppm, 14300 ohm, SURFACE MOUNT, 0603 CHIP, LEAD FREE
RESISTOR, THIN FILM, 0.25 W, 0.5 %, 10 ppm, 649 ohm, SURFACE MOUNT, 0805 CHIP, LEAD FREE
RESISTOR, THIN FILM, 0.25 W, 0.1 %, 10 ppm, 464 ohm, SURFACE MOUNT, 0805 CHIP
RESISTOR, THIN FILM, 0.25 W, 0.1 %, 10 ppm, 34000 ohm, SURFACE MOUNT, 0805 CHIP
RESISTOR, THIN FILM, 0.25 W, 0.05 %, 10 ppm, 164 ohm, SURFACE MOUNT, 0805 CHIP
RESISTOR, THIN FILM, 0.25 W, 0.1 %, 10 ppm, 422 ohm, SURFACE MOUNT, 0805 CHIP, LEAD FREE
RESISTOR, THIN FILM, 0.1 W, 0.1 %, 10 ppm, 2430 ohm, SURFACE MOUNT, 0603 CHIP, LEAD FREE
RESISTOR, THIN FILM, 0.25 W, 0.05 %, 10 ppm, 145 ohm, SURFACE MOUNT, 0805 CHIP
RESISTOR, THIN FILM, 0.25 W, 0.1 %, 10 ppm, 649 ohm, SURFACE MOUNT, 0805 CHIP, LEAD FREE
RESISTOR, THIN FILM, 0.25 W, 0.05 %, 10 ppm, 464 ohm, SURFACE MOUNT, 0805 CHIP
RESISTOR, THIN FILM, 0.1 W, 0.1 %, 10 ppm, 43200 ohm, SURFACE MOUNT, 0603 CHIP, LEAD FREE
RESISTOR, THIN FILM, 0.25 W, 0.05 %, 10 ppm, 105 ohm, SURFACE MOUNT, 0805 CHIP
RESISTOR, THIN FILM, 0.25 W, 0.05 %, 10 ppm, 1050 ohm, SURFACE MOUNT, 0805 CHIP
RESISTOR, THIN FILM, 0.25 W, 0.05 %, 10 ppm, 10500 ohm, SURFACE MOUNT, 0805 CHIP
RESISTOR, THIN FILM, 0.25 W, 0.05 %, 10 ppm, 205 ohm, SURFACE MOUNT, 0805 CHIP
RESISTOR, THIN FILM, 0.25 W, 0.05 %, 10 ppm, 2050 ohm, SURFACE MOUNT, 0805 CHIP
RESISTOR, THIN FILM, 0.25 W, 0.05 %, 10 ppm, 20500 ohm, SURFACE MOUNT, 0805 CHIP
RESISTOR, THIN FILM, 0.25 W, 0.05 %, 10 ppm, 305 ohm, SURFACE MOUNT, 0805 CHIP
RESISTOR, THIN FILM, 0.25 W, 0.05 %, 10 ppm, 3050 ohm, SURFACE MOUNT, 0805 CHIP
RESISTOR, THIN FILM, 0.25 W, 0.05 %, 10 ppm, 30500 ohm, SURFACE MOUNT, 0805 CHIP
RESISTOR, THIN FILM, 0.25 W, 0.05 %, 10 ppm, 505 ohm, SURFACE MOUNT, 0805 CHIP
RESISTOR, THIN FILM, 0.25 W, 0.05 %, 10 ppm, 50500 ohm, SURFACE MOUNT, 0805 CHIP
RESISTOR, THIN FILM, 0.1 W, 1 %, 100 ppm, 8.06 ohm, SURFACE MOUNT, 0603 CHIP
RESISTOR, THIN FILM, 0.1 W, 0.1 %, 50 ppm, 7.06 ohm, SURFACE MOUNT, 0603 CHIP
RESISTOR, THIN FILM, 0.1 W, 0.5 %, 50 ppm, 7.06 ohm, SURFACE MOUNT, 0603 CHIP
RESISTOR, THIN FILM, 0.1 W, 0.1 %, 50 ppm, 8.06 ohm, SURFACE MOUNT, 0603 CHIP
RESISTOR, THIN FILM, 0.1 W, 0.5 %, 50 ppm, 8.06 ohm, SURFACE MOUNT, 0603 CHIP
RESISTOR, THIN FILM, 0.25 W, 0.5 %, 10 ppm, 143 ohm, SURFACE MOUNT, 0805 CHIP, LEAD FREE
RESISTOR, THIN FILM, 0.25 W, 0.1 %, 15 ppm, 140 ohm, SURFACE MOUNT, 0805 CHIP, LEAD FREE
RESISTOR, THIN FILM, 0.25 W, 0.1 %, 15 ppm, 1400 ohm, SURFACE MOUNT, 0805 CHIP, LEAD FREE
RESISTOR, THIN FILM, 0.25 W, 0.1 %, 15 ppm, 14000 ohm, SURFACE MOUNT, 0805 CHIP, LEAD FREE
RESISTOR, THIN FILM, 0.25 W, 0.1 %, 10 ppm, 14000 ohm, SURFACE MOUNT, 0805 CHIP, LEAD FREE
RESISTOR, THIN FILM, 0.25 W, 0.1 %, 15 ppm, 142 ohm, SURFACE MOUNT, 0805 CHIP, LEAD FREE
RESISTOR, THIN FILM, 0.25 W, 0.5 %, 10 ppm, 14000 ohm, SURFACE MOUNT, 0805 CHIP, LEAD FREE
RESISTOR, THIN FILM, 0.25 W, 0.1 %, 15 ppm, 149 ohm, SURFACE MOUNT, 0805 CHIP, LEAD FREE
RESISTOR, THIN FILM, 0.25 W, 0.1 %, 10 ppm, 143 ohm, SURFACE MOUNT, 0805 CHIP, LEAD FREE
RESISTOR, THIN FILM, 0.25 W, 0.1 %, 15 ppm, 145 ohm, SURFACE MOUNT, 0805 CHIP, LEAD FREE
RESISTOR, THIN FILM, 0.25 W, 0.1 %, 15 ppm, 147 ohm, SURFACE MOUNT, 0805 CHIP, LEAD FREE
RESISTOR, THIN FILM, 0.25 W, 0.1 %, 15 ppm, 114 ohm, SURFACE MOUNT, 0805 CHIP, LEAD FREE
RESISTOR, THIN FILM, 1 W, 0.5 %, 50 ppm, 51.7 ohm, SURFACE MOUNT, 2512 CHIP, LEAD FREE
RESISTOR, THIN FILM, 1 W, 0.1 %, 50 ppm, 51.1 ohm, SURFACE MOUNT, 2512 CHIP, LEAD FREE
RESISTOR, THIN FILM, 1 W, 1 %, 100 ppm, 51.1 ohm, SURFACE MOUNT, 2512 CHIP, LEAD FREE
RESISTOR, THIN FILM, 1 W, 0.1 %, 25 ppm, 51.1 ohm, SURFACE MOUNT, 2512 CHIP, LEAD FREE
RESISTOR, THIN FILM, 1 W, 0.5 %, 50 ppm, 51.1 ohm, SURFACE MOUNT, 2512 CHIP, LEAD FREE
RESISTOR, THIN FILM, 0.1 W, 0.1 %, 25 ppm, 50 ohm, SURFACE MOUNT, 0603 CHIP, LEAD FREE
IRC Advanced Film
SMCG24 SMCG24A SMCJ5.0 SMCJ60 SMCJ60A SMCJ78 SMCJ1 SURFACE MOUNT TRANSZORB?/a> TRANSIENT VOLTAGE SUPPRESSOR
SURFACE MOUNT TRANSZORBTRANSIENT VOLTAGE SUPPRESSOR 表面贴装TRANSZORB⑩瞬态电压抑制器
CMOS Hex Inverter 14-CDIP -55 to 125
Aluminum Snap-In Capacitor; Capacitance: 680uF; Voltage: 450V; Case Size: 35x50 mm; Packaging: Bulk
INDUCTEL SENSOR RS 485-232
CMOS 12-Stage Ripple-Carry Binary Counter/Divider 16-SOIC -55 to 125
Replaced by CD4020B : CMOS 14-Stage Ripple-Carry Binary Counter/Divider 16-CDIP -55 to 125
SURFACE MOUNT TRANSZORB垄芒 TRANSIENT VOLTAGE SUPPRESSOR
SURFACE MOUNT TRANSZORB⑩ TRANSIENT VOLTAGE SUPPRESSOR
SURFACE MOUNT TRANSZORB TRANSIENT VOLTAGE SUPPRESSOR
SURFACE MOUNT TRANSZORB?/a> TRANSIENT VOLTAGE SUPPRESSOR
SURFACE MOUNT TRANSZORB??TRANSIENT VOLTAGE SUPPRESSOR
SURFACE MOUNT TRANSZORB?TRANSIENT VOLTAGE SUPPRESSOR
GE Security, Inc.
GE[General Semiconductor]
http://
BL-HX134C BL-HW134C BL-HD034C BL-HJC34C BL-HE134C Bluish green, 30 mA, surface mount chip LED lamp
Amber, 30 mA, surface mount chip LED lamp
Pure green, 30 mA, surface mount chip LED lamp
High Speed CMOS Logic Hex Inverters 14-SOIC -55 to 125
4-Bit Magnitude Comparator 16-PDIP -55 to 125
4-Bit Magnitude Comparator 16-SOIC -55 to 125
SURFACE MOUNT CHIP LED LAMPS 表面贴装芯片LED节能
1-to-9 PLL Clock Driver 24-TSSOP 0 to 70 表面贴装芯片LED节能
Hi-eff red, 30 mA, surface mount chip LED lamp
Yellow, 30 mA, surface mount chip LED lamp
YSTONE[Yellow Stone Corp]
ETC[ETC]
早安股份有限公司
Yellow Stone, Corp.
CR0201-FW-11R8GLF CR0201-FW-1000GLF CR0201-JW-103G RESISTOR, 0.05 W, 1 %, 250 ppm, 11.8 ohm, SURFACE MOUNT, 0201 CHIP, ROHS COMPLIANT
CHIP RESISTOR RESISTOR, 0.05 W, 1 %, 250 ppm, 100 ohm, SURFACE MOUNT, 0201
SMD Chip Resistors 10K 1% 250ppm RESISTOR, 0.05 W, 5 %, 250 ppm, 10000 ohm, SURFACE MOUNT, 0201
CHIP RESISTOR RESISTOR, 0.05 W, 1 %, 250 ppm, 95300 ohm, SURFACE MOUNT, 0201
CHIP RESISTOR RESISTOR, 0.05 W, 5 %, 250 ppm, 300 ohm, SURFACE MOUNT, 0201
SMD Chip Resistors 130ohm 1% 250ppm RESISTOR, 0.05 W, 5 %, 250 ppm, 130 ohm, SURFACE MOUNT, 0201
CHIP RESISTOR RESISTOR, 0.05 W, 1 %, 250 ppm, 4990 ohm, SURFACE MOUNT, 0201
CHIP RESISTOR RESISTOR, 0.05 W, 1 %, 250 ppm, 86600 ohm, SURFACE MOUNT, 0201
CHIP RESISTOR RESISTOR, 0.05 W, 5 %, 250 ppm, 200 ohm, SURFACE MOUNT, 0201
CHIP RESISTOR RESISTOR, 0.05 W, 5 %, 250 ppm, 100 ohm, SURFACE MOUNT, 0201
CHIP RESISTOR RESISTOR, 0.05 W, 5 %, 250 ppm, 1000 ohm, SURFACE MOUNT, 0201
SMD Chip Resistors 0ohm 1% 250ppm JUMPER, 0.05 W, 0 ohm, SURFACE MOUNT, 0201
Bourns, Inc.
TE Connectivity, Ltd.
Bourns Electronic Solut...
P0805Z7060LB P0805Z7231LB P0805Z7150LB P0805Z7151L RESISTOR, THIN FILM, 0.2 W, 0.01 %, 5 ppm, 706 ohm, SURFACE MOUNT, 0805 CHIP
RESISTOR, THIN FILM, 0.2 W, 0.01 %, 5 ppm, 7230 ohm, SURFACE MOUNT, 0805 CHIP
RESISTOR, THIN FILM, 0.2 W, 0.01 %, 5 ppm, 715 ohm, SURFACE MOUNT, 0805 CHIP
RESISTOR, THIN FILM, 0.2 W, 0.01 %, 5 ppm, 7150 ohm, SURFACE MOUNT, 0805 CHIP
RESISTOR, THIN FILM, 0.2 W, 0.01 %, 5 ppm, 741 ohm, SURFACE MOUNT, 0805 CHIP
RESISTOR, THIN FILM, 0.2 W, 0.01 %, 5 ppm, 732 ohm, SURFACE MOUNT, 0805 CHIP
RESISTOR, THIN FILM, 0.2 W, 0.01 %, 5 ppm, 723 ohm, SURFACE MOUNT, 0805 CHIP
RESISTOR, THIN FILM, 0.2 W, 0.01 %, 5 ppm, 72300 ohm, SURFACE MOUNT, 0805 CHIP
RESISTOR, THIN FILM, 0.2 W, 0.01 %, 5 ppm, 71500 ohm, SURFACE MOUNT, 0805 CHIP
RESISTOR, THIN FILM, 0.2 W, 0.01 %, 5 ppm, 70600 ohm, SURFACE MOUNT, 0805 CHIP
RESISTOR, THIN FILM, 0.2 W, 0.01 %, 5 ppm, 73200 ohm, SURFACE MOUNT, 0805 CHIP
RESISTOR, THIN FILM, 0.2 W, 0.01 %, 5 ppm, 7320 ohm, SURFACE MOUNT, 0805 CHIP
RESISTOR, THIN FILM, 0.2 W, 0.01 %, 5 ppm, 7060 ohm, SURFACE MOUNT, 0805 CHIP
Vishay Intertechnology, Inc.
CHV1210N500392ZZT-LF CHV1210N500333ZZT-LF CHV1210N CAPACITOR, CERAMIC, MULTILAYER, 500 V, Z5U, 0.0039 uF, SURFACE MOUNT, 1210 CHIP, ROHS COMPLIANT
CAPACITOR, CERAMIC, MULTILAYER, 500 V, Z5U, 0.033 uF, SURFACE MOUNT, 1210 CHIP, ROHS COMPLIANT
CAPACITOR, CERAMIC, MULTILAYER, 500 V, Z5U, 0.015 uF, SURFACE MOUNT, 1210 CHIP, ROHS COMPLIANT
CAPACITOR, CERAMIC, MULTILAYER, 500 V, Z5U, 0.0068 uF, SURFACE MOUNT, 1210 CHIP, ROHS COMPLIANT
CAPACITOR, CERAMIC, MULTILAYER, 500 V, Z5U, 0.0047 uF, SURFACE MOUNT, 1210 CHIP, ROHS COMPLIANT
CAPACITOR, CERAMIC, MULTILAYER, 500 V, Z5U, 0.01 uF, SURFACE MOUNT, 1210 CHIP, ROHS COMPLIANT
CAPACITOR, CERAMIC, MULTILAYER, 500 V, Z5U, 0.018 uF, SURFACE MOUNT, 1210 CHIP, ROHS COMPLIANT
CAPACITOR, CERAMIC, MULTILAYER, 500 V, Z5U, 0.056 uF, SURFACE MOUNT, 1210 CHIP, ROHS COMPLIANT
CAPACITOR, CERAMIC, MULTILAYER, 500 V, Z5U, 0.022 uF, SURFACE MOUNT, 1210 CHIP, ROHS COMPLIANT
CAPACITOR, CERAMIC, MULTILAYER, 500 V, Z5U, 0.0056 uF, SURFACE MOUNT, 1210 CHIP, ROHS COMPLIANT
CAPACITOR, CERAMIC, MULTILAYER, 500 V, Z5U, 0.039 uF, SURFACE MOUNT, 1210 CHIP, ROHS COMPLIANT
CAPACITOR, CERAMIC, MULTILAYER, 500 V, Z5U, 0.0082 uF, SURFACE MOUNT, 1210 CHIP, ROHS COMPLIANT
CAPACITOR, CERAMIC, MULTILAYER, 500 V, Z5U, 0.0027 uF, SURFACE MOUNT, 1210 CHIP, ROHS COMPLIANT
CAPACITOR, CERAMIC, MULTILAYER, 500 V, Z5U, 0.0033 uF, SURFACE MOUNT, 1210 CHIP, ROHS COMPLIANT
CAPACITOR, CERAMIC, MULTILAYER, 500 V, Z5U, 0.047 uF, SURFACE MOUNT, 1210 CHIP, ROHS COMPLIANT
CAPACITOR, CERAMIC, MULTILAYER, 2000 V, C0G, 0.001 uF, SURFACE MOUNT, 1808 CHIP, ROHS COMPLIANT
CAPACITOR, CERAMIC, MULTILAYER, 2000 V, C0G, 0.0001 uF, SURFACE MOUNT, 1808 CHIP, ROHS COMPLIANT
Cal-Chip Electronics
 
 Related keyword From Full Text Search System
VM1566 text VM1566 led VM1566 series VM1566 価格 VM1566 Filter
VM1566 什么封装 VM1566 Price VM1566 temperature VM1566 m85049 VM1566 sanyo
 

 

Price & Availability of VM1566

All Rights Reserved © IC-ON-LINE 2003 - 2022  

[Add Bookmark] [Contact Us] [Link exchange] [Privacy policy]
Mirror Sites :  [www.datasheet.hk]   [www.maxim4u.com]  [www.ic-on-line.cn] [www.ic-on-line.com] [www.ic-on-line.net] [www.alldatasheet.com.cn] [www.gdcy.com]  [www.gdcy.net]


 . . . . .
  We use cookies to deliver the best possible web experience and assist with our advertising efforts. By continuing to use this site, you consent to the use of cookies. For more information on cookies, please take a look at our Privacy Policy. X
0.2723400592804