Part Number Hot Search : 
2N5551 1SV30807 PE6821 KAM0724 DMS30DR ARA2004 K9T1G08 AN7024
Product Description
Full Text Search

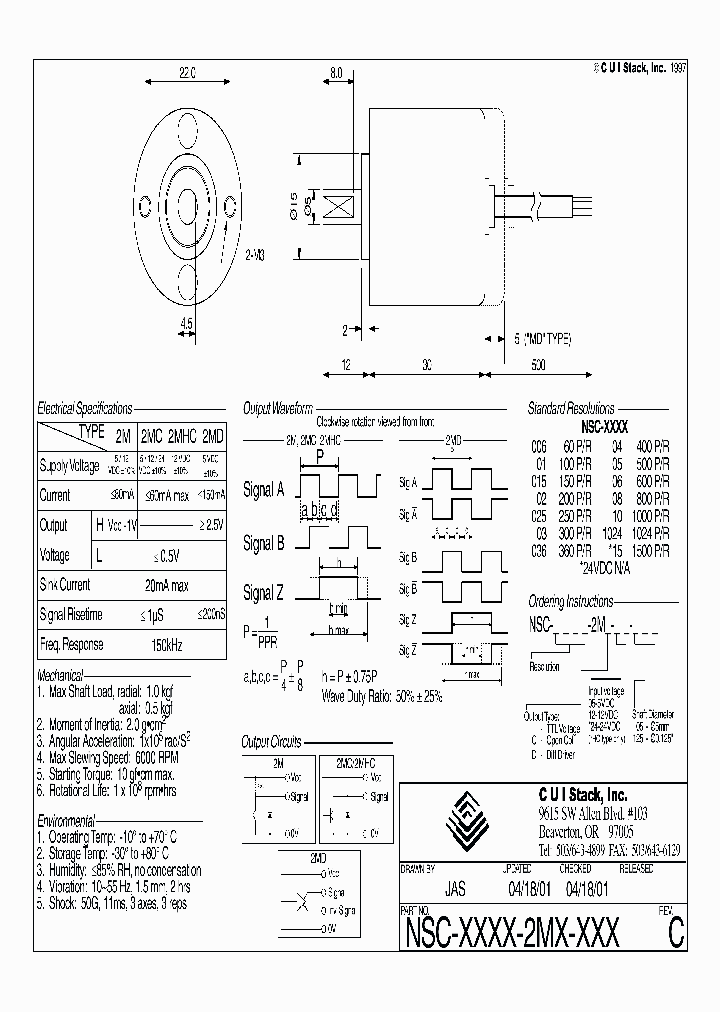
NSC-02-2M-12-125 - ROTARY OPTICAL POSITION ENCODER

NSC-02-2M-12-125_7054112.PDF Datasheet


 Full text search : ROTARY OPTICAL POSITION ENCODER
 Product Description search : ROTARY OPTICAL POSITION ENCODER


 Related Part Number
PART Description Maker
ENW1D-D28-L00128 ENW1D-D28-M00128 ENW1D-D28-M00128 ROTARY OPTICAL POSITION ENCODER COMPACT PACKAGE-5
ROTARY OPTICAL POSITION ENCODER ROHS COMPLIANT, COMPACT PACKAGE-5
ENCODER - ROTARY OPTICAL ROTARY OPTICAL POSITION ENCODER
Encoders 256Cycle Axial ROTARY OPTICAL POSITION ENCODER
Encoders 128Cycle Axial ROTARY OPTICAL POSITION ENCODER
Encoders 64Cycle Axial ROTARY OPTICAL POSITION ENCODER
Encoders 256Cycle Radial ROTARY OPTICAL POSITION ENCODER
20CODER - ROTARY OPTICAL ROTARY OPTICAL POSITION ENCODER
Encoders 64Cycle Radial ROTARY OPTICAL POSITION ENCODER
Encoders 128Cycle Radial ROTARY OPTICAL POSITION ENCODER
Encoders 100Cycle Axial ROTARY OPTICAL POSITION ENCODER
Bourns, Inc.
BOURNS INC
EMS22D31-R16-LD5 EMS22D33-R25-LD5 EMS22D51-C16-WS2 SINGLE, 3 CHANNELS, ROTARY/LINEAR OPTICAL POSITION ENCODER
ROTARY OPTICAL POSITION ENCODER
BOURNS INC
EM14R1D-R25-L032S EM14R1D-R20-L032S EM14A0A-B28-L0 ROTARY OPTICAL ENCODER - 14MM SINGLE, 2 CHANNELS, ROTARY OPTICAL POSITION ENCODER
14 mm Rotary Optical Encoder w/Switch SINGLE, 2 CHANNELS, ROTARY OPTICAL POSITION ENCODER
Optical Encoder; Encoder Type:Optical; Encoder Resolution:16CPR; No. of Channels:2; Shaft Diameter:6mm; Series:EM14; Rotation Speed:120rpm; Rotational Life Revolutions:1000000; Torque Max:1.5in-oz RoHS Compliant: Yes
ENCODER, ROTARY, OPTICAL, W/SW, 14MM; Resolution, PPR:32; Current rating:25mA; Series:EM14A0D-C24-L032S; Depth, behind panel:10.03mm; Speed, rotational:120rpm; Temperature, operating range:-40(degree C) to 70(degree C); Current, RoHS Compliant: Yes
Optical Encoder; Encoder Type:Optical; Encoder Resolution:8CPR; No. of Channels:2; Shaft Diameter:6.35mm; Series:EM14; Rotation Speed:120rpm; Rotational Life Revolutions:1000000; Torque Max:1.5in-oz RoHS Compliant: Yes
Bourns, Inc.
BOURNS INC
HRPG-AD3251F HRPG-AD3253F HRPG-AS16-51C HRPG-AD16- SINGLE, 2 CHANNELS, ROTARY OPTICAL POSITION ENCODER
Miniature Panel Mount Optical Encoders
Agilent Technologies, Inc.
AVAGO TECHNOLOGIES LIMITED
AVAGO TECHNOLOGIES LIMI...
HEDS-5500I11 HEDM-5505B04 HEDS-5500F02 HEDM-5500 Quick Assembly Two and Three Channel Optical Encoders
SINGLE, 2 CHANNELS, ROTARY OPTICAL POSITION ENCODER
AVAGO TECHNOLOGIES LIMI...
BPSV58K1P24D13/00C6D ROTARY OPTICAL POSITION ENCODER
ZETTLER electronics GmbH
BMMV58K1N24P12/16C0D ROTARY OPTICAL POSITION ENCODER
MERITEK Electronics, Corp.
BPSD25G1P24B13/00KFD BPSD25G1P24D13/00KFD BPSD25G1 ROTARY OPTICAL POSITION ENCODER
Analog Devices, Inc.
Everlight Electronics Co., Ltd.
M58-10-6000-ABZC-28V/5-SM23 M58-10-8000-ABZC-28V/5 ROTARY OPTICAL POSITION ENCODER

NSC-02-2M-12-125 NSC-05-2MD-05-125 NSC-025-2M-12-1 ROTARY OPTICAL POSITION ENCODER

HC111HD02 HC125MD21 HC111PD42 HC121PD42 HC115KD42 ROTARY OPTICAL POSITION ENCODER

EN12-HS11AF18 EN12-HS22AF30 EN12-VN11BF23 EN12-VN1 ROTARY OPTICAL POSITION ENCODER
BI Technologies Corporation
 
 Related keyword From Full Text Search System
NSC-02-2M-12-125 pulse NSC-02-2M-12-125 afe + homeplug av NSC-02-2M-12-125 価格 NSC-02-2M-12-125 intersil NSC-02-2M-12-125 port
NSC-02-2M-12-125 differential NSC-02-2M-12-125 Integrated NSC-02-2M-12-125 maxim NSC-02-2M-12-125 equivalent ic NSC-02-2M-12-125 filetype:pdf
 

 

Price & Availability of NSC-02-2M-12-125

All Rights Reserved © IC-ON-LINE 2003 - 2022  

[Add Bookmark] [Contact Us] [Link exchange] [Privacy policy]
Mirror Sites :  [www.datasheet.hk]   [www.maxim4u.com]  [www.ic-on-line.cn] [www.ic-on-line.com] [www.ic-on-line.net] [www.alldatasheet.com.cn] [www.gdcy.com]  [www.gdcy.net]


 . . . . .
  We use cookies to deliver the best possible web experience and assist with our advertising efforts. By continuing to use this site, you consent to the use of cookies. For more information on cookies, please take a look at our Privacy Policy. X
0.47641706466675