Part Number Hot Search : 
04598 C1608 ASM1832F B1012AG1 TDA7266B MAX4516 ID105 TDA3674
Product Description
Full Text Search

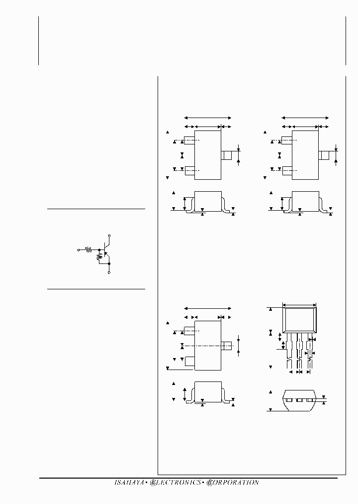
RT1P242S - Transistor With Resistor For Switching Application Silicon NPN Epitaxial Type

RT1P242S_6996746.PDF Datasheet


 Full text search : Transistor With Resistor For Switching Application Silicon NPN Epitaxial Type
 Product Description search : Transistor With Resistor For Switching Application Silicon NPN Epitaxial Type


 Related Part Number
PART Description Maker
EMA6DXV5T5 EMA6DXV5T1 EMA6DXV5T1/D Dual Common Emitter Bipolar Resistor Transistor
Improved Industry-Standard Single-Ended PWM Controller; Temperature Range: -40°C to 85°C; Package: 8-MSOP
Dual Common Emitter Bias Resistor Transistor PNP Silicon Surface Mount Transistors with Monolithic Bias Resistor Network
ON Semiconductor
http://
LMUN2234LT1 LMUN2234LT1G LMUN2231LT1 LMUN2231LT1G BIAS RESISTOR TRANSISTOR, NPN SILICON SURFACE MOUNT TRANSISTOR WITH MONOLITHIC BIAS RESISTOR NETWORK
乐山无线电股份有限公
LRC[Leshan Radio Company]
DTA144TT1 DTA144TT1G Bias Resistor Transistor PNP Silicon Surface Mount Transistor with Monolithic Bias Resistor Network
ON Semiconductor
DTA114YE/D DTA114YE-D Bias Resistor Transistor PNP Silicon Surface Mount Transistor with Monolithic Bias Resistor Network
ON Semiconductor
MMUN2134LT1 MMUN2111LT1 MMUN2112LT1 MMUN2113LT1 MM Bias Resistor Transistors PNP Silicon Surface Mount Transistors with Monolithic Bias Resistor Network
SSP PNP
PNP SILICON BIAS RESISTOR TRANSISTOR 100 mA, 50 V, PNP, Si, SMALL SIGNAL TRANSISTOR, TO-236AB
ONSEMI[ON Semiconductor]
UN8231A UN8231 UNR8231A UNR8231 0706 UNR8231/UNR82 UNR8231/UNR8231A (UN8231/UN8231A) - NPN Transistor with built-in Resistor
From old datasheet system
Transistors with built-in Resistor
Matsshita / Panasonic
UN2226 0687 UNR2226UN2226 UNR2226 (UN2226) - NPN Transistor with built-in Resistor
From old datasheet system
Transistors with built-in Resistor
Matsshita / Panasonic
LP25-122-KT151W LP12-112-KT151W LP12-163-KT151W LP RESISTOR, TEMPERATURE DEPENDENT, PTC, 1200 ohm, THROUGH HOLE MOUNT
RESISTOR, TEMPERATURE DEPENDENT, PTC, 1100 ohm, THROUGH HOLE MOUNT
RESISTOR, TEMPERATURE DEPENDENT, PTC, 16000 ohm, THROUGH HOLE MOUNT
RESISTOR, TEMPERATURE DEPENDENT, PTC, 5100 ohm, THROUGH HOLE MOUNT
RESISTOR, TEMPERATURE DEPENDENT, PTC, 1600 ohm, THROUGH HOLE MOUNT
RESISTOR, TEMPERATURE DEPENDENT, PTC, 150 ohm, THROUGH HOLE MOUNT
RESISTOR, TEMPERATURE DEPENDENT, PTC, 390 ohm, THROUGH HOLE MOUNT
RESISTOR, TEMPERATURE DEPENDENT, PTC, 30 ohm, THROUGH HOLE MOUNT
RESISTOR, TEMPERATURE DEPENDENT, PTC, 33 ohm, THROUGH HOLE MOUNT
RESISTOR, TEMPERATURE DEPENDENT, PTC, 3.6 ohm, THROUGH HOLE MOUNT
RESISTOR, TEMPERATURE DEPENDENT, PTC, 2.4 ohm, THROUGH HOLE MOUNT
RESISTOR, TEMPERATURE DEPENDENT, PTC, 3.3 ohm, THROUGH HOLE MOUNT
RTD TEMP SENSOR-PLATINUM
RESISTOR, TEMPERATURE DEPENDENT, PTC, 75 ohm, THROUGH HOLE MOUNT
RESISTOR, TEMPERATURE DEPENDENT, PTC, 20 ohm, THROUGH HOLE MOUNT
RESISTOR, TEMPERATURE DEPENDENT, PTC, 24 ohm, THROUGH HOLE MOUNT
RESISTOR, TEMPERATURE DEPENDENT, PTC, 82 ohm, THROUGH HOLE MOUNT
RESISTOR, TEMPERATURE DEPENDENT, PTC, 68 ohm, THROUGH HOLE MOUNT
RESISTOR, TEMPERATURE DEPENDENT, PTC, 6800 ohm, THROUGH HOLE MOUNT
RESISTOR, TEMPERATURE DEPENDENT, PTC, 180 ohm, THROUGH HOLE MOUNT
RESISTOR, TEMPERATURE DEPENDENT, PTC, 18000 ohm, THROUGH HOLE MOUNT
RESISTOR, TEMPERATURE DEPENDENT, PTC, 1800 ohm, THROUGH HOLE MOUNT
RESISTOR, TEMPERATURE DEPENDENT, PTC, 820 ohm, THROUGH HOLE MOUNT
RESISTOR, TEMPERATURE DEPENDENT, PTC, 680 ohm, THROUGH HOLE MOUNT
RESISTOR, TEMPERATURE DEPENDENT, PTC, 22 ohm, THROUGH HOLE MOUNT
RESISTOR, TEMPERATURE DEPENDENT, PTC, 11 ohm, THROUGH HOLE MOUNT
RESISTOR, TEMPERATURE DEPENDENT, PTC, 13 ohm, THROUGH HOLE MOUNT
RESISTOR, TEMPERATURE DEPENDENT, PTC, 56 ohm, THROUGH HOLE MOUNT
RESISTOR, TEMPERATURE DEPENDENT, PTC, 18 ohm, THROUGH HOLE MOUNT
RESISTOR, TEMPERATURE DEPENDENT, PTC, 160 ohm, THROUGH HOLE MOUNT
RESISTOR, TEMPERATURE DEPENDENT, PTC, 68000 ohm, THROUGH HOLE MOUNT
RESISTOR, TEMPERATURE DEPENDENT, PTC, 1.8 ohm, THROUGH HOLE MOUNT
RCD Components, Inc.
Golledge Electronics, Ltd.
RCD COMPONENTS INC
CNS020135MOHM0.05 CNS020205MOHM0.05 CNS020105MOHM0 RESISTOR, THIN FILM, 0.25 W, 0.05 %, 10 ppm, 1350000 ohm, THROUGH HOLE MOUNT RADIAL LEADED
RESISTOR, THIN FILM, 0.25 W, 0.05 %, 10 ppm, 2050000 ohm, THROUGH HOLE MOUNT RADIAL LEADED
RESISTOR, THIN FILM, 0.25 W, 0.1 %, 10 ppm, 1050000 ohm, THROUGH HOLE MOUNT RADIAL LEADED
RESISTOR, THIN FILM, 0.25 W, 0.05 %, 10 ppm, 1450000 ohm, THROUGH HOLE MOUNT RADIAL LEADED
RESISTOR, THIN FILM, 0.25 W, 1 %, 10 ppm, 1050000 ohm, THROUGH HOLE MOUNT RADIAL LEADED
RESISTOR, THIN FILM, 0.25 W, 1 %, 10 ppm, 1650000 ohm, THROUGH HOLE MOUNT RADIAL LEADED
RESISTOR, THIN FILM, 0.25 W, 0.1 %, 10 ppm, 1450000 ohm, THROUGH HOLE MOUNT RADIAL LEADED
RESISTOR, THIN FILM, 0.25 W, 1 %, 10 ppm, 1500000 ohm, THROUGH HOLE MOUNT RADIAL LEADED
RESISTOR, THIN FILM, 0.25 W, 1 %, 10 ppm, 2050000 ohm, THROUGH HOLE MOUNT RADIAL LEADED
RESISTOR, THIN FILM, 0.25 W, 0.05 %, 10 ppm, 1150000 ohm, THROUGH HOLE MOUNT RADIAL LEADED
RESISTOR, THIN FILM, 0.25 W, 1 %, 10 ppm, 1150000 ohm, THROUGH HOLE MOUNT RADIAL LEADED
RESISTOR, THIN FILM, 0.25 W, 0.1 %, 10 ppm, 2050000 ohm, THROUGH HOLE MOUNT RADIAL LEADED
RESISTOR, THIN FILM, 0.25 W, 0.05 %, 10 ppm, 1650000 ohm, THROUGH HOLE MOUNT RADIAL LEADED
RESISTOR, THIN FILM, 0.25 W, 0.05 %, 10 ppm, 1050000 ohm, THROUGH HOLE MOUNT RADIAL LEADED
RESISTOR, THIN FILM, 0.25 W, 0.1 %, 10 ppm, 1350000 ohm, THROUGH HOLE MOUNT RADIAL LEADED
RESISTOR, THIN FILM, 0.25 W, 0.1 %, 10 ppm, 1650000 ohm, THROUGH HOLE MOUNT RADIAL LEADED
RESISTOR, THIN FILM, 0.25 W, 0.1 %, 10 ppm, 1150000 ohm, THROUGH HOLE MOUNT RADIAL LEADED
RESISTOR, THIN FILM, 0.25 W, 0.05 %, 10 ppm, 2150000 ohm, THROUGH HOLE MOUNT RADIAL LEADED
RESISTOR, THIN FILM, 0.25 W, 0.05 %, 10 ppm, 1500000 ohm, THROUGH HOLE MOUNT RADIAL LEADED
RESISTOR, THIN FILM, 0.25 W, 0.05 %, 10 ppm, 105000 ohm, THROUGH HOLE MOUNT RADIAL LEADED
RESISTOR, THIN FILM, 0.25 W, 0.05 %, 10 ppm, 205000 ohm, THROUGH HOLE MOUNT RADIAL LEADED
RESISTOR, THIN FILM, 0.25 W, 0.05 %, 10 ppm, 305000 ohm, THROUGH HOLE MOUNT RADIAL LEADED
RESISTOR, THIN FILM, 0.25 W, 0.05 %, 10 ppm, 5050000 ohm, THROUGH HOLE MOUNT RADIAL LEADED
RESISTOR, THIN FILM, 0.25 W, 0.05 %, 10 ppm, 505000 ohm, THROUGH HOLE MOUNT RADIAL LEADED
RESISTOR, THIN FILM, 0.25 W, 0.05 %, 10 ppm, 3050000 ohm, THROUGH HOLE MOUNT RADIAL LEADED
RESISTOR, THIN FILM, 0.25 W, 0.05 %, 10 ppm, 988000 ohm, THROUGH HOLE MOUNT RADIAL LEADED
RESISTOR, THIN FILM, 0.25 W, 0.05 %, 10 ppm, 208000 ohm, THROUGH HOLE MOUNT RADIAL LEADED
RESISTOR, THIN FILM, 0.25 W, 0.05 %, 10 ppm, 258000 ohm, THROUGH HOLE MOUNT RADIAL LEADED
RESISTOR, THIN FILM, 0.25 W, 0.05 %, 10 ppm, 388000 ohm, THROUGH HOLE MOUNT RADIAL LEADED
RESISTOR, THIN FILM, 0.25 W, 0.05 %, 10 ppm, 178000 ohm, THROUGH HOLE MOUNT RADIAL LEADED
RESISTOR, THIN FILM, 0.25 W, 0.05 %, 10 ppm, 698000 ohm, THROUGH HOLE MOUNT RADIAL LEADED
RESISTOR, THIN FILM, 0.25 W, 0.05 %, 10 ppm, 298000 ohm, THROUGH HOLE MOUNT RADIAL LEADED
RESISTOR, THIN FILM, 0.25 W, 0.05 %, 10 ppm, 328000 ohm, THROUGH HOLE MOUNT RADIAL LEADED
RESISTOR, THIN FILM, 0.25 W, 0.05 %, 10 ppm, 138000 ohm, THROUGH HOLE MOUNT RADIAL LEADED
RESISTOR, THIN FILM, 0.25 W, 0.05 %, 10 ppm, 348000 ohm, THROUGH HOLE MOUNT RADIAL LEADED
RESISTOR, THIN FILM, 0.25 W, 0.05 %, 10 ppm, 218000 ohm, THROUGH HOLE MOUNT RADIAL LEADED
RESISTOR, THIN FILM, 0.25 W, 0.05 %, 10 ppm, 768000 ohm, THROUGH HOLE MOUNT RADIAL LEADED
RESISTOR, THIN FILM, 0.25 W, 0.05 %, 10 ppm, 158000 ohm, THROUGH HOLE MOUNT RADIAL LEADED
RESISTOR, THIN FILM, 0.25 W, 0.05 %, 10 ppm, 1800000 ohm, THROUGH HOLE MOUNT RADIAL LEADED
RESISTOR, THIN FILM, 0.25 W, 0.05 %, 10 ppm, 9880000 ohm, THROUGH HOLE MOUNT RADIAL LEADED
RESISTOR, THIN FILM, 0.25 W, 0.05 %, 10 ppm, 1180000 ohm, THROUGH HOLE MOUNT RADIAL LEADED
RESISTOR, THIN FILM, 0.25 W, 0.05 %, 10 ppm, 2800000 ohm, THROUGH HOLE MOUNT RADIAL LEADED
RESISTOR, THIN FILM, 0.25 W, 0.05 %, 10 ppm, 2580000 ohm, THROUGH HOLE MOUNT RADIAL LEADED
RESISTOR, THIN FILM, 0.25 W, 0.05 %, 10 ppm, 4480000 ohm, THROUGH HOLE MOUNT RADIAL LEADED
RESISTOR, THIN FILM, 0.25 W, 0.05 %, 10 ppm, 2180000 ohm, THROUGH HOLE MOUNT RADIAL LEADED
RESISTOR, THIN FILM, 0.25 W, 0.05 %, 10 ppm, 198000 ohm, THROUGH HOLE MOUNT RADIAL LEADED
RESISTOR, THIN FILM, 0.25 W, 0.05 %, 10 ppm, 448000 ohm, THROUGH HOLE MOUNT RADIAL LEADED
RESISTOR, THIN FILM, 0.25 W, 0.05 %, 10 ppm, 898000 ohm, THROUGH HOLE MOUNT RADIAL LEADED
RESISTOR, THIN FILM, 0.25 W, 0.05 %, 10 ppm, 3280000 ohm, THROUGH HOLE MOUNT RADIAL LEADED
RESISTOR, THIN FILM, 0.25 W, 0.05 %, 10 ppm, 3880000 ohm, THROUGH HOLE MOUNT RADIAL LEADED
RESISTOR, THIN FILM, 0.25 W, 0.05 %, 10 ppm, 118000 ohm, THROUGH HOLE MOUNT RADIAL LEADED
RESISTOR, THIN FILM, 0.25 W, 0.05 %, 10 ppm, 8980000 ohm, THROUGH HOLE MOUNT RADIAL LEADED
RESISTOR, THIN FILM, 0.25 W, 0.05 %, 10 ppm, 1980000 ohm, THROUGH HOLE MOUNT RADIAL LEADED
RESISTOR, THIN FILM, 0.25 W, 0.05 %, 10 ppm, 2980000 ohm, THROUGH HOLE MOUNT RADIAL LEADED
RESISTOR, THIN FILM, 0.25 W, 0.05 %, 10 ppm, 1580000 ohm, THROUGH HOLE MOUNT RADIAL LEADED
RESISTOR, THIN FILM, 0.25 W, 0.05 %, 10 ppm, 6980000 ohm, THROUGH HOLE MOUNT RADIAL LEADED
RESISTOR, THIN FILM, 0.25 W, 0.05 %, 10 ppm, 2080000 ohm, THROUGH HOLE MOUNT RADIAL LEADED
RESISTOR, THIN FILM, 0.25 W, 0.05 %, 10 ppm, 1380000 ohm, THROUGH HOLE MOUNT RADIAL LEADED
RESISTOR, THIN FILM, 0.25 W, 0.05 %, 10 ppm, 3480000 ohm, THROUGH HOLE MOUNT RADIAL LEADED
RESISTOR, THIN FILM, 0.25 W, 0.05 %, 10 ppm, 7680000 ohm, THROUGH HOLE MOUNT RADIAL LEADED
Vishay Intertechnology, Inc.
FA1F4Z FA1F4ZL65 FA1F4Z-L FA1F4Z-T2B Compound transistor
MEDIUM SPEED SWITCHING RESISTOR BUILT-IN TYPE NPN TRANSISTOR MINI MOLD
TRANSISTOR | 60V V(BR)CEO | 100MA I(C) | SOT-346
NEC Corp.
FA1A4Z FA1A4ZL68 FA1A4ZL67 FA1A4ZL69 FA1A4Z-L FA1A Compound transistor
MEDIUM SPEED SWITCHING RESISTOR BUILT-IN TYPE NPN TRANSISTOR MINI MOLD
TRANSISTOR | 50V V(BR)CEO | 100MA I(C) | SOT-346
100 mA, 50 V, NPN, Si, SMALL SIGNAL TRANSISTOR MINIMOLD, SC-59, 3 PIN
NEC Corp.
ON Semiconductor
 
 Related keyword From Full Text Search System
RT1P242S siliconix RT1P242S Regulator RT1P242S appreciate RT1P242S 0pam RT1P242S advantech pdf
RT1P242S amplifier RT1P242S Amplifier RT1P242S serial RT1P242S chip RT1P242S filetype:pdf
 

 

Price & Availability of RT1P242S

All Rights Reserved © IC-ON-LINE 2003 - 2022  

[Add Bookmark] [Contact Us] [Link exchange] [Privacy policy]
Mirror Sites :  [www.datasheet.hk]   [www.maxim4u.com]  [www.ic-on-line.cn] [www.ic-on-line.com] [www.ic-on-line.net] [www.alldatasheet.com.cn] [www.gdcy.com]  [www.gdcy.net]


 . . . . .
  We use cookies to deliver the best possible web experience and assist with our advertising efforts. By continuing to use this site, you consent to the use of cookies. For more information on cookies, please take a look at our Privacy Policy. X
0.092998027801514