Part Number Hot Search : 
2GPXX HV20320 MS2208L6 CX1CSM3 E000790 P2500 P2027A 12AU6
Product Description
Full Text Search

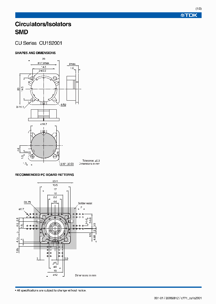
CU1S2001BC-2350 - RF/MICROWAVE 3 PORT CIRCULATOR

CU1S2001BC-2350_6992450.PDF Datasheet


 Full text search : RF/MICROWAVE 3 PORT CIRCULATOR
 Product Description search : RF/MICROWAVE 3 PORT CIRCULATOR


 Related Part Number
PART Description Maker
CU41K2B1P-902.5-1T CU41K2A1P-902.5-1T CU41K2B1P-14 890 MHz - 915 MHz RF/MICROWAVE ISOLATOR
1429 MHz - 1453 MHz RF/MICROWAVE ISOLATOR
100 MHz - 200 MHz RF/MICROWAVE 3 PORT CIRCULATOR
872 MHz - 905 MHz RF/MICROWAVE ISOLATOR
940 MHz - 960 MHz RF/MICROWAVE ISOLATOR
Samtec, Inc.
272216203441 4400 MHz - 5000 MHz RF/MICROWAVE 3 PORT CIRCULATOR
NXP SEMICONDUCTORS
VGS1029 1850 MHz - 1910 MHz RF/MICROWAVE 3 PORT CIRCULATOR
NXP SEMICONDUCTORS
FR11-0008 FR12-0001 FR11-0001 FR11-0002 FR11-0003    Single Junction Drop-In Circulator
3- Port DROP - IN CIRCULATOR / ISOLATOR 869 - 894 MHz
HDR, 0.1IN SPACING, RA, 1X3, ROHS COMPLIANT
MACOM[Tyco Electronics]
FR12-0004 FR11-0004 3- Port DROP - IN CIRCULATOR / ISOLATOR 1930 - 1990 MHz
MACOM[Tyco Electronics]
CK-L09505M521 CK-L09505D521 CK-L09623M511 CK-R2273 9250 MHz - 9750 MHz RF/MICROWAVE ISOLATOR
8400 MHz - 10700 MHz RF/MICROWAVE ISOLATOR
21200 MHz - 24200 MHz RF/MICROWAVE ISOLATOR
3400 MHz - 3500 MHz RF/MICROWAVE ISOLATOR
3600 MHz - 4200 MHz RF/MICROWAVE ISOLATOR
5800 MHz - 7200 MHz RF/MICROWAVE ISOLATOR
4300 MHz - 5100 MHz RF/MICROWAVE ISOLATOR
17300 MHz - 19700 MHz RF/MICROWAVE ISOLATOR
FDK CORP
PC0943DG-21H DROP-IN CIRCULATOR
http://
PREMIER DEVICES, INC.
PDI
PC2018DE-41 DROP-IN CIRCULATOR
List of Unclassifed Manufacturers
PREMIER DEVICES, INC.
ETC
N.A.
PC2150DG-21H DROP-IN CIRCULATOR
PREMIER DEVICES, INC.
PC1843DG-21 DROP-IN CIRCULATOR
http://
PDI[PREMIER DEVICES, INC.]
MAFR-000127-WD3S1T Dual Junction Drop-In Circulator
M/A-COM Technology Solutions, Inc.
 
 Related keyword From Full Text Search System
CU1S2001BC-2350 series CU1S2001BC-2350 corporation CU1S2001BC-2350 array CU1S2001BC-2350 gain CU1S2001BC-2350 ICPRICE
CU1S2001BC-2350 Noise CU1S2001BC-2350 data sheet ic CU1S2001BC-2350 cmos CU1S2001BC-2350 terminals description CU1S2001BC-2350 Adjustable
 

 

Price & Availability of CU1S2001BC-2350

All Rights Reserved © IC-ON-LINE 2003 - 2022  

[Add Bookmark] [Contact Us] [Link exchange] [Privacy policy]
Mirror Sites :  [www.datasheet.hk]   [www.maxim4u.com]  [www.ic-on-line.cn] [www.ic-on-line.com] [www.ic-on-line.net] [www.alldatasheet.com.cn] [www.gdcy.com]  [www.gdcy.net]


 . . . . .
  We use cookies to deliver the best possible web experience and assist with our advertising efforts. By continuing to use this site, you consent to the use of cookies. For more information on cookies, please take a look at our Privacy Policy. X
0.03074312210083