Part Number Hot Search : 
NA0206 BGC20KH 2SD1020 BD414 2SC1622 SDR969N HF2110 1N748D
Product Description
Full Text Search

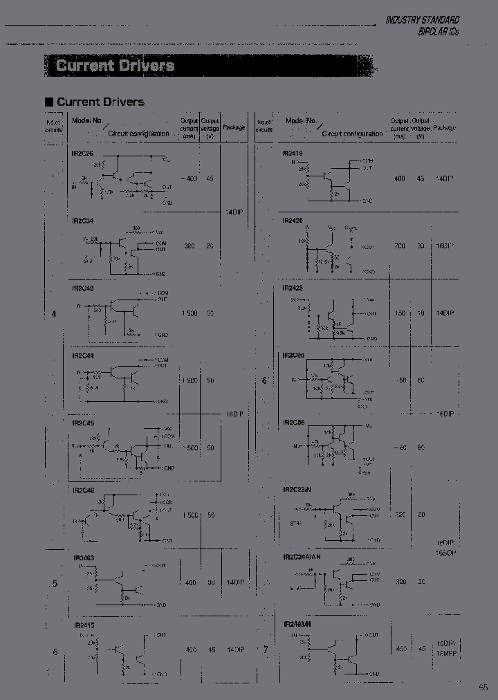
IR2C23 - SPECIALTY INTERFACE CIRCUIT, PDIP16

IR2C23_6976074.PDF Datasheet


 Full text search : SPECIALTY INTERFACE CIRCUIT, PDIP16
 Product Description search : SPECIALTY INTERFACE CIRCUIT, PDIP16


 Related Part Number
PART Description Maker
P5CD051X1 P5CD051X0 P5CD051UE P5CD051UA P5CD051A6 Secure dual interface and contact PKI smart card controller
SPECIALTY MICROPROCESSOR CIRCUIT, PQCC32
SPECIALTY MICROPROCESSOR CIRCUIT, XMA3
NXP Semiconductors
CS8427-DZ CS8427-CS CS8427-DS CS8427-CZ CS8427-CSZ XTAL MTL T/H HC49/US SPECIALTY CONSUMER CIRCUIT, PDSO28
96 kHz Digital Audio Interface Transceiver SPECIALTY CONSUMER CIRCUIT, PDSO28
Cirrus Logic, Inc.
DS32KHZN/WBGA-W DS32KHZ/WBGA/TAMPR MMA6361LR1 MAX1 32.768kHz Temperature-Compensated Crystal Oscillator SPECIALTY ANALOG CIRCUIT, PBGA36
Board Mount Accelerometers 1.5 XY LGA 14 LD ENH
10-Bit, Multichannel ADCs/DACs with FIFO, Temperature Sensing, and GPIO Ports SPECIALTY ANALOG CIRCUIT, QCC36
Multi-Range (±10V, ±5V, 10V, 5V), Single 5V, 12-Bit DAS with 8 4 Bus Interface SPECIALTY ANALOG CIRCUIT, PDSO28
Bidirectional, High-Side, Current-Sense Amplifiers with Reference SPECIALTY ANALOG CIRCUIT, DSO8
0.1% Accurate Signal Conditioner for Piezoresistive Sensor Compensation SPECIALTY ANALOG CIRCUIT, PQFP32
12-Bit, Multichannel ADCs/DACs with FIFO, Temperature Sensing, and GPIO Ports SPECIALTY ANALOG CIRCUIT, QCC36
Low-Cost, Remote SOT Temperature Switches SPECIALTY ANALOG CIRCUIT, PDSO6
Board Mount Accelerometers 12bit 3-Axis FIFO HPF PL Learn More
Board Mount Accelerometers XY 20 / 20 DIGITAL
Low-Power, Two-Channel Sensor Signal Processor SPECIALTY ANALOG CIRCUIT, PDSO28
Automatic RF MESFET Amplifier Drain-Current Controllers SPECIALTY ANALOG CIRCUIT, PDSO24
1-Wire Digital Thermometer with Sequence Detect and PIO SPECIALTY ANALOG CIRCUIT, PDSO8
10k Precision-Matched Resistor-Divider in SOT23 SPECIALTY ANALOG CIRCUIT, PDSO5
Board Mount Accelerometers 20/20G ANALOG SOIC20
High-Precision Digital Thermometer and Thermostat SPECIALTY ANALOG CIRCUIT, PDSO8
1200MHz to 2500MHz Adjustable RF Predistorter
6-Channel, Multi-Range, 5V, 12-Bit DAS with 12-Bit Bus Interface and Fault Protection
Dual, Low-Power, 1200Mbps ATE
SPECIALTY ANALOG CIRCUIT, EDB2
SPECIALTY ANALOG CIRCUIT, PQFP100
Industrial Optical Sensors Ambient Light Sensor Digital 16bit Serial
Linear Regulators - Standard ALT. VOLT REG 14.8
Maxim Integrated Products, Inc.
Vicor, Corp.
EPCOS AG
MAXIM INTEGRATED PRODUCTS INC
MC33972TEW_R2 MCZ33972TEW_R2 MC33972EW_R2 MC33972T Multiple Switch Detection Interface with Suppressed Wake-up
SPECIALTY INTERFACE CIRCUIT, PDSO32
Freescale Semiconductor, In...
Freescale Semiconductor, Inc
FREESCALE SEMICONDUCTOR INC
TFDS6501E-TR4 IC SPECIALTY INTERFACE CIRCUIT, XMA8, 13 X 5.95 X 5.30 MM, SIDE VIEW-8, Interface IC:Other
Vishay Semiconductors
STX2G4245UX SPECIALTY INTERFACE CIRCUIT, PDSO8
PERICOM SEMICONDUCTOR CORP
PCA9512DP118 SPECIALTY INTERFACE CIRCUIT, PDSO8
NXP SEMICONDUCTORS
BU2087FVT1 BU2087FVE2 SPECIALTY INTERFACE CIRCUIT, PDSO16

IR2C23 SPECIALTY INTERFACE CIRCUIT, PDIP16
SHARP ELECTRONICS CORP
CX02067B24 SPECIALTY INTERFACE CIRCUIT, BCC24
MINDSPEED TECHNOLOGIES INC
 
 Related keyword From Full Text Search System
IR2C23 Address IR2C23 什么封装 IR2C23 toshiba IR2C23 receptacle IR2C23 circuit
IR2C23 Band IR2C23 file IR2C23 samsung IR2C23 Planar IR2C23 Search
 

 

Price & Availability of IR2C23

All Rights Reserved © IC-ON-LINE 2003 - 2022  

[Add Bookmark] [Contact Us] [Link exchange] [Privacy policy]
Mirror Sites :  [www.datasheet.hk]   [www.maxim4u.com]  [www.ic-on-line.cn] [www.ic-on-line.com] [www.ic-on-line.net] [www.alldatasheet.com.cn] [www.gdcy.com]  [www.gdcy.net]


 . . . . .
  We use cookies to deliver the best possible web experience and assist with our advertising efforts. By continuing to use this site, you consent to the use of cookies. For more information on cookies, please take a look at our Privacy Policy. X
0.038599967956543