Part Number Hot Search : 
PR1501S 65403 SSC2176 TF607LG MM5253 LSZ52C 74ALS102 CRVT250
Product Description
Full Text Search

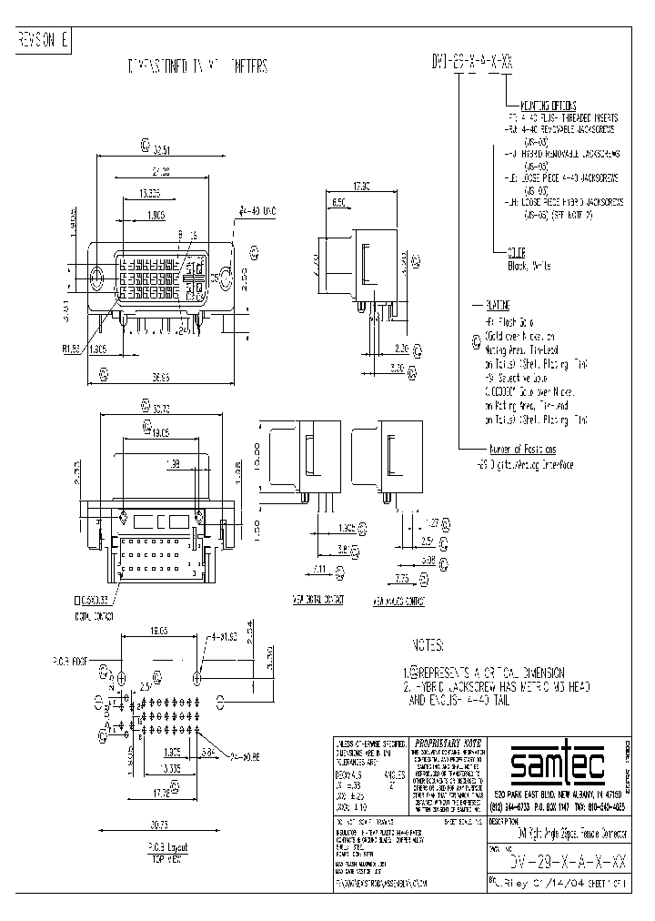
DVI-29-F-A-B-LH - 29 CONTACT(S), FEMALE, RIGHT ANGLE TELECOM AND DATACOM CONNECTOR, SOLDER

DVI-29-F-A-B-LH_6980945.PDF Datasheet


 Full text search : 29 CONTACT(S), FEMALE, RIGHT ANGLE TELECOM AND DATACOM CONNECTOR, SOLDER
 Product Description search : 29 CONTACT(S), FEMALE, RIGHT ANGLE TELECOM AND DATACOM CONNECTOR, SOLDER


 Related Part Number
PART Description Maker
M80-4C10605F1-03-327-03-327 Datamate 2-Row Mix-Tek Female Crimp Connector, Hexagonal jackscrews, 6 x Small bore signal contacts, 6 x 16 AWG Power contacts 12 CONTACT(S), FEMALE, TWO PART BOARD CONNECTOR, CRIMP
Harwin PLC
CRIMPFOX-HCM-50-OHM Crimping pliers, for coaxial, male and female contacts acc. to DIN 41626, contacts HC-M-04-STKOAX-and HC-M-04-BU-KOAX-... 50 and 75 Ohms respectively
PHOENIX CONTACT
M80-4C10805F1-02-325-00-000 Datamate 2-Row Mix-Tek Female Crimp Connector, Hexagonal jackscrews, 8 x Small bore signal contacts, 2 x 12 AWG Power contacts
HARWIN INC
M80-4C12005F1-02-327-02-327 Datamate 2-Row Mix-Tek Female Crimp Connector, Hexagonal jackscrews, 20 x Small bore signal contacts, 4 x 16 AWG Power contacts
HARWIN INC
M80-4D11405F2-04-325-02-325 Datamate 2-Row Mix-Tek Female Crimp Connector, Hex Socket jackscrews, 14 x Large bore signal contacts, 6 x 12 AWG Power contacts
HARWIN INC
15-06-0101 15-06-0180 15-06-0141 MiniFit BMI Rcpt/PanMnt V-0 10Ckt 10 CONTACT(S), FEMALE, POWER CONNECTOR, SOLDER, RECEPTACLE
Connector Housing; No. of Contacts:18; Pitch Spacing:4.2mm; No. of Rows:2; Series:Mini-Fit BMI; Connector Body Material:Nylon; Contact Termination:Crimp 18 CONTACT(S), FEMALE, POWER CONNECTOR, SOLDER, RECEPTACLE
Header Connector,Cable Mnt,PLUG,14 Contacts,SKT,0.165 Pitch,HOLE .164-.189
Molex, Inc.
MOLEX INC
26-03-4030 26-03-3031 26-03-4032 26-03-4221 26-03- Connector Housing; Gender:Female; No. of Contacts:3; Series:6442; Body Material:PA Polyamide (Nylon); No. of Rows:1; Pitch Spacing:3.96mm RoHS Compliant: Yes 3 CONTACT(S), FEMALE, TWO PART BOARD CONNECTOR, CRIMP
KK 156 Crimp Housing 03 Ckt 3 CONTACT(S), FEMALE, TWO PART BOARD CONNECTOR, CRIMP
KK 156 Crimp Housing Ramp 03 Ckt 2 CONTACT(S), FEMALE, TWO PART BOARD CONNECTOR
KK 156 Crimp Housing Ramp 22 Ckt 22 CONTACT(S), FEMALE, TWO PART BOARD CONNECTOR, CRIMP
KK 156 Crimp Housing 20 Ckt 20 CONTACT(S), FEMALE, TWO PART BOARD CONNECTOR, CRIMP
KK 156 Crimp Housing 09 Ckt 9 CONTACT(S), FEMALE, TWO PART BOARD CONNECTOR, CRIMP
KK 156 Crimp Housing 11 Ckt 11 CONTACT(S), FEMALE, TWO PART BOARD CONNECTOR, CRIMP
Header Connector,Cable Mnt,PLUG,16 Contacts,SKT,0.156 Pitch,POLARIZED LCK 16 CONTACT(S), FEMALE, TWO PART BOARD CONNECTOR, CRIMP
KK 156 Crimp Housing 24 Ckt 24 CONTACT(S), FEMALE, TWO PART BOARD CONNECTOR, CRIMP
Connector Housing; Gender:Female; No. of Contacts:24; Series:6442; Body Material:PA Polyamide (Nylon); No. of Rows:1; Pitch Spacing:3.96mm 24 CONTACT(S), FEMALE, TWO PART BOARD CONNECTOR, CRIMP
KK 156 Crimp Housing 04 Ckt 4 CONTACT(S), FEMALE, TWO PART BOARD CONNECTOR, CRIMP
Header Connector,Cable Mnt,PLUG,4 Contacts,SKT,0.156 Pitch,POLARIZED LCK 4 CONTACT(S), FEMALE, TWO PART BOARD CONNECTOR, CRIMP
KK 156 Crimp Housing Ramp 10 Ckt 9 CONTACT(S), FEMALE, TWO PART BOARD CONNECTOR
KK 156 Crimp Housing Ramp 11 Ckt 10 CONTACT(S), FEMALE, TWO PART BOARD CONNECTOR
Header Connector,Cable Mnt,PLUG,13 Contacts,SKT,0.156 Pitch,POLARIZED LCK 13 CONTACT(S), FEMALE, TWO PART BOARD CONNECTOR, CRIMP
Header Connector,Cable Mnt,PLUG,18 Contacts,SKT,0.156 Pitch,POLARIZED LCK 18 CONTACT(S), FEMALE, TWO PART BOARD CONNECTOR, CRIMP
KK 156 Crimp Housing 15 Ckt 15 CONTACT(S), FEMALE, TWO PART BOARD CONNECTOR, CRIMP
KK 156 Crimp Housing 13 Ckt 13 CONTACT(S), FEMALE, TWO PART BOARD CONNECTOR, CRIMP
KK 156 Crimp Housing 06 Ckt 6 CONTACT(S), FEMALE, TWO PART BOARD CONNECTOR, CRIMP
KK 156 Crimp Housing 07 Ckt 7 CONTACT(S), FEMALE, TWO PART BOARD CONNECTOR, CRIMP
Molex, Inc.
MOLEX INC
09-50-3151 09-50-3221 09-50-3241 09-50-3091 09-50- Header Connector,Cable Mnt,PLUG,15 Contacts,SKT,0.156 Pitch,POLARIZED LCK 15 CONTACT(S), FEMALE, TWO PART BOARD CONNECTOR, CRIMP
Header Connector,Cable Mnt,PLUG,22 Contacts,SKT,0.156 Pitch,POLARIZED LCK 22 CONTACT(S), FEMALE, TWO PART BOARD CONNECTOR, CRIMP
Header Connector,Cable Mnt,PLUG,24 Contacts,SKT,0.156 Pitch,POLARIZED LCK 24 CONTACT(S), FEMALE, TWO PART BOARD CONNECTOR, CRIMP
Connector Housing; Gender:Female; Number of Contacts:9; Series:2139; Body Material:PA Polyamide (Nylon); Connecting Termination:Crimp; Mounting Type:Header; Number of Rows:1; Pitch Spacing:3.96mm 9 CONTACT(S), FEMALE, TWO PART BOARD CONNECTOR, CRIMP
Connector Housing; Gender:Female; Number of Contacts:3; Series:2139; Body Material:PA Polyamide (Nylon); Connecting Termination:Crimp; Mounting Type:Header; Number of Rows:1; Pitch Spacing:3.96mm 3 CONTACT(S), FEMALE, TWO PART BOARD CONNECTOR, CRIMP
156 KK Term Hsg W/Ramp Nylon 20Ckt 19 CONTACT(S), FEMALE, TWO PART BOARD CONNECTOR, CRIMP
156 KK Term Hsg O/Ramp Nylon 7Ckt 6 CONTACT(S), FEMALE, TWO PART BOARD CONNECTOR, CRIMP
Header Connector,Cable Mnt,PLUG,11 Contacts,SKT,0.156 Pitch,POLARIZED LCK 11 CONTACT(S), FEMALE, TWO PART BOARD CONNECTOR, CRIMP
156 KK Term Hsg W/Ramp Nylon 23Ckt 23 CONTACT(S), FEMALE, TWO PART BOARD CONNECTOR, CRIMP
156 KK Term Hsg W/Ramp Nylon 14Ckt
156 KK Term Hsg W/Ramp Nylon 9Ckt
156 KK Term Hsg O/Ramp Nylon 10Ckt
Molex, Inc.
MOLEX INC
51065-1300 51065-1000 2MM 13CKT RECEPTACLE HOUS 13 CONTACT(S), FEMALE, TWO PART BOARD CONNECTOR, CRIMP, RECEPTACLE
Multipole Connector; Gender:Female; No. of Contacts:10; Series:50165; Body Material:PBT Polyester; No. of Rows:1; Pitch Spacing:0.079" RoHS Compliant: Yes 10 CONTACT(S), FEMALE, TWO PART BOARD CONNECTOR, CRIMP, RECEPTACLE
Molex, Inc.
51146-1200 51146-2000 51146-0700 1.25 W/B HSG 12 CONTACT(S), FEMALE, TWO PART BOARD CONNECTOR, CRIMP
Header; No. of Contacts:20; Pitch Spacing:0.049"; No. of Rows:1; Gender:Female; Series:PanelMate; Body Material:PBT Polyester RoHS Compliant: Yes 20 CONTACT(S), FEMALE, TWO PART BOARD CONNECTOR, CRIMP
Header; No. of Contacts:7; Pitch Spacing:0.049"; No. of Rows:1; Gender:Female; Series:PanelMate; Body Material:PBT Polyester RoHS Compliant: Yes 7 CONTACT(S), FEMALE, TWO PART BOARD CONNECTOR, CRIMP
Molex, Inc.
 
 Related keyword From Full Text Search System
DVI-29-F-A-B-LH asm encoder DVI-29-F-A-B-LH programmable DVI-29-F-A-B-LH mode DVI-29-F-A-B-LH electric DVI-29-F-A-B-LH Integrate
DVI-29-F-A-B-LH Temperature DVI-29-F-A-B-LH 中文网站 DVI-29-F-A-B-LH Mixed DVI-29-F-A-B-LH siliconix DVI-29-F-A-B-LH search
 

 

Price & Availability of DVI-29-F-A-B-LH

All Rights Reserved © IC-ON-LINE 2003 - 2022  

[Add Bookmark] [Contact Us] [Link exchange] [Privacy policy]
Mirror Sites :  [www.datasheet.hk]   [www.maxim4u.com]  [www.ic-on-line.cn] [www.ic-on-line.com] [www.ic-on-line.net] [www.alldatasheet.com.cn] [www.gdcy.com]  [www.gdcy.net]


 . . . . .
  We use cookies to deliver the best possible web experience and assist with our advertising efforts. By continuing to use this site, you consent to the use of cookies. For more information on cookies, please take a look at our Privacy Policy. X
0.42764401435852