Part Number Hot Search : 
STZ8082C 3199GE OP271GP FOD617C P0903 TLE6285G BGY204 MV5439
Product Description
Full Text Search

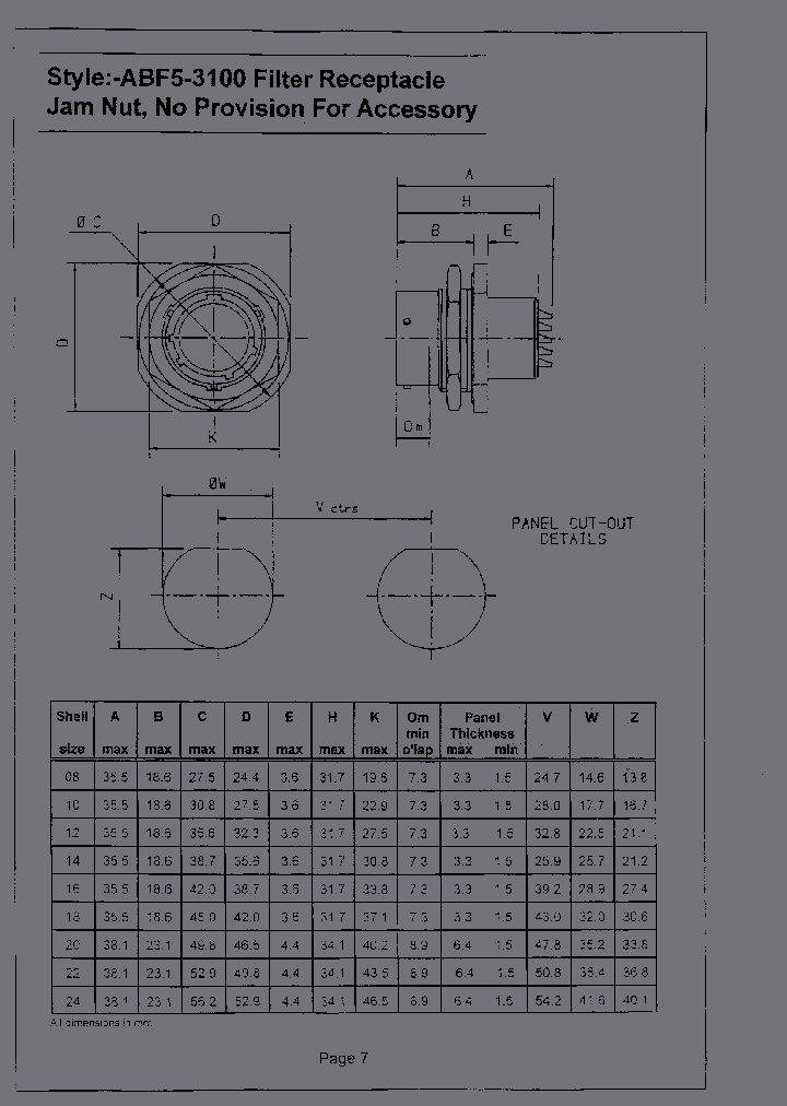
ABF531-1208P-P - 8 CONTACT(S), MALE, CIRCULAR CONNECTOR, SOLDER, RECEPTACLE

ABF531-1208P-P_6830746.PDF Datasheet


 Full text search : 8 CONTACT(S), MALE, CIRCULAR CONNECTOR, SOLDER, RECEPTACLE
 Product Description search : 8 CONTACT(S), MALE, CIRCULAR CONNECTOR, SOLDER, RECEPTACLE


 Related Part Number
PART Description Maker
EN3P8MSK EN3P8FSK EN3P8FSKL EN3P8MSKL 3FS EN3P4FCK 8 CONTACT(S), GLASS FILLED THERMOPLASTIC POLYMER, MALE, CIRCULAR CONNECTOR, SOLDER
8 CONTACT(S), GLASS FILLED THERMOPLASTIC POLYMER, FEMALE, CIRCULAR CONNECTOR, SOLDER
3 CONTACT(S), GLASS FILLED THERMOPLASTIC POLYMER, FEMALE, CIRCULAR CONNECTOR, SOLDER
4 CONTACT(S), GLASS FILLED THERMOPLASTIC POLYMER, FEMALE, CIRCULAR CONNECTOR, CRIMP
5 CONTACT(S), GLASS FILLED THERMOPLASTIC POLYMER, FEMALE, CIRCULAR CONNECTOR, SOLDER
Circular Connector; Number of Contacts:6; Gender:Male; Leaded Process Compatible:Yes; Peak Reflow Compatible (260 C):Yes; Series:EN3
Circular Connector; Gender:Male; No. of Contacts:8; Series:EN3; Leaded Process Compatible:Yes; Peak Reflow Compatible (260 C):Yes RoHS Compliant: Yes
Switchcraft, Inc.
SWITCHCRAFT INC
ATU18_680 ATU18 ATU18_160 ATU18_256 ATU18_304 ATU1 0.18um ULC Series with Embedded DPRAM
Circular Connector; MIL SPEC:MIL-C-5015 E/F/R; Body Material:Aluminum Alloy; Series:MS3102; No. of Contacts:19; Connector Shell Size:22; Connecting Termination:Solder; Circular Shell Style:Box Mount Receptacle; Gender:Male RoHS Compliant: No
ATMEL[ATMEL Corporation]
Atmel Corp.
05WS22 05WS30 05WS20 05WS9 05W 05W1 05W15 05W16 05 surface mount silicon Zener diodes 硅表面贴装齐纳二极管
Circular Connector; Body Material:Aluminum; Series:PT06; Number of Contacts:11; Connector Shell Size:18; Connecting Termination:Solder; Circular Shell Style:Straight Plug; Circular Contact Gender:Pin; Insert Arrangement:18-11
Circular Connector; Body Material:Aluminum; Series:PT06; Number of Contacts:23; Connector Shell Size:16; Connecting Termination:Solder; Circular Shell Style:Straight Plug; Circular Contact Gender:Pin; Insert Arrangement:16-99
PT06E SERIES (MS3116) ENVIRONMENTAL-RESISTANT STRAIGHT PLUGS, STRAIGHT BODY STYLE, SOLDER TERMINATION, 16 SHELL SIZE, 16-8 INSERT ARRANGEMENT, PLUG GENDER, 8 CONTACTS
Circular Connector; MIL SPEC:MIL-C-26482, Series I, Solder; Body Material:Aluminum; Series:PT06; Number of Contacts:8; Connector Shell Size:16; Connecting Termination:Solder; Circular Shell Style:Straight Plug; Gender:Male
Circular Connector; No. of Contacts:26; Series:; Body Material:Aluminum; Connecting Termination:Solder; Connector Shell Size:16; Circular Contact Gender:Socket; Circular Shell Style:Straight Plug; Insert Arrangement:16-26
Circular Connector; MIL SPEC:MIL-C-26482, Series I, Solder; Body Material:Aluminum; Series:PT06; No. of Contacts:26; Connector Shell Size:16; Connecting Termination:Solder; Circular Shell Style:Straight Plug; Body Style:Straight
Circular Connector; MIL SPEC:MIL-C-26482, Series I, Solder; Body Material:Aluminum; Series:PT06; No. of Contacts:8; Connector Shell Size:16; Connecting Termination:Solder; Circular Shell Style:Straight Plug; Body Style:Straight
Circular Connector; MIL SPEC:MIL-C-26482, Series I, Solder; Body Material:Aluminum; Series:PT06; Number of Contacts:26; Connector Shell Size:16; Connecting Termination:Solder; Circular Shell Style:Straight Plug; Body Style:Straight
Gender:Pin; Circular Shell Style:Straight Plug; Insert Arrangement:18-11
Shell Style:Straight Plug; Circular Contact Gender:Socket; Insert Arrangement:18-11
Gender:Socket; Circular Shell Style:Straight Plug; Insert Arrangement:18-11
Style:Straight Plug; Circular Contact Gender:Pin; Insert Arrangement:16-8
Shell Style:Straight Plug; Circular Contact Gender:Pin; Insert Arrangement:18-30
Circular Connector; No. of Contacts:8; Series:; Body Material:Aluminum; Connecting Termination:Solder; Connector Shell Size:16; Circular Contact
Circular Connector; Body Material:Aluminum; Series:PT06; No. of Contacts:11; Connector Shell Size:18; Connecting Termination:Solder; Circular Shell
Circular Connector; Body Material:Aluminum; Series:PT06; No. of Contacts:23; Connector Shell Size:16; Connecting Termination:Solder; Circular Shell
05W 05WS SERIES ZENER DIODES
05W 05WS SERIES ZENER DIODES
Leshan Radio Company, Ltd.
乐山无线电股份有限公
LRC[Leshan Radio Company]
AND-C-106 Circular Connector; No. of Contacts:55; Series:MS27508; Body Material:Aluminum; Connecting Termination:Crimp; Connector Shell Size:16; Circular Contact Gender:Socket; Circular Shell Style:Box Mount Receptacle RoHS Compliant: No
Tyco Electronics
ADM8845 ADM8845ACP ADM8845ACP-REEL7 ADM8845ACPZ AD 20-21 (9 Contact) Pin Insert; For Use With:Amphenol MIL-C-5015 97 Series Circular Connectors; No. of Contacts:9; Gender:Male; Operating Voltage:700V
Charge Pump Driver for LCD White LED Backlights
ANALOG DEVICES INC
Analog Devices, Inc.
C67076-A1005-A2 BUZ34 Circular Connector; No. of Contacts:15; Series:; Body Material:Aluminum; Connecting Termination:Solder; Connector Shell Size:14; Circular Contact Gender:Pin; Circular Shell Style:Right Angle Plug; Insert Arrangement:14-15 主要评级
main ratings
SIEMENS AG
SIEMENS[Siemens Semiconductor Group]
LNJ906W5BRW Circular Connector; Body Material:Aluminum; Series:PT07; Number of Contacts:23; Connector Shell Size:16; Connecting Termination:Solder; Circular Shell Style:Jam Nut Receptacle; Circular Contact Gender:Socket
Blue S-GW Type
Panasonic Corporation
PANASONIC[Panasonic Semiconductor]
UPD78365AGF-3B9 Circular Connector; No. of Contacts:56; Series:MS27467; Body Material:Aluminum; Connecting Termination:Crimp; Connector Shell Size:25; Circular Contact Gender:Pin; Circular Shell Style:Straight Plug; Insert Arrangement:25-4 RoHS Compliant: No
NEC Corp.
 
 Related keyword From Full Text Search System
ABF531-1208P-P Logic ABF531-1208P-P Positive ABF531-1208P-P Clock ABF531-1208P-P alldatasheet ABF531-1208P-P 中文简介
ABF531-1208P-P circuit ABF531-1208P-P Ic on line ABF531-1208P-P maxim ABF531-1208P-P dropout ABF531-1208P-P Corp
 

 

Price & Availability of ABF531-1208P-P

All Rights Reserved © IC-ON-LINE 2003 - 2022  

[Add Bookmark] [Contact Us] [Link exchange] [Privacy policy]
Mirror Sites :  [www.datasheet.hk]   [www.maxim4u.com]  [www.ic-on-line.cn] [www.ic-on-line.com] [www.ic-on-line.net] [www.alldatasheet.com.cn] [www.gdcy.com]  [www.gdcy.net]


 . . . . .
  We use cookies to deliver the best possible web experience and assist with our advertising efforts. By continuing to use this site, you consent to the use of cookies. For more information on cookies, please take a look at our Privacy Policy. X
0.062365770339966