Part Number Hot Search : 
RD190E 253510 TH8S06D AT24C102 L6563S 6028FH PEB1756E 1N4933E
Product Description
Full Text Search

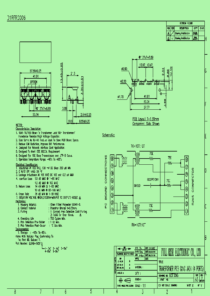
PULSEELECTRONICSCORP-E5TAB-YVC615 - DATACOM TRANSFORMER FOR 10/100 BASE-TX APPLICATION(S)

PULSEELECTRONICSCORP-E5TAB-YVC615_6747039.PDF Datasheet


 Full text search : DATACOM TRANSFORMER FOR 10/100 BASE-TX APPLICATION(S)
 Product Description search : DATACOM TRANSFORMER FOR 10/100 BASE-TX APPLICATION(S)


 Related Part Number
PART Description Maker
HS00 HS00-99540 HS00-99159 HS00-05133 HS00-04119 H Gigabit Ethernet Networking Products DATACOM TRANSFORMER FOR 10/100 APPLICATION(S)
Gigabit Ethernet Networking Products DATACOM TRANSFORMER FOR 10/100/1000 APPLICATION(S)
Gigabit Ethernet Networking Products DATACOM TRANSFORMER FOR 10/100; ETHERNET APPLICATION(S)
Gigabit Ethernet Networking Products DATACOM TRANSFORMER FOR 10 BASE-T APPLICATION(S)
BI Technologies Corporation
BI Technologies, Corp.
JFM24K1A-L101W DATACOM TRANSFORMER FOR 10/100 BASE-T APPLICATION(S)
HON HAI PRECISION INDUSTRY CO LTD
E5TAB-GQCT02 DATACOM TRANSFORMER FOR 10/100 BASE-TX APPLICATION(S)
PULSE ELECTRONICS CORP
H1026 H1174T DATACOM TRANSFORMER FOR 10/100 BASE-T APPLICATION(S)
Pulse Engineering, Inc.
PULSE ELECTRONICS CORP
E5TAB-YV0711 E5TAB-YV0715 DATACOM TRANSFORMER FOR 10/100 BASE-TX APPLICATION(S)
PULSE ELECTRONICS CORP
100B-4005T DATACOM TRANSFORMER FOR 10/100 BASE-TX APPLICATION(S)
PULSE ELECTRONICS CORP
J20-0013NL J20-0016NL DATACOM TRANSFORMER FOR 10/100 BASE-TX APPLICATION(S)
PULSE ELECTRONICS CORP
T-17000 DATACOM TRANSFORMER FOR 10/100 BASE-T APPLICATION(S)
RHOMBUS INDUSTRIES INC
2R2116-B159-AF DATACOM TRANSFORMER FOR LAN; 10/100 BASE-T APPLICATION(S)
HON HAI PRECISION INDUSTRY CO LTD
SI-60076-F SI-60076-F DATACOM TRANSFORMER FOR 10/100 BASE-T APPLICATION(S)
Bel Fuse, Inc.
AG4803CI DATACOM TRANSFORMER FOR 10/100/1000 BASE-T APPLICATION(S)
ALLIED COMPONENTS INTERNATIONAL
 
 Related keyword From Full Text Search System
PULSEELECTRONICSCORP-E5TAB-YVC615 Lead forming PULSEELECTRONICSCORP-E5TAB-YVC615 bus switch PULSEELECTRONICSCORP-E5TAB-YVC615 Bipolar PULSEELECTRONICSCORP-E5TAB-YVC615 uncooled cel PULSEELECTRONICSCORP-E5TAB-YVC615 Diode
PULSEELECTRONICSCORP-E5TAB-YVC615 gate PULSEELECTRONICSCORP-E5TAB-YVC615 purpose PULSEELECTRONICSCORP-E5TAB-YVC615 operation PULSEELECTRONICSCORP-E5TAB-YVC615 molex PULSEELECTRONICSCORP-E5TAB-YVC615 vsen gate
 

 

Price & Availability of PULSEELECTRONICSCORP-E5TAB-YVC615

All Rights Reserved © IC-ON-LINE 2003 - 2022  

[Add Bookmark] [Contact Us] [Link exchange] [Privacy policy]
Mirror Sites :  [www.datasheet.hk]   [www.maxim4u.com]  [www.ic-on-line.cn] [www.ic-on-line.com] [www.ic-on-line.net] [www.alldatasheet.com.cn] [www.gdcy.com]  [www.gdcy.net]


 . . . . .
  We use cookies to deliver the best possible web experience and assist with our advertising efforts. By continuing to use this site, you consent to the use of cookies. For more information on cookies, please take a look at our Privacy Policy. X
0.7072811126709